房绪鹏, 马伯龙, 董召龙, 郭久红, 高冠中
(山东科技大学 电气与自动化工程学院, 山东 青岛 266590)
摘要:针对传统升压变换器存在升压能力有限、电容电压应力大等问题,提出了一种采用2个准Z源网络级联的升压型DC-DC变换器,分析了该变换器的工作原理,推导了该变换器升压比、电容电压应力的表达式。与传统Z源升压变换器相比,该变换器可在占空比小的情况下实现更大的升压比,且在升压比相同的情况下具有更小的电容电压应力。仿真和实验结果验证了理论分析的正确性。
关键词:DC-DC变换器; 升压变换器; 准Z源网络; 级联; 升压比; 电容电压应力
蓄电池机车是煤矿井下的主要动力设备[1],具有自备电源,且无架线复杂的供电系统,具有适应性强、机动性能好、成本低等优点,特别适合于井下人员、物料运输。蓄电池机车一般由车载高压蓄电池供电,电源经逆变电路、高频变压电路和整流电路降压后,可为机车上的照明装置、电笛、通信装置、检测保护装置、控制装置等低压用电设备供电[2]。当机车停电或发生故障时,低压用电设备也会断电,给井下生产造成不便。为避免该情况,在蓄电池机车中加入低压备用电源给低压用电设备单独供电,如图1所示。低压备用电源经DC-DC变换器升压后,可直接给机车低压直流设备供电,也可经逆变电路变换成交流电给机车低压交流设备供电。
Boost变换器是最常用的DC-DC变换器拓扑结构,但其输出电压有限,当开关管占空比非常接近1时,Boost变换器才能达到较大的升压比[3]。鉴于

图1 井下蓄电池机车供电结构
Boost变换器的缺点,文献[4-6]提出了Z源升压变换器,该变换器用一个特殊的Z源网络将输入电源和负载进行耦合,通过控制主开关管占空比实现升压,在占空比小于0.5的情况下就可达到升压效果,但电容电压应力较大。文献[7]在Z源网络结构的基础上提出了准Z源网络结构,减小了Z源升压变换器中电容电压应力,但升压能力依然有限[8-9]。本文提出了一种准Z源升压型DC-DC变换器,该变换器在输入端将2个准Z源网络进行级联,可进一步提高升压能力,降低电容电压应力。
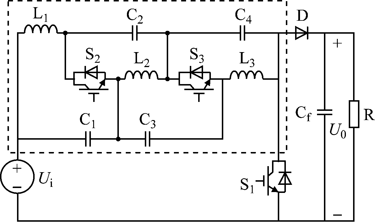
准Z源升压型DC-DC变换器将传统Boost变换器的输入电感用准Z源级联网络代替[10],并将级联网络中的二极管替换成双向导通的开关管,其拓扑结构如图2所示,其中虚线框内为准Z源级联网络,由3个相同电感(L1,L2,L3)和4个相同电容(C1,C2,C3,C4)组成,开关管S1,S2,S3采用IGBT[11]。直流电源电压Ui经级联网络升压后给负载R供电,其中滤波电容Cf可减小输出电压U0纹波,辅助开关管S2和S3可使电感L2和L3中的电流反向流动,这样可在主开关管S1导通前将其寄生电容上的多余电荷抽走,使得S1漏源极两端电压为0。

图2 准Z源升压型DC-DC变换器拓扑结构
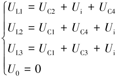
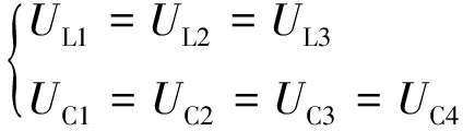
由于L1=L2=L3,C1=C2=C3=C4,准Z源级联网络具有对称性,根据电路的等效性和对称性可得[12-13]
(1)
式中:UL1—UL3分别为电感L1—L3两端电压;UC1—UC4分别为电容C1—C4两端电压。
准Z源升压型DC-DC变换器用互补的PWM脉冲作为控制信号,S2和S3同步导通和关断,1个开关周期内S2(S3)和S1互补导通。在1个开关周期内根据电流方向不同,变换器有4种工作状态,如图3所示。

(a) 工作状态1

(b) 工作状态2

(c) 工作状态3

(d) 工作状态4
图3 准Z源升压型DC-DC变换器等效电路
工作状态1:S2和S3同时关断,S1导通,电源和准Z源级联网络中电容C1—C4向电感L1—L3充电,使电感中电流上升,L2和L3两端电压均大于0,等效电路如图3(a)所示。S2和S3各自反并联的二极管均承受反向电压而截止。根据基尔霍夫电压定律可得

(2)
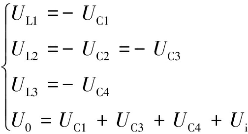
工作状态2:S2和S3同时导通,S1关断,准Z源级联网络中电感L1—L3放电,电感电流降低,L2和L3两端电压小于0,此时电源和L1—L3同时向电容C1—C4充电及给负载供电,等效电路如图3(b)所示。根据基尔霍夫电压定律可得

(3)
工作状态3:L2和L3电流降至0后,S1不动作,S2和S3继续导通很短的一段时间,L2和L3电流分别由C2和C4提供,且反向增大,等效电路如图3(c)所示。各电压关系如式(3)所示。
工作状态4:L2和L3反向充电一段时间后,S2和S3同时关断,L2和L3电流方向不变,等效电路如图3(d)所示。各电压关系如式(2)所示。当S1两端电压降至0时,S1进入下一个循环周期的工作状态1。
设在1个开关周期T内,S1占空比为D,则S1导通时间为DT,S1关断时间为(1-D)T。电感L1—L3在1个开关周期内伏秒平衡[14-15],则

(4)
由式(4)可得
(5)
将式(5)代入式(3),得升压比为
(6)
从升压比和电容电压应力2个方面对准Z源升压型DC-DC变换器和传统Z源升压变换器进行比较。根据准Z源升压型DC-DC变换器和传统Z源升压变换器的升压比、电容电压应力公式[5],利用Matlab/Figure绘制2种变换器的升压比及电容电压应力(Uc/Ui,Uc为电容电压)曲线,分别如图4、图5所示。

图4 2种变换器升压比曲线

图5 2种变换器电容电压应力曲线
从图4可看出,在占空比相同的情况下,准Z源升压型DC-DC变换器的升压能力大于传统Z源升压变换器,满足在占空比小的条件下实现大升压比的需求;当升压比相同时,准Z源升压型DC-DC变换器的开关管导通时间小,有利于开关管散热,延长开关管使用寿命。从图5可看出,在升压比相同的情况下,准Z源升压型DC-DC变换器的电容电压应力小于传统Z源升压变换器,可减小电容的体积与成本。
为验证理论分析的正确性,根据图2在Matlab/Simulink环境下搭建仿真电路,并在实验室搭建小功率硬件电路,在电流连续工作模式下进行开环仿真和实验。
仿真参数:L1=L2=L3=150 μH,C1=C2=C3=C4=400 μF,Cf=800 μF,R=30 Ω,开关管频率为20 kHz,D=0.25。当Ui=12 V时,输出电压、电容电压的仿真波形分别如图6、图7所示。此时由式(5)、式(6)可计算出输出电压、电容电压的理论值分别为48,12 V。

图6 输出电压仿真波形

图7 电容电压仿真波形
实验参数与仿真参数一致。开关管选用SGH80N60UF型IGBT,通过TMS320F2812开发板产生互补的控制信号,控制开关管的导通、关断来实现升压功能。当Ui=9 V时,输出电压、电容电压的实验波形分别如图8、图9所示。此时由式(5)、式(6)可计算出输出电压、电容电压的理论值分别为36, 9 V。

图8 输出电压实验波形

图9 电容电压实验波形
从图6—图9可看出,输出电压和电容电压的仿真值与理论值一致,而实验值与理论值存在一定误差,这是由于实验过程中电路元器件自身存在压降,但误差在合理范围内,验证了理论分析的正确性。
将2个准Z源网络级联并引入Boost变换器中,构成了准Z源升压型DC-DC变换器,介绍了该变换器的拓扑结构和工作原理;从升压比和电容电压应力2个方面对准Z源升压型DC-DC变换器和
传统Z源升压变换器进行了比较,准Z源升压型DC-DC变压器可在开关管占空比小的情况下实现更大的升压比,且具有更小的电容电压应力。仿真和实验结果验证了理论分析的正确性。
参考文献:
[1] 杭俊,黄友锐.开关磁阻电机在蓄电池电机车上的应用[J].电力电子技术,2010,44(9):60-62.
[2] 房绪鹏,庄见伟,李辉.一种新型双向DC-DC变换器[J].工矿自动化,2016,42(9):52-56.
[3] 彭方正,房绪鹏,顾斌,等.Z 源变换器[J].电工技术学报,2004,19(2):47-51.
[4] PENG F Z.Z-source inverter[J].IEEE Transactions on Industry Applications,2003,39(2):504-510.
[5] 王利民,钱照明,彭方正.Z源升压变换器[J].电气传动,2006,36(1):28-29.
[6] SHEN M,PENG F Z.Operation modes and characteristics of the Z-source inverter with small inductance or low power factor[J].IEEE Transactions on Industrial Electronics,2008,55(1):89-96.
[7] ANDERSON J,PENG F Z.Four quasi-Z-source inverters[C]//Power Electronics Specialists Conference,Rhodes,2008:2743-2749.
[8] 夏鲲,曾彦能,葛越,等.准Z源升压变换器的软开关技术仿真研究[J].系统仿真学报,2015,27(3):656-661.
[9] 王树文,单硕硕,张洋,等.改进型准Z源逆变器[J].电力自动化设备,2016,36(9):142-150.
[10] GAJANAYAKE C J,LUO F L,GOOI H B,et al.Extended-boost Z-source inverters[J].IEEE Transactions on Power Electronics,2010,25(10):2642-2652.
[11] 周翔,许建平,陈章勇.高升压增益软开关DC-DC变换器[J].电工技术学报,2016,31(14):156-164.
[12] 汪妍冰,雷勇,李媛,等.基于准Z源的多电平光伏并网控制系统研究[J].高压电器,2016(6):124-129.
[13] 程志友,程红江,于浩,等.开关电感型Z源逆变器拓扑结构的设计与仿真[J].农业工程学报,2013,29(17):129-136.
[14] 杜海健,苏谢祖,颜钢锋.电动汽车新型超级电容能量管理系统设计[J].电子技术应用,2011,37(6):77-80.
[15] 王毅,曹茂永,张刘春,等.具有Trans-Z源的单相交流变换器设计[J].电网技术,2016,40(7):2162-2168.
A quasi-Z-source boost DC-DC converter
FANG Xupeng, MA Bolong, DONG Zhaolong, GUO Jiuhong, GAO Guanzhong
(College of Electrical Engineering and Automation, Shandong University of Science and Technology, Qingdao 266590, China)
Abstract:For problems of traditional boost converter including limited boost ability and high capacitor voltage stress, a boost DC-DC converter was proposed which used two quasi-Z-source networks in cascade. Working process of the converter was analyzed, and expressions of step-up ratio and capacitor voltage stress were derived. Compared with traditional Z-source boost converter, the quasi-Z-source converter can realize larger step-up ratio with small duty cycle, and has lower capacitor voltage stress under the same step-up ratio. The simulation and experimental results verify validity of the theoretical analysis.
Key words:DC-DC converter; boost converter; quasi-Z-source; cascade; step-up ratio; capacitor voltage stress
文章编号:1671-251X(2017)04-0068-04
DOI:10.13272/j.issn.1671-251x.2017.04.016
收稿日期:2016-12-10;
修回日期:2017-03-10;责任编辑:盛男。
基金项目:山东省自然科学基金资助项目(ZR2009FM017);中国博士后科学基金资助项目(20090461254);山东科技大学研究生教育创新计划资助项目(2014BK023)。
作者简介:房绪鹏(1971-),男,山东汶上人,副教授,博士,主要研究方向为阻抗源变流器及其应用、现代电力电子技术在电气传动和新兴能源利用方面的应用,E-mail:xpfang69@163.com。
中图分类号:TD611
文献标志码:A
网络出版:时间:2017-03-28 17:33
网络出版地址:http://kns.cnki.net/kcms/detail/32.1627.TP.20170328.1733.016.html
房绪鹏,马伯龙,董召龙,等.一种准Z源升压型DC-DC变换器[J].工矿自动化,2017,43(4):68-71.