李起伟1,2,3
(1.煤炭科学技术研究院有限公司, 北京 100013; 2.煤炭资源高效开采与洁净利用国家重点实验室,北京 100013; 3.北京市煤矿安全工程技术研究中心, 北京 100013)
摘要:根据GB 3836—2010系列标准和《矿用隔爆(兼本安)型锂离子蓄电池电源安全技术要求(试行)》的相关要求,设计了一种防爆电动车锂电池管理系统。该系统以STM32F105VCT7主控制器、LTC6804-2电池管理芯片为核心,基于RT-Thread实时操作系统设计,采用电池被动均衡策略来均衡电池电压。测试结果表明,采用该系统前后,12串锂电池之间的最大压差分别为0.237,0.025 V,电池电压均衡效果明显。
关键词:防爆电动车; 电池管理系统; 锂电池; 电池均衡
防爆电动车在煤矿的应用日渐广泛。锂离子蓄电池(以下简称锂电池)因体积小、质量轻、能量密度大,成为防爆电动车能量来源的首选。为保证锂电池的用电安全,提高锂电池的续航能力,延长锂电池的使用寿命,有必要研发锂电池管理系统,实现对锂电池组工作及荷电状态的监测。
防爆电动车上安装的锂电池达上百串,而现有应用于煤矿井下的锂电池管理系统多针对硐室、救生舱的后备电源开发,监测的锂电池大多为8串或16串,且多为中小容量电池,无法直接用于监测防爆电动车锂电池;应用于民用电动车的锂电池管理系统[1]在电路设计及性能方面,无法满足煤矿井下应用要求。本文针对煤矿环境,根据GB 3836—2010系列标准和《矿用隔爆(兼本安)型锂离子蓄电池电源安全技术要求(试行)》(以下简称《安全技术要求》),设计了一种防爆电动车锂电池管理系统。
1.1 锂电池设置
电池典型的成组方式有先串联再并联和先并联再串联2种[2-3],前者在连接可靠性方面优于后者。《安全技术要求》规定,对于矿用隔爆型设备,禁止锂电池以并联连接的形式置于隔爆腔内,原因是不能保证并联电池的内阻完全一致,可能存在充放电时并联电池的电流分配不均的情况,加剧内阻的不一致性,导致并联电池之间互相充电的不安全现象。因此,防爆电动车中的锂电池采用串联连接的成组方式。
根据《关于矿用产品使用的锂离子蓄电池安全标志管理意见(暂行)》规定,系统采用磷酸铁锂电池。该电池安全系数较高,单体电池的额定电压为3.2 V。《安全技术要求》规定运输车辆用电源中锂电池的额定容量不超过100 A·h,单体电池的最大能量为320 W·h,电池组总额定能量不超过32 000 W·h。系统采用容量为100 A·h的磷酸铁锂电池,因此电池总数不能超过 100串。
1.2 电池均衡策略
在锂电池制造过程中,制造工艺、材质等因素会造成同型号电池在电压、容量、内阻等方面存在不一致性,导致成组电池在利用率、使用寿命、安全性等方面的性能远不及单体电池[4-5]。针对该问题,系统采用电池均衡策略,以提高电池组的整体性能,有效延长电池组的使用寿命,降低整车的使用和维护成本。
电池均衡策略包括主动均衡和被动均衡2种。主动均衡策略是对电池组在充电、放电或放置过程中,单体电池之间产生的容量或电压差异性进行均衡。该过程中涉及的能量转移方法一般有2种:将能量高的单体电池能量均衡到能量低的电池;将电压(容量)高的单体电池能量转移给一个备用电池,再由备用电池转移到其他电压(容量)较低的电池。
被动均衡策略是通过采集串联单体电池电压得出单体电池之间的差异,以设定好的充电电压上限阈值为基准,只要检测到任何一只单体电池充电时最先达到上限阈值电压并与相邻电池存在差异,即针对电池组内电压最高的单体电池,通过并联在单体电池的放电电阻进行放电,并以此类推,直到电压最低的单体电池到达上限阈值电压,由此完成1个平衡周期。
主动均衡策略与被动均衡策略相比,具有平衡电流大、均衡速度快、效率高、能量损耗小等优点。但主动均衡策略技术复杂,成本高,且因结构复杂导致的故障率较高,因此系统采用被动均衡策略。
防爆电动车锂电池管理系统主要由主控制器单元、电池信息采集单元、电池组电流采集模块、主控制器与充电桩和整车控制器通信模块、绝缘电阻采集模块、输入/输出继电器控制单元、液晶显示器等组成,如图1所示。

图1 防爆电动车锂电池管理系统组成
系统由主控制器单元进行调度协调。电池信息采集单元采集电池电压、温度数据,并通过SPI总线传输给主控制器单元。主控制器单元根据该数据发出相应的指示和报警动作,如电池过压报警、欠压报警、高温报警、低温报警等。电池组电流采集模块通过霍尔电流传感器采集电池组的放电或充电电流,并按比例转换为电压信号,由主控制器单元采集该模拟信号,结合电池电压、温度数据估算荷电状态,并控制电池均衡、充电桩启停、输入/输出继电器导通/关断等。绝缘电阻采集模块负责采集电池组直流母线与隔爆外壳的绝缘电阻值,并通过CAN总线传输给主控制器单元。主控制器单元将采集的单体电池电压、温度数据,电池组电流数据,报警信息,绝缘电阻值等发送给液晶显示器进行显示,并通过CAN总线发送给整车控制器或充电桩。整车控制器和充电桩对这些数据进行整理后,发送命令给主控制器单元来控制输入/输出继电器的通断。
3.1 主控制器单元
防爆电动车锂电池管理系统的通信接口较多,且工作环境较恶劣,对主控制器单元在工作温度、接口数量等方面的要求比较高。系统选用STM32F105VCT7作为主控制器。其工作主频达72 MHz,内置ARM CortexTM-M3内核,具有2个支持CAN2.0B协议的CAN总线接口、1个全速USB OTG接口、3个SPI总线接口,输出速率最高可达18 Mbit/s,此外还有5个USART接口[6-7]、2个12位ADC,可保证对模拟电压的高精度采样。STM32F105VCT7可在-40~105 °C正常工作,在一定程度上提高了系统可靠性和稳定性。
3.2 电池信息采集单元
根据《安全技术要求》,防爆电动车锂电池管理系统对单体锂电池及电池组的参数测量误差要求见表1[8-9]。
表1 锂电池(组)参数测量误差要求

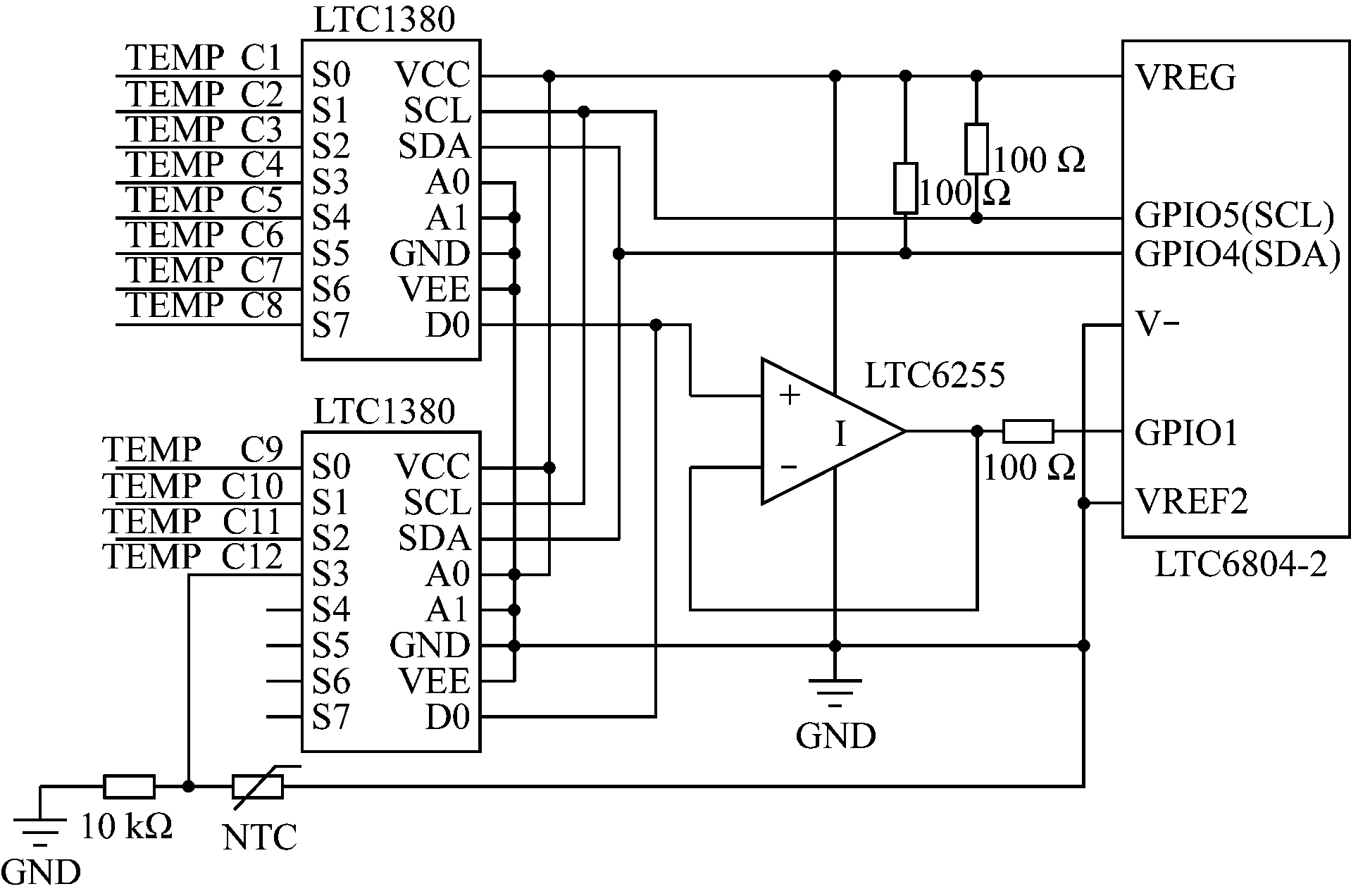
根据表1,电池信息采集单元采用电池管理芯片LTC6804-2来监测单体锂电池的电压、温度。1片LTC6804-2最多可测量12串串联电池的信息,对电池电压的总测量误差不大于1.2 mV,并可在290 μs内完成对12串电池的电压测量。为实现高噪声抑制,LTC6804-2可采用较低的数据采集速率[10-11]。
电池信息采集单元通过SPI总线与主控制器单元通信。1条SPI总线上可挂接多片LTC6804-2,通过相应片选信号线进行选通[9]。系统采用8片LTC6804-2对96串锂电池电压进行采集(1片LTC6804-2采集12串锂电池电压),满足单体电池容量为100 A·h时,每个防爆锂电池箱内的锂电池不超过100串的要求。
LTC6804-2提供了5个GPIO引脚,均可配置为模拟输入,用来采集锂电池温度数据。LTC6804-2的GPIO4、GPIO5引脚还可配置为I2C接口的SDA和SCL端口。为满足12串锂电池温度数据采集要求,采用8路模拟选择芯片LTC1380扩展模拟通道,通过其I2C接口连接LTC6804-2的GPIO4和GPIO5引脚形成的I2C接口。采用2片LTC1380即可测量12串锂电池温度数据,此时需将GPIO1配置为模拟输入模式。
单体锂电池温度采集电路如图2所示。在每一串电池的极耳上固定该电路,即可测得每一串锂电池的温度。1个10 kΩ电阻与1个NTC(负温度系数热敏电阻)串连后连接LTC6804-2的VREF2引脚,形成一个分压电路。通过测量、计算可知NTC阻值,再通过查表即可得到该串锂电池的温度。

图2 单体锂电池温度采集电路
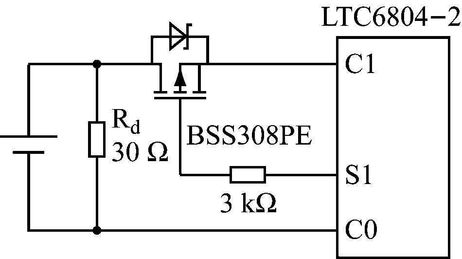
LTC6804-2的S1—S12引脚可用于对测量的12串锂电池进行被动均衡。1串锂电池被动均衡电路如图3所示,其余锂电池采用相同的电路。如果某一串锂电池过度充电,S引脚可驱动一个外部P沟道MOSFET(BSS308PE)来控制合适的放电电阻对该串电池进行放电。图3中Rd为放电电阻,最高可实现120 mA的均衡放电电流。

图3 锂电池被动均衡电路
3.3 电池组电流采集模块
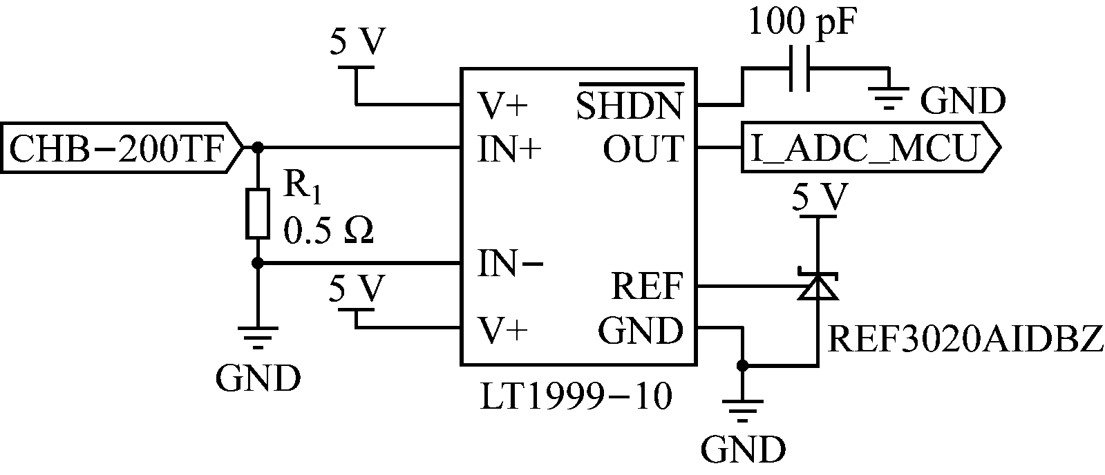
电池组电流采集模块如图4所示。考虑到电池组输出电流达100 A以上,为满足电池组电流测量误差小于0.5%的要求,采用CHB-200TF闭环霍尔电流传感器(最大测量误差为0.3%)采集电池组电流。CHB-200TF按2 000∶1将电池组电流缩小。为方便主控制器单元采样及减小采样误差,采用高精度采样电阻R1(采样精度为0.1%)将缩小的电流值转换为电压值,再由运算放大器将电压值放大到一定倍数后供主控制器单元进行AD采样。

图4 电池组电流采集模块电路
电池组电流采集模块需要采集电池组的放电及充电电流,因此运算放大器不仅要指示被检电流的幅值,还要指示被检电流的方向。针对该要求,采用LT1999-10运算放大器。LT1999-10可工作在-40~125 ℃范围内,增益误差小于0.5%,输入失调电压小于1.5 mV[12]。
防爆电动车锂电池管理系统的主要任务包括电池电压、电流、温度采集,电池均衡,CAN总线通信,液晶显示,输入/输出控制等。采用RT-Thread实时操作系统对这些任务进行调度。RT-Thread具有实时操作系统内核,以及SPI总线标准接口、优化的文件系统、USB协议栈、Finsh Shell等外围组件[13]。其内核采用ANSI C语言编写,移植性强,适用于多种体系结构的处理器和编译器,用户可按需要对其配置和裁剪,具有很高的可靠性和稳定性[14]。
系统软件包括系统上电初始化、主控制器单元与LTC6804-2通信、充电与电池均衡、主控制器单元与整车控制器的CAN通信、主控制器单元与绝缘电阻采集模块的CAN通信和液晶显示6个线程。本文主要介绍系统上电初始化线程、主控制器单元与LTC6804-2通信线程、充电与电池均衡线程的工作流程。
系统上电初始化线程主要功能是在系统上电时,初始化必要的硬件外设,如串口、系统时钟、SPI总线接口、CAN控制器等,以及系统内核、fatFS文件系统、Finsh Shell等系统组件,并进行系统自检,如绝缘电阻是否超限、主控制器单元与LTC6804-2通信是否正常等。工作流程如图5所示。

图5 系统上电初始化线程流程
主控制器单元与LTC6804-2通信线程主要获取各单体锂电池的电压和温度数据,每100 ms与1片LTC6804-2通信1次,在800 ms内完成对所有锂电池电压、温度数据的采集,并判断是否有电池过压、欠压、高温、低温,过压、欠压保护失效,电压、温度采集线开路等故障情况,并发出相应的报警指示。工作流程如图6所示。

图6 主控制器单元与LTC6804-2通信线程流程
充电与电池均衡线程主要实现主控制器单元与充电桩通信,设定充电电压、电流、时间等,控制充电桩启停,根据锂电池电压和温度控制电池均衡,直至有电池的电压达到上限阈值且最高电压与最低电压的差值小于设定值,以及估算充电过程中的荷电状态。工作流程如图7所示。

图7 充电与电池均衡线程流程
采用该系统采集96串锂电池的电压和温度数据,并对锂电池进行电压均衡。选取12串锂电池的监测数据进行对比,结果见表2。可看出采用该系统对锂电池进行电压均衡前,12串锂电池之间的最大压差为0.237 V,采用该系统后最大压差仅为0.025 V。
表2 锂电池电压均衡前后电压对比

根据GB 3836—2010系列标准和《安全技术要求》,设计了矿用防爆电动车锂电池管理系统。经实际测试,该系统能够提高锂电池的一致性,有效实现了电池均衡,有利于延长电池组的续航时间和电池寿命。考虑到系统安装在防爆腔体内不便于维护,设计了CAN bootloader引导程序,通过CAN总线对系统进行升级维护,极大地减少了现场维护的工作量。
参考文献:
[1] 乔思洁.锂电池管理系统的研究与设计[D].青岛:中国海洋大学,2009.
[2] 王震坡,孙逢春.电动汽车电池组连接可靠性及不一致性研究[J].车辆与动力技术,2002(4):11-15.
[3] 王震坡,孙逢春.电动汽车电池组连接方式研究[J].电池,2004(8):279-281.
[4] 谢斌.电动汽车锂电池组SOC辨识与均衡管理研究[D].广州:华南理工大学,2013.
[5] 罗雨.动力锂离子电池制备工艺对一致性影响研究[D].长沙:湖南大学,2012.
[6] 意法半导体(中国)投资有限公司.STM32 reference manual(RM0008)[EB/OL].[2016-11-10].http://www.stmicroelectronics.com.cn/content/st_com/zh.html.
[7] 意法半导体(中国)投资有限公司.STM32F105xx STM32F107xx datasheet(DS6014)[EB/OL].[2016-11-10].http://www.stmicroelectronics.com.cn/content/st_com/zh.html.
[8] 安标国家矿用产品安全标志中心.矿用隔爆(兼本安)型锂离子蓄电池电源安全技术要求(试行)[EB/OL].[2016-11-20].http://www.aqbz.org/old/ZQYJ/wenjian/JS2012001.asp.
[9] 肖林京,常龙,张瑞雪,等.矿用防爆柴油机车锂离子蓄电池启动电源系统设计[J].工矿自动化,2014,40(10):61-64.
[10] 凌力尔特公司.LTC6804-1/LTC6804-2 multicell battery monitors [EB/OL].[2016-11-20].http://www.linear.com.
[11] 徐钧,蔡欣荣.基于LTC6804-2的锂电池SOC应用研究[J].仪表技术,2014(6):28-31.
[12] 凌力尔特公司.LT1999-10/LT1999-20/LT1999-50 high voltage, bidirectional current sense amplifier[EB/OL].[2016-11-20].http://www.linear.com.
[13] 李起伟.基于SIM808的CAN总线监控和维护终端 [J].单片机与嵌入式系统应用,2016(7):50-53.
[14] 尹贺,郝志刚,董鑫正,等.RS274_NGC在RT_Thread操作系统中的改造与应用[J].计算机与网络,2016(13):64-68.
Design of lithium battery management system for explosion-proof electric vehicle
LI Qiwei1,2,3
(1.China Coal Research Institute, Beijing 100013, China; 2.State Key Laboratory of Coal Resource Efficient Mining and Clean Utilization, Beijing 100013, China; 3.Beijing Mine Safety Engineering Technology Research Center, Beijing 100013, China)
Abstract:A lithium battery management system for explosion-proof electric vehicle was designed according to GB 3836-2010 andPower safety technical requirements of mine-used flameproof and intrinsic safety type lithium-ion battery(trail). The system takes STM32F105VCT7 main controller and LTC6804-2 battery management chip as cores on the basis of RT-Thread real-time operation system, and uses passive battery equalization scheme to equalize battery voltage. The test result shows that the maximum voltage difference among twelve lithium batteries is 0.237 V and 0.025 V separately before and after applying the system, which has good effect of battery voltage equalization.
Key words:explosion-proof electric vehicle; battery management system; lithium battery; battery equalization
文章编号:1671-251X(2017)04-0005-05
DOI:10.13272/j.issn.1671-251x.2017.04.002
收稿日期:2016-11-28;
修回日期:2017-02-21;责任编辑:李明。
基金项目:煤炭科学技术研究院技术创新基金资助项目(2016CX05)。
作者简介:李起伟(1983-),男,河北邯郸人,助理研究员,硕士,现主要从事煤矿安全监控系统研发工作,E-mail:liqiwei@ccrise.cn。
中图分类号:TD642
文献标志码:A
网络出版:时间:2017-03-28 16:58
网络出版地址:http://kns.cnki.net/kcms/detail/32.1627.TP.20170328.1658.002.html
李起伟.防爆电动车锂电池管理系统设计[J].工矿自动化,2017,43(4):5-9.