时剑文1, 邱利军2, 孙珂1
(1.中国矿业大学(北京) 机电与信息工程学院, 北京 100083; 2.北京电子科技职业学院 自动化工程学院, 北京 100854)
摘要:针对传统矿用电机车充电方式存在耗时长、电缆漏电等问题,提出了以松耦合变压器为核心的矿用电机车无线充电系统;利用有限元软件ANSYS Maxwell分析了原副边铁芯配合偏差对松耦合变压器效率的影响,并通过实验进行了验证。仿真和实验结果表明:气隙越小,变压器效率越高;横向、纵向位移偏差分别在50,40 mm以内时,对变压器效率影响较小。
关键词:矿用电机车; 无线充电; 松耦合变压器; 变压器效率; 有限元仿真
传统的矿用电机车使用井上矿用整流充电机进行充电,需要将电机车开到地面卸出电机车电池[1],耗费时间长,工作效率低,严重影响矿井连续作业,且充电线缆及接头存在漏电、易产生电火花、接触点易磨损[2]等问题。本文介绍一种矿用电机车无线充电系统,重点对系统核心部件——松耦合变压器进行研究,利用有限元仿真软件分析变压器原副边铁芯间不同气隙、横向位移偏差、纵向位移偏差下变压器效率的变化趋势,并通过实验验证仿真的准确性。
矿用电机车无线充电系统组成如图1所示。在井下电机车轨道旁建立充电站,将原有的井上矿用整流充电机变压器原副边分离,原边线圈及铁芯连接在井下充电站供电电源上,副边线圈及铁芯连同整流装置直接固定在电机车上。充电时,利用机械臂抓取原边线圈及铁芯,将其精确对接到副边线圈及铁芯上,形成一个有气隙的松耦合变压器,以空气作为磁介质来进行电能传输,实现对电机车的无线充电。

图1 矿用电机车无线充电系统组成
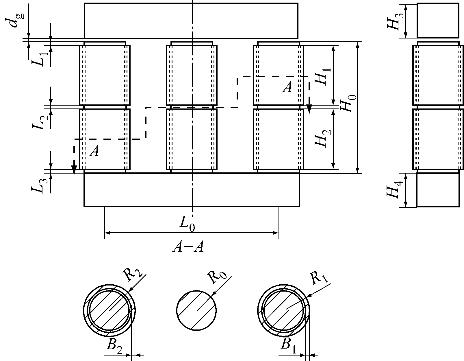
松耦合变压器是矿用电机车无线充电系统的核心组成部分,其原边线圈、副边线圈分别绕在2个独立的磁性材料上,采用非接触的方式进行感应耦合电能传输[3-4]。针对矿用电机车无线充电系统对松耦合变压器稳定性高、需搬运部件质量小的要求[5],采用EI型松耦合变压器,其结构如图2所示,参数见表1。

图2 EI型松耦合变压器结构
当机械臂搬运I型铁芯与E型铁芯配合时,双边铁芯之间存在一定的气隙及水平、垂直方向的配合偏差,即两铁芯之间会存在气隙、横向位移偏差、纵向位移偏差。气隙、横向位移偏差、纵向位移偏差的存在导致松耦合变压器两端的漏感较大[6-8],高于磁化电感,使得变压器互感耦合系数较低[9],因而变压器效率较低[10-12]。采用仿真与实验相结合的方法分析气隙、横向位移偏差、纵向位移偏差对变压器效率的影响。
表1 EI型松耦合变压器参数 mm

采用有限元软件ANSYS Maxwell对松耦合变压器静态磁场进行有限元分析。
3.1 参数化模型建立
采用参数化建模方式[13],将松耦合变压器各参数设置为可变量,以便研究各参数对松耦合变压器性能的影响。松耦合变压器三维模型如图3所示。

图3 松耦合变压器三维模型
3.2 激励源和边界条件添加
设置求解类型为静态磁场[14],添加激励时,由于变压器B、C相的电流相位分别落后A相电流相位120°和240°,以B相电流为基准,设置A、C相的电流大小为B相的1/2,方向与B相电流相反[15]。之后添加A、B、C相的输入、输出电流到电感矩阵,另外,添加分析边界,设置其大小为模型的200%。
3.3 仿真结果及分析
以变压器A、B、C柱两线圈间的互感耦合系数为研究对象,分别选取气隙、横向位移偏差、纵向位移偏差为变量,保持其余参数不变进行模拟仿真,得出互感耦合系数与气隙、横向位移偏差、纵向位移偏差的关系,分别如图4—图6所示。

图4 互感耦合系数随气隙变化的仿真结果

图5 互感耦合系数随横向位移偏差变化的仿真结果

图6 互感耦合系数随纵向位移偏差变化的仿真结果
从图4可看出,同一柱两线圈间的互感耦合系数随着气隙的增大而迅速降低;B柱两线圈间互感耦合系数略高于A、C柱;随着气隙的不断增大,互感耦合系数趋近于某一定值。
从图5可看出,当铁芯的横向位移偏差不大于50 mm时,对同一柱两线圈间的互感耦合系数影响不大;当横向位移偏差大于50 mm时,同一柱两线圈间的互感耦合系数迅速减小;B柱两线圈间互感耦合系数仍略高于A、C柱。
从图6可看出,当铁芯的纵向位移偏差不大于40 mm时,对同一柱两线圈间的互感耦合系数影响不大;当纵向位移偏差大于40 mm时,A柱两线圈间互感耦合系数迅速减小,B、C柱两线圈间互感耦合系数基本保持不变。
4.1 实验装置
矿用电机车无线充电系统实验平台实物如图7所示。

图7 实验平台实物
矿用电机车无线充电系统的变压器为定制的EI型松耦合干式变压器,额定电压为380/220 V,额定容量为25 kVA,原边线圈采用Y型连接,副边线圈采用△型连接,变压器的铁芯具有可拆卸功能,可拆成E、I型铁芯两部分,副边线圈与E型铁芯共同固定在底座上,原边线圈与I型铁芯可移动。
采用SR165型驱动机械臂搬运变压器的原边线圈及铁芯;使用全波整流柜作为整流装置;电机车铅酸蓄电池组为阻性负载,出于实验安全考虑,使用大功率电阻箱模拟电机车铅酸蓄电池组;使用带有Modbus RTU协议的多功能电表对电气参数进行实时测量与存储。
实验平台电气原理如图8所示。

图8 实验平台电气原理
4.2 实验过程
将原边线圈套在E型铁芯铁柱上,使用机械臂抓取I型铁芯,与E型铁芯精确对接,调整机械臂位置,使I型铁芯与E型铁芯的气隙、横向位移偏差、纵向位移偏差为零,此为变压器的初始位置,记录该位置下的电气参数(变压器三相输入、输出电压和电流取平均值)。操作机械臂使I型铁芯向上移动来调整气隙,步进距离设定为1 mm,从0~15 mm逐步移动,记录每个气隙下的电气参数。操作机械臂使I型铁芯横向、纵向移动,步进距离设定为5 mm,从0~90 mm逐步移动,记录每个横向、纵向位移偏差下的电气参数。
4.3 实验结果及分析
不同气隙下变压器输入、输出电压和电流如图9所示。可看出随着气隙的增加,输入、输出电压基本保持不变,输入电流随气隙的增加而增大,输出电流基本保持不变。

(a) 不同气隙下变压器输入、输出电压

(b) 不同气隙下变压器输入、输出电流
图9 不同气隙下变压器输入、输出电压和电流
由图9的测量结果计算出变压器效率,如图10所示。可看出随着气隙的增加,变压器效率不断下降,且下降幅度逐渐减缓,表明气隙越小,变压器效率越高。
不同横向位移偏差下变压器输入、输出电压和电流如图11所示。由图可知,当横向位移偏差小于50 mm时,变压器输入、输出电压和电流基本保持不变;当横向位移偏差大于50 mm时,输入电流迅速增大,输入、输出电压和输出电流基本保持不变。

图10 不同气隙对应的变压器效率

(a) 不同横向位移偏差下变压器输入、输出电压

(b) 不同横向位移偏差下变压器输入、输出电流
图11 不同横向位移偏差下变压器输入、输出电压和电流
由图11的测量结果计算出变压器效率,如图12所示。由图可知,当横向位移偏差在50 mm内,变压器效率基本不变;当横向位移偏差大于50 mm时,变压器效率随横向位移偏差的增加不断下降。
不同纵向位移偏差下变压器输入、输出电压和电流如图13所示。由图可知,当纵向位移偏差小于40 mm时,变压器输入、输出电压和电流基本保持不变;当纵向位移偏差大于40 mm时,输入电流迅速增大,输入、输出电压和输出电流基本保持不变。

图12 不同横向位移偏差对应的变压器效率

(a) 不同纵向位移偏差下变压器输入、输出电压

(b) 不同纵向位移偏差下变压器输入、输出电流
图13 不同纵向位移偏差下变压器输入、输出电压和电流
由图13的测量结果计算出变压器效率,如图14所示。由图可知,当纵向位移偏差在40 mm内,变压器效率基本不变;当纵向位移偏差大于40 mm时,变压器效率随纵向位移偏差的增加不断下降。

图14 不同纵向位移偏差对应的变压器效率
由于矿用电机车无线充电系统中松耦合变压器效率通过机械臂精确定位来保证,通过仿真和实验分析了原副边铁芯之间气隙、横向位移偏差、纵向位移偏差对EI型松耦合变压器效率的影响:气隙增大时变压器效率下降,且下降趋势减缓;横向、纵向位移偏差分别控制在50,40 mm以内时,变压器效率变化不大,超过该数值时变压器效率迅速下降。这一结论为机械臂定位精度指标提供了理论依据。
参考文献:
[1] 李凤锦.矿井蓄电池机车智能型充电机的研究[J].河北煤炭,2008(4):55-56.
[2] 邓建忠,杨旭彬,侯旭斌.煤矿电缆常见故障查找实践[J].煤,2015(12):41-42.
[3] 韦晓娟,刘静,周一欣.人体动能驱动的可植入式电磁感应供电方法研究[J].科技导报,2009,27(6):65-71.
[4] 陈振伟.电动汽车非接触充电系统用松耦合变压器设计与实现[D].哈尔滨:哈尔滨工业大学,2014.
[5] 詹厚剑,吴杰康,赵楠,等.非接触感应电能传输系统松耦合变压器参数设计[J].现代电力,2009,26(1):40-44.
[6] HUANG C Y,BOYS J T,COVIC G A,et al.Practical considerations for designing IPT system for EV battery charging[C]//IEEE Vehicle Power and Propulsion Conference,Dearborn,2009:402-407.
[7] BOYS J T,ELLIOTT G A,COVIC G A.An appropriate magnetic coupling co-efficient for the design and comparison of ICPT pickups[J].IEEE Transactions on Power Electronics,2007,22(1):333-335.
[8] BUDHIA M,COVIC G A,BOYS J T.Design and optimization of circular magnetic structures for lumped inductive power transfer systems[J].IEEE Transactions on Power Electronics,2011,26(11):3096-3108.
[9] 李金鑫.变压器中的互感问题研究[J].沧州师范专科学校学报,2011,27(4):114-116.
[10] 张林.高效率感应耦合无线电源设计与分析[D].成都:电子科技大学,2013.
[11] 张峰,王慧贞.非接触感应能量传输系统中松耦合变压器的研究[J].电源技术应用,2007,10(4):54-58.
[12] 张旭.感应耦合式电能传输系统的理论与技术研究[D].北京:中国矿业大学(北京),2011.
[13] 王泽忠,潘超,周盛,等.基于棱边有限元的变压器场路耦合瞬态模型[J].电工技术学报,2012,27(9):146-152.
[14] 张杰,罗隆福,AGGARWAL R K,等.基于多线圈耦合的新型换流变压器仿真模型设计[J].电工技术学 报,2010,25(11):68-79.
[15] 刘渝根,冷迪,田资,等.基于ANSYS Maxwell的750 kV自耦变压器直流偏磁仿真[J].高电压技术,2013,39(1):218-225.
SHI Jianwen1, QIU Lijun2, SUN Ke1
(1.School of Mechanical Electronic and Information Engineering, China University of Mining and Technology(Beijing), Beijing 100083, China; 2.School of Automation Engineering, Beijing Polytechnic, Beijing 100854, China)
Abstract:In view of problems of long time consumption and electric leakage of traditional charging modes for mine-used electric locomotive, a wireless charging system for mine-used electric locomotive based on loose coupling transformer was proposed. Effects of iron core matching deviation on loose coupling transformer efficiency were simulated by use of finite element software ANSYS Maxwell, and simulation results were verified through experiments. The simulation and experimental results show that transformer efficiency increases with decrease of air gap, and changes little within 50 mm of transverse displacement deviation and 40 mm of longitudinal displacement deviation.
Key words:mine-used electric locomotive; wireless charging; loose coupling transformer; transformer efficiency; finite element simulation
文章编号:1671-251X(2017)02-0061-06
DOI:10.13272/j.issn.1671-251x.2017.02.013
收稿日期:2016-10-12;
修回日期:2016-12-20;责任编辑:盛男。
基金项目:国家自然科学基金资助项目(U1361127)。
作者简介:时剑文(1990-),男,河南许昌人,博士研究生,主要研究方向为电磁传动、电磁学仿真等,E-mail:shjw6222@qq.com。
中图分类号:TD642/611
文献标志码:A
网络出版:时间:2017-01-22 10:37
网络出版地址:http://www.cnki.net/kcms/detail/32.1627.TP.20170122.1037.013.html
时剑文,邱利军,孙珂.矿用电机车无线充电系统松耦合变压器研究[J].工矿自动化,2017,43(2):61-66.