张法全, 冯帅, 肖海林, 叶金才, 王国富
(桂林电子科技大学 信息与通信学院, 广西 桂林 541004)
摘要:针对目前矿灯充电监测管理系统存在扩展性不强、通信方式单一、故障点难以定位等问题,设计了一种矿灯智能充电监测管理系统。该系统充电单元实时采集矿灯状态,控制单元通过RS485总线接收矿灯状态信息并通过CAN总线发送至CAN转以太网模块,然后通过以太网上传至服务器,监控软件根据服务器上传的数据显示矿灯状态,同时可下发矿工信息至充电单元。测试结果表明,该系统可准确地采集矿灯状态,实现对矿灯的实时监控和矿工的信息管理。
关键词:矿灯; 充电管理; RS485总线; CAN总线; 以太网
矿灯是井下矿工使用的照明工具。目前中国中小型煤矿的矿灯管理信息化水平相对较低,导致人员维护劳动强度大、工作量相对集中、生产效率低[1-4]。利用层次化、自动化、智能化思想设计矿灯充电监测管理系统[5-6],对于保证矿灯使用率、提高煤矿管理效率、保障煤矿生产安全具有重大意义[7-9]。然而,目前矿灯充电监测管理系统存在扩展性不强[10]、通信方式单一[11-12]、故障点难以定位[13-14]等问题。本文设计了一种矿灯智能充电监测管理系统,可实时监测矿灯状态,对达到充电次数的矿灯予以提示,对发生故障的矿灯及时报警,同时具有辅助矿工考勤的功能,能够为煤矿企业进行科学合理决策提供依据。
矿灯智能充电监测管理系统由充电柜、CAN转以太网模块、服务器及监控软件组成,如图1所示。1台充电柜包含1个柜架控制单元、100个柜门充电单元(对应100个矿灯充电位)。控制单元与充电单元之间采用4路RS485总线连接,1路RS485总线挂载25个充电单元,某一路总线发生故障不影响另外3路总线正常通信。每个充电单元将采集的矿灯状态通过RS485总线发送至控制单元,控制单元汇总100个充电单元的矿灯状态后通过CAN总线发送至CAN转以太网模块,然后通过以太网TCP协议将数据传输至服务器。服务器和监控软件之间使用HTTP协议,监控软件实时获取服务器数据进行显示。

图1 矿灯智能充电监测管理系统结构
Fig.1 Structure of intelligent miner's lamp charging monitoring and management system
充电单元以STC15F2K16S2单片机为微控制器,由矿灯充电电路、电流检测和过流保护电路、矿灯在位检测电路、开关门检测电路、液晶显示电路、电磁锁驱动电路、语音驱动电路、RS485通信电路、电源电路等组成,如图2所示。充电单元实现矿灯充电管理,TM卡读卡开门操作,矿工姓名、部门、充电单元地址号、矿灯状态及充电时间液晶显示,语音提示(柜门未关好或矿灯未挂好)等功能,另外为保证矿工信息及充电时间掉电不丢失,采用单片机内部的Flash进行数据存储。

图2 充电单元组成
Fig.2 Composition of charging unit
2.1.1 矿灯充电电路
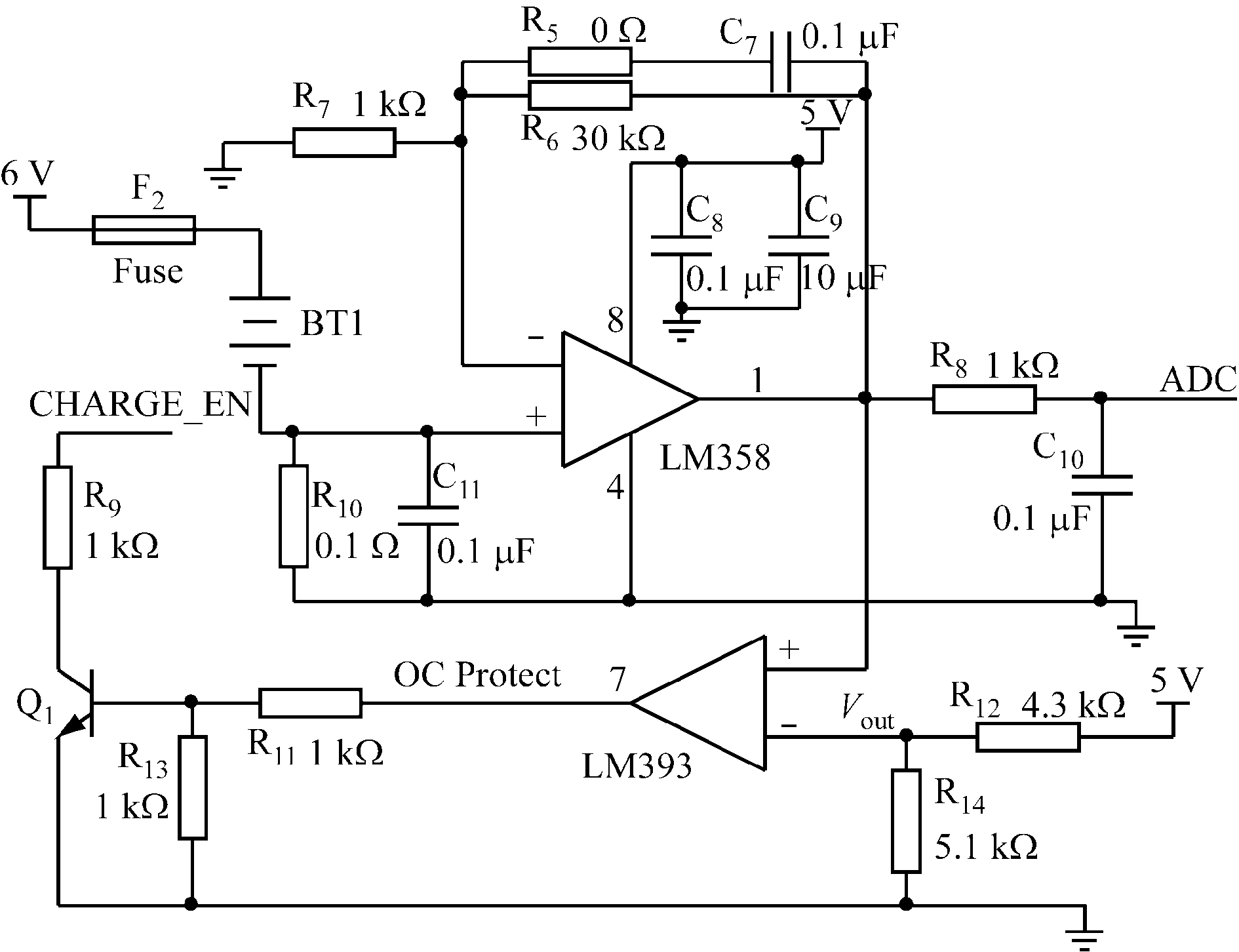
矿灯使用KL型锰酸锂电池,其充电过程是先恒流充电,达到4.2 V时再恒压充电,直到电流下降到60 mA时充电结束。矿灯充电电路如图3所示。采用AP1513作为充电管理芯片,该芯片输入电压为3.6~18 V,纹波低且转换效率高,具有2 A负载驱动能力,占空比在0~100%内可调,外围驱动电路少。矿灯充电电压Vcc=0.8×1+R2/R4=5 V,CHARGE_EN为充电控制引脚,为保证充电安全及降低系统功耗,充电时该引脚置1,充满或故障时置0。

图3 矿灯充电电路
Fig.3 Miner's lamp charging circuit
2.1.2 检测电路
检测电路包括电流检测和过流保护电路、矿灯在位检测电路、开关门检测电路。
电流检测和过流保护电路如图4所示。采用0.1 Ω、1%精度的精密采样电阻将充电电流转换为模拟电压,再通过运算放大器LM358,R6,R7组成的放大电路将电压放大30倍,一方面输入单片机的A/D接口转换为数字电压进行采样,单片机通过计算采样值得到电流大小,另一方面输入电压比较器LM393的正向输入端进行过流检测。电源经R12,R14组成的分压网络分压后输入LM393的负向输入端,若发生过流(充电电流大于0.9 A),LM393的正向输入端电压高于反向输入端,LM393输出高电平,一方面输入单片机I/O口OC Protect,通过软件断开充电接口CHARGE_EN,另一方面通过Q1断开充电接口。通过软件或硬件方式断开矿灯充电电路,使充电接口处于保护状态。当过流故障消失后,充电接口自动恢复至充电状态,这样既可保护故障充电单元,也可保证其他充电单元正常工作。

图4 电流检测和过流保护电路
Fig.4 Current detection and overcurrent protection circuit
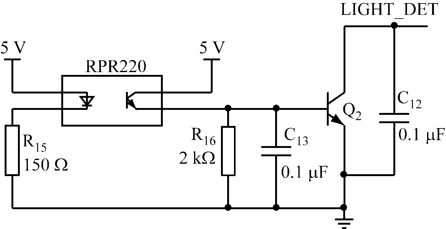
在充电柜内安装光敏三极管3DU5 进行开关门检测,当柜门未关好时,通过NY3P系列语音芯片进行语音提示。在矿灯充电位处安装光电传感器RPR220对矿灯是否在位进行实时检测,如图5所示。

图5 矿灯在位检测电路
Fig.5 Miner's lamp position detection circuit
通过电流检测和矿灯在位检测,可得到不同情况下的矿灯状态,见表1。
表1 不同情况下矿灯状态
Table 1 Miner's lamp state under different conditions

控制单元以STM32F407为微控制器,由RS485通信电路、CAN通信电路等组成,起到“桥梁”的作用,上传充电单元的矿灯状态至服务器,下发服务器的命令(远程开锁信息、矿工信息等)至充电单元,控制单元与服务器之间采用CAN转以太网模块进行数据传输。控制单元通过1个8位拨码开关设定柜架号,8位拨码开关可实现256个不同地址的选择,即满足256台充电柜(25 600个充电位)同时充电,通过拨码开关可方便、快速地设置新增加充电柜的物理地址,设计灵活、扩展性强。
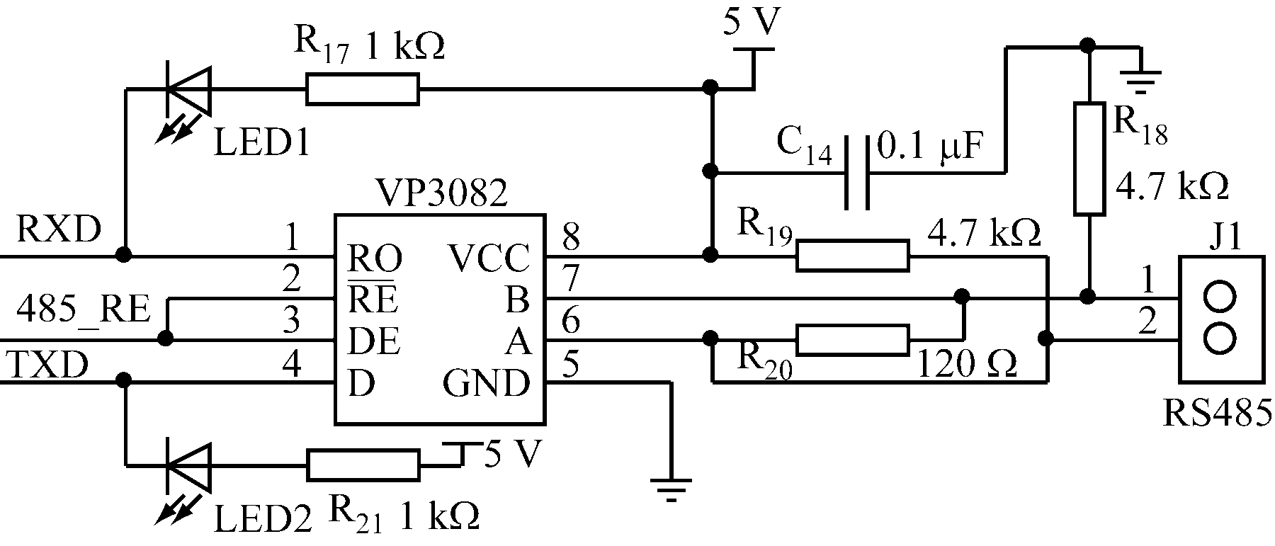
2.2.1 RS485通信电路
RS485通信电路如图6所示。VP3082通信芯片使能引脚控制当前是接收还是发送状态,默认为接收模式,当发送完成后进入接收状态;为抑制干扰,在总线首末两端接入终端匹配电阻R20;LED1和LED2为通信状态指示灯,用于指示控制单元与充电单元之间通信是否正常。

图6 RS485通信电路
Fig.6 RS485 communication circuit
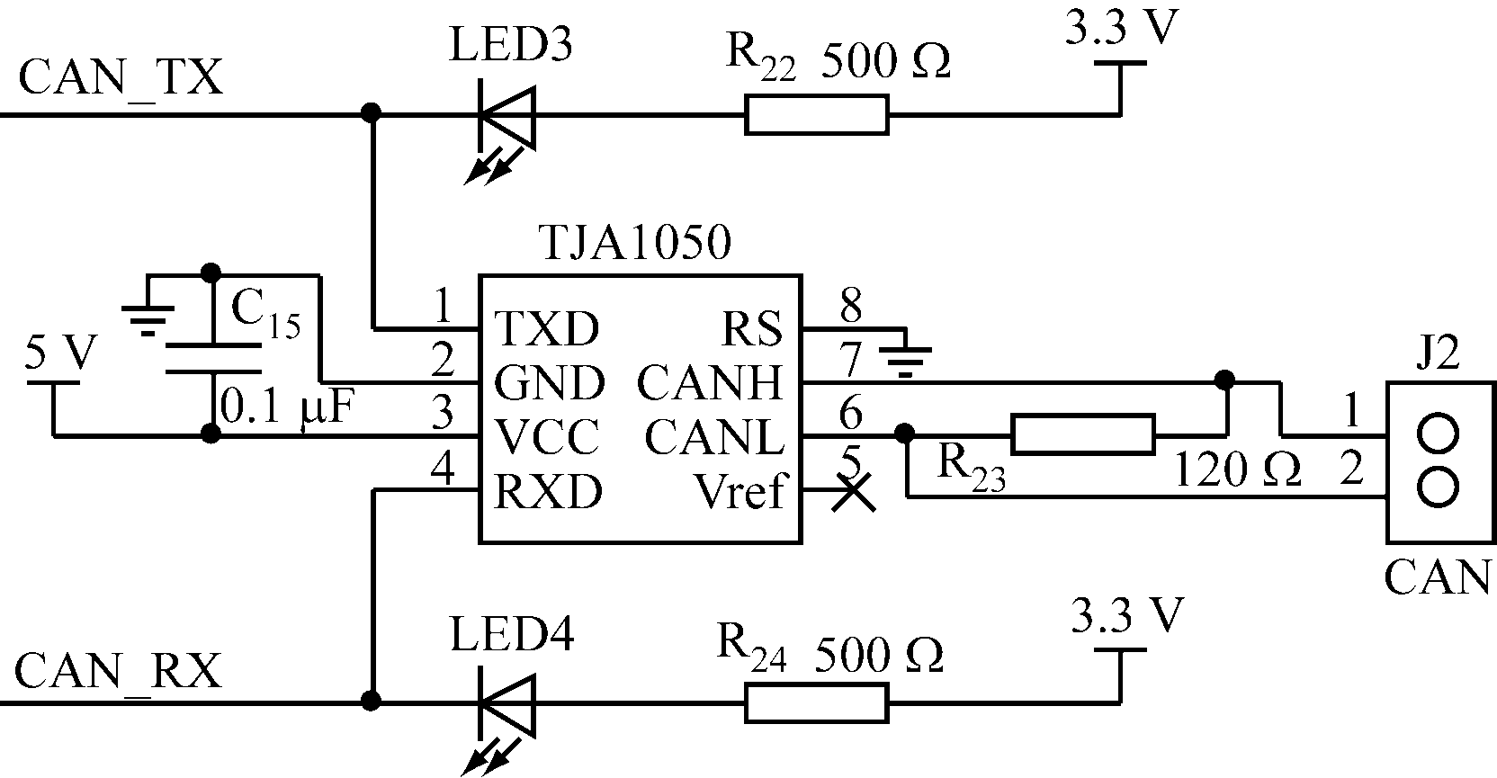
2.2.2 CAN通信电路
CAN通信电路如图7所示。CAN收发器采用TJA1050。发送或接收数据时,对应的发送或接收状态指示灯闪烁1次,通过指示灯即可得知控制单元与CAN转以太网模块之间通信是否正常。

图7 CAN通信电路
Fig.7 CAN communication circuit
充电单元上电初始化串口、定时器、ADC、液晶屏、TM卡。若充电单元是第一次使用,即没有存储任何信息,需要通过监控软件下发矿工姓名、部门、开锁TM卡号等信息至充电单元,充电单元将信息存储至单片机内部Flash中并通过液晶屏显示矿工姓名和部门。充电单元实时检测TM卡是否刷入,刷入卡号与已存卡号匹配成功则打开柜门。柜门打开后,检测矿灯是否挂上,若矿灯挂上,开启定时器,每5 s采集1次充电电流,根据电流判断矿灯状态并在液晶屏上显示。当控制单元发送轮询帧获取矿灯状态时,充电单元将当前矿灯状态发送至控制单元。
控制单元上电读取柜架号,设置中断优先级,初始化CAN、串口、定时器。控制单元实时检测CAN接收中断是否接收到CAN帧,若接收到CAN帧,则将其转换为RS485帧,通过RS485总线发送至对应充电单元。控制单元不断轮询充电单元的矿灯状态,收到RS485帧后将其转换为CAN帧发送至CAN转以太网模块。
基于CAN协议[15]和Modbus协议设计了13个字节的CAN帧和RS485帧,其格式定义见表2。
表2 CAN帧和RS485帧格式定义
Table 2 CAN frame and RS485 frame format definition

3.4.1 串口通信
RS485总线采用115 200 bit/s的波特率,传输1个字节约86 μs。当串口中断检测到数据帧头0xFC时,打开定时器,开始接收第一个字节,260 μs(约正常传输1个字节的3倍时间)内接收到下一个字节,则认为接收成功,否则丢弃此帧。将连续接收到的12个字节数据放进数组,进行CRC校验和地址码核对,校验通过及地址码正确的才被处理,然后根据不同的功能码执行不同的任务,可大大节省单片机CPU资源,确保服务器下发的命令被及时处理,同时充电单元有足够时间完成充电信息快速、可靠的采集与上传。
3.4.2 轮询程序
在RS485通信中,控制单元为主机,充电单元为从机。为避免RS485总线竞争,所有的从机不主动发消息,等待主机轮询时再发送信息。轮询程序流程如图8所示。主机从1号从机开始轮询,1号从机回复后,再轮询2号从机,直至第100号从机。若期间某一个从机发生故障,即没有向主机回复矿灯状态,主机连续3次向该从机发送指令,3次不回复则自动轮询下一个从机,并将该从机状态标记为“故障”,直至下一次轮询到该从机且收到回复时,清除被标记的“故障”状态。
监控软件基于.NET Framework平台,与服务器之间采用Client/Server架构,通过HTTP协议实时获取服务器数据。监控软件将矿灯挂上和取出的时间作为矿工上井和下井的时间,根据该时间对矿工进行考勤,针对超时未上井的矿工进行报警提醒。同时监控软件根据矿灯充电时间来统计矿灯充电次数,达到规定充电次数时自动下发消息至充电单元,提醒矿工及时更换矿灯。监控软件同时还具有矿灯状态动态显示、矿工信息查询与更改、充电单元信息更新、远程开锁、矿灯使用记录查询、报表统计与打印、数据库备份与还原等功能。

图8 轮询程序流程
Fig.8 Polling program flow
根据矿灯房实际工作环境,对矿灯智能充电监测管理系统进行测试,测试分为更新信息下传和矿灯状态上传两部分。
(1) 通过监控软件更新第1柜架1号充电单元信息,修改矿工姓名为“测试”,界面如图9所示。服务器信息更新帧中功能码为0x16,充电单元回复帧中功能码为0x46,服务器下发更新信息时间和收到充电单元回复时间如图10所示,可看出服务器下发更新信息至收到充电单元回复时间差为49 ms,表明信息更新过程中,充电单元响应信息并回复速度快。
(2) 在第1柜架1号充电单元给矿灯充电,控制单元2次轮询到该充电单元并将矿灯状态发送至服务器的时间如图11所示,可看出充电单元矿灯状态2次发送至服务器的时间差约为5 s,满足大量数据传输对速度的要求。监控软件显示矿灯状态如图12所示,表明由RS485总线、CAN总线和以太网组成的通信链路传输数据稳定、可靠,可以满足矿灯充电管理对矿灯状态实时采集和监测的要求。
矿灯智能充电监测管理系统利用RS485总线、CAN总线和以太网多级通信方式传输数据,克服了单一总线传输数据发生故障后通信失败的缺点,保证了通信的效率和稳定性;通过检测电路及轮询程序可快速定位通信故障的充电单元;采用一人一柜一灯的方式,保证了矿灯利用率及充电安全,实现了矿灯充电管理、矿工信息管理等功能。

图9 监控软件矿工信息修改界面
Fig.9 Staff information modification interface of monitoring software
![]()
图10 服务器下发信息时间和收到回复时间
Fig.10 Information sending time and reply receiving time of server
![]()
图11 1号充电单元矿灯状态2次传至服务器的时间
Fig.11 Time of miner's lamp condition of No.1 charging unit being sent to server twice

图12 1号充电单元矿灯状态显示界面
Fig.12 Display interface of miner's lamp condition of No.1 charging unit
参考文献(References):
[1] 曹凯.矿灯智能充电管理系统[D].济南:济南大学,2013.
[2] 刘高超.矿灯充电智能管理系统上中位机软件设计与实现[D].绵阳:西南科技大学,2016.
[3] 李岩梅.智能矿灯充电监管和信息系统的设计与应用[D].济南:山东大学,2012.
[4] 潘俊涛,袁国荣.矿灯智能充电监测管理系统的研究与应用[J].煤矿现代化,2012(2):41-43.
PAN Juntao,YUAN Guorong.Research and application of miner's lamp intelligent charging monitoring and management system[J].Coal Mine Modernization,2012(2):41-43.
[5] 杜明利.现代化矿井灯房智能充电架管理系统[J].自动化应用,2013(10):13.
DU Mingli.Intelligent charging rack management system for modern mine light house[J].Automation Application,2013(10):13.
[6] 张豪,李智良.煤矿智能矿灯充电柜综合管理系统研究与应用[J].煤炭与化工,2015,38(10):138-139.
ZHANG Hao,LI Zhiliang.Research and application of intelligent miner's lamp charging cabinet comprehensive management system[J].Coal and Chemical Industry,2015,38(10):138-139.
[7] 黄鹤松,魏国招,廖玉波,等.一种新型智能矿灯充电柜设计[J].工矿自动化,2015,41(9):11-14.
HUANG Hesong,WEI Guozhao,LIAO Yubo,et al.Design of a new type of intelligent lamp charging cabinet[J].Industry and Mine Automation,2015,41(9):11-14.
[8] 顾义东,李亚彬.一种智能锂电池矿灯充电柜设计[J].工矿自动化,2013,39(12):95-97.
GU Yidong,LI Yabin.Design of an intelligent
charging cabinet for miner lamp with lithium battery[J].Industry and Mine Automation,2013,39(12):95-97.
[9] 孙宁.锂电矿灯智能充电管理系统设计[J].工矿自动化,2013,39(11):17-20.
SUN Ning.Design of intelligent charging management system for Li-ion battery miner's lamp[J].Industry and Mine Automation,2013,39(11):17-20.
[10] 张国强,王玮.矿灯充电管理系统的设计与实现[J].煤炭技术,2010,29(12):232-234.
ZHANG Guoqiang,WANG Wei.Design and realization of miner lamp charging management system[J].Coal Technology,2010,29(12):232-234.
[11] 王欣峰,任淑萍.基于CAN总线的矿用多功能充电架的开发与研究[J].机械工程与自动化,2014(4):152-154.
WANG Xinfeng,REN Shuping.Development of multi-function charging rack based on CAN bus for mine[J].Mechanical Engineering & Automation,2014(4):152-154.
[12] 罗鸿雁,段伟.矿灯智能充电监测管理系统[J].兵工自动化,2013,32(9):93-96.
LUO Hongyan,DUAN Wei.Miner lamp intelligent charging monitoring and management system[J].Ordnance Industry Automation,2013,32(9):93-96.
[13] 曹志强.智能矿灯充电架通讯系统的研究[J].煤炭技术,2012,31(5):49-50.
CAO Zhiqiang.Study on charging rack communication system of intelligent miner's lamb[J].Coal Technology,2012,31(5):49-50.
[14] 朱述川,陈电星,王阡智,等.一种矿灯智能充电管理系统的设计[J].煤矿安全,2015,46(7):123-126.
ZHU Shuchuan,CHEN Dianxing,WANG Qianzhi,et al.A design for miner's lamp intelligent charging management system[J].Safety in Coal Mines,2015,46(7):123-126.
[15] 周立功.iCAN现场总线原理与应用[M].北京:北京航空航天大学出版社,2006:24-28.
ZHANG Faquan, FENG Shuai, XIAO Hailin, YE Jincai, WANG Guofu
(School of Information and Communication, Guilin University of Electronic Technology, Guilin 541004, China)
Abstract:In view of problems of poor extensibility, single communication mode and difficult locating of fault point existed in current miner's lamp charging monitoring and management system, an intelligent miner's lamp charging monitoring and management system was designed. In the system, charging unit collects miner's lamp condition in real-time, control unit receives the collected data through RS485 bus and transmits it to CAN/Ethernet module through CAN bus, server receives the data through Ethernet,monitoring software displays charging condition according to the data uploaded by the server and sends miner's information to the charging unit. The test results show that the system can accurately collectminer's lamp condition and realize real-time miner's lamp monitoring and miner's information management.
Key words:miner's lamp; charging management; RS485 bus; CAN bus; Ethernet
文章编号:1671-251X(2017)12-0016-06
DOI:10.13272/j.issn.1671-251x.2017.12.004
中图分类号:TD621
文献标志码:A 网络出版时间:2017-12-11 14:26
网络出版地址:http://kns.cnki.net/kcms/detail/32.1627.TP.20171211.0844.001.html
收稿日期:2017-07-18;
修回日期:2017-10-24;责任编辑盛男。
基金项目:国家自然科学基金资助项目(61362020);桂林电子科技大学研究生教育创新计划资助项目(2017YJCX36)。
作者简介:张法全(1969-),男,河南林州人,研究员,博士,主要研究方向为机器视觉、信息处理与模式识别,E-mail:zhangfq@guet.edu.cn。通信作者:冯帅(1992-),男,山东济南人,硕士研究生,主要研究方向为信号处理,E-mail:952575950@qq.com。
引用格式:张法全,冯帅,肖海林,等.矿灯智能充电监测管理系统设计[J].工矿自动化,2017,43(12):16-21.
ZHANG Faquan,FENG Shuai,XIAO Hailin,et al.Design of intelligent miner's lamp charging monitoring and management system[J].Industry and Mine Automation,2017,43(12):16-21.