刘勇1,2,3, 崔洪庆1,2,3
(1.河南理工大学 安全科学与工程学院, 河南 焦作 454003; 2.河南省瓦斯地质与瓦斯治理重点实验室,河南 焦作 454003; 3.中原经济区煤层(页岩)气河南省协同创新中心, 河南 焦作 454003)
摘要:针对现有煤层图像裂隙识别方法未较好地考虑裂隙的形态特征或未较好地获取裂隙的整体信息的问题,通过分析煤层图像及其不同灰度阈值下二值图中裂隙的形态特征,定义了煤层裂隙判定系数,并取二值图中区域的长度、宽度和长宽比作为形态参数;同时给出一种基于裂隙形态特征的煤层图像裂隙识别方法,在给定形态参数阈值条件下遍历一定范围内的灰度阈值,对所得煤层图像的二值图进行裂隙识别,并将所有识别的裂隙合并作为最终识别结果。最后通过实例验证了该方法的有效性,得出结论:通过遍历一定范围内的灰度阈值进行煤层图像裂隙识别,可最大程度地获取煤层图像的裂隙信息;合理选取裂隙判定系数中形态参数的阈值,可有效提高煤层图像裂隙识别的准确性。
关键词:煤层裂隙; 煤层图像; 裂隙识别; 裂隙形态特征; 判定系数; 灰度阈值
Abstract:In view of problems that existing coal-bed image fractures identification method does not take good account of shape characteristics of the fractures or overall information of the fractures is not well obtained, by analyzing coal-bed image and shape characteristics of the fractures in binary image under different gray thresholds, determination coefficient of the coal-bed fractures was defined, and region's length, width and the ratio of length to width in the coal-bed binary image were defined as shape parameters. At the same time, a method of the coal-bed image fractures identification based on fracture shape characteristics was proposed. Under condition of the given shape parameters, travel a given gray scale threshold range and identify fracture regions in every coal-bed binary image, then merge all the identified fracture regions as the last coal-bed fractures identification result. Finally, an example was given to demonstrate effectiveness of the method. It is concluded that information of the coal-bed image fractures can be acquired to the maximum extent by traveling a certain gray scale threshold range and identify the coal-bed image fractures, and it can effectively improve accuracy of the coal-bed fracture identification by selecting reasonable thresholds of the shape parameters of the fracture determining coefficient.
Keywords:coal-bed fracture; coal-bed image; fracture identification; fracture shape characteristics; determination coefficient; gray scale threshold
煤层中的宏观裂隙主要为割理和节理。煤层宏观裂隙分布直接导致煤层渗透性各向异性,造成煤层瓦斯渗流优势,并影响井下煤层瓦斯抽采和地面煤层气井的生产效率[1-2]。本文主要研究煤层图像中宏观裂隙的计算机识别,文中所提煤层裂隙均指煤层宏观裂隙。目前煤层图像裂隙统计主要采用人工观测的方法,该方法工作强度大、效率低,且裂隙识别的准确性受人为因素影响较大。因此,研究煤层裂隙计算机识别方法,从而准确确定煤层裂隙的分布,对高效抽采煤层瓦斯(煤层气)有着重要意义。
近年来,国内外学者在图像裂缝(裂隙)识别方面进行了大量研究。文献[3-4]研究了基于数学形态学的裂缝识别方法,应用数学形态学中的腐蚀、膨胀、细化等运算进行裂缝识别,其主要不足是难以识别细微裂缝。文献[5]应用4种边缘检测方法(快速Haar,快速Fourier,Sobel变换和Canny变换)对裂缝进行识别,得出快速Fourier变换识别效果较好,但存在某些情况下噪声较多的不足。文献[6-8]用小波变换方法对图像进行预处理并进行裂缝识别,但该方法在消除噪声的同时也会消除部分裂缝像素。文献[9-10]研究了应用不同方向模板对路面裂缝进行自动识别的方法,该方法只考虑了局部网格的边缘特征。文献[11]提出了基于统计滤波的城市地下管道裂缝识别方法,取得了较好的效果,但未充分考虑图像局部特征。文献[12]基于相位编组法对路面裂缝进行识别,可提取细微裂缝,但只考虑了裂缝边缘的提取。文献[13]通过构建分数阶微分掩模算子,增强了裂缝信息,可有效地检测出细小裂缝信息,不足之处是对背景光分布特别不均匀的图像会存在误判情况。文献[14]基于图像局部网格特征设计了十字形模板,并进行裂缝种子识别和连接,具有良好的裂缝识别效果,但只考虑了裂缝的中心骨架。文献[15]提出了基于骨架和分形的混凝土裂缝图像识别算法,可较好滤除背景干扰,但其分形关系受所选样本的影响较大。
煤层图像以灰度信息为主,且裂隙区域灰度与邻近背景区域灰度接近,因此,裂隙识别难度较大。现有的图像裂隙识别方法均未较好地考虑裂隙的形态特征或未较好地获取裂隙的整体信息。鉴于此,本文在前人研究的基础上,通过分析研究煤层图像裂隙形态特征,定义了裂隙判定系数,并给出一种基于裂隙形态特征的煤层图像裂隙识别方法,最后通过实例验证了该方法的有效性。
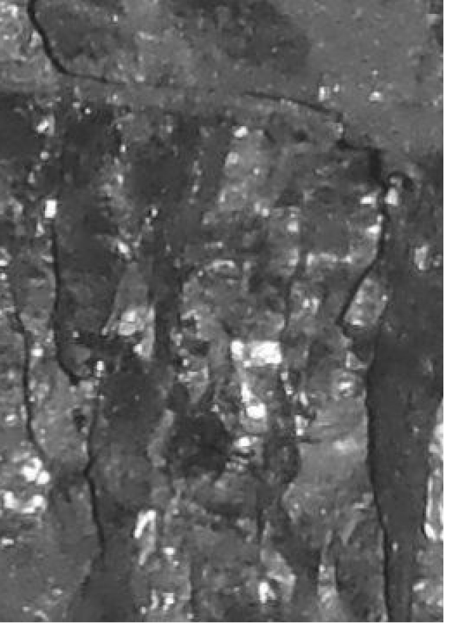
通过分析研究煤矿井下多幅煤层图像中的裂隙形态,可得其基本特征:① 以条带状分布为主。② 所在区域的灰度值一般较邻近背景区域低。
选取一幅煤层图像(图1(a)),运用图像处理软件Photoshop CS4[16]将其转换为灰度图,并在不同灰度阈值t下,将灰度图中灰度值小于t的区域(包含裂隙的区域)取白色,其余取黑色,得到该煤层图像的多个二值图(图1(b)—图1(h))。
通过分析可知:
(1) 煤层图像中同一裂隙所在区域存在多个灰度值。图1(b)—图1(d)中,各图左上角的白色条带状区域均对应煤层图像(图1(a))左上角的同一段裂隙,但3个白色条带状区域的大小和连续性明显不同,说明该裂隙所在区域存在多个灰度值。
(2) 煤层图像中不同裂隙所在区域的灰度值范围不同。图1(b)—图1(d)中陆续出现一些白色条带状区域,说明不同裂隙需在不同灰度阈值条件下才能在二值图中完全显现出来,即这些裂隙所在区域的灰度值范围不同。
(3) 煤层图像中裂隙所在区域的形态受灰度阈值影响大。随着灰度阈值t从小到大变化,二值图中包含裂隙的白色连通区域呈现出由点状(图1(b))到条带状(图1(c)—图1(d)),再到面状(图1(e)—图1(h))的变化。
由煤层图像裂隙形态特征分析可知,在一定灰度阈值条件下,煤层图像中裂隙的长度应不小于一定值,以消除背景中的噪声干扰信息;裂隙的宽度应小于一定值,即裂隙应为有限宽度;裂隙长度与宽度之比应大于1,以确保裂隙为条带状。根据上述分析,可得出裂隙判定系数的定义式:

(a) 煤层图像

(b) 二值图(t=40)

(c) 二值图(t=50)

(d) 二值图(t=60)

(e) 二值图(t=70)

(f) 二值图(t=80)

(g) 二值图(t=100)

(h) 二值图(t=120)
图1 煤层图像及其不同灰度阈值下的二值图
Fig.1 Coal-bed image and its binary maps at different gray levels
(1)
式中:s为裂隙判定系数;l,w和λ分别为待判定区域的长度、宽度和长宽比;l0,w0和λ0分别为l,w和λ的阈值,均大于1。
对于图1而言,当二值图中的任一白色连通区域满足l>l0,w<w0,λ>λ0时,其裂隙判定系数的值取1,且该区域识别为裂隙,否则裂隙判定系数取0。在具体裂隙识别中,l0,w0和λ0均应根据具体情况合理选取。
煤层图像中的裂隙可视为条带状分布的低灰度区域,考虑到裂隙所在区域存在多个灰度,且各区域的灰度范围不同,因此,应选取多个灰度阈值下的煤层图像二值图进行裂隙识别,以获得较全面的裂隙信息。
煤层图像裂隙识别具体步骤:
(1) 打开待识别煤层图像,并转为灰度图。
(2) 设置灰度阈值t的初值t1、终值t2(t2>t1)和步长d,并设置长度阈值l0、宽度阈值w0和长宽比阈值λ0。
(3) 将灰度图转为二值图,其中小于t的像素值取1(白色),其他像素值取0(黑色)。
(4) 计算二值图中各白色连通区域的长度l、宽度w和长宽比λ。
(5) 将二值图中l>l0,w<w0且λ>λ0的白色连通区域(其裂隙判定系数s为1)标定为裂隙区域。
(6) 令t=t+d,如果t≤t2,则执行步骤(3),否则执行下一步。
(7) 合并所有裂隙区域,得出最终识别结果。
选取6种裂隙识别方法,包括非下采样Contourlet变换(Nonsubsampled Contourlet Transform,NSCT)、图像形态学方法[4]、最大类间方差法(OTSU)和路面裂缝检测法[10]、相位编组法[12]、局部网格特征法[14]和本文提出的方法(均采用Matlab 7.0[17]编程实现),对一幅煤层图像进行裂隙识别,并与人工识别结果进行对比分析,结果如图2所示,其中黑色背景为煤层,白色前景为裂隙。
图2(b)为采用OTSU识别的结果。OTSU的实质是求解将一幅灰度图像划分为背景和前景两部分时的最佳灰度阈值,可用来识别一些前景与背景差异较大的图像的裂隙[10]。通过计算可得图2(b)的最佳灰度阈值t=107。与图2(a)和图2(h)对比可知,图2(b)中所含裂隙信息过少,且缺少煤层大裂隙信息,说明OTSU不适用于一般煤层图像的裂隙识别。图2(c)为采用NSCT和图像形态学方法[4]的识别结果,与图2(a)和图2(h)对比可知,该图中存在一些较明显的煤层大裂隙,但同时也存在较多的非裂隙信息(点噪声和面噪声信息)。图2(d)为采用路面裂缝检测法[10]的识别结果,可以看出,该图中煤层裂隙信息与非裂隙信息重叠严重,裂隙识别效果不佳。图2(e)为采用相位编组法[12]的识别结果,该图中存在一些煤层大裂隙的边缘,同样存在较多的非裂隙信息。图2(f)为采用局部网格特征法[14]的识别结果,经对比可知,该方法对煤层大裂隙的识别优于前4种方法,但也存在含有非裂隙信息、缺失较多小裂隙信息、裂隙只保留了中心线等问题。图2(g)为采用本文方法的识别结果,通过对比可知,用该方法可识别出煤层图像中的大部分大、小裂隙,且保留了裂隙的原始形态,识别结果较其他方法更接近于人工识别结果。

(a) 煤层图像

(b) OTSU

(c) NSCT和图像形态学方法

(d) 路面裂缝检测法

(e) 相位编组法

(f) 局部网格特征法

(g) 本文方法

(h) 人工识别
图2 煤层图像裂隙识别方法比较
Fig.2 Comparison of coal-bed image fracture identification methods
综上对比分析可得,本文方法在煤层图像裂隙识别中具有较好的性能。
对某矿井井下的10幅煤层图像(同一分辨率)进行裂隙的人工识别和计算机识别,并对识别结果进行分析。
对10幅煤层图像进行裂隙人工识别,并测量其中5幅煤层图像中所识别的全部裂隙的长度和宽度。经统计分析后,得到最小裂隙的长度为12像素,最大裂隙的宽度为17像素,裂隙的最小长宽比为2.6。根据裂隙判定系数的定义,同时为了获取更多裂隙信息,设误差范围为20%。经计算可得裂隙判定系数中长度阈值l0=10×12×(1-20%)=9.6像素,宽度阈值w0=20×17×(1+20%)=20.4像素,长宽比阈值λ0=2×2.6×(1-20%)=2.08。在本次识别中,取二值图中白色连通区域的最小覆盖椭圆的长度和宽度作为该区域的长度和宽度。
需要说明的是,若长度阈值l0取值减小,则所得连通区域长度变小,其为点噪声信息的概率会增大;若宽度阈值w0取值增大,则所得连通区域宽度变大,其为面噪声信息的概率会增大;若长宽比阈值取值减小,则所得连通区域的长度与宽度趋近,其为点噪声信息或面噪声信息的概率均会增大。
由于理论上灰度图的灰度取值范围为0~255(共256个整数值)[16],所以在本次裂隙识别时,灰度阈值t的初值t1=0,终值t2=255,步长d=1。
进行裂隙识别时,可在不影响识别准确率的前提下,合理减小灰度阈值t的取值范围,从而提高裂隙识别效率。通过统计本次裂隙识别中的全部有效灰度阈值(识别为裂隙时所对应的灰度阈值),得到灰度阈值t的范围为[30,100],该灰度阈值范围可作为同类煤层图像裂隙识别的参考。
采用本文方法得到煤层图像G1—G4的裂隙识别结果,如图3所示。

(a) 煤层图像G1

(b) G1识别结果

(c) 煤层图像G2

(d) G2识别结果

(e) 煤层图像G3

(f) G3识别结果

(g) 煤层图像G4

(h) G4识别结果
图3 煤层图像裂隙识别结果
Fig.3 Identification results of coal-bed image fracture
通过分析对比可知,采用本文方法能较好识别煤层图像中的裂隙,特别是对于一些人工不易识别的小裂隙,也可以很好地识别。
将计算机识别条数与人工识别条数进行统计和比较,结果见表1。
表1 煤层裂隙计算机识别条数与人工识别条数对比
Table 1 Comparison of computer identification
number and manual identification number of coal-bed image fracture

由表1可知,对于同一煤层图像,计算机识别的裂隙条数是人工识别条数的2~3倍。其原因为:一是人工识别煤层裂隙时具有一定的联想能力,可以将局部间断(真正间断或被煤尘充填后间断)的裂隙识别为同一条裂隙,而本文给出的裂隙识别方法尚不具有联想能力,故存在将人工识别为一条的局部间断裂隙识别为多条裂隙的情况;二是人工难以识别所在区域与邻近背景区域灰度接近的小裂隙,而计算机却可很好地识别出来。
由于煤层图像中裂隙分布的特殊性(裂隙区域灰度与邻近背景区域灰度接近)与复杂性(裂隙存在真正间断和被煤尘充填后间断),所以人工识别也会存在一些误判的情况,其识别结果也需进行必要的验证。
(1) 通过遍历一定范围内的灰度阈值进行煤层图像裂隙识别,可最大程度地获取煤层图像的裂隙信息。
(2) 合理选取裂隙判定系数中形态参数的阈值,可有效提高煤层图像裂隙识别的准确性。
(3) 所提煤层图形裂隙识别方法可以较好识别出煤层图像中连续分布的裂隙(含人工不易识别的小裂隙),但由于煤层图像中裂隙分布的特殊性与复杂性,对煤层图像中间断分布的裂隙只能识别出其各个分段,尚不能识别其同一性。
(4) 今后还需进行深入研究,综合利用人工识别方法的优点与计算机识别方法的优点,提高煤层图像裂隙识别方法的精确度。
参考文献(References):
[1] 白赞成.煤层体积应变与裂隙中瓦斯压力的关系[J].煤矿安全,2014,45(1):163-165.
BAI Zancheng.The relationship between coal seam volumetric strain and gas pressure in cracks[J].Safety in Coal Mines,2014,45(1):163-165.
[2] 崔洪庆,关金锋,王荣魁,等.煤层裂隙优势发育方位和频率轨迹预测[J].安全与环境学报,2016,16(4):125-129.
CUI Hongqing,GUAN Jinfeng,WANG Rongkui,et al.Prediction of the advantageous development direction and linear frequency trajectory calculation of the coal-bed fractures[J].Journal of Safety and Environment,2016,16(4):125-129.
[3] IYER S,SINHA S K.Segmentation of pipe images for crack detection in buried sewers[J].Computer-aided Civil and Infrastructure Engineering,2006,21(6):395-410.
[4] 马常霞,赵春霞,胡勇,等.结合NSCT和图像形态学的路面裂缝检测[J].计算机辅助设计与图形学学报,2009,21(12):1761-1767.
MA Changxia,ZHAO Chunxia,HU Yong,et al.Pavement cracks detection based on NSCT and morphology[J].Journal of Computer-Aided Design & Computer Graphics,2009,21(12):1761-1767.
[5] ABDEL-QADER I,ABUDAYYEH O,KELLY M E.Analysis of edge-detection techniques for crack identification in bridges[J].Journal of Computing in Civil Engineering,2003,17(4):255-263.
[6] FUJITA Y,HAMAMOTO Y.A robust automatic crack detection method from noisy concrete surfaces[J].Machine Vision and Applications,2010,22(2):245-254.
[7] 徐志刚,赵祥模,宋焕生,等.基于直方图估计和形状分析的沥青路面裂缝识别算法[J].仪器仪表学报,2010,31(10):2260-2266.
XU Zhigang,ZHAO Xiangmo,SONG Huansheng,et al.Asphalt pavement crack recognition algorithm based on histogram estimation and shape analysis[J].Chinese Journal of Scientific Instrument,2010,31(10):2260-2266.
[8] 荣婧,潘玉利.基于图像的水泥路面裂缝识别方法及应用[J].北京邮电大学学报,2012,35(6):121-124.
RONG Jing,PAN Yuli.Image based crack detection algorithm with application to cement concrete pavement[J].Journal of Beijing University of Posts and Telecommunications,2012,35(6):121-124.
[9] HUANG Y X,XU B G.Automatic inspection of pavement cracking distress[J].Journal of Electronic Imaging,2006,15(1):13-17.
[10] 孙波成,邱延峻.路面裂缝图像处理算法研究[J].公路交通科技,2008,25(2):64-68.
SUN Bocheng,QIU Yanjun.Pavement crack diseases recognition based on image processing algorithm[J].Journal of Highway and Transportation Research and Development,2008,25(2):64-68.
[11] SINHA S K,FIEGUTH P W.Automated detection of cracks in buried concrete pipe images[J].Automation in Construction,2006,15(1):58-72.
[12] 张娟,沙爱民,孙朝云,等.基于相位编组法的路面裂缝自动识别[J].中国公路学报,2008,21(2):39-42.
ZHANG Juan,SHA Aimin,SUN Zhaoyun,et al.Pavement crack automatic recognition based on phase-grouping method[J].China Journal of Highway and Transport,2008,21(2):39-42.
[13] 马常霞,赵春霞,狄峰,等.自然环境下路面裂缝的识别[J].工程图学学报,2011(4):20-26.
MA Changxia,ZHAO Chunxia,DI Feng,et al.Road crack detection under natural environment[J].Journal of Engineering Graphics,2011(4):20-26.
[14] 王平让,黄宏伟,薛亚东.基于图像局部网格特征的隧道衬砌裂缝自动识别[J].岩石力学与工程学报,2012,31(5):991-999.
WANG Pingrang,HUANG Hongwei,XUE Yadong.Automatic recognition of cracks in tunnel lining based on characteristics of local grids in images[J].Chinese Journal of Rock Mechanics and Engineering,2012,31(5):991-999.
[15] 杨松,邵龙潭,郭晓霞,等.基于骨架和分形的混凝土裂缝图像识别算法[J].仪器仪表学报,2012,33(8):1850-1855.
YANG Song,SHAO Longtan,GUO Xiaoxia,et al.Skeleton and fractal law based image recognition algorithm for concrete crack[J].Chinese Journal of Scientific Instrument,2012,33(8):1850-1855.
[16] HARRINGTON R.精通Photoshop:数字图像处理原理与技巧[M].2版.张哲峰,译.北京:清华大学出版社,2010.
[17] 贺兴华,周媛媛,王继阳,等.MATLAB 7.x图像处理[M].北京:人民邮电出版社,2006.
LIU Yong1,2,3, CUI Hongqing1,2,3
(1.School of Safety Science and Engineering, Henan Polytechnic University, Jiaozuo 454003, China; 2.State Key Laboratory Cultivation Base for Gas Geology and Gas Control, Jiaozuo 454003, China; 3.Collaborative Innovation Center of Henan Province of Coalbed Methane and Shale Gas for Central Plains Economic Region, Jiaozuo 454003, China)
中图分类号:TD67
文献标志码:A 网络出版时间:2017-09-27 14:44
网络出版地址:http://kns.cnki.net/kcms/detail/32.1627.TP.20170927.1444.012.html
文章编号:1671-251X(2017)10-0059-06
DOI:10.13272/j.issn.1671-251x.2017.10.012
收稿日期:2017-04-21;
修回日期:2017-08-11;责任编辑胡娴。
基金项目:国家自然科学基金资助项目(41372160);河南省高等学校重点科研项目(16A440009)。
作者简介:刘勇(1977-),男,山西原平人,讲师,研究方向为瓦斯地质,E-mail:Liuyong@hpu.edu.cn。
引用格式:刘勇,崔洪庆.基于裂隙形态特征的煤层图像裂隙识别研究[J].工矿自动化,2017,43(10):59-64. LIU Yong, CUI Hongqing. Research on coal-bed image fractures identification based on fracture shape characteristics[J].Industry and Mine Automation,2017,43(10):59-64.