杜岩1, 阚哲1,2, 冯禹1, 孙鹏飞1, 孟国营1, 朱三颖1, 满孝臣1, 李勇1
(1.中国矿业大学(北京) 机电与信息工程学院, 北京 100083;2.辽宁石油化工大学 矿业工程学院, 辽宁 抚顺 113001)
摘要:针对传统煤矿机电设备运行状态监测存在实时性差、布线复杂等问题,根据煤安认证的技术要求,研制了一种基于无线通信的矿用本安型设备监测子站。介绍了该监测子站的结构组成、硬件电路本安设计、外壳防护设计及软件实现。该监测子站可实现对煤矿井下矿用设备多路振动和温度信号的实时采集与无线传输,为矿用设备故障诊断和预测提供数据支持。
关键词:无线通信; 设备监测; 本安设计; 振动信号; 温度信号
煤矿机电设备可靠运行是煤矿安全生产的保障,对机电设备进行状态监测与故障诊断,可以为设备维修管理提供准确、可靠的依据,节约维修费用,避免重大事故发生,提高企业经济与社会效益[1]。传统煤矿设备监测仍以人工检测为主,不能实现实时连续监测,且现有的煤矿井下监测系统对传感器和设备信息的采集主要依靠硬接线,存在布线复杂、工作量大、线路维护困难等缺点[2]。因此,本文根据煤安认证的技术要求[3-4],研制了一种基于无线通信的矿用本安型设备监测子站。该监测子站利用振动传感器和温度传感器采集矿用设备工况数据,通过矿井无线局域网将数据发送至地面监控中心,实现集中在线监测。
目前对煤矿机电设备进行监测时常用状态信息主要有振动和温度,能很好地反映设备运行状况,因此,针对设备振动和温度信号的采集设计监测子站,其总体结构如图1所示。

图1 基于无线通信的矿用本安型设备监测子站总体结构
采用KWS-PT100型铂电阻温度传感器采集设备温度信号,该传感器的传感元件为PT100铂热电阻,三线制输出,信号输出线采用矿用阻燃线缆。选用GBC640矿用本安型振动传感器采集设备振动信号。温度和振动信号分别经温度信号调理电路和振动信号调理电路调理后,输出标准电压信号至STM32数据处理主板。STM32数据处理主板对信号进行处理并采用WiFi无线通信传输数据。选用增益为10 dBi的2.4 GHz定向天线,可有效提高监测子站无线信号的传输距离。天线信号传输馈线采用具有阻燃性和屏蔽性的矿用阻燃射频同轴电缆,保证信号传输的可靠性和安全性。监测子站采用外部18 V本安电源供电,并通过电压转换电路为各电路提供合适电压。
2.1 温度信号调理电路
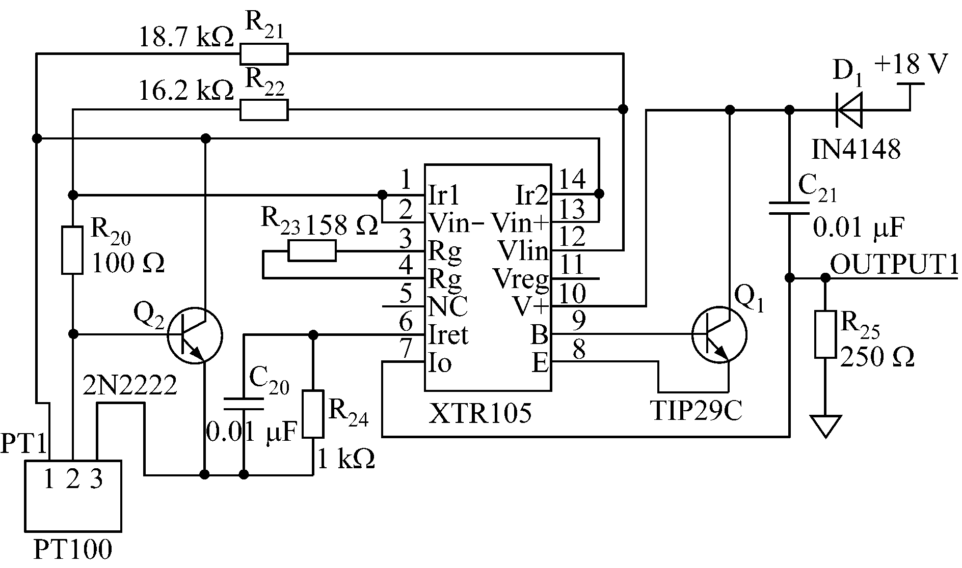
铂电阻的温度特性呈非线性,其未校正的最大非线性度为4%~5%,是影响铂电阻温度传感器测量精度的主要原因,因此采用基于XTR105[5]的温度信号调理电路(测温范围为0~200 ℃),如图2所示。XTR105内置线性化电路,通过外接电阻(R21和R22)可对传感器量程范围内的温度特性的非线性进行校正。为保证测温精度,采用高精度、低温漂金属膜电阻,其中250 Ω和100 Ω电阻精度为0.1%,其余电阻精度为1%。

图2 温度信号调理电路
2.2 振动信号调理电路
振动信号调理电路为矿用本安型振动传感器提供激励,并对传感器输出信号进行隔直、滤波、放大[6],如图3所示。传感器激励源为振动传感器提供16~21 V直流激励电压和4~20 mA恒定激励电流。传感器输出信号包含设备振动信号经传感器转换后的电信号和激励源电路中的直流分量,为消除直流分量和测量频率范围(1~5 kHz)外的低频成分对有用信号的干扰,通过电容C4和电阻R5构成的截止频率约为1 Hz的无源高通滤波器实现隔直与滤除低频噪声。此外采用U4及其外围电阻、电容构成的放大电路对信号进行放大,采用低频增益为1、截止频率约为5 kHz的二阶有源低通滤波器来滤除高频噪声并压缩频带,从而提高信噪比,避免频谱混叠。

图3 振动信号调理电路
2.3 STM32数据处理主板
STM32数据处理主板对调理后的温度、振动信号进行模数转换处理,并通过WiFi实现数据无线传输,其硬件结构如图4所示。采用具有8输入通道的AD7606进行模数转换。核心处理器STM32F103ZET6采用FSMC接口与AD7606连接,实现多通道数据采集[7]。选用低功耗、高速率串口/WiFi无线网络模块EMW3162实现WiFi无线通信功能,该模块集成了TCP/IP协议栈和WiFi驱动,通过UART接口与STM32F103ZET6交互数据。

图4 STM32数据处理主板硬件结构
2.4 电压转换电路
根据煤矿井下环境要求,选用KDW26矿用浇封兼本安型稳压电源供电,其额定输出电压为18 V,额定输出电流为0.9 A,可满足监测子站的设计需求。考虑到监测子站各电路供电要求,利用电压转换电路对18 V本安电源进行转换。
振动信号调理电路中的运算放大器OP07所需电压为±5 V,若直接用DC/DC隔离稳压电源对18 V本安电源进行降压,其内部等效电容过大,不符合本安要求[8]。因此,先通过DC/DC隔离稳压电源URB2405YMD-10WR3降压至+5 V,再选用MAX1681进行电压转换,实现-5 V电压供给。+5 V转-5 V电路如图5所示。此外,通过AMS1117-3.3将+5 V电压降至+3.3 V为其他电路提供合适电压。
根据本安设计要求,监测子站外壳应结实可靠,具有防尘、防水、防爆、防腐蚀性能[9],达到IP54防护等级,同时所有输入输出接口必须防水且不暴露在煤矿井下环境中。因此,采用304不锈钢设计防护外壳,其外形结构如图6所示。外壳壳体上共设计有18个输入输出接口,除1个采用防水射频连接器外,其余均采用与壳体焊接成一体的防爆电气设备电缆引入装置。液晶屏和指示灯视窗均采用有机玻璃和橡胶垫压紧密封,防水键盘安装在外壳上盖。

图5 +5 V转-5 V电路

图6 防护外壳外形结构
在Keil uVision4编译环境下采用C语言对监测子站软件程序进行模块化设计[10],包括主程序、初始化子程序、温度数据采集子程序、温度信息显示子程序、温度数据传输子程序、振动数据采集子程序、振动数据传输子程序、按键处理子程序和请求帧处理子程序。
监测子站软件主程序流程如图7所示。上电后首先进行初始化,初始化子程序主要完成STM32F103ZET6、外部总线、各外设模块的引脚和时钟初始化,以及配置定时器和中断。初始化完成后采集设备温度数据并在液晶屏上显示。然后判断是否有键按下,若有则进入按键处理子程序,根据不同的按键标志位来执行不同的操作。之后判断是否接收到监测主站发送的数据请求帧,若有则进入请求帧处理子程序。
请求帧处理子程序流程如图8所示。首先对主站发送的数据请求帧进行解析与校验,再根据数据请求帧携带的指令完成相应任务(如温度、振动数据的采集与传输),并返回相应的应答帧给主站。

图7 监测子站软件主程序流程

图8 请求帧处理子程序流程
为验证基于无线通信的矿用本安型设备监测子站的可行性,在实验室环境下进行了测试。利用实验室无线局域网模拟矿井无线局域网,采用LabVIEW在PC上开发调试软件模拟监测主站。
温度测试时采用电阻箱代替铂电阻温度传感器,并按PT100铂热电阻的分度表来设置不同温度对应的阻值,读取并记录液晶屏显示的温度信息,结果见表1。可看出温度测量误差不超过±1 ℃,满足设计要求。
振动测试时采用HK9601振动传感器校验台提供输出频率为80 Hz、有效值为1g(g为重力加速度)、误差为±3%的标准加速度振动信号。设置监测子站采样频率为2 048 Hz,1次采样点数为512。监测子站收到振动数据请求帧后,通过振动传感器采集振动信号,并通过无线局域网发送至主站显示,振动信号波形如图9所示。经计算得加速度有效值为1.08g,频率为78.9 Hz,满足设计要求。
表1 温度测试结果


图9 振动信号波形
基于无线通信的矿用本安型设备监测子站可实现对煤矿井下设备温度、振动信号的采集及数据无线传输等功能。该监测子站具有很好的通用性,适用于多种矿用设备监测场合,为矿用设备故障诊断和预测提供数据支持。
参考文献:
[1] 范旭峰,李臻,李晋,等.矿用便携式振动监测分析仪设计及应用[J].煤炭科学技术,2015,43(增刊1):113-116.
[2] 孙继平.煤矿物联网特点与关键技术研究[J].煤炭学报,2011,36(1):167-171.
[3] GB 3836.1—2010 爆炸性环境 第1部分:设备 通用要求[S].
[4] GB 3836.4—2010 爆炸性环境 第4部分:由本质安全型“i”保护的设备[S].
[5] 李学斌,路林吉,周磊.基于XTR105和C8051F020的温湿度测量系统[J].自动化与仪表,2006,21(6):20-23.
[6] 吉晓冬,薛光辉,杨健健,等.矿用振动加速度传感器信号调理装置研制[J].工矿自动化,2014,40(5):106-108.
[7] 陶海军,张一鸣,曾志辉.基于AD7606的多通道数据采集系统设计[J].工矿自动化,2013,39(12):110-113.
[8] 周亚夫,许辰雨.矿用本安电源保护电路的优化设计[J].中国煤炭,2015,41(1):70-72.
[9] 张刚.本安电气系统防爆检验模式及其对煤矿安全的影响[J].电气防爆,2012(4):5-10.
[10] 严春,张吉哲,孔德刚.浅谈嵌入式程序设计在矿用产品中的应用[J].工矿自动化,2010,36(3):115-118.
DU Yan1, KAN Zhe1,2, FENG Yu1, SUN Pengfei1, MENG Guoying1,ZHU Sanying1, MAN Xiaochen1, LI Yong1
(1.School of Mechanical Electronic and Information Engineering, China University of Mining and Technology (Beijing), Beijing 100083, China; 2.School of Mining Engineering,Liaoning Shihua University, Fushun 113001, China)
Abstract:In view of poor real-time performance and complex wiring existed in traditional operating condition monitoring of coal mine mechanical and electrical equipment, a mine-used intrinsically safe equipment monitoring substation based on wireless communication was developed in accordance with requirements of coal mine safety certification. Structure, intrinsically safe hardware circuit design, shell protection design and software implementation of the monitoring substation were introduced. The monitoring substation can realize multi-channel vibration and temperature signal acquisition and wireless transmission of mine-used equipment, which provides data support for fault diagnosis and prediction of mine-used equipment.
Key words:wireless communication; equipment monitoring; intrinsically safe design; vibration signal; temperature signal
文章编号:1671-251X(2017)01-0005-04
DOI:10.13272/j.issn.1671-251x.2017.01.002
收稿日期:2016-10-18;
修回日期:2016-11-17;责任编辑:盛男。
基金项目:国家自然科学基金资助项目(U1361127)。
作者简介:杜岩(1988-),男,河北邯郸人,博士研究生,主要研究方向为矿用设备监测、故障诊断与维护,E-mail:duyan042188@163.com。
中图分类号:TD655/76
文献标志码:A
网络出版:时间:2016-12-30 09:32
网络出版地址:http://www.cnki.net/kcms/detail/32.1627.TP.20161230.0932.003.html
杜岩,阚哲,冯禹,等.基于无线通信的矿用本安型设备监测子站研制[J].工矿自动化,2017,43(1):5-8.