李宏伟, 曲兵妮, 李璐, 宋建成
(太原理工大学 煤矿电气设备与智能控制山西省重点实验室, 山西 太原 030024)
摘要:针对现有矿用带式输送机监控系统的语音报警声音在胶带沿线不能扩音播放的问题,研制了一种矿用带式输送机扩音电话系统。该系统具有语音报警、半双工通话和打点联络功能,声音清晰度好且音量高达100 dB,能够满足煤矿复杂环境的使用要求。
关键词:带式输送机; 扩音电话; 语音报警; 半双工通话; 打点联络; 电池组充放电管理
带式输送机具有运输量大、运输距离长、传输效率高且功耗较小的特点,广泛应用于煤矿生产中[1]。但因生产环境恶劣、沿线距离较远和大型设备噪声等影响,造成消息传达困难,给生产过程中调度指挥带来诸多不便,尤其是带式输送机发生跑偏、撕裂等故障时,不能及时报警提示沿线工作人员,对井下的安全生产造成了很大的影响,甚至对工作人员的生命造成威胁[2]。因此,开发一种矿用带式输送机扩音电话系统,实现胶带沿线扩播通信、信号联络和声光报警功能对于保证矿井的安全生产、提高企业的管理水平及经济效益具有重要的现实意义。
目前,我国矿用带式输送机监控技术[3]已取得很大进步,但在胶带沿线扩播通信、信号联络及声光报警等方面还有待进行深入的研究。现有的大多数矿用带式输送机监控系统能够对井下带式输送机煤炭运输情况进行实时监控,并能对带式输送机的超温、烟雾、跑偏、堆煤、撕裂、打滑等常见故障进行报警[4-5]。但是系统只能实现故障的语音报警,不能实现语音报警声音在胶带沿线的扩音播放,并且系统不具有通话、打点功能,无法实现胶带沿线的语音和信号联络,难以满足矿井的安全、高效生产要求。
针对上述问题,笔者研制了一种具备语音报警、半双工通话和打点联络功能的矿用带式输送机扩音电话系统。根据系统工作环境和设计要求,采用模块化的设计思想,遵照井下电气设备本质安全型设计的相关规范,设计了语音报警模块和扩音电话;并根据实际需要提出基于PIC12F615单片机的电池组充放电管理方法,以提高电池组工作的可靠性和稳定性。
1.1 系统设计要求
矿用带式输送机扩音电话系统作为整个带式输送机监控系统的一部分,安装在井下带式输送机的机架上、胶带走廊或巷道一侧的墙壁上,工作环境复杂,设备故障率高;空气中混有瓦斯和矿尘,容易发生爆炸事故;巷道空间狭小,分布着多种大型机电设备,且多在强电压下工作,存在较强的电磁干扰;矿井中电网的电压波动范围较大,常有断电情况发生[6]。
根据上述分析可知,系统设计应满足以下要求:① 声音应能及时准确地传达给胶带沿线工作人员。② 短时间断电仍能维持正常工作的能力。③ 声音传输距离要远、清晰度好且音量高(>95 dB),具有很高的稳定性、可靠性和抗干扰能力。④ 方便安装,并且具有良好的可扩展性。⑤ 采用本质安全型设计,并且要有防潮、防水、防尘和承受一定机械冲击的能力。⑥ 能兼容部分矿井目前在用的扩音电话系统。⑦ 造价成本相对要低,且兼具实用性和经济性[6]。
1.2 系统结构
根据系统设计要求,并遵照井下电气设备本质安全型设计的相关规范,确定了系统结构框图,如图1所示。系统由语音报警模块、多部扩音电话和本安电源组成。语音报警模块布置在带式输送机机头,扩音电话和本安电源布置在胶带沿线,各部分之间通过音频线和电源线即可连接,具有良好的可扩展性。系统正常工作电压为DC15~24 V,每个本安电源可为10部扩音电话供电,语音报警模块由靠其最近的本安电源供电。

图1 矿用带式输送机扩音电话系统结构
1.3 系统功能
系统具有语音报警、半双工通话和打点联络3种功能。
(1) 语音报警。每部扩音电话在正常情况下均处于扩播状态,当系统连接的任何一条胶带发生设备启停、胶带沿线急停、各类故障保护传感器动作等情况时,带式输送机监控系统就会输出相应的语音
控制信号,将语音报警模块中语音芯片存储的报警声音信号输出耦合到系统的音频线上,待胶带沿线上的扩音电话接收以后,通过扬声器转换为人耳可以听到的声音,这样胶带沿线的所有工作人员都可知道当时设备的运行状态,从而及时做出响应。
(2) 半双工通话。每一部扩音电话都有一个通话按钮和打点按钮,正常运行情况下,通话按钮和打点按钮未按下,扩音电话处于接收状态。若需要喊话,工作人员需按住通话按钮,对着麦克风拾音孔喊话,声音通过麦克风转换为音频信号,然后传输给整个系统沿线的所有扩音电话进行扩音播放。喊话结束之后,放开通话按钮,所有话机保持在接收状态,这样就可以进行下一个通话。
(3) 打点联络。正常运行情况下,电话处于接收状态,若需要打点,工作人员需按住打点按钮,打点电路产生的声音信号传输给整个系统沿线的所有扩音电话扩音播放。打点结束之后,打点按钮弹起,电话恢复到扩播状态[7]。打点时间和打点次数可以自行约定。
2.1 语音报警模块
语音报警模块以STM32RBT6为控制核心,包括语音存储电路、音频功放电路、RS485总线通信电路和电源电路等,如图2所示。

图2 语音报警模块组成
语音存储电路中的语音芯片选用ISD4004-08MP,该芯片采用多电平直接模拟量存储技术,每个采样值直接存储在片内闪烁存储器中,能够真实、自然地再现语音,避免了一般固体录音电路因量化和压缩造成的量化噪声和“金属声”。所有操作由微控制器控制,操作命令通过串行通信接口SPI送入。语音芯片中存储了带式输送机启停、沿线急停、各类故障保护传感器动作等报警声音信号。报警声音信号经过功耗低、总谐波失真小的LM386音频功放后,通过音频耦合隔离变压器耦合到系统的音频线上。带式输送机监控系统通过RS485通信总线控制语音报警声音信号输出。
2.2 扩音电话
扩音电话主要由通话电路、打点电路、扩音电路、电源管理电路和其他相关器件组成。扩音电话原理如图3所示。该电话由内置的充电电池供电,外部电源(DC15~24 V)只需通过电源管理电路给电池提供一定的充电电流,充放电过程由充放电管理单元进行有效保护和管理。为了降低电话内部电路的功耗,正常情况下,只有扩音电路处于工作状态。当需要使用通话或打点功能时,需要分别按下通话按钮和打点按钮,同时相应电路得电工作,使用结束以后,按钮弹起,电话恢复到扩播状态。

图3 扩音电话原理
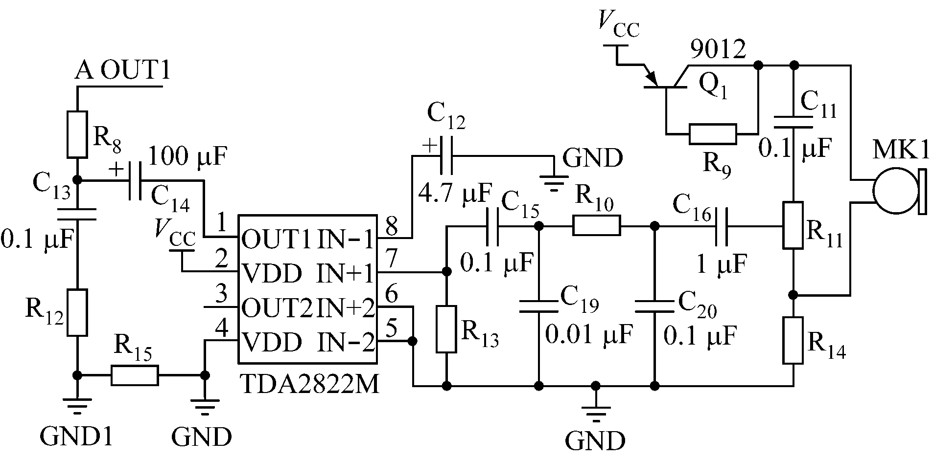
(1) 通话电路。通话电路基于功放集成芯片TDA2822M及其外围电路实现。TDA2822M具有静态电流小、交叉失真小等优点。通话电路原理如图4所示。TDA2822M工作在单声道桥式(BTL)模式,输出功率≥2 W,保证了声音的远距离传输和语音质量。C12用于交流负反馈,确定响应低频下限。C13和R12构成茹贝尔网络,抑制高频高次谐波,使音频更加纯正。输入和输出信号单点接地,避免由高增益带来的自激效应。麦克风拾音孔将拾取的声音信号转换成电信号,在进入音频放大器前,设计低噪声晶体管放大电路,然后通过RC电路进行滤波和去噪,减少声音传输过程中的高频噪声,避免转换过程的失真。放大的信号最后由音频隔离耦合变压器从A OUT1端耦合到系统的音频线上。
(2) 打点电路。打点电路基于施密特触发器CD4093、功放集成芯片TDA2822M及其外围电路实现。首先通过CD4093正边缘触发单稳态电路产生1 100 Hz的频率信号,经过TDA2822M转换放大、RC滤波、去噪后,由音频隔离耦合变压器耦合到系统的音频线上。

图4 通话电路原理
(3) 扩音电路。扩音电路基于功放集成芯片LA4183及其外围电路实现。LA4183具有开关噪声低、饱和失真小和分离度高等优点,工作在输出电压增益较大的桥式(BTL)功放模式,其输出电压增益大小可以通过滑动变阻器进行调节,保证了在高噪声、大范围工作环境下声音的响度。音频信号从系统的音频线上由音频隔离耦合变压器耦合过来,经过RC滤波、去噪后,通过LA4183音频功放扩播出来。
(4) 电源管理电路。电源模块采用镍氢电池组作为工作电源,当外部供电临时中断时,电源模块仍能维持电话正常工作[8]。电池组由6节电池串联而成,电压为7.2 V,容量为2 000 mA·h,由外部电源(DC15~24 V)供电,通过SPX1117-M3组成的恒流源电路为其涓流充电,充电电流分为4档:10,15,20,25 mA,可通过拨码开关S1进行设置选择。
镍氢电池组充放电管理电路如图5所示,主芯片选用PIC12F615单片机,其模拟量输入口AN3采集外部电源电压;模拟量输入口AN2采集电池输出电压;I/O口GP5通过三极管Q4控制Q2实现充电电压回路的关断;I/O口GP0通过三极管Q5控制Q3实现放电回路的关断[6]。

图5 电源管理电路原理
3.1 语音报警子程序
为了保证报警声音的语音质量,语音报警声音通过专业录音软件NewWay录入。当带式输送机启停、沿线急停、各类故障保护传感器动作等情况发生时,带式输送机监控系统会发送相应的语音控制命令,待语音报警模块接收后,执行准备语音播放命令,设置语音播放地址,同时调取相应地址上的语音报警声音进行播放,播放完成后,程序进入等待控制命令状态。语音报警子程序流程如图6所示。

图6 语音报警子程序流程
3.2 电池组管理子程序
为了保障电话在短时间断电情况下正常工作的能力,同时有效降低镍氢电池管理电路的功耗,单片机处于休眠状态,通过定时唤醒监测外部供电电压和电池组输出电压。外部供电电压为DC15~24 V,充电回路工作在最佳状态。图5中,当15 V<Vin<24 V时,打开Q2进行充电,否则关闭Q2,切断充电回路。为了防止电池由于过度放电造成不可逆转的损坏,电池输出电压Vout<5.8 V时,关闭Q3,切断放电回路,进行充电,直至电池组输出电压Vout>6.5 V时,电池组才允许持续输出。电池组管理子程序流程如图7所示。

图7 电池组管理子程序流程
4.1 语音报警、半双工通话和打点联络功能测试
试验系统由18 V开关电源、语音报警模块和2部扩音电话组成,如图8所示。

图8 试验系统
语音报警模块用于输出语音报警信号,试验过程中,每部扩音电话的扬声器都能输出相应的语音报警声音。按下其中一部电话的通话按钮,在距离麦克风10~20 cm处对其持续喊话,另一部电话的扬声器立即输出相应的通话声音,通话按钮弹起后,对另一部电话进行同样的操作,均能达到良好的通话效果。按下打点按钮,打点声音在2部电话上进行扩音播放,并且打点时长由打点按钮按下的时间自由控制。试验结果表明,系统能够实现语音报警、半双工通话和打点联络功能。
通过调节各部分电路的滑动变阻器测试电话扩播的最高输出音量,在不出现杂声的情况下,用分贝测试仪记录扬声器输出的最大声音分贝值。声音分贝值曲线如图9所示。由图9可知,在保证声音清晰度好的前提下,扩音电话的声音平均分贝值可高达100 dB,达到了预期的设计效果。

图9 声音分贝值曲线
4.2 电池组充放电管理功能测试
外部电源电压Vin在DC15~24 V范围之内,Q2
打开,对电池进行充电,否则关闭Q2,切断充电回路。电池输出电压Vout<5.8 V时,Q3关闭,电池不允许输出并进行充电,直至电池输出电压Vout>6.5 V时,电池才允许续工作。电池充放电管理功能测试结果见表1,达到了设计要求。
表1 电池组充放电管理功能测试结果

根据带式输送机的现场需求,设计了扩音电话系统,该系统具备完善的语音报警、半双工通话及打点联络功能,并且声音清晰度好,音量可达100 dB,解决了现有矿用带式输送机监控系统语音报警、通话功能不足等问题,满足了煤矿复杂环境的使用需求。
参考文献:
[1] 石祥春.煤矿带式输送机安全保护装置安装及检验方式探讨[J].内蒙古煤炭经济,2014(7):209.
[2] 白亚林,宋建成.基于PLC的带式输送机综合保护系统的研究[J].工矿自动化,2008,34(5):52-55.
[3] 黄民,潘虎生,胡成,等.钢绳芯带式输送机实时综合监测与保护系统[J].中国矿业大学学报,2006,35(5):673-678.
[4] 张玉华.基于MCGS组态软件的带式输送机监控系统[J].煤矿机械,2012,33(11):264-265.
[5] 周雷,张振忠,邢进.井下安全语音广播系统在矿井生产中的应用研究[J].煤矿现代化,2011(5):62-65.
[6] 王玉林.基于CAN总线的矿用广播对讲系统研究与设计[D].湘潭:湖南科技大学,2013.
[7] 曾增烽,张秀雷,杨伟文.煤矿井下扩音电话系统的设计[EB/OL].(2011-03-17) [2016-08-01].http://www.pocper.edu.cn.
[8] 游青山.基于镍氢电池的隔爆型电气设备备用电源系统设计[J].工矿自动化,2013,39(5):9-12.
LI Hongwei, QU Bingni, LI Lu, SONG Jiancheng
(Shanxi Key Laboratory of Mining Electrical Equipment and Intelligent Control,Taiyuan University of Technology, Taiyuan 030024, China)
Abstract:In view of problem that voice alarm sound can't broadcast along belt of existing monitoring system of mine-used belt conveyor, an amplified telephone system for mine-used belt conveyor was developed.The system has functions of voice alarm, half-duplex communication and dot calls and contact, and has good sound clarity with volume as high as 100 dB, which can satisfy requirements of complex environment of coal mine.
Key words:belt conveyor; amplified telephone; voice alarm; half-duplex communication; dot contact; charging and discharging management of battery packs
文章编号:1671-251X(2017)01-0017-05
DOI:10.13272/j.issn.1671-251x.2017.01.005
收稿日期:2016-08-05;
修回日期:2016-09-19;责任编辑:张强。
基金项目:山西省科技重大专项项目(20131101029)。
作者简介:李宏伟(1990-),男,山西汾阳人,硕士研究生,研究方向为电力电子与电力传动,E-mail:745061221@qq.com。
中图分类号:TD655
文献标志码:A
网络出版:时间:2016-12-30 09:33
网络出版地址:http://www.cnki.net/kcms/detail/32.1627.TP.20161230.0933.005.html
李宏伟,曲兵妮,李璐,等.矿用带式输送机扩音电话系统研制[J].工矿自动化,2017,43(1):17-21.