张远征1,2
(1.中煤科工集团重庆研究院有限公司, 重庆 400039;2.瓦斯灾害监控与应急技术国家重点实验室, 重庆 400037)
摘要:针对现有铁架式风筒风量开关传感器存在生产调试复杂、安装维护不便、 抗电磁干扰能力弱等问题,设计了一种基于姿态识别技术的风筒风量开关传感器。该传感器采用三轴加速度传感芯片静态姿态检测原理,实现了风筒风量开关状态检测。实际应用表明,该传感器检测可靠稳定,调试安装简便,抗电磁干扰能力强。
关键词:矿用风筒; 风量开关传感器; 姿态识别; 姿态检测; 判决门限自动更新; 三轴加速度传感芯片
网络出版地址:http://www.cnki.net/kcms/detail/32.1627.TP.20160902.1008.003.html
矿井通风是煤矿安全生产的重要保障,风筒风量开关传感器是检测矿用软质风筒通风状态的重要设备。目前该类传感器几乎都是铁架式,如图1所示。它采用挂环悬挂安装,铁架环抱骑跨于风筒之上。当风筒有风时,风筒鼓胀撑开铁架,使得磁铁靠近主机,触发主机内部干簧管导通;当风筒风量不足时,风筒干瘪下垂,铁架收拢,使得磁铁远离主机,触发内部干簧管断开。
该类传感器存在以下问题:① 体积大、质量重,从生产运输到安装维护十分不便。② 生产、调试比较复杂,常见的矿用风筒以直径不同分为多种规格,每个规格的风筒需要对应规格的铁架[1-2],每个规格所需的生产、调试标准也不同。③ 长时间处于井下会因锈蚀而难以动作,进而失效。④ 采用的干簧管磁场接近检测原理本身对电磁干扰抵抗能力较差。
针对上述问题,笔者设计了一种基于姿态识别技术的矿用风筒风量开关传感器。将2片三轴加速度传感芯片内置于传感器的2个表头,表头与柔性风筒表面用安装带捆绑固定。当风筒内部风量出现变化时,风筒出现干瘪或鼓胀的形变,表头内三轴加速度传感芯片姿态也发生变化。根据该姿态中的关键信息和判决门限,即可判定风筒内部是否有充足风量通过。实验结果证明,该传感器检测准确性高,生产调试、安装维护方便,抗电磁干扰能力强。

图1 铁架式风筒风量开关传感器组成
利用加速度计对静止物体进行姿态检测是一种成熟、可靠的方式,成本低廉,运算简单。
三轴加速度姿态检测原理:三轴加速度传感芯片静止时只受到重力作用,重力g在芯片的XYZ三轴的分量即可表征物体的姿态。三轴与芯片封装棱边重合,相互垂直。当芯片水平放置时,X轴和Y轴位于水平面(0g场),Z轴与水平面垂直(1g场),方向与重力相反。在描述芯片的姿态时,将三轴的坐标系作为参考姿态[3],如图2(a)所示。当芯片发生姿态变化,三轴指向随之改变,如图2(b)所示。θ为芯片X轴与参考坐标X轴的夹角,Ψ为芯片Y轴与参考坐标Y轴的夹角,φ为芯片Z轴与参考坐标Z轴的夹角。静止状态下,通过检测芯片XYZ轴上的重力分量AXout,AYout和AZout,可计算出θ,Ψ和φ[4-6]。计算公式为
(1)
(2)
(3)
通过对夹角θ,Ψ和φ的检测,即可对物体姿态进行描述,从而对特定姿态进行识别判断。
风筒通风情况变化所引起的最显著形变在风筒的截面。无风时,风筒干瘪下垂呈“I”型;通风时,风筒鼓胀呈“O”型。而三轴加速度传感芯片的姿态检测是立体的,在实际应用中只需检测风筒截面所在平面的姿态变化,提取较大的角度变化,作为主要的判别量即可。

(a) 参考姿态

(b) 姿态变化
图2 三轴加速度姿态检测原理
2.1 传感器总体方案设计
传感器由主副表头(内含三轴加速度传感芯片)、挂环、表头通信线和捆绑带组成,如图3所示。主副表头骑跨于风筒上部,挂环用于固定悬挂,捆绑带从下部环抱风筒,使得2个表头紧贴风筒。2个表头间的夹角为α。当风筒内部风量变化时,表头姿态发生变化,最明显的变化就是表头夹角α,其值在无风时较小,有风时较大。对姿态的检测即是对该夹角的检测。通过检测芯片在XOZ平面的倾角变化就可以计算出α。而Y轴分量可辅助检测传感器安装姿态是否正确,提高了稳定性。

图3 传感器组成
传感器安装后,表头间夹角α由αZ和αF两个部分构成,如图4所示。其中,αZ为重力g与主表头三轴加速度传感芯片X1轴间的夹角;αF为重力g与副表头三轴加速度传感芯片X2轴间的夹角。X1OZ1平面和X2OZ2平面重合,重力矢量也在该平面变化。选择主表头内加速度传感芯片的参考坐标系为
,该坐标系的
轴与重力g重合,
与风筒平行,方向为垂直于观测截面向外;选择副表头内加速度传感芯片的参考坐标系为
,该坐标系的
轴也与重力g重合,
与
相反。由图2(b)和式(1)可知,θZ为主表头X1轴偏离参考轴
的角度,θF为副表头X2轴偏离参考轴
的角度。另外,由于αZ与θZ互余,αF与θF互余,最终可得
(4)
(5)
式中:AXout,Z,AYout,Z和AZout,Z分别为重力g在X1轴,Y1轴和Z1轴上的分量;AXout,F,AYout,F和AZout,F分别为重力g在X2轴,Y2轴和Z2轴上的分量。

图4 表头夹角计算示意图
传感器在检测表头夹角α之后,与设定门限比较,输出1/5 mA开关量电流信号,并用红绿双色发光二极管指示通风状态。判决门限必须为双门限,即开门限和关门限不同,存在一定裕量,以防止角度在门限附近时频繁触发,造成误报。
当表头通信线长度固定时,风筒尺寸越小,则表头夹角α越小,越不利于检测。目前,风筒最小尺寸是φ300 mm,在西部小规模煤矿中有极少量使用。如图3所示,表头与风筒表面相切,当夹角α为60°时,根据勾股定理,切线(即图中虚线)长度为半径的
倍,约250 mm,表头通信线长度就是切线长度的2倍。经过理论计算和现场试验,表头通信线长度固定为500 mm,可满足各种规格风筒使用要求。
2.2 传感器硬件电路设计
根据测量原理和设计功能,传感器硬件电路组成如图5所示,主要包括三轴加速度传感芯片电路、单片机、1/5 mA开关量电流输出电路、风筒通风状态指示电路。其中,三轴加速度传感芯片电路和1/5 mA开关量电流输出电路是设计的关键点。

图5 传感器硬件电路组成
2.2.1 三轴加速度传感芯片电路
传感器采用ADXL335三轴加速度传感芯片,它具有功耗低、抗冲击能力强、温漂小和驱动能力强的特点。三轴加速度传感芯片结构如图6所示。

图6 三轴加速度传感芯片结构
每片ADXL335有3个模拟输出引脚分别对应X,Y,Z三轴,在输出端添加滤波电容CX,CY,CZ,可抑制风筒上的高频振动干扰。除此之外,芯片还有自测引脚,单片机施加测试有效信号后,芯片模拟输出会出现固定幅值的变化。利用这个功能引脚,传感器实现了故障检测功能。
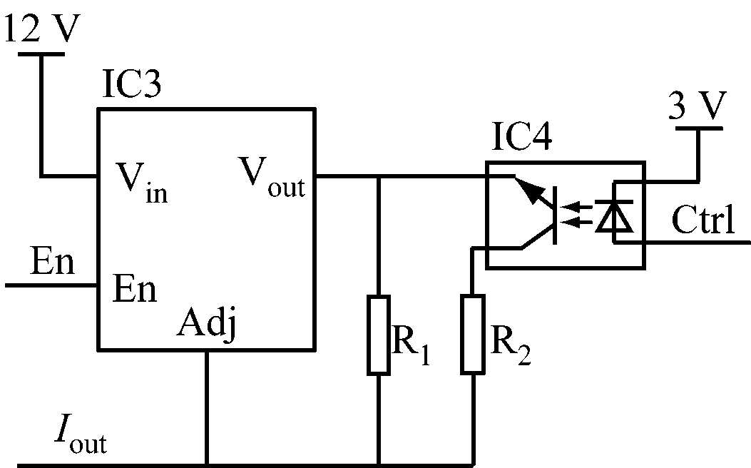
2.2.2 1/5 mA开关量电流输出电路
传感器的1/5 mA开关量电流输出电路采用LDO芯片与光耦来实现,如图7所示。单片机的控制信号为En和Ctrl,电流输出信号为Iout。LDO芯片IC3的电源输出由En控制,当其置低时,IC3无电源输出,Iout为0;当En置高时,IC3有12 V电源输入。在IC3的Vout与Adj之间的电压固定为1.25 V,Adj的漏电流在μA量级,因此,Iout由2条回路得到:一路由R1构成,调节其电阻大小即可输出1 mA电流;另一路由R2和光耦IC4构成,调节R2电阻大小可使该路输出4 mA电流。单片机输出的控制信号Ctrl可控制后者通断,实现1/5 mA电流的输出。

图7 1/5 mA开关量电流输出电路
2.3 传感器软件设计
2.3.1 表头夹角α的计算
单片机首先对2个表头内的三轴加速度传感芯片进行AD采样,然后通过计算得到每轴上的重力分量AXout,Z,AYout,Z,AZout,Z,AXout,F,AYout,F,AZout,F,最后通过式(4)、式(5)计算得到α。
(6)
2.3.2 判决门限自动更新算法
传感器程序根据开门限、关门限和传感器当前状态来调整下一状态输出。当α大于开门限时,判定风筒有风;当α小于关门限时,判定风筒无风;当α不小于关门限且不大于开门限时,则维持当前有、无风状态进行输出。初次上电后,如果因安装不当,使得α在30~60°时,传感器发出错误指示,要求重新安装。
为加快传感器的响应时间,软件设计了判决门限自动更新功能。当检测到α在连续一段时间内处于一个比较稳定的数值时,则会根据这个角度更新判决门限,进而提高判决的响应速度。开门限和关门限的自动更新流程如图8所示。

图8 判决门限自动更新流程
ADXL335三轴加速度传感芯片输出的是模拟量,每个轴的重力分量都是通过单片机AD采集再计算获得。因此,必须对每轴的1g(或-1g)和0g进行校准,才能准确计算每轴上的重力分量,如图9所示。
在水平桌面上,传感器整机采用平放、侧放、竖放3个姿态, 分别对应步骤1、2、3。
步骤1:摆放稳定后,主、副表头Z轴上分量均为1g,Y轴和X轴上分量均为0g,按下专用按键,传感器记录AD数据。
步骤2:摆放稳定后,主表头Y轴上分量为-1g,副表头Y轴上分量为1g,2个表头的X轴和Z轴上分量均为0g,按下专用按键,传感器记录AD数据。
步骤3:摆放稳定后,主、副表头X轴上分量均为1g,Y轴和Z轴上分量均为0g,按下专用按键,传感器记录AD数据。
整个校准过程,每轴进行1次1g(或-1g)的AD数据记录,进行2次0g的AD数据记录(结果取平均值)。这样就可以根据这些参数,计算出每轴的重力分量。

(a) 校准步骤1

(b) 校准步骤2

(c) 校准步骤3
图9 传感器校准示意
基于姿态识别技术的风筒风量开关传感器生产调试简单,安装维护方便,抗电磁干扰能力强,已在山西、吉林、四川、贵州等地煤矿现场使用。对风筒通风状态的检测结果表明,该传感器稳定可靠,受到了用户的高度好评。
参考文献:
[1] 陈祖云,金波,邬长福,等.局部通风风筒直径的选择[J].中国安全生产科学技术,2012,8(11):81-84.
[2] 李红庆,谢楠.新型煤矿用风筒风量开关的研究与发明[J].科技传播,2011,3(17):91.
[3] CHRISTOPHER J F. Using an accelerometer for inclination sensing[EB/OL]. (2008-05-16)[2016-07-21].http://www.analog.com/media/en/technical-documentation/application-notes/AN-1057.pdf.
[4] 郭敏,尹光洪,田曦,等.基于三轴加速度计的倾斜角传感器的研究与设计[J].现代电子技术,2010,33(8):173-177.
[5] 侯文生,戴加满,郑小林,等.基于加速度传感器的前臂运动姿态检测[J].传感器与微系统,2009,28(1):106-108.
[6] 吴黎明,张力锴,李怡凡.基于ANN和单个三轴加速度传感器的汽车运动姿态测量[J].传感技术学报,2011,24(6):923-927.
ZHANG Yuanzheng1,2
(1.CCTEG Chongqing Research Institute, Chongqing 400039,China; 2.State Key Laboratory of the Gas Disaster Detecting, Preventing and Emergency Controlling,Chongqing 400037,China)
Abstract:In view of problems of complex production and commissioning, inconvenient installation and maintenance, poor anti-electromagnetic interference existed in air flow sensor of coal mine air duct based on iron frame, an air flow switch sensor of air duct based on attitude recognition technology was designed. The sensor adopts principle of 3-axis acceleration sensor chip attitude detection to achieve state detection of air flow switch of air duct. The practical application shows that the sensor has advantages such as stable and reliable in detection, simple and convenience in installation and maintenance, strong in anti-electromagnetic interference.
Key words:mine-used air duct; air flow switch sensor; attitude recognition; attitude detection; threshold automatic update; 3-axis acceleration sensor chip
文章编号:1671-251X(2016)09-0009-04
DOI:10.13272/j.issn.1671-251x.2016.09.003
收稿日期:2016-01-19;
修回日期:2016-05-16;责任编辑:张强。
基金项目:重庆市煤监局2014年煤炭发展专项资金项目(渝煤[2014]-kj-09);中国煤炭科工集团有限公司科技创新基金面上项目(2014MS025)。
作者简介:张远征(1981-),男,重庆人,助理研究员,硕士,现主要从事矿用安全仪器仪表的研发工作,E-mail:livelyzyz@126.com。
中图分类号:TD723
文献标志码:A 网络出版时间:2016-09-02 10:08
张远征.基于姿态识别技术的风筒风量开关传感器设计[J].工矿自动化,2016,42(9):9-12.