郭松梅
(重庆能源职业学院 汽车与信息工程系, 重庆 401321)
摘要:针对现有煤矿电网电能质量存在谐波污染和电压波动等问题,提出了一种基于SVG的煤矿电能质量综合治理方法。该方法基于正交变换理论实现有功、无功电流直接控制,可提高动态无功补偿过程的精度,且能抑制电网频率波动的影响。仿真结果表明,该方法能抑制非线性负载产生的谐波,有效改善了煤矿电网的综合电能质量。
关键词:煤矿; 电能质量; 正交变换; 直接电流控制;SVG; 综合治理
网络出版地址:http://www.cnki.net/kcms/detail/32.1627.TP.20160902.1017.014.html
随着科学技术的快速发展,大功率电力电子设备和非线性负载等被广泛应用于煤矿供电系统,如矿用提升机采用的变频电源含有电力电子开关器件[1],电路的控制系统采用脉宽调制技术会带来大量的谐波而引起电网电压畸变。除此之外,一些大型非线性负载设备的瞬间启动也引起较大的无功冲击,降低功率因数,这些都严重损害了煤矿供电系统的电能质量,从而影响煤矿企业的高效生产运行。因此,如何改善因谐波和功率因数降低引起的电能质量问题,是目前煤矿供电系统亟需解决的问题[2-3]。
传统的煤矿电网电能质量治理措施一般是采用投切并联电容器和静止无功补偿器(Static Var Compensator,SVC)。然而,并联电容器调节性能较差,不能快速、连续地调节冲击性负荷的影响[4-5];SVC虽然应用较为广泛,但是其无功输出特性会受公共连接点电压的影响,在公共点电压达到上限之后,无功输出会随着电压的跌落而急剧下降,补偿效果较差[6-7]。静止无功发生器(Static Var Generator,SVG)因具有响应速度快、连续双向补偿和补偿效果优异等优势在煤矿供电系统中得到越来越广泛的应用[8-9]。
为进一步提高煤矿电网电能质量综合治理的效果,本文提出了一种基于SVG的煤矿电能质量综合治理方法。该方法基于正交变换理论实现了有功、无功电流的直接控制,能提高系统响应速度和控制精度,有效改善了煤矿供电系统的电能质量。
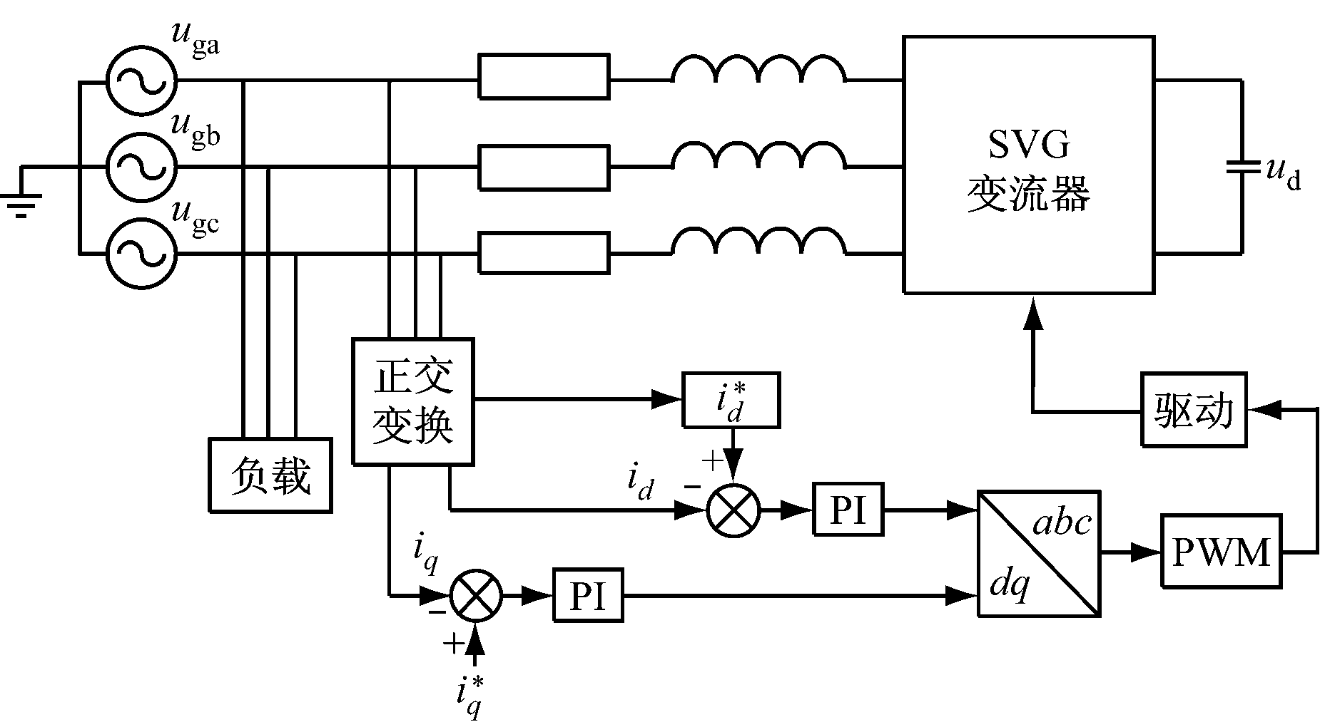
某煤矿供电系统结构如图1所示,系统以采用非线性电力电子负荷的提升机为例,采用交直流控制策略,整流部分采用12脉波。变电所内安装有3台变压器,将地面的110 kV和矿井内6 kV母线相连,其中供电电源来自6 kV II段母线,6 kV II段母线不仅给提升机供电,且接有生产系统的其他负荷。

图1 某煤矿供电系统结构
2.1 SVG数学模型
SVG等效电路如图2所示,其中uga,ugb,ugc为电网的三相电压;usa,usb,usc为SVG输出三相电压;R为线路等效电阻;L为线路等效阻抗。由图2可知,SVG相当于一个逆变电源经电抗器并联至大电网,形成实时动态无功补偿装置,可灵活调节系统无功功率和谐波补偿。

图2 SVG等效电路
设电网三相电压为

(1)
式中U为电网电压幅值。
根据等效电路可得SVG输出电压为

(2)
式中:M为SVG逆变电路的调制比;Ud为直流侧电压幅值;ω为电网角频率;δ为SVG与电网电压的相对角度。
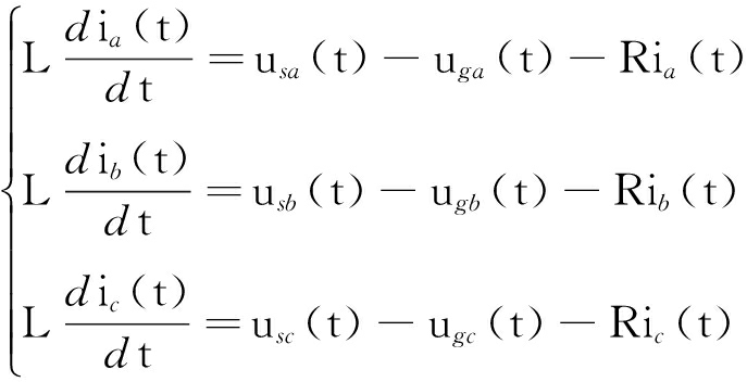
进一步可得SVG的三相动态方程为

(3)
式中ia,ib,ic为SVG输出三相电流。
根据SVG结构可求得直流侧动态电压方程为
-[usa(t)ia(t)+
usb(t)ib(t)+usc(t)ic(t)]
(4)
式中:C为直流侧电容值;ud为直流侧电压。
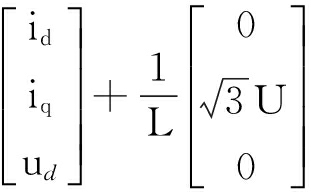
综合上述方程可求得SVG的动态数学模型为


(5)
式中id,iq为SVG输出电流的有功和无功分量。
2.2 SVG电流控制方法
SVG控制部分主要包括检测电路、控制电路和驱动电路等,首先通过传感器检测电网电压和电流信号,将这些信号进行运算处理得到参考指令,参考指令信号经过比较生成PWM驱动信号,从而控制SVG功率开关管的导通和截止。而SVG无功功率的调节是通过控制无功功率参考值来实现的,而无功功率参考值的控制方法一般分为2种,分别是间接电流控制和直接电流控制。间接电流控制是将SVG等效为交流电压源,通过控制交流电压的幅值和相位达到对无功电流的间接控制,而直接电流控制则是对SVG输出交流电流的无功分量反馈进行直接控制。直接电流控制相对间接电流控制而言,具有更快的响应速度和更高的控制精度,可以有效降低输出信号的谐波。直接电流控制又可分为abc轴瞬时电流控制和dq轴有功、无功电流控制2种。由于采用dq轴有功、无功电流控制能够达到无静差控制且易于设计控制器参数,所以,dq轴有功、无功电流控制要优于abc轴瞬时电流控制。基于上述分析,本文提出一种基于正交变换理论的SVG直接电流控制方法,如图3所示。

图3 SVG直接电流控制方法
由图3可知,该控制方法以输出电流为控制目标,形成电流有功和无功分量的解耦控制。其中id*为输出电流有功分量的参考值,iq*为输出电流无功分量的参考值。基本控制原理:有功分量与参考值作差,经过PI控制器控制输出电流的有功分量,用以补偿SVG吸收的部分有功功率,根据谐波特性实时改变其参考值,能起到有源滤波的作用;输出电流无功分量反馈值与参考值作差,经过PI控制,实现无功功率的实时跟踪和补偿。该方法可实现有功、无功的解耦控制,且以控制直流信号为目标,消除了静态误差,提高了无功功率控制的动态特性和控制精度,实现了谐波抑制和无功补偿功能。
2.3 基于正交变换理论的电流检测方法
由于SVG电流控制方法是以输出电流的直流分量为控制目标,所以,如何准确、实时、高速获取输出电流的有功和无功直流分量是控制的关键。同时,为消除谐波分量,首先需分离出谐波分量,向供电系统输入大小相等、方向相反的分量便可叠加抵消谐波。基于此,提出一种基于正交变换理论的电流检测方法,该方法在谐波环境下检测精度高,且不受频率波动影响,其原理如图4所示。
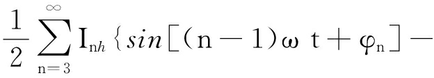
以三相系统的A相系统为例进行分析。设A相电流表达式为
(6)
式中:ia_b(t),ia_h(t)为电流的基波和谐波;Ia_b为电流的幅值;φ为电流的初相位;ω为基波角频率;Id,Iq分别为正交变换后的有功和无功分量;Inh为n次谐波的幅值;φn为n次谐波的相位。

图4 基于正交变换理论的电流检测方法原理
将式(6)乘以正弦信号可得
(7)
式(6)乘以余弦信号可得
(8)
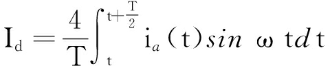
从式(7)、式(8)可以看出,式中包含直流分量和偶数次谐波分量,采用半周期积分可将偶数次谐波滤除,从而提取出直流分量Id和Iq。
(9)
式中T为基波信号周期。
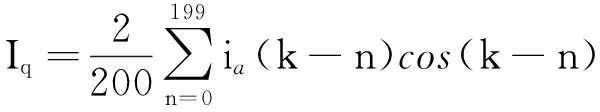
传统正交变换采用20 kHz采样频率和50 Hz基波频率离散化实现,在半个周期内有200个采样点数,通过正交变换求出的无功和有功直流分量分别为
(10)
式中:ia(k-n)为电流信号的离散值;sin(k-n),cos(k-n)分别为正、余弦信号的离散信号。
基波和谐波分量为
(11)
(12)
式中:Ia_b(k)为电流基波离散信号;Ia_h(k)为电流谐波离散信号。
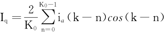
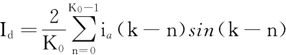
可以看出,基波的合成与有功、无功直流分量紧密相关,而谐波的获取又依赖于基波,因此,当供电系统频率变化时会改变采样点数,从而影响有功、无功直流分量的取值,给基波和谐波带来较大的误差。针对该问题,本文对采样点数进行了改进,通过采样的实时频率计算采样点数。
重新计算的点数为
(13)
式中:f0为采样频率;f为基波频率。
根据改进的正交变换可求出精确的无功和有功直流分量:
(14)
所以,当系统频率变动时,通过改变采样点数能够精确计算有功、无功分量Id和Iq,从而求得更加精确的基波和谐波分量。以此类推,可求得三相系统B相和C相的基波和谐波分量。
为了验证煤矿电能质量综合治理方法的有效性,在PSCAD/EMTDC软件上建立了仿真模型,仿真电路主要包括煤矿供电系统模块、SVG主电路模块、有功无功电流和基波谐波检测模块、SVG控制系统模块及非线性电力电子负载模块。
煤矿供电系统电网侧三相电流和负载侧三相电流波形如图4—图6所示。SVG输出的有功补偿电流波形如图7所示。从仿真结果可看出,由于非线性负载的接入会带来较大谐波而导致负载电流畸变,SVG检测并分析出谐波分量,向供电系统输入与谐波电流大小相等、方向相反的分量,该分量与谐波分量叠加相消,从而保证了供电系统的电能质量。

图4 电网和负载侧的A相电流波形

图5 电网和负载侧的B相电流波形

图6 电网和负载侧的C相电流波形

图7 SVG输出的有功补偿电流波形
设在1.5 s时增加无功负载投入,SVG输出的无功功率和直流侧电压波形如图8、图9所示。当投入负载的无功容量变化时,SVG输出的无功功率及直流侧电压以相同的趋势发生变化,即本文方法能快速、准确地跟踪负载无功变化,实现无功补偿功能。

图8 SVG输出的无功功率波形

图9 SVG输出的直流侧电压波形
为提高非线性负载接入煤矿供电系统的电能质量,提出了一种基于SVG的煤矿电能质量综合治理方法。该方法根据正交变换理论,采用有功和无功电流直接闭环控制,在谐波及频率变化条件下,能够精确、快速检测电网的有功、无功电流信号,通过电流闭环控制实现谐波抑制和无功补偿,有效提高了煤矿供电系统的电能质量。
参考文献:
[1] 黄炳义,孟红秀,李立君.煤矿提升机电气控制系统的技术改造[J].煤矿机械,2013,34(5):198-199.
[2] 张学松.煤矿电能质量分析与控制[J].工矿自动化,2009,35(9):68-70.
[3] 王清亮,姚苗.煤矿电能质量综合量化评价研究[J].工矿自动化,2015,41(2):42-46.
[4] 郑飞扬,席世友,欧阳沙,等.母线系统变化对10 kV并联电容器分闸操作影响机理的研究[J].高压电器,2016,52(3):165-170.
[5] 胡彪,邰能灵,钱立俊,等.含冲击负荷的配电网动态无功补偿[J].水电能源科学,2015,33(1):186-189.
[6] 何健,丁晓群,陈光宇,等.基于DFIG与SVC的风电场无功电压协调控制策略[J].电力建设,2015(5):1-6.
[7] 刘晓军,杨冬锋,高磊.一类多静止无功补偿器阻尼控制器间的交互影响机理[J].电网技术,2016,40(2):534-540.
[8] 付文秀,范春菊.SVG在双馈风力发电系统电压无功控制中的应用[J].电力系统保护与控制,2015,43(3):61-68.
[9] 陈丽兵,史丽萍,杨晓冬,等.煤矿井下低压SVG几个关键问题[J].煤炭学报,2015,39(增刊2):596-602.
GUO Songmei
(Department of Automobile and Information Engineering, Chongqing Energy College,Chongqing 401321, China)
Abstract:For problems of harmonics pollution and voltage fluctuation existed in power quality of coal mine, a power quality comprehensive treatment method based on SVG for coal mine was proposed. The method uses orthogonal transformations theory to realize direct control of active and reactive current, can improve precision of dynamic reactive power compensation, and can suppress influence of grid frequency fluctuation. The simulation results show that the proposed comprehensive treatment method can suppress harmonics caused by nonlinear loads, which improves the comprehensive power quality of coal mine power grid.
Key words:coal mine; power quality; orthogonal transformations; direct current control; SVG; comprehensive treatment
文章编号:1671-251X(2016)09-0060-05 DOI:10.13272/j.issn.1671-251x.2016.09.014
收稿日期:2016-07-01;
修回日期:2016-07-29;责任编辑:张强。
基金项目:重庆市高等职业院校专业提升能力项目(590207)。
作者简介:郭松梅(1976-),女,湖北英山人,讲师,硕士,研究方向为电气工程及其自动化,E-mail:guosongmei_1@126.com。
中图分类号:TD608
文献标志码:A 网络出版时间:2016-09-02 10:17
郭松梅.煤矿电能质量综合治理研究[J].工矿自动化,2016,42(9):60-64.