房绪鹏, 庄见伟, 李辉
(山东科技大学 电气与自动化工程学院, 山东 青岛 266590)
摘要:针对传统Buck-Boost变换器存在的输出电压有限、稳定性较差、增益较低等问题,设计了一种采用Z源网络连接直流输入电源和负载的新型双向DC-DC变换器,分析了该新型变换器在功率正向传输和功率反向传输时的工作过程。实验结果表明,该新型变换器能够实现功率双向传输,且在2种功率传输模式下都能实现升压、降压功能;与传统Buck-Boost变换器相比,该新型变换器输出电压更稳定,电压增益较高。
关键词:蓄电池机车; 双向DC-DC变换器; 功率双向传输; Z源网络
网络出版地址:http://www.cnki.net/kcms/detail/32.1627.TP.20160902.1015.012.html
当今科学技术日益发展,直流电源系统发展迅速,在各种场合中的应用越来越普遍,要求也越来越高[1]。如何设计开发出更小体积、更低成本、更高性能的DC-DC变换器,是当今电源技术研究的主题。
传统的Buck-Boost变换器实际输出电压有限,稳定性较差,电压增益较低,安全性、可靠性较低,制约了其发展。本文提出一种新型双向DC-DC变换器,与传统的单向Buck-Boost变换器相比,其可在一个电路拓扑结构中完成能量双向流动,现场操作方便,减小了部件体积,节省了造价,提升了能量转换率[2-3]。该新型双向DC-DC变换器设置了独特的Z源网络,具有变压精度高、抗电磁干扰能力强、输出电压稳定性强等优势,且具有很高的可靠性和安全性,可避免MOSFET功率开关共态导通或共态关断时损坏电力电子器件。
蓄电池机车是煤矿井下的主要动力设备,负责人员、物料运输。蓄电池机车一般由车载550 V蓄电池供电。电源经逆变器、高频变压器和整流装置降压后,可为机车上的24 V低压用电设备,如照明、电笛、通信、综合检测保护装置及其他控制设备提供电能[4]。当机车停电或发生故障时,低压用电设备也会断电,给井下生产造成不便。为了避免该种情况,在蓄电池机车中加入新型双向DC-DC变换器,如图1所示。该DC-DC变换器正向工作时,将低压用电设备两端的直流电源降压为适用于12 V蓄电池两端充电的电压;当机车停电或发生故障时,12 V蓄电池放电,经DC-DC变换器升压后为24 V低压用电设备供电。这使得低压用电设备供电不间断,即使出现异常情况也能正常工作。

图1 井下蓄电池机车供电结构
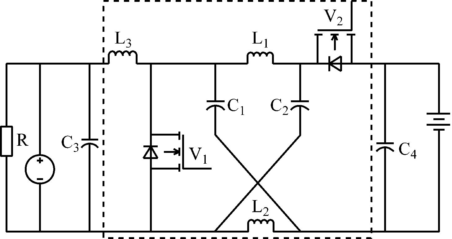
新型双向DC-DC变换器在输入直流电源和负载之间采用Z源网络进行连接[5],如图2所示,其中虚线框内为双向DC-DC变换器拓扑结构。该新型双向DC-DC变换器输入可为任意类型直流电源,输出采用蓄电池组储能,功率正向传输时可给蓄电池组充电,功率反向传输时蓄电池组可为直流负载提供电能。图2中Z源网络是由2个相同电感(L1,L2)和2个相同电容(C1,C2)组成的X形网络,双向电力电子开关(V1,V2)采用MOSFET或IGBT/Diode开关器件。

图2 新型双向DC-DC变换器拓扑结构
2.1 功率正向传输时变换器工作过程
由于L1,L2具有相等的电感量,C1,C2具有相等的电容量,所以Z源网络对称。由电路的等效性和对称性得[6]

(1)
式中:UL1,UL2,UC1,UC2分别为开关V1导通时L1,L2,C1,C2两端电压;
分别为开关V2导通时L1,L2,C1,C2两端电压。
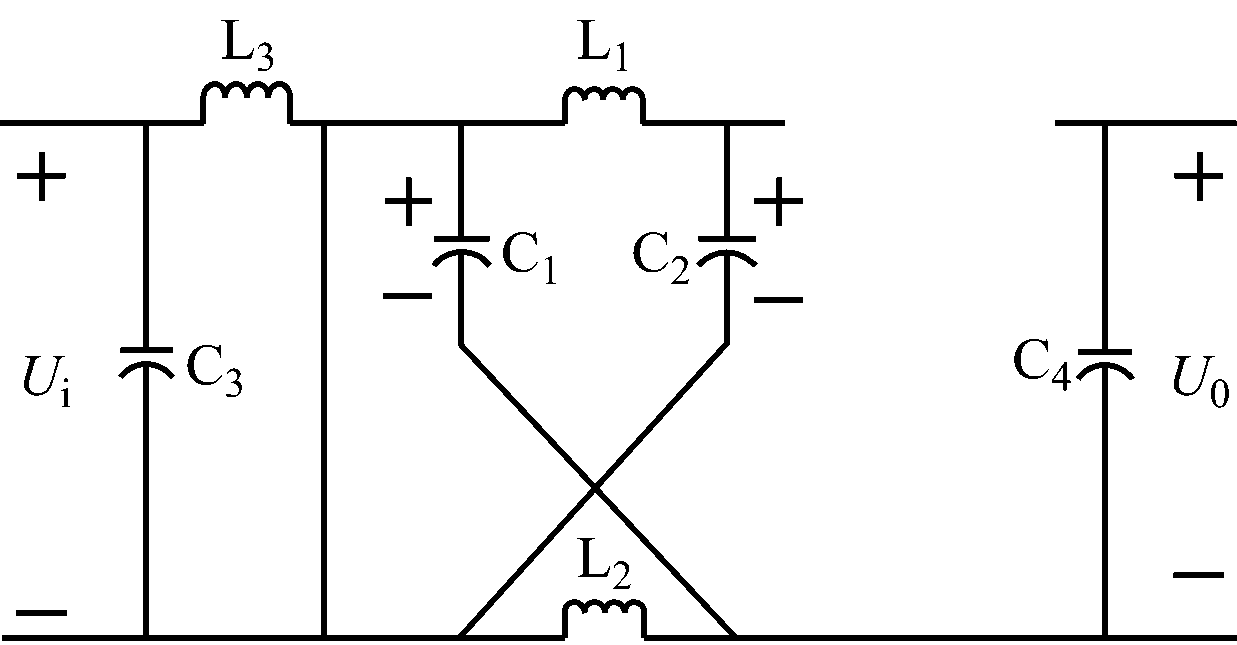
当功率正向传输时,变换器拓扑结构左端输入为直流电源,为低压用电设备R供电;右端输出为蓄电池充电。V1,V2采取互补导通方式,有2种工作模式。
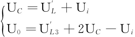
工作模式1:任意直流电源向电感L3充电,L1,L2对C1,C2供电,C4向蓄电池充电,等效电路如图3(a)所示。设在1个开关周期T内,V1导通的时间为DT(D为V1的占空比),则
(2)
式中:Ui为输入电压;UL3为V1导通时L3两端电压。

(a) 工作模式1

(b) 工作模式2
图3 功率正向传输时新型双向DC-DC变换器等效电路
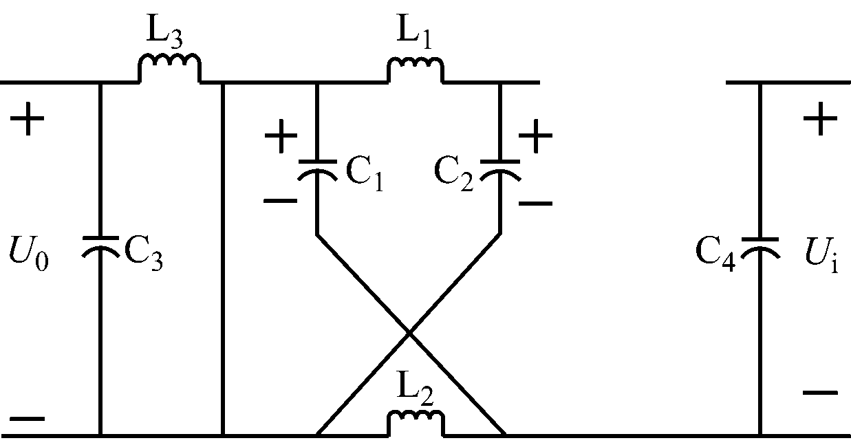
工作模式2:任意直流电源向L1,L2充电,C1,C2放电,直流电源协助Z源网络向C4和蓄电池充电,等效电路如图3(b)所示。设在1个开关周期T内,V2导通的时间为(1-D)T,则
(3)
式中:U0为输出电压;
为V2导通时L3两端电压。
根据稳态电感磁通守恒定律,1个开关周期内,L1的平均电压为0,则
(4)
式中
L1为L1两端平均电压。
将式(1)—式(3)代入式(4),得
(5)
即
(6)
1个开关周期内,L3的平均电压也为0,则
(7)
式中
L3为L3两端平均电压。
将式(2)—式(6)代入式(7),得
(8)
即
(9)
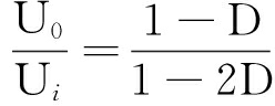
因此功率正向传输时,电压增益
。
2.2 功率反向传输时变换器工作过程
对于对称的Z源网络,当功率反向传输时,右端输入为蓄电池放电,左端输出为低压用电设备R供电。V1,V2采取互补导通方式,有2种工作模式。
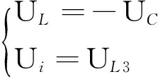
工作模式3:蓄电池与Z源网络隔离,C1,C2向L1,L2提供能量,L3给C4和直流负载供能,等效电路如图4(a)所示。设在1个开关周期T内,V1导通时间为DT,则
(10)
工作模式4:蓄电池向C1,C2充电,L1,L2放电,蓄电池协助Z源网络中的L1和L2向C4及低压用电设备R供能,等效电路如图4(b)所示。在1个开关周期T内, V2导通时间为(1-D)T,则
(11)
将式(1)、式(10)、式(11)代入式(4),得
(12)

(a) 工作模式3

(b) 工作模式4
图4 功率反向传输时新型双向DC-DC变换器等效电路
即
(13)
将式(1)、式(10)、式(13)代入式(7),得
(14)
即
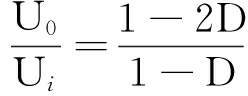
(15)
因此功率反向传输时,电压增益
。
从电压增益、开关电压应力2个方面对传统Buck-Boost变换器和新型双向DC-DC变换器进行比较。
3.1 电压增益
根据传统Buck-Boost变换器和新型双向DC-DC变换器的电压增益公式,采用Matlab/Figure软件绘制2种变换器电压增益曲线,如图5所示。可看出0<D<0.6情况下,新型双向DC-DC变换器功率反向传输时理论上可实现无限大的输出电压,且具有相同占空比条件下,其电压增益大于传统Buck-Boost变换器,满足高电压输出需求;当具有相同电压增益时,其开关导通时间较短,有利于功率开关器件散热[7]。
3.2 开关电压应力
具有相同输入、输出电压,相同负载的2种电路拓扑结构,其功率开关器件承受的电压应力也会有所不同[7]。假设新型双向DC-DC变换器及传统Buck-Boost变换器的输入电压为Ui,输出电压为U0,通过计算可得2种变压器功率开关器件的电压应力,见表1。

图5 2种变换器电压增益曲线
表1 2种变换器功率开关器件的电压应力比较

由于传统Buck-Boost变换器输出与电源极性相反的电压,而新型双向DC-DC变换器电源极性与输出电压极性相同,根据表1数据可知,新型双向DC-DC变换器具有较小的开关电压应力,可减小开关器件的发热程度,提高开关器件的使用寿命。
为了验证理论分析的正确性,根据图1和传统Buck-Boost变换器拓扑结构构建了2套样机,在CCM工作模式下进行了开环实验[8]。样机采用FDA59N30型MOSFET开关器件、KS130125A/6A型铁硅铝磁环电感,其余元器件参数见表2。样机输入信号采用PWM控制策略,通过TMS320F2812开发板产生互补的控制信号,控制MOSFET开关器件的导通与关断来实现升、降压,通过调节占空比可得任意所需的输出电压。
表2 样机元器件参数

新型双向DC-DC变换器功率正向传输时,向12 V蓄电池充电,交流电源220 V由20 V变压器经整流滤波后得到直流电源Ui=24 V,调节PWM信号,使占空比D=25%,降压后即得到适于为蓄电池充电的电压。对于传统的Buck-Boost变换器,输入电压Ui=24 V时,采用1路PWM信号,调节占空比D=40%,即可得到与功率正向传输时相同大小的输出电压,但输出电压与电源极性相反,实验波形如图6所示。

图6 蓄电池两端电压波形
从图6可看出,在具有相同大小的输入、输出电压,相同负载条件下,与传统Buck-Boost变换器相比,新型双向DC-DC变换器输出电压毛刺较少,稳定性较强,电压质量较高。
新型双向DC-DC变换器功率反向传输时,蓄电池放电,用数字万用表测得蓄电池两端输出电压U0=13.8 V,调节占空比D=30%,经新型双向DC-DC变换器升压后即得到适用于负载工作的电压,实验波形如图7所示。

图7 新型双向DC-DC变换器功率反向传输时负载两端电压波形
从图6、图7可看出,新型双向DC-DC变换器可以实现功率的双向传输,且能得到系统工作要求的输出电压,完成了功率转换。受开关管内阻等因素影响,新型双向DC-DC变换器输出电压与理论值存在一定误差,但误差在允许范围内,验证了理论分析的正确性。
分析了新型双向DC-DC变换器2个功率传输方向的工作原理,构建了实验样机。实验结果表明,该新型双向DC-DC变换器与传统Buck-Boost变换器相比,具有较高的电压增益,输出电压更稳定,可实现功率双向传输,且每一功率传输方向均能实现升压、降压。
参考文献:
[1] 彭方正, 房绪鹏, 顾斌,等.Z源变换器[J].电工技术学报, 2004, 19(2):47-51.
[2] FANG X, JI X. Bidirectional power flow Z-source dc-dc converter[C]// IEEE Vehicle Power and Propulsion Conference, Beijing, 2008:1-5.
[3] COSTINETT D J. Analysis and design of high efficiency, high conversion ratio, DC-DC power converters[D]. Michigan: Michigan Technological University, 2013.
[4] 梁喆, 欧阳名三.基于SG3525矿用直流变换器控制电路的设计[J].电源技术, 2012, 36(2):245-247.
[5] PHAM C T, SHEN A, DZUNG P Q, et al. A comparison of control methods for Z-Source inverter[J]. Energy and Power Engineering, 2012, 4(4):187-195.
[6] 王利民, 钱照明, 彭方正.Z源升压变换器[J].电气传动, 2006, 36(1):28-29.
[7] 王利民,钱照明,彭方正.Z源直流变换器[J].电气应用,2005,24(2):123-124.
[8] 张杰, 葛静, 吴朋.Z源直流变换器电感电流断续工作模式分析[J].湖北工业大学学报, 2010, 25(5):7-10.
FANG Xupeng, ZHUANG Jianwei, LI Hui
(College of Electrical Engineering and Automation, Shandong University of Science andTechnology, Qingdao 266590, China)
Abstract:For shortages of traditional Buck-Boost converters such as limited output voltage, poor stability, low voltage gain and so on, a novel bidirectional DC-DC converter was designed which used Z-source network to connect DC input power and load. Working process of the novel converter was analyzed during power forward transmission and power reversed transmission. The experimental results show that the novel converter not only realizes bidirectional power transmission, but also realizes voltage lifting and falling under power forward transmission mode or the reversed one. In addition, the novel converter has more stable output voltage and higher voltage gain than traditional Buck-Boost converter.
Key words:locomotive driven by storage battery; bidirectional DC-DC converter; bidirectional power transmission; Z-source network
文章编号:1671-251X(2016)09-0052-05 DOI:10.13272/j.issn.1671-251x.2016.09.012
收稿日期:2016-01-03;
修回日期:2016-07-20;责任编辑:李明。
基金项目:中国博士后科学基金资助项目(20090461254)。
作者简介:房绪鹏(1971-),男,山东汶上人,副教授,博士,研究方向为阻抗源变流器及其应用、现代电力电子技术在电气传动和新兴能源利用方面的应用等,E-mail:xpfang69@163.com。
中图分类号:TD611
文献标志码:A 网络出版时间:2016-09-02 10:15
房绪鹏,庄见伟,李辉.一种新型双向DC-DC变换器[J].工矿自动化,2016,42(9):52-56.