经验交流
汪学明1,2
(1.中煤科工集团常州研究院有限公司,江苏 常州 213015;2.天地(常州)自动化股份有限公司,江苏 常州 213015)
摘要:为了提高电动阀门控制器的智能化水平,设计了一种新型矿用部分回转电动阀门控制器。该控制器采用绝对数字编码技术实现高精度阀门位置检测,采用电流检测实现高可靠的电动机过力矩保护功能,与传统的矿用阀门控制器相比,接口和控制方式更加灵活,智能化程度更高。
关键词:阀门控制器; 部分回转; 位置检测; 绝对数字编码技术
网络出版地址:http://www.cnki.net/kcms/detail/32.1627.TP.20160803.1008.018.html
矿用部分回转阀门电动装置广泛应用于矿井水泵自动化、矿井水处理系统等,其可配套球阀、蝶阀使用。电动阀门是矿用现代控制系统中尤为重要的调节执行机构[1],阀门控制器是电动阀门的电动执行机构,随着井下少人化和无人化的发展,对电动阀门控制器的智能化也提出了更高要求。本文介绍了一种新型矿用部分回转电动阀门控制器的硬件和软件设计,提高了阀门电动装置的数字化与智能化水平[2]。
矿用部分回转电动阀门控制器是矿用阀门电动装置中的核心控制部分,主要作用是阀门位置检测、过力矩保护、开度显示、信号输入与输出、数字通信和电动机驱动等。矿用阀门电动装置包括阀门控制器、机械传动机构、直流电动机和手动控制装置等,如图1所示。
矿用部分回转电动阀门控制器硬件电路主要由电源电路、微处理器及外围电路、红外遥控电路、看门狗与数据存储电路、电动机驱动电路、开度显示电路、RS485数字总线通信电路、阀门位置检测电路和输入输出接口电路等组成,如图2所示。

图1 矿用阀门电动装置总体框图

图2 矿用部分回转电动阀门控制器硬件结构
2.1 核心处理器选型
微处理器模块选择C8051F310单片机,其具有与8051兼容的高速CIP-51内核[3],与 MCS-51指令集完全兼容,片内集成了数据采集和控制系统中常用的模拟、数字外设及其他功能部件,内置16 kB FLASH程序存储器(可用于非易失性数据存储)、2 kB内部RAM,具有片内调试电路,通过调试接口可以进行非侵入式、全速在线系统调试。
2.2 电源电路
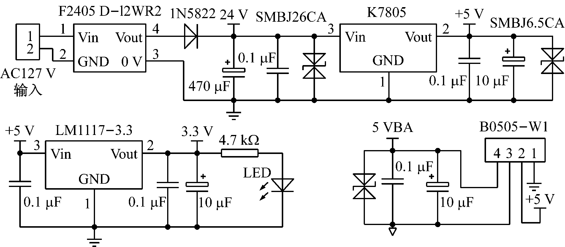
控制器电源电路如图3所示。输入电源为AC127 V,采用AC/DC隔离电源模块将交流127 V转换为DC24 V电压,再通过K7805将DC24 V转换为DC5 V,通过LM1117-3.3稳压芯片将DC5 V转换为DC3.3 V,DC/DC电源模块B0505-W1给RS485电路部分提供隔离的直流5 V电源。

图3 控制器电源电路
2.3 阀门位置检测电路
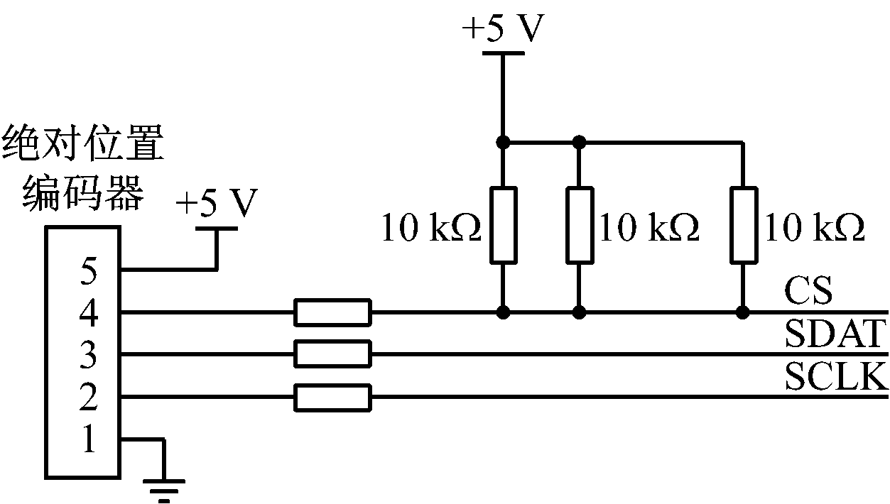
阀门位置检测采用单圈式绝对型旋转位置编码器[4],因其每一个位置绝对唯一、抗干扰、无需掉电记忆,已经越来越广泛地应用于各种工业系统中的角度、长度测量和定位控制。旋转单圈绝对式编码器在转动中测量码盘各道刻线,以获取唯一的编码,当转动超过360°时,编码又回到原点。采用绝对编码器的阀门定位可靠性、准确度更高。本文设计的阀门控制器选用12位单圈绝对位置编码器,通信采用SPI数字总线,由于C8051F310单片机采用3.3 V供电,而绝对位置编码器采用5 V电源供电,所以设计时单片机I/O口配置为开漏方式,通过外部上拉电阻实现电平转换。阀门位置检测电路如图4所示。

图4 阀门位置检测电路
2.4 直流电动机驱动电路
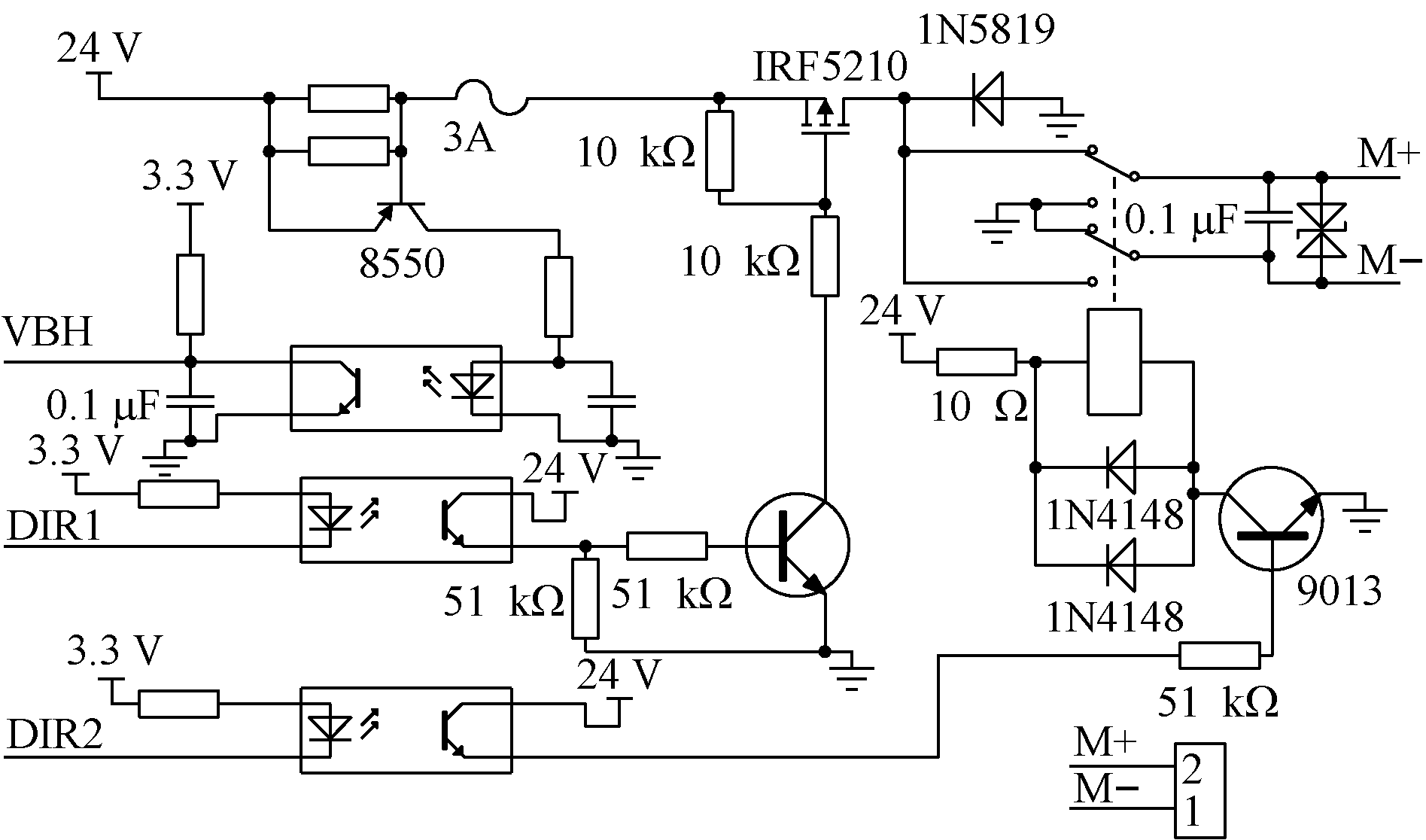
直流电动机驱动电路选用工作电源为DC24 V、额定转速为2 800 r/min的直流永磁电动机,为实现阀体开闭功能,电动机驱动部分要求具有正转与反转控制功能,并通过过流检测保护电路实现电动机过载保护功能。直流电动机驱动电路如图5所示,其中DIR1实现电动机开关控制,DIR2实现电动机正转和反转控制,VBH实现过流保护检测。

图5 直流电动机驱动电路
2.5 输入与输出接口电路
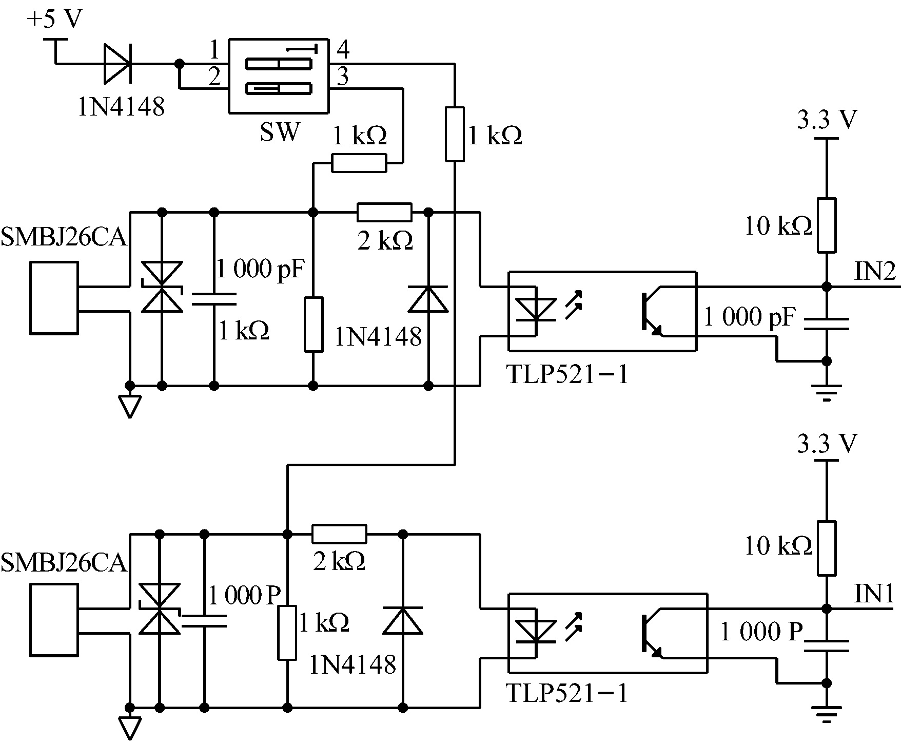
阀门控制器具有2路远程开关量输入接口,分别为阀门开和阀门关控制,该2路接口采用无源节点输入设计,兼容高低电平式控制方式。电路中通过隔离光耦TLP521-1将阀门控制信号转换为单片机可识别的高低电平信号,实现阀门开关控制信号的输入检测。阀门控制器具有2路无源节点输出接口,输出部分采用MOS继电器AQW214作为节点输出驱动芯片,当阀门打开时,第1路继电器闭合,当阀门关闭时,第2路继电器闭合。阀门控制器输入、输出接口电路分别如图6、图7所示。

图6 阀门控制器输入接口电路

图7 阀门控制器输出接口电路
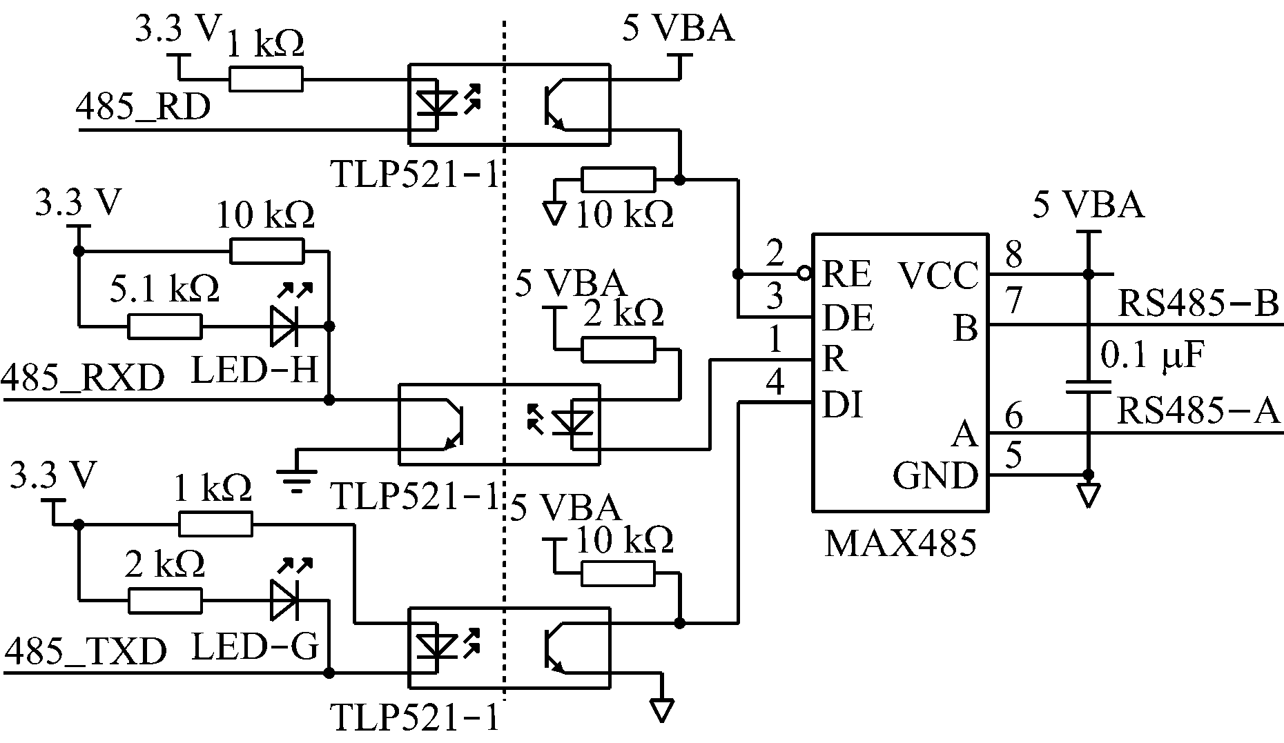
2.6 RS485数字总线通信电路
阀门控制器含有1路RS485数字总线通信电路,如图8所示。该电路采用光耦实现电气隔离和电平转换,通过RS485总线实现阀门的远程打开和关闭控制,还可实时读取当前阀门的开度值等参数。

图8 RS485数字总线通信电路
阀门控制器上电后首先进行初始化,包括系统时钟初始化、输入/输出初始化、串口初始化、SPI总线初始化和RS485总线初始化、红外遥控器接收功能初始化等。接着从单片机内部FLASH存储器中读出已存储的配置信息,如阀门绝对位置标校参数、通信地址、控制方式等参数。准备工作完成后,在数码管上依次显示产品型号、软件版本号和通信地址等参数,最后显示实时阀门开度状态或开度值。单片机根据输入接口或RS485总线实时接收到的各输入控制信号,将控制信号输出至阀门驱动电路,通过电动机实现阀体的打开和关闭。电动阀门控制器主要程序流程如图9所示。

图9 电动阀门控制器主要程序流程
新型矿用部分回转电动阀门控制器采用智能化设计,实现了电动阀门的开度数字式显示功能及非侵入式免开盖红外遥控参数配置;采用绝对数字编码技术取代传统的微动开关实现高精度的阀门位置检测,采用电流检测实现高可靠的电动机过力矩保护功能,具有RS485数字总线通信接口,可实现电动阀门的远程控制;与传统的矿用阀门控制器相比,接口和控制方式更加灵活,智能化程度更高,操作更简单。
参考文献:
[1] 谢有祥.电动阀门的智能化及其发展现状[J].电子技术与软件工程,2014(11):251.
[2] 黄明亚,项美根,王庆宪.智能型阀门电动装置相关标准规定的分析与研究[J].阀门,2014(3):27-29.
[3] 杨小凤.矿用防爆无轨胶轮车数据采集装置设计[J].工矿自动化,2014,40(2):102-104.
[4] 汤占峰,余于仿,徐丹,等.基于行星齿轮传动和绝对编码器的阀门电动装置设计[J].机电工程技术,2012,41(4):62-65.
文章编号:1671-251X(2016)08-0074-03
DOI:10.13272/j.issn.1671-251x.2016.08.018
收稿日期:2016-03-21;修回日期:2016-06-22;责任编辑:胡娴。
基金项目:中煤科工集团常州研究院所研项目(15SY002-01)。
作者简介:汪学明(1983-),男,安徽太湖人,工程师,主要从事煤矿监测、监控产品的研发工作,E-mail:wang83@126.com。
中图分类号:TD679
文献标志码:A 网络出版时间:2016-08-03 10:08
WANG Xueming1,2
(1.CCTEG Changzhou Research Institute, Changzhou 213015, China;2.Tiandi(Changzhou) Automation Co.,Ltd., Changzhou 213015, China)
Abstract:In order to improve intelligent level of electric valve controller, a new mine-used part-turn electric valve controller was designed. The controller uses absolute digital encoding technology to achieve high precision valve position detection, and uses current detection to achieve highly reliable function of over-torque protection of motor. Compared to conventional mine-used valve controller, the interface and control mode of the new controller are more flexible and intelligent level is higher.
Key words:valve controller; part-turn; position detection; absolute digital encoding technology
汪学明.一种新型矿用部分回转电动阀门控制器设计[J].工矿自动化,2016,42(8):74-76.