蒋志浩1, 于群1, 董骊2
(1.山东科技大学 电气与自动化工程学院, 山东 青岛 266590;2.福建工程学院 信息科学与工程学院, 福建 福州 350118)
摘要:为能够根据断路器状态监测数据准确诊断断路器故障,提出了一种基于改进动态时间规整算法的故障诊断方法。该方法将Sakoe-Chiba窗与传统动态时间规整算法相结合,以分合闸线圈电流为分析对象,从中提取断路器分合闸机构中的潜在故障信息,为断路器状态检修提供依据。设计了断路器分合闸线圈电流采集电路,并通过实际电流信号采样分析验证了所提方法的有效性。
关键词:断路器; 故障诊断; 动态时间规整; Sakoe-Chiba窗
网络出版地址:http://www.cnki.net/kcms/detail/32.1627.TP.20160803.1005.013.html
在电力系统中,高压断路器是极其重要的主设备之一。为保障高压断路器可靠运行,断路器状态监测技术越来越得到重视,同时也对断路器的故障诊断方法提出了更高的要求。根据国家电网公司2004年统计数据,275 373台7.2~550 kV高压断路器共故障392次,其中拒动故障占到了总数的23%[1]。分合闸线圈是启动断路器分闸和合闸动作的关键机构,分合闸线圈出现故障极易引起断路器发生拒动或误动,从而导致重大安全事故。实现断路器分合闸线圈故障诊断是保证断路器可靠运行的重要手段。本文提出了一种基于改进的动态时间规整(Dynamic Time Warping,DTW)算法的断路器故障诊断方法。
断路器分合闸线圈故障诊断的主要任务是采集线圈电流,从中获得分合闸机构的故障信息。参考文献[2]采用BP神经网络和小波方法从测得的线圈电流信号中找到畸变点,进而推断故障点。参考文献[3]利用粗糙集-支持向量机的故障诊断策略,该诊断过程需要进行较复杂的训练样本提取。以上2种方法在断路器故障诊断中应用较多,但计算过程复杂,处理结果不够直观。
典型分合闸线圈电流波形如图1所示。参考文献[4]对图1所示的电流波形各个时刻对应分合闸线圈的状态进行了详细分析,并使用小波分析结合动态时间规整算法进行诊断故障。该故障诊断方法合理,但是其分析对象不符合分合闸线圈的实际电流波形。

图1 典型的分合闸线圈电流波形
在实际运行中,断路器驱动电源大多是由50 Hz交流电经桥式电路整流而来,整流后的电流幅值往往不恒定,而是以类似正弦半波周期性变化。ZN63A(VS1)型12 kV户内高压真空断路器正常动作时的分闸线圈电流波形如图2所示,很明显针对该波形不适合用参考文献[4]中的方法进行故障分析。本文介绍了添加Sakoe-Chiba窗的动态时间规整算法,并提出了基于该算法的断路器故障诊断方法,该方法不需要提取临界点即可进行故障诊断。

图2 实际运行的断路器分闸线圈电流波形
DTW算法来源于动态规划的思想,它的目标是构造代价矩阵,通过特定的约束条件找出2个时间序列曲线间的最优路径[5]。该算法能很好地处理动态过程,具有计算速度快、结果直观的优点。
假设有2组由时间序列描述的特征R和T,其中R作为参考时间序列,长度为m,如式(1)所示;T作为测试时间序列,长度为n,如式(2)所示。
(1)
(2)
构造一个m×n阶的代价矩阵D,矩阵元素D(i,j)为ri和tj的欧氏距离,即
(3)
从代价矩阵中找到一个使元素间累计距离最小的路径,以达到2组序列的最佳匹配。R与T之间的规整路径f的累计代价函数可表示为Df(R,T),它是关于局部代价度量D(·)的加权和,即
(4)
式中:Q为所有规整路径的个数;riq,tjq分别为第q条规整路径对应的参考时间序列R和测试时间序列T中的元素。
R与T之间的最优规整路径f*就是累计代价函数取得最小值时的路径,于是DTW距离度量公式为
(5)
最优规整路径f*可以通过以下递归公式得到,代价矩阵第1行的元素为
(6)
代价矩阵第1列的元素为
(7)
代价矩阵中除第1行和第1列外的其他元素为
(8)
按照正向计算与反向寻优的原则,从点(1,1)到点(m,n)计算累计代价矩阵,从点(m,n)到点(1,1)寻找最优规整路径[6]。最后以测试时间序列为x轴,参考时间序列为y轴建立坐标系。若测试数据正常,最优规整路径表现为近似45°的直线;若测试数据异常,最优规整路径会出现明显的偏移,向上偏移表示测试时间序列有超前量,向下偏移表示有滞后量,当出现与纵轴垂直的部分时,表示出现多余的折点。
虽然DTW算法可以通过非线性对齐来计算2组时间序列元素之间的相似度,但是在某些情况下,DTW算法会将一个时间序列上的一点映射到另一条时间序列上相隔时间较长的区间,这就造成了病态规整[5]。为避免发生病态规整,需要对规整路径添加约束条件。由于好的规整路径都分布在代价矩阵对角线周围,可以在对角线两侧设置边界,使路径只在这一窗口中移动,这样还可达到减少计算量的目的。
最常用的全局约束条件是添加Sakoe-Chiba窗和Itakura平行四边形窗,如图3所示。参考文献[7]采用Itakura窗作为约束条件,但在实际应用中发现Itakura平行四边形窗对路径起点和终点的搜索路径过窄,容易造成起点和终点路径规整不准确。而Sakoe-Chiba窗在全局都可实现等宽度搜索,其搜索路径更加合理。本文采用Sakoe-Chiba窗作为约束条件,不仅避免了病态规整,而且减少了计算量和数据存储空间。


(a) Sakoe-Chiba窗 (b) Itakura平行四边形窗
图3 全局约束限制规整路径的范围
Sakoe-Chiba窗的约束条件为
(9)
h是约束边界在y方向上离对角线的高度,也是约束边界在x方向上离对角线的宽度。根据多次测试情况得出,将Sakoe-Chiba窗的边界宽度设置为10即可包括所有的偏移路径。Sakoe-Chiba窗的参数方程为
(10)
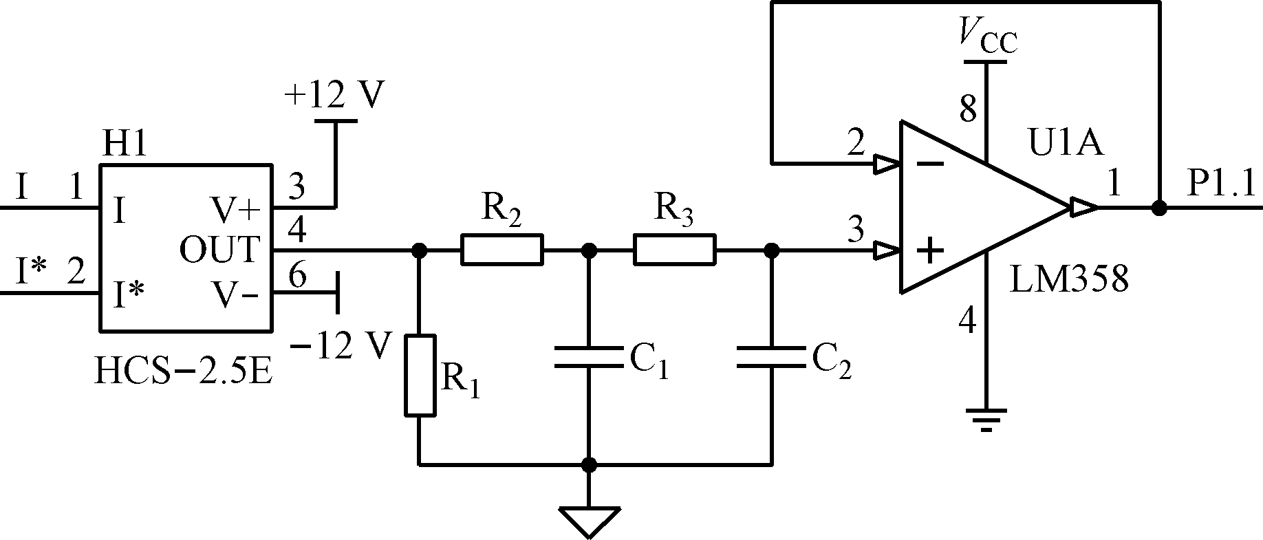
高压断路器分合闸线圈一般都采用直流电磁铁[8]。本文采用HCS-2.5E闭环霍尔电流传感器采集分合闸线圈电流信号。该型传感器具有精度高、线性度好、反应速度快、性价比高的特点,额定输入2.5 A时的额定输出为25 mA,测量范围为0~3.6 A。该电流传感器不仅可将大电流变成小电流,还可实现线圈电流和电路板电信号的隔离,提高了测试电路的抗干扰能力。分合闸线圈电流采集电路如图4所示。传感器输出的电流信号经电阻R1后转换为ADC可以处理的电压信号。R2、R3,C1、C2,以及LM358组成了二阶有源滤波电路,用于消除高频干扰。

图4 分合闸线圈电流采集电路
使用所设计的分合闸线圈采集电路对ZN63A(VS1)型12 kV户内高压真空断路器的分闸线圈电流信号进行采集。断路器正常动作的分闸线圈电流波形如图5所示,分闸线圈铁芯运动空行程变长的电流波形(简称故障波形1)如图6所示,铁芯卡滞的电流波形(简称故障波形2)如图7所示。

图5 线圈电流正常波形

图6 故障波形1

图7 故障波形2
采用添加Sakoe-Chiba窗的DTW算法对故障波形1进行诊断,结果如图8所示。由图8可得,故障波形1在20~26 ms内相对正常电流波形出现明显的滞后现象,在39~46 ms内相对正常电流波形也出现明显的滞后现象。其原因是延长分闸线圈铁芯运动的空行程后,在空行程增大的时间里分闸线圈电流继续减小,而后在铁芯撞击分闸脱口器后电流再升高,致使在20~26 ms内出现故障电流滞后于正常电流的情况。因为分闸时间变长,所以分闸线圈电流被切断的时间被延后。图6所示的分闸线圈电流波形与正常电流相比,在最后多出一个小波峰,用DTW算法对故障波形进行最优规整时,显示为39~46 ms内的滞后。

图8 采用添加Sakoe-Chiba窗的DWT算法对故障波形1的诊断结果
采用添加Sakoe-Chiba窗的DTW算法对故障波形2进行诊断的结果如图9所示。在13~19 ms内,故障波形相对正常波形出现明显超前,之后基本相同。其原因为模拟铁芯卡滞故障,在铁芯卡滞时分闸线圈电流升高,卡滞结束后电流再回到正常。通过以上2个故障案例的分析可以得出,采用添加Sakoe-Chiba窗的动态时间规整算法可以准确识别断路器分合闸线圈故障。

图9 采用添加Sakoe-Chiba窗的DWT算法对故障波形2的诊断结果
使用Itakura窗的DWT算法对故障波形1重新进行诊断,结果如图10所示。在42~46 ms内,Itakura窗限制了最优规整路径,使其只能沿约束窗的边界规整,规整路径不正确,所以在断路器分合闸线圈的故障诊断中,Itakura窗在终点(或起点)的约束与Sakoe-Chiba窗相比显得不够合理。

图10 采用添加Itakura窗的DWT算法对故障波形1的诊断结果
分析和比较了目前常用的断路器故障诊断方法,提出了使用添加Sakoe-Chiba窗的动态时间规整算法诊断断路器故障的方法。对实际电流的采样分析结果表明,该方法可以准确判断断路器分合闸线圈的故障,添加Sakoe-Chiba窗作为约束条件,不仅避免了规整路径的病态扭曲,也减少了计算量。该方法也可推广到断路器其他机构的故障诊断中。
参考文献:
[1] 段传宗,鄢志平,鄢志辉.高压断路器故障检测与诊断技术[M].北京:中国电力出版社,2014.
[2] 段青.基于小波分析的低压断路器在线监测技术研究[D].镇江:江苏大学,2009.
[3] 黄新波,陶晨,刘斌.智能断路器机械特性在线监测技术和状态评估[J].高压电器,2015,51(3):129-134.
[4] 张永奎,赵智忠,冯旭,等.基于分合闸线圈电流信号的高压断路器机械故障诊断[J].高压电器,2013,49(2):37-42.
[5] 代仲君.图像到类的动态时间规整算法及其在3D手势识别中的应用[D].成都:电子科技大学,2013.
[6] 周东华,李钢,李元.数据驱动的工业过程故障诊断技术:基于主元分析与偏最小二乘的方法[M].北京:科学出版社,2011.
[7] 王振浩,杜凌艳,李国庆,等.动态时间规整算法诊断高压断路器故障[J].高电压技术,2006,32(10):36-38.
[8] 苗红霞.高压断路器故障诊断[M].北京:电子工业出版社,2011.
文章编号:1671-251X(2016)08-0052-04
DOI:10.13272/j.issn.1671-251x.2016.08.013
收稿日期:2016-03-23;修回日期:2016-06-24;责任编辑:胡娴。
作者简介:蒋志浩(1991-),男,山东泰安人,硕士研究生,主要研究方向为电力系统自动化,E-mail:jiangzhihao16@163.com。
中图分类号:TD611
文献标志码:A 网络出版时间:2016-08-03 10:05
JIANG Zhihao1, YU Qun1, DONG Li2
(1.College of Electrical Engineering and Automation, Shandong University of Science and Technology, Qingdao 266590, China; 2.School of Information Science and Engineering, Fujian University of Technology, Fuzhou 350118, China)
Abstract:In order to accurately diagnose the fault of circuit breaker according to its condition monitoring data, a fault diagnosis method of circuit breaker based on improved dynamic time warping algorithm was proposed. The method combines Sakoe-Chiba window with traditional dynamic time warping algorithm, takes opening/closing coil current as analysis object, and extracts potential fault information of the circuit breaker opening/closing mechanism, provides basis for condition maintenance of circuit breaker. Current acquisition circuit of opening/closing coil of breaker was designed, and the effectiveness of the proposed method was verified through actual current signal sampling and analysis.
Key words:circuit breaker; fault diagnosis; dynamic time warping; Sakoe-Chiba window
蒋志浩,于群,董骊.基于改进动态时间规整算法的断路器故障诊断[J].工矿自动化,2016,42(8):52-55.