实验研究
张申1,2, 张震1,2
(1.中国矿业大学 信息与电气工程学院, 江苏 徐州 221008;2.中国矿业大学 物联网(感知矿山)研究中心, 江苏 徐州 221008)
摘要:基于井下可见光通信对通信速率要求不高的特点,采用脉冲编码调制方式,设计了一种可实现移动矿灯与液压顶板LED基站之间通信的井下可见光语音传输系统。该系统采用TP3067芯片对语音信号进行脉冲编码,将编码信号叠加直流信号来驱动LED器件,接收端对接收的编码信号进行光电检测和放大处理后,解码恢复出语音信号。实验结果表明,该系统在2.048 Mbit/s通信速率下,接收光功率为-9 dB·m时,系统误码率为10-83,实现了语音信号不失真传输。
关键词:井下语音传输; 可见光通信; 脉冲编码调制; 直流偏置; T型均衡器
网络出版地址:http://www.cnki.net/kcms/detail/32.1627.TP.20160803.0959.005.html
可见光通信方式提出已经有很长时间,技术成熟。其调制方式有开关键控调制(OOK)、脉冲位置调制(PPM)、差分脉冲位置调制(DPPM)及可实现高速通信的正交频分复用(OFDM)技术,通信速率可达Gbit/s[1]。上述调制方式实现较为复杂,成本相对较高。可见光通信方式用于煤矿井下具有独特优势,最重要的是不易受到外界光线的干扰。在井下,个人光通信移动终端通常为矿灯,此时通信主要分为2种:移动矿灯与液压顶板LED基站通信;移动矿灯与移动矿灯通信。对于井下环境,液压支架的宽度和支架中心距相关。目前国内外液压支架中心距大部分为1.25~1.5 m,支护高度通常为2.5~5 m, 所以固定LED基站间距离为1.25~1.75 m。由于一般工作面高3~5 m,所以矿灯与液压顶板LED基站通信的有效距离控制在
=5.075 9 m。本文采用可见光通信方式,设计了一种井下可见光语音传输系统,通过移动矿灯与液压顶板LED基站的通信,实现语音信号传输。该系统有效传输距离大于5 m,满足矿灯与液压顶板LED通信的有效距离要求。
井下可见光通信首先要求能够可靠、稳定地进行语音传输,其次能够为矿工提供照明系统,对通信速率没有过高要求。在该种情况下,综合考虑技术复杂度和成本,系统采用脉冲编码调制(PCM)方式。该方式实现成本低,方式简单,通信稳定可靠,虽然通信速率只有2.048 Mbit/s,但可以不失真地传输语音信号,在系统有效传输距离内,误码率可以得到很好的控制。
井下可见光语音传输系统原理:在井下液压顶板上布设LED基站,对于井下信号上传到井上的情况,移动矿灯对矿工的语音信号编码,并将编码信号以可见光形式传输到LED基站;LED基站将接收到的光信号转换为电信号,并将电信号通过电力线载波和环网交换机上传到井上,在井上实现信号解码与恢复。对于井上信号下传到井下的情况,先对井上模拟语音信号进行编码,编码信号经电力线载波和环网交换机传输到液压顶板LED基站;LED基站将该信号以可见光形式发送给移动矿灯,移动矿灯将接收到的光信号转换为电信号后进行解码,恢复出语音信号。
为实现系统双向通信,液压顶板LED基站与移动矿灯均包含可见光通信的上行发射电路和下行接收电路,如图1所示。对于上行发射电路,首先将模拟语音信号进行数字编码,编码后的语音信号加载到上行LED光载波上,信号通过可见光形式传递。对于下行接收电路,光电二极管首先将光信号转换为电信号,然后经信号放大和解码处理,恢复出发射端的模拟语音信号。

图1 井下可见光语音传输系统原理
井下可见光语音传输系统由语音编解码电路、LED驱动电路、光电二极管放大电路、T型网络均衡电路、功率放大电路组成,如图2所示。

图2 井下可见光语音传输系统硬件组成
2.1 LED驱动电路
LED驱动电路如图3所示。为提高LED光照强度,电路中使用直流偏置技术,将语音编码信号叠加直流电源,然后将叠加后的信号加载到LED器件上。输入的直流电压需要达到LED阵列的阈值开启电压。

图3 LED驱动电路
偏置树实现电路如图4所示。DC为驱动LED器件的直流信号;AC为语音编码后的交流信号;AC+DC为经过耦合的直流与交流的叠加输出信号;H1为磁珠,可以吸收高频尖峰干扰;C1为独石电容,用于滤除电源干扰,防止由电源产生的杂波对后续电路产生干扰;C2为电解电容,用于隔直流通交流,使交流编码信号通过;L1用于通直流阻交流,将直流电流加载到LED器件上。
2.2 光电二极管放大电路
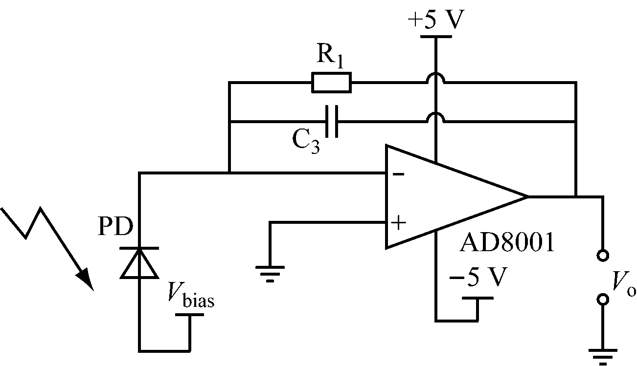
光电二极管的结构与PN结二极管类似。在偏置电压下,光电二极管产生的反向电流与光照强度成正比,反向电流微弱,需要进行放大处理。光电二极管放大电路如图5所示。该电路为跨阻放大电路,有2个方面的要求:将光电二极管的反向电流

图4 偏置树实现电路
进行放大处理;电路具有尽量高的带宽。图5中光电二极管PD选用硅基PIN光电二极管,该二极管具有结电容小、渡越时间短、灵敏度高、温度不敏感的特点[1],响应度为0.4~0.6 A/W,暗电流为1~10 nA,上升时间为0.5~1.0 ns,带宽为0.3~0.7 GHz,偏压为5 V[2]。C3可避免电路发生振荡,改变R1可调节输出电压。Vbias为光电二极管偏置电压,Vo为电路输出电压。

图5 光电二极管放大电路
2.3 T型网络均衡电路
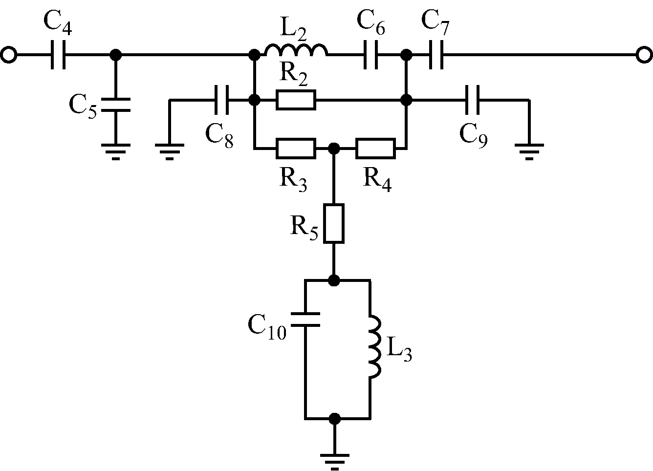
在可见光通信系统中,信道的严重不平坦特性为实现高速数据传输带来了很大障碍。为进一步提升系统容量,需要在发射端采用预均衡技术,对LED的频率特性进行补偿。预均衡技术分为硬件均衡和软件均衡2种。硬件均衡是指使用传统的模拟电路对信号衰减进行补偿;软件均衡是指基于现场可编程门阵列(FPGA)设计符合要求的有限冲激响应(FIR)滤波器,以达到均衡效果。本文采用硬件均衡技术。T型网络均衡电路如图6所示。C6,L2用于提高输入信号的高频截止频率,但会导致输入信号增益幅度产生一定的衰减;控制下行接收电路幅频响应曲线的低频增益呈上升趋势,使接收端幅频响应曲线在较大的频率范围内保持稳定。R2,R5用于改变低频的最低幅度,即低频的起始幅度。对于不同的LED及外界环境,信道响应不同,相应的硬件均衡电路设计参数也要调整。
2.4 语音编解码电路
语音编解码芯片采用TP3067。它是一款基于A律的压缩编码芯片,具有TTL或CMOS兼容的数字接口,内部集成了AD、DA转换模块,内部自动归零电路,串行I/O接口[3]。该芯片可对语音信号输出PCM编码数据,并对PCM编码数据进行解码,恢复出语音信号。TP3067有同步和非同步

图6 T型网络均衡电路
2种工作模式。同步模式是指编码输出信号的发送端和接收端采用相同的主时钟和位时钟,非同步模式采用不同的时钟信号。语音编解码电路如图7所示。该电路采用同步模式。语音信号从VFXI+引脚输入,DX引脚输出PCM编码数据,数据结构是每8位作为1帧,数据输出速率为2.048 Mbit/s。DR为PCM编码数据输入引脚,VPO+为解码语音信号输出引脚。时钟信号要求:主时钟为2.048 MHz,位时钟为8 kHz。

图7 语音编解码电路
2.5 功率放大电路
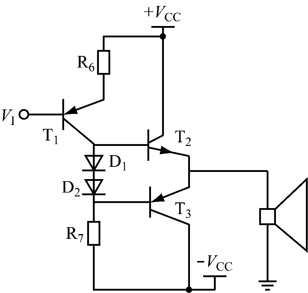
功率放大电路用于驱动接收端末端的扬声器,采用甲乙类双电源互补对称电路,如图8所示。其中VI为TP3067输出的解码信号。双极结型三极管T1组成前置放大级,双极结型三极管T2和T3组成互补输出级。静态时,D1,D2上产生的压降为T2,T3提供了一个适当的偏压,使之处于微导通状态。该电路基本上可实现线性放大。

图8 功率放大电路
系统软件主要为TP3067提供主时钟脉冲信号和位时钟脉冲信号。时钟信号由FPGA产生。系统软件在Quartus II编译环境,采用Verilog HDL硬件语言描述设计。主时钟脉冲可利用FPGA内部的锁相环实现,位时钟脉冲可通过主时钟脉冲的256分频来实现。在实际应用中,为了降低成本,可采用晶振和计数器等芯片产生时钟信号[4]。
实验主要研究系统误码率与接收光功率、数据传输速率的关系,并采用函数发生器产生正弦波来模拟语音信号,观察接收端正弦波的恢复情况,以验证系统的可行性。
4.1 误码率测试
为研究不同可见光数据传输速率下,系统误码率与光电二极管接收光功率之间的关系,搭建了误码率测试平台,测试原理如图9所示。首先对由数据发生器产生的交流数据信号加载一个直流偏置,以达到LED器件的阈值电压。调制后的交流数据信号加载到LED器件上,产生调制光信号。该信号由光电探测器接收并转换为电信号,通过放大电路后,由误码仪测试误码率。通过数据发生器可改变系统数据传输速率。

图9 系统误码率测试原理
250,500,800 Mbit/s数据传输速率下的误码率与接收光功率关系如图10所示,其中r为误码率。可看出在相同接收光功率情况下,数据传输速率越小,误码率越低;在相同的数据传输速率条件下,接收光功率越大,误码率越低。为了降低系统误码率,一方面可降低数据传输速率,另一方面可增加接收光功率。后者可通过增加发射端光功率或利用透镜的聚光作用来实现。
4.2 系统可行性测试
为了验证系统能对语音信号进行很好的传输,利用正弦信号模拟发射端的语音信号,在接收端利用示波器测试恢复出的模拟正弦信号,结果如图11所示。其中上方正弦信号为从函数发生器直接加载的正弦信号,下方正弦信号为接收端恢复出的信号,可看出波形失真度小。

图10 不同数据传输速率下误码率与接收光功率关系

图11 发射端加载的模拟信号与接收端恢复信号对比
利用语音编码芯片TP3067搭建了一个移动矿灯与液压顶板LED基站之间的井下可见光语音传输系统,传输速率为2.048 Mbit/s,在接收光功率为-9 dB·m时,系统误码率为10-83。该系统引入直流偏置技术,增加了发射端的光功率;引入T型均衡器,补偿了LED器件的频率特性。系统实现简单,传输可靠,经测试可不失真地传输语音信号。
参考文献:
[1] 刘洋,章国安.可见光通信调制方式及其性能研究[J].激光与光电子学进展,2014(9):61-67.
[2] 康华光,陈大钦,张林.电子技术基础——模拟部分[M].北京:高等教育出版社,2005.
[3] 迟楠.LED可见光通信关键器件与应用[M].北京:人民邮电出版社,2015.
[4] 何胜阳.室内可见光通信系统关键技术的研究[D].哈尔滨:哈尔滨工业大学,2013.
文章编号:1671-251X(2016)08-0017-04
DOI:10.13272/j.issn.1671-251x.2016.08.005
收稿日期:2016-03-04;修回日期:2016-06-27;责任编辑:李明。
基金项目:“十二五”国家科技支撑计划资助项目(2013BAK06B05)。
作者简介:张申(1964-),男,江苏徐州人,教授,博士,博士研究生导师,主要研究方向为感知矿山物联网。通信作者:张震(1991-),男,江苏徐州人,硕士研究生,主要研究方向为可见光通信技术,E-mail:1518769607@qq.com。
中图分类号:TD655
文献标志码:A 网络出版时间:2016-08-03 09:59
ZHANG Shen1,2, ZHANG Zhen1,2
(1.School of Information and Electrical Engineering, China University of Mining and Technology, Xuzhou 221008, China; 2.Internet of Things (Perception Mine) Research Center,China University of Mining and Technology, Xuzhou 221008, China)
Abstract:Based on low communication rate requirement of underground visible light communication, an underground voice transmission system by visible light between mobile cap-lamp and hydraulic ram LED base station was designed by use of pulse code modulation mode. In the system, voice signal is coded by TP3067, and the coded signal is added direct current signal to drive LED. The received coded signal by receiver is decoded to renew the voice signal after photoelectric detection and amplifying. The experimental results show that the system error rate is 10-83 when receiving power is -9 dB·m under system communication rate of 2.048 Mbit/s, which realizes voice transmission without distortion.
Key words:underground voice transmission; visible light communication; pulse code modulation; direct current bias; T-type equalizer
张申,张震.井下可见光语音传输系统设计[J].工矿自动化,2016,42(8):17-20.