刘禹
(天地科技股份有限公司 储装系统自动化研究院, 北京 100013)
摘要:针对现用列车抑尘剂喷洒系统存在装备安全性不高和抑尘作业质量较差的问题,设计了基于超声波空间识别的列车抑尘剂喷洒精确控制系统,并给出了系统相应的软件控制流程。该系统通过超声波检测装置对列车抑尘喷洒臂进行精确控制,能够有效避让机车,识别物料或车辆荷载状况,改善喷洒作业质量。
关键词:煤炭集运站; 定量装车; 抑尘剂喷洒; 超声波空间识别; 精确控制
网络出版地址:http://www.cnki.net/kcms/detail/32.1627.TP.20160803.0959.004.html
2015年,全国铁路煤炭发运量逾20亿t[1]。国内煤炭铁路运输以敞车为主,由于煤炭运输过程中会产生扬尘、遗洒等问题,煤炭集运站需配备抑尘剂喷洒系统以解决煤炭外运所产生的环境污染问题。
现用抑尘剂喷洒系统多采用红外传感技术作为抑尘剂喷洒自动避让钩档的检测手段,自动化程度低,不具备自动避让机车、自动识别物料等功能 [2]。红外传感器在室外使用中,受天气因素干扰大、不敏感,需经常维护,使得现用系统在使用过程中存在控制失调引发装备安全事故、控制失误引发抑尘作业质量较差等诸多问题[3],无法满足TB/T3210.2—2009《铁路煤炭运输抑尘技术条件 第2部分:喷洒装置及方法》标准的相关要求。
超声波波长短,穿透性好,指向性强,检测不受天气变化影响,在超声波测距方面的研究成果较为成熟,应用广泛[4]。为此,本文基于超声波空间测量技术,设计了列车抑尘剂喷洒精确控制系统,并给出了相应的软件控制流程。该系统通过超声波检测装置对列车煤炭抑尘喷洒臂进行精确控制,能够有效地避让机车,识别物料或车辆荷载状况,提高了避让车辆钩挡的准确性,改善了喷洒作业质量。
列车抑尘剂喷洒精确控制系统通过超声波检测装置检测列车车厢位置,并结合对列车速度的检测,由PLC自动控制相应的电动机和控制阀,完成抑尘剂的搅拌与喷洒。列车抑尘剂喷洒精确控制系统主要由超声波检测系统、智能喷洒系统、车号识别系统、磁钢测速系统、监控系统等组成,如图1所示。

图1 列车抑尘剂喷洒精确控制系统组成
超声波检测系统由超声波检测装置及相应电路组成,PLC通过超声波收发控制电路驱动超声波检测装置进行超声波的收发控制,以实现对车厢位置的检测;测温电路对超声波测量距离进行温度补偿。智能喷洒系统由制液系统、变频器、水泵、温度传感器、压力传感器、流量传感器、喷洒臂等组成。制液系统由PLC控制搅拌罐、储液罐、冲洗罐完成抑尘剂的搅拌、制液、储液,以及作业完成后的管道冲洗。智能喷洒系统通过PLC控制变频器来调节水泵的转速,使抑尘剂到达喷洒臂。以抑尘剂温度、压力、流量的检测作为智能喷洒系统的闭环反馈,为抑尘剂喷洒提供稳定的压力。车号识别系统由车辆电子标签、地面式读出装置、车站控制与车号处理系统等组成,以完成对列车的车号识别。磁钢测速系统由3个磁钢对列车速度进行测量[5]。监控系统由上位机和声光报警系统组成,上位机操作界面可显示整个抑尘剂喷洒系统运行的状况,且具有喷洒视频监控画面,通过操作各功能开关可远程监视、控制整个系统的各种运行动作。声光报警系统用于作业中出现安全事故时的报警。
2.1 超声波检测装置组成及工作原理
超声波检测装置集成了4个收发一体的空气耦合超声波换能器及相应的收发控制电路、温度补偿电路、通信电路等,如图2所示。系统通过PLC控制超声波收发控制电路驱动超声波换能器发射超声波,发射出的超声波遇到障碍物后产生反射现象,反射回的超声波被换能器接收,此时超声波收发控制电路相应的管脚被触发,超声波在空气中的传播速度为340 m/s,采用脉冲回波法进行计算,通过测量超声波发射与返回的时间可计算出检测距离。

图2 超声波检测装置组成
2.2 超声波换能器
超声波换能器是在超声频率范围内将交变的电信号转换成声信号或者将外界声场中的声信号转换成电信号的能量转换器件,由压电晶片、匹配层、密封层等组成[6]。超声波在空气中传播时,声波衰减与声波频率成正比[7]。由于作业环境含尘高、湿度大、气流脉动强,为使声波穿透率最大,系统使用的超声波换能器工作频率在50 kHz左右[8]。
超声波检测装置底部配置2个换能器,以提高对垂直方向车厢内物料测量的精度及预测钩档到来时间的准确度。水平方向配置2个换能器,前后方向各1个,前方的换能器用于防止与机车碰撞,后方的换能器用于防止在作业过程中突遇棚车造成安全事故。
2.3 超声波收发控制电路
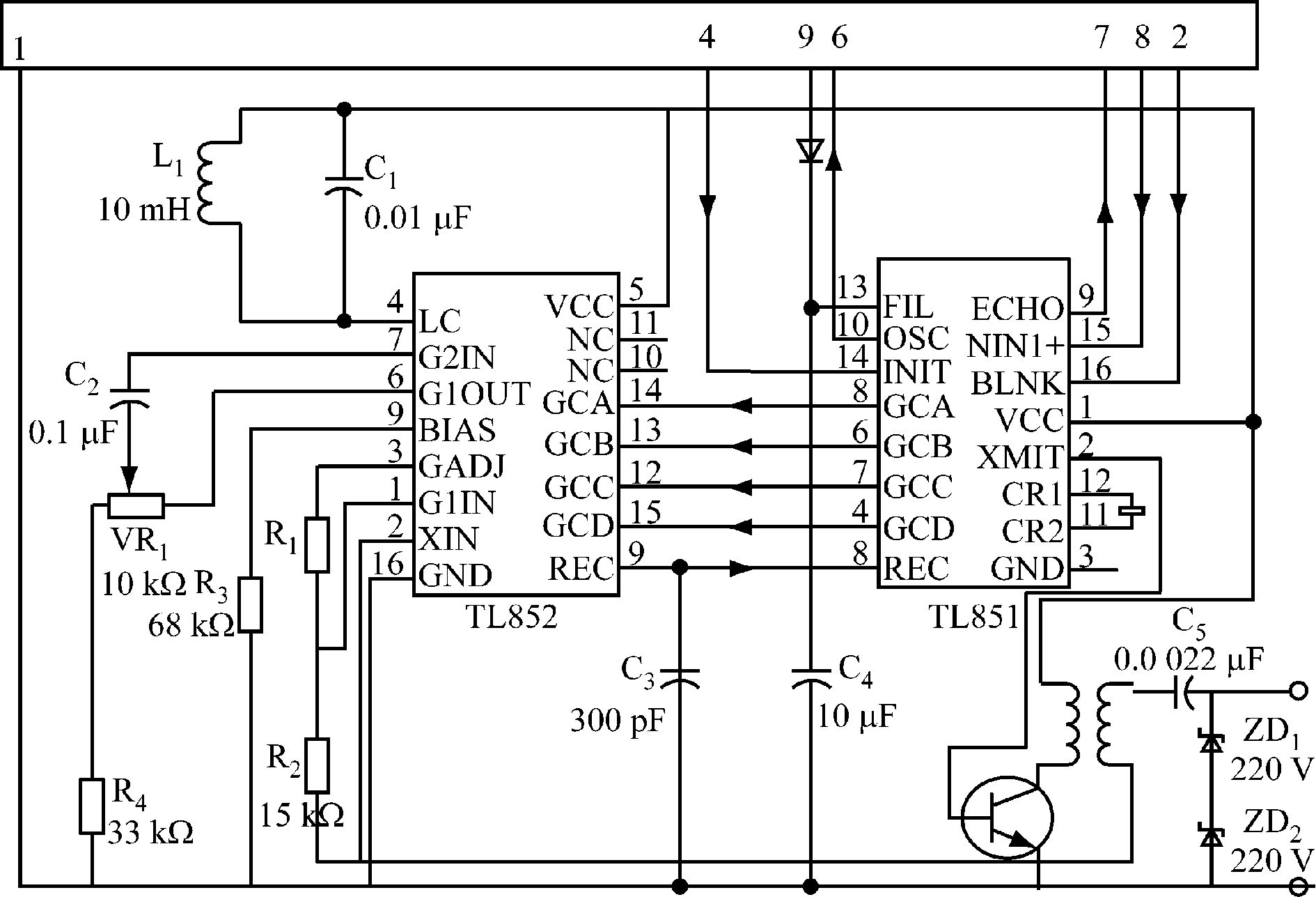
超声波收发控制电路由超声波接收芯片TL851和TL852及相关电路组成,如图3所示。超声波收发控制电路包括窄脉冲发射电路、微弱信号放大电路、信号滤波电路、限幅电路等。超声波收发控制电路可驱动换能器发射、接收超声波。INIT信号触发后,电路激发换能器发射超声波。ECHO接收信号对超声波反射进行触发捕捉。

图3 超声波收发控制电路
2.4 超声波测量及温度补偿
系统由AB1769型PLC控制超声波收发电路驱动换能器工作,PLC根据超声波收发控制电路返回的信号计算测量。PLC中的CPU 1769-L32E初始化后,将内部定时器置0,超声波触发信号INIT置0。超声波检测开始后,INIT置1,超声波换能器被激发,同时启动PLC的高速计数器开始计时,由于驱动电路在发射完固定数量的脉冲后还有一段余振,须在计时开始后2.38 ms再接收反射超声波。当超声波信号遇到被测物体时产生反射现象,CPU随时捕捉ECHO信号,信号返回后,CPU计时停止,PLC中的CPU对所测数据进行存储与处理。
由于超声波对温度有一定的相关性,计算时要考虑温度补偿。温度补偿选用PT100及相关测量电路。温度补偿电路实现对超声波测距的修正。
系统将2个超声波检测装置分别安装在抑尘剂喷洒系统的喷洒臂两侧,每个装置可单独对垂直方向和水平方向进行超声波检测。当喷洒设备开始作业后,系统控制喷洒臂转动至铁路上方,超声波检测装置同时启动,实时对水平方向进行检测。系统可以检测到混装车皮中的棚车、装载货物超过车帮的敞车、或紧随作业的机车,如图4(a)所示。通过超声波测量后车与喷洒臂的距离,在后车到达临界的安全距离后,系统自动控制电动机转动喷洒臂至初始位置。此种方式可不影响前车全部完成抑尘剂喷洒作业,且可以保证喷洒臂自动避让后车,从而避免喷洒臂与机车相撞,防止事故发生。当机车正在通过喷洒臂时,或喷洒臂自动避让机车后,超声波水平方向实时检测与转动控制形成闭锁关系,如图4(b)所示。待机车或棚车完全通过抑尘剂喷洒系统喷洒臂的旋转半径后,闭锁打开,继续作业。
(a) 超声波检测后方机车
(b) 自动闭锁避让机车
图4 超声波检测机车示意
当准备喷洒抑尘剂时,系统自动控制喷洒臂,使其旋转至车辆上方。喷洒臂就位后,超声波检测装置对车厢进行垂直方向检测,如图5所示。
![]()
图5 超声波检测物料示意
列车抑尘剂喷洒系统主要针对煤炭或者铁矿石这2种散装物料进行作业。煤炭晶体结构与铁矿石晶体结构不同,使得不同物料的装车容积不一样。通过对车厢内物料高度的判断,可有效分辨车载物料类型或者空车情况。由于煤炭定量装车系统具备自动平车功能,煤炭在车辆内的形状成明显梯形,在抑尘剂喷洒作业时,车厢匀速向前行驶,系统通过对喷洒臂两侧的超声波测距进行趋势分析及比较,可准确判断车辆喷洒位置及钩档到来时间。当左侧装置检测到车帮,右侧装置检测到空档,准备开始喷洒作业;当左侧装置检测距离突然变大,且检测距离逐渐减小,右侧装置检测到车帮,喷洒作业开始;当左右两侧超声波检测装置检测距离不变且相同,喷洒作业在车厢中部进行;当左右两侧超声波检测装置检测距离差逐渐增大,喷洒作业在车厢尾部进行,逐渐减小喷洒量至停止;当左侧装置检测到车帮时,喷洒停止。通过对理论数据与实测数据进行分析,可实现车辆钩档到来时间的预判断,提前控制喷液量,准确避让钩档,实现自动间隔喷洒。
列车抑尘剂喷洒精确控制系统软件控制流程如图6所示。

(a) 主程序

图6 列车抑尘剂喷洒精确控制系统软件控制流程
喷洒作业开始后,设备初始化,所有中断开启。中断0为超声波检测装置前方的超声波测量信号中断,测量是否有机车通过。中断1为装置后方的超声波测量信号中断,判断是否检测到混装车皮中的棚车、装载货物超过车帮的敞车、或紧随作业的机车。系统初始化后,可自动操作,也可手动操作,使喷洒臂旋转至待喷洒车厢正上方;执行磁钢测速子程序及车号识别子程序,测量列车速度及识别列车车号;开启超声波垂直方向检测以检测车厢位置,系统通过对物料类型、列车的速度和车厢位置的判断,结合专家系统比对分析、趋势分析,执行相对应的喷
洒控制程序;喷完一节车厢后,判断是否还有下一节待喷洒车厢,如不是最后一节,则继续喷洒作业,直至喷洒完最后一节车厢后,喷洒臂自动返回初始位置;PLC关闭储备罐加料阀及喷洒控制阀,打开加水阀清洗管内余液,清洗液回流到储备罐。至此,整个喷洒过程结束。通信信号将数据实时传至上位机,实现可视化操作。
针对现用抑尘剂喷洒系统存在的不足,综合运用超声波检测、计算机、变频调速和自动化控制技术,设计了基于超声波空间识别的列车抑尘剂喷洒精确控制系统,并给出了相应的软件控制流程。列车抑尘剂喷洒精确控制系统易于对现用设备进行系统升级,针对没有车号识别系统的抑尘站,可通过新增超声波检测装置有效识别物料或空车;系统可以解决现用设备作业过程中无法防止喷洒臂与机车碰撞的问题,有效减少作业中的安全隐患,提高混装车皮中煤炭抑尘剂喷洒的作业质量,降低了煤炭集运站的维护成本。
参考文献:
[1] 王显政.深化煤炭市场体制改革 建设统一开放竞争有序的煤炭市场交易体系[J].中国煤炭工业,2016(1):6-9.
[2] 李晨.铁路煤炭运输抑尘智能控制系统[J].铁路节能环保与安全卫生,2015,5(2):55-58.
[3] 王吉磊.铁路煤炭运输抑尘设备技术改进的探讨[J].上海铁道科技,2014(4):129-130.
[4] 范思航,时文娟,黄艳芝.超声波多普勒流量计换能器的研究与应用[J].国外电子测量技术,2014,33(2):84-88.
[5] 王宝鹏,许志伟,李冠,等.煤车抑尘剂喷洒系统磁钢测速算法的研究[J].电子技术与软件工程,2014(18):191-192.
[6] 同济大学声学研究室.超声工业测量技术[M].上海:上海人民出版社,1977:245-255.
[7] 袁易全.近代超声原理与应用[M].南京:南京大学出版社,1996:328-329.
[8] 方翔,修吉平.超声波气体流量计的研制[J].仪器仪表与检测技术,2005,24(5):67-69.
文章编号:1671-251X(2016)08-0013-04
DOI:10.13272/j.issn.1671-251x.2016.08.004
收稿日期:2016-05-07;修回日期:2016-06-16;责任编辑:张强。
基金项目:天地科技股份有限公司技术创新基金项目(KJ-2014-TDCZ-03)。
作者简介:刘禹(1983-),男,北京人,工程师,研究方向为煤矿自动化,E-mail:89413259@qq.com。
中图分类号:TD56
文献标志码:A 网络出版时间:2016-08-03 09:59
LIU Yu
(Storage and Loading System Automation Research Institute, Tiandi Science and Technology Co., Ltd., Beijing 100013, China)
Abstract:In view of problems that current dust suppressant spraying system of train has low equipment safety and poor quality of dust suppression operation, a precision control system for train dust suppressant spraying based on ultrasonic space identification was designed, and corresponding software control flow of the system was given. The system uses ultrasonic detection device to precisely control coal dust suppression spraying arm of train, which can effectively avoid other locomotive, identify materials or vehicle load conditions, and improve quality of spraying.
Key words:coal freight station; quantitative loading; dust suppressant spraying; ultrasonic space identification; precise control
刘禹.一种基于超声波空间识别的列车抑尘剂喷洒精确控制系统[J].工矿自动化,2016,42(8):13-16.