苗可彬1,2,3
(1.煤炭科学技术研究院有限公司, 北京 100013; 2.煤炭资源高效开采与洁净利用国家重点实验室,北京 100013; 3.北京市煤矿安全工程技术研究中心, 北京 100013)
摘要:针对现有煤矿井下用风速传感器工况条件差、性能易下降的问题,设计了一种基于DDS技术的矿用风速传感器。该传感器采用DDS技术设计了具有高稳定性谐振频率的超声波振荡电路,利用卡曼涡街原理实现了风速值实时、精准的测量。试验结果表明,该风速传感器可靠性高,测量误差较小,抗干扰性强。
关键词:矿用风速传感器; DDS; 卡曼涡街; 抗干扰
网络出版地址:http://www.cnki.net/kcms/detail/32.1627.TP.20160705.1456.004.html
在煤矿井下安全监控系统中,风速是重要的检测参数之一。风速传感器是实现矿井通风的重要组成部分。矿用风速传感器按其原理可分为叶轮式、热线式和超声波式风速传感器。叶轮式和热线式风速传感器易受井下水蒸汽和煤尘的影响,可靠性不够高,相比而言超声波式风速传感器具有易维护、可靠性较高的优势[1-2]。
对于超声波式风速传感器来说,其性能可靠性主要由超声波振荡电路谐振频率决定。目前,超声波振荡电路大部分为自激振荡电路,谐振频率的调整通过改变阻容值实现。在井下工况较差的地方,湿度较高,传感器长时间工作后其振荡电路谐振频率会发生变化,从而导致传感器的性能大大下降;另外,超声波振荡电路一般都有一个最佳频率工作点,传统的超声波振荡电路都是靠手工调整频率来寻找最佳工作频率点,严重影响了产品的生产效率,造成生产瓶颈[2]。
为此,笔者设计了一种基于DDS(Direct Digital Synthesis,直接数字频率合成)技术的矿用超声波旋涡式风速传感器。该传感器利用卡曼涡街原理测量风速值,在超声波振荡电路的设计上采用DDS技术,保证了超声波振荡电路谐振频率的稳定性[3-4],实现了风速值实时、高可靠性测量。
风速传感器工作原理如图1所示。根据卡曼涡街原理,在流体中插入一个非流线阻力体,当雷诺系数在一定范围内,在阻力体下游将产生2列交替出现的旋涡列,称为卡曼涡街,其旋涡频率与流体的流速成正比[5]。传感器的超声波振荡器产生等幅超声波信号,该信号加到发射换能器上,并向空气中发射超声波。此时,接收换能器接收到被旋涡调制的超声波信号,该超声波信号经处理后变成对应的脉冲信号,经过归一化处理及线性补偿后即可得到实际风速值。

图1 风速传感器工作原理
1.1 超声波振荡模块
超声波振荡模块采用DDS技术设计,主要由相位累加器、ROM波形存储器、D/A数模转换器与低通滤波器等构成,模块工作原理如图2所示。单片机系统时钟频率是模块各环节的同步时钟,由外界高稳定性的晶体振荡器发出,频率控制字K控制模块输出电功率信号的频率。

图2 超声波振荡模块工作原理
超声波振荡模块工作时,相位累加器在时钟频率的控制下依次获得各个幅值采样值,幅值采样值经ROM波形存储器和D/A数模转换器输出梯形波。梯形波经低通滤波器滤波后就是一个完整的正弦波。如果相位累加器的位数为N,单片机系统时钟频率为fc,频率控制字为K,则模块的输出频率为
(1)
模块输出频率分辨率为
(2)
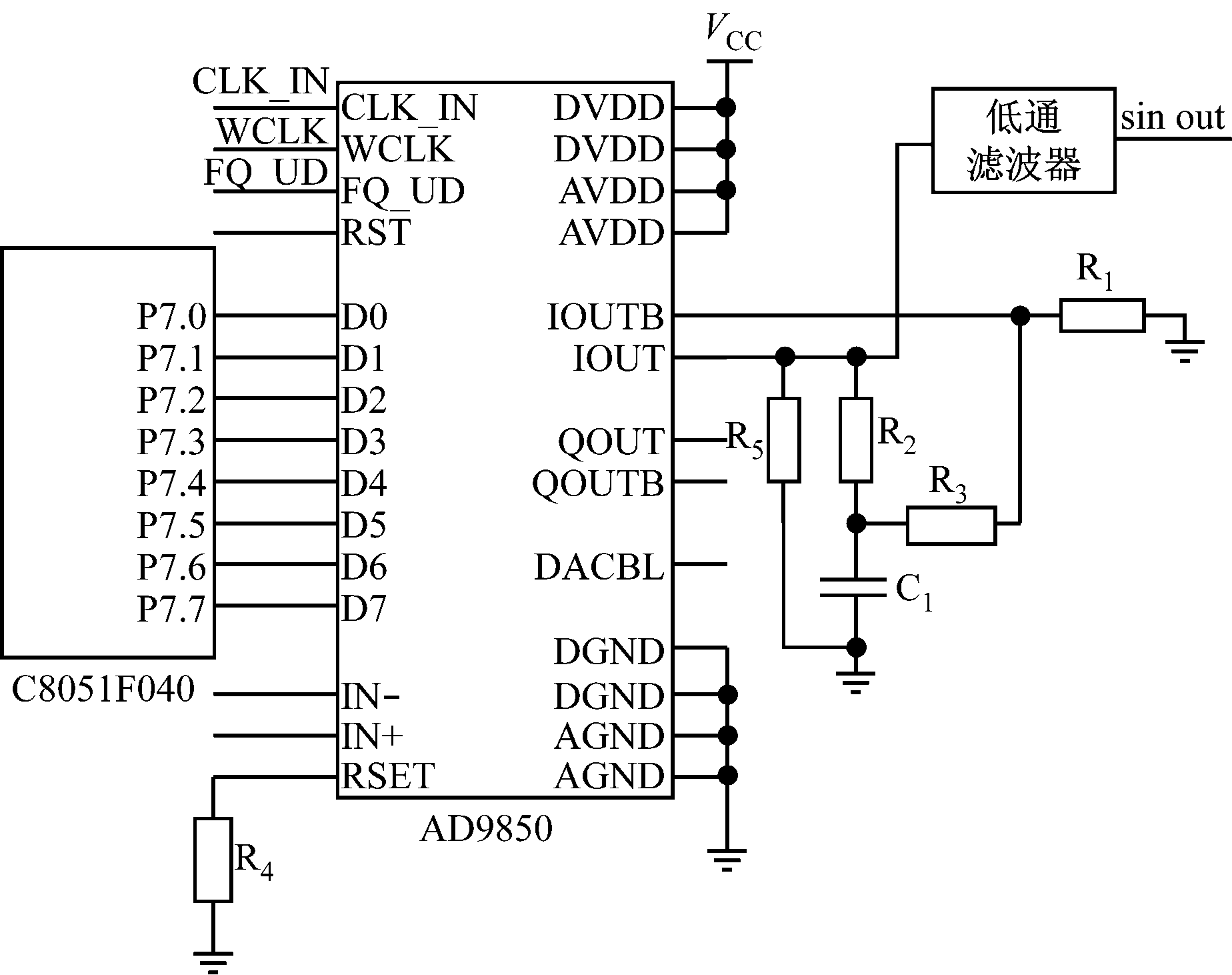
超声波振荡电路如图3所示,电路的单片机选用C8051F040,DDS芯片选用AD9850。CLK_IN为输入参考频率,WCLK为时钟信号,D0—D7为数据端口。通过C8051F040控制AD9850可以得到稳定的正弦波输出。

图3 超声波振荡电路
具体设计参数:N=32,K=55 148,fc=11.059 2 MHz。由式(1)可得到输出频率为142 kHz。由式(2)可得最小输出频率约为2.6 MHz,基本可认为输出频率连续可调。
1.2 信号处理模块
无风状态下,接收换能器接收到的信号为
S=S0sin(2πft)
(3)
有风状态下,接收换能器接收到被旋涡调制后的信号为
S=S0[1+Msin(2πfMt)]sin(2πft)
(4)
式中:S0为信号幅值;f为超声波频率;M为调制深度;fM为旋涡频率。
实际应用中,接收换能器检测到的信号如图4所示。从图4可以看出,有风时,超声波信号被调制为非标准正弦信号。
测量时,需要对调制信号进行解调,得到旋涡频率fM,从而得到风速值。解调电路由选频放大、检波、低频放大、整形电路组成,其核心为检波电路。检波电路如图5所示,其中C18为耦合电容,用以滤除直流信号;D5为检波二极管,用来将调制信号变为半波信号,留下包络信号上半部分的高频载波信号;C23为高频滤波电容,用来去掉检波二极管输出信号中的高频载波信号;R29为负载电阻,检波二极管导通时的电流回路由R29构成,在R29上的压降就是检波电路的输出电压。
为方便单片机处理,检波后信号一般通过低频放大和整形电路处理变为脉冲信号,实际应用中风速传感器进入单片机的脉冲信号如图6所示。从图6可看出,该脉冲信号频率正比于实际风速值。通过单片机对该频率进行检测,即可得到风速测量值。

(a) 无风时的信号

(b) 有风时的信号
图4 无风与有风状态时接收换能器检测到的信号

图5 检波电路

图6 实际应用中风速传感器进入单片机的脉冲信号
由图6可知,信号经处理后得到的脉冲信号不是占空比为50%的方波,因此,计算信号频率时采用单片机定时器计数方式,具体程序流程如图7所示。设置单片机定时器0为定时模式,定时器1为计数模式。在定时器0定时1 s内,通过定时器1检测信号下降沿个数,从而得到信号频率。利用线性补偿算法对信号频率进行计算,即可得到真实的风速值。

图7 信号频率测量程序流程
在信号测量过程中,有可能存在一些随机干扰,为实现精确、可靠的测量,对信号进行中值平均滤波处理,当测量数据达到10组时,开始进行中值平均滤波,通过数码管显示风速值。经过滤波后的信号可靠、平稳。
风速传感器的测试需在风洞内进行,分别设定风洞内部风速值为15.0,12.0,9.0,6.0,3.0,1.0 m/s,待风速稳定后观察传感器的显示值是否与设定风速值一致。
测试时,对每个测量点进行3次测量,记录3次测量的最大误差,如图8所示。从图8可看出,最大误差为0.14 m/s,传感器测量精度较高。

图8 传感器测量误差
为实现风速值实时、精准测量,设计了一种基于DDS技术的矿用风速传感器。通过理论分析与实验验证可知,该传感器适合井下风速测量点的实时、在线、精准测量,具有以下优点:① 超声波振荡电路采用DDS技术,无需人工调试振荡电路最佳谐振点,使用方便。② 振荡频率由单片机控制,只要单片机输出的时基信号稳定,振荡频率就不会发生变化,避免了传统自激振荡电路长时间工作在工况较差区域时谐振点漂移的问题。③ 传感器通过中值平均滤波对信号进行处理,可以有效滤除随机干扰,可靠性较高。
参考文献:
[1] 冉霞,游青山.基于时差法的矿用超声波风速传感器[J].煤矿安全,2015,46(7):116-119.
[2] 杨生元.直接数字频率合成技术在超声波振荡电路中的应用[J].工矿自动化,2011,37(5):70-73.
[3] 王龙帅,史敬灼.超声波电动机驱动用DDS信号发生器误差分析[J].微电机,2009,42(4):69-72.
[4] 徐韶华,熊显明.基于DDS的频率自动跟踪超声波发生器的研制[C]//中国仪器仪表学会.第3届全国虚拟仪器学术交流大会论文集,桂林,2009:406-409.
[5] 董敏诗,杜文军.CW-1型超声波涡街风速传感器抗干扰及稳定性的研究[J].矿业安全与环保,2000,27(2):21-22.
MIAO Kebin1,2,3
(1.China Coal Research Institute, Beijing 100013, China; 2.National Key Laboratory of High Efficient and Clean Utilization of Coal Resources, Beijing 100013, China;3.Beijing Coal Mine Safety Engineering Technology Research Center, Beijing 100013, China)
Abstract:In view of problem that performance of mine-used wind speed sensor is easy to fall because of poor working conditions, a kind of mine-used wind speed sensor based on DDS technology was designed. The sensor adopts DDS technology to design ultrasonic oscillation circuit with high stability resonance frequency, and uses Karman vortex street principle to achieve real-time, accurate measuring of wind speed value. The experiment result shows reliability of the sensor is high, measurement error is smaller, and anti-interference is strong.
Key words:mine-used wind speed sensor; DDS; Karman vortex street; anti-interference
文章编号:1671-251X(2016)07-0012-04
DOI:10.13272/j.issn.1671-251x.2016.07.004
收稿日期:2016-03-29;修回日期:2016-06-17;责任编辑:张强。
基金项目:国家国际科技合作专项项目(2013DFR10530)。
作者简介:苗可彬(1982-),男,江苏徐州人,工程师,硕士,现主要从事煤矿安全技术研究工作,E-mail:miaokebin@ccrise.cn。
中图分类号:TD723
文献标志码:A 网络出版时间:2016-07-05 14:56
苗可彬.基于DDS技术的矿用风速传感器设计[J].工矿自动化,2016,42(7):12-15.