李盼盼, 李云波, 肖勇, 张晓宇
(中煤科工集团重庆研究院有限公司 水文物探研究分院, 重庆 400039)
摘要:根据矿井钢弦式压力监测传感器的工作特点,设计了一种新型矿压监测采集仪器。该仪器利用自适应反馈式扫频激振技术,以STM32单片机为主控芯片,通过单片机输出扫频激振信号,激发钢弦式压力监测传感器内部钢弦达到共振状态,根据共振频率可计算得到相应的被测压力。实验结果表明,该仪器采集微小信号的频率误差不超过0.5%,能够满足矿井生产的实际要求。
关键词:矿压监测; 采集仪; 钢弦式压力监测传感器; 自适应反馈式扫频激振; 共振频率
网络出版地址:http://www.cnki.net/kcms/detail/32.1627.TP.20160601.1011.002.html
矿压监测关乎矿井生产的安全,巷道支柱、液压支柱等都需要时刻监测自身所承载的压力。钢弦式压力监测传感器由于其输出为频率信号,适于长距离传输,再加上其内部结构没有活动器件,具有很高的可靠性和稳定性,从而成为矿井现场应用最为广泛的压力监测传感器之一[1]。但钢弦式压力监测传感器需要额外的采集仪器对其内部钢弦进行激振,然后采集传感器受激振所输出的微弱信号来达到监测压力的目的。为此,笔者设计了一种新型的采用自适应反馈扫频激振技术的矿压监测采集仪器,通过单片机输出扫频激振信号,激发钢弦式压力监测传感器内部钢弦达到共振状态。设计了仪器的三重信号调理电路,对传感器的反馈信号进行滤波、放大、整形并送至单片机计数。研制了显示模块和通信模块,实现井下压力监测数据现场显示的同时,通过分站能够与井上计算机实时双向通信,达到井上、井下同时监测的目的,大大提高了仪器的实用性和整体矿压监测的可靠性。实验证明该仪器能够满足矿井生产的实际要求。
钢弦式压力监测传感器是通过外部采集仪器对传感器内部钢弦激振而使其产生共振,共振的弦线在磁场中作切割运动,从而在线圈中感应出电势,即微弱的正弦信号,感应电势的频率就是钢弦的共振频率。由于共振频率与弦线受到的压力呈线性关系,所以,通过测量感应电势频率就可得到相应的被测压力[2-3]。
2.1 仪器基本组成
根据钢弦式压力监测传感器的工作特点,设计了一种基于自适应反馈式扫频激振技术的矿压监测采集仪器,基本结构如图1所示。该仪器采用STM32为主控芯片,通过扫频激振电路激发传感器内部钢弦,传感器反馈频率信号经过信号调理电路接入STM32,同时STM32采集现场温度;STM32对接入信号进行处理,处理得到的数据一方面直接用于现场显示,一方面存储在单片机内,并通过RS485总线与地面计算机实现实时双向通信。

图1 矿压监测采集仪器基本结构
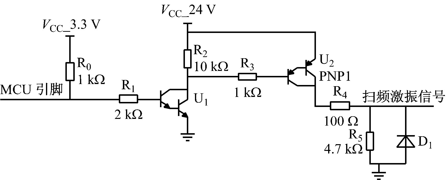
2.2 扫频激振电路
传感器的正常工作首先需要依靠外部采集仪器对传感器内部钢弦进行激振[4]。扫频激振电路以连续变化的频率信号输出至传感器以激励其内部钢弦,当扫频信号的可靠输出频率和传感器内部钢弦的固有频率接近时,钢弦就能够迅速达到可靠共振状态。现有此类钢弦式压力监测传感器的固有频率范围都在400~5 000 Hz,所以,矿压监测采集仪器通过软件使单片机输出频率为400~5 000 Hz的方波激励信号,经过扫频激振电路后激发传感器内部钢弦起振,再对传感器反馈的信号频率脉冲个数进行计数,以判断钢弦是否可靠起振,一般认为反馈脉冲大于12个即为可靠起振。如果没有可靠起振则自动调节输出频率进行重复激振,如果已可靠起振,则进行下一步测量计算。扫频激振电路如图2所示。

图2 扫频激振电路
主控芯片STM32利用内部的定时/计数器功能,由I/O 口输出400~5 000 Hz频率连续变化的方波激励信号,然后通过2个MJD127达林顿晶体管,由24 V电源提供激振电流,末端加保护二极管,输出至传感器。设输出扫频激振信号的频率上限为fmax,频率下限为fmin, 相邻频率间增量为Δf,扫频激振程序流程如图3所示。

图3 扫频激振程序流程
上下限频率和频率增量都不是固定值,首先以400 Hz为下限,以 5 000 Hz为上限,100 Hz为频率增量进行扫频,当反馈脉冲大于4个时,上限频率就变为当前频率加100 Hz,下限频率为当前频率减100 Hz,频率增量变为10 Hz,重复扫频;当反馈脉冲大于8个时,上限频率就变为当前频率加10 Hz,下限频率为当前频率减10 Hz,频率增量变为1 Hz,重复扫频;当反馈脉冲大于12个时,就认为是可靠起振。
根据反馈自适应调节上下限频率和频率增量,单片机在上下限频率范围内,根据频率增量自动调节输出的扫频激励信号频率以匹配钢弦的固有频率,能够大大缩短激振的时间。在钢弦可靠起振后,由于传感器输出的是微伏级不规则正弦信号,须设计信号调理电路,对输出的正弦信号进行滤波放大、整形,得到单片机可采集的标准方波信号。
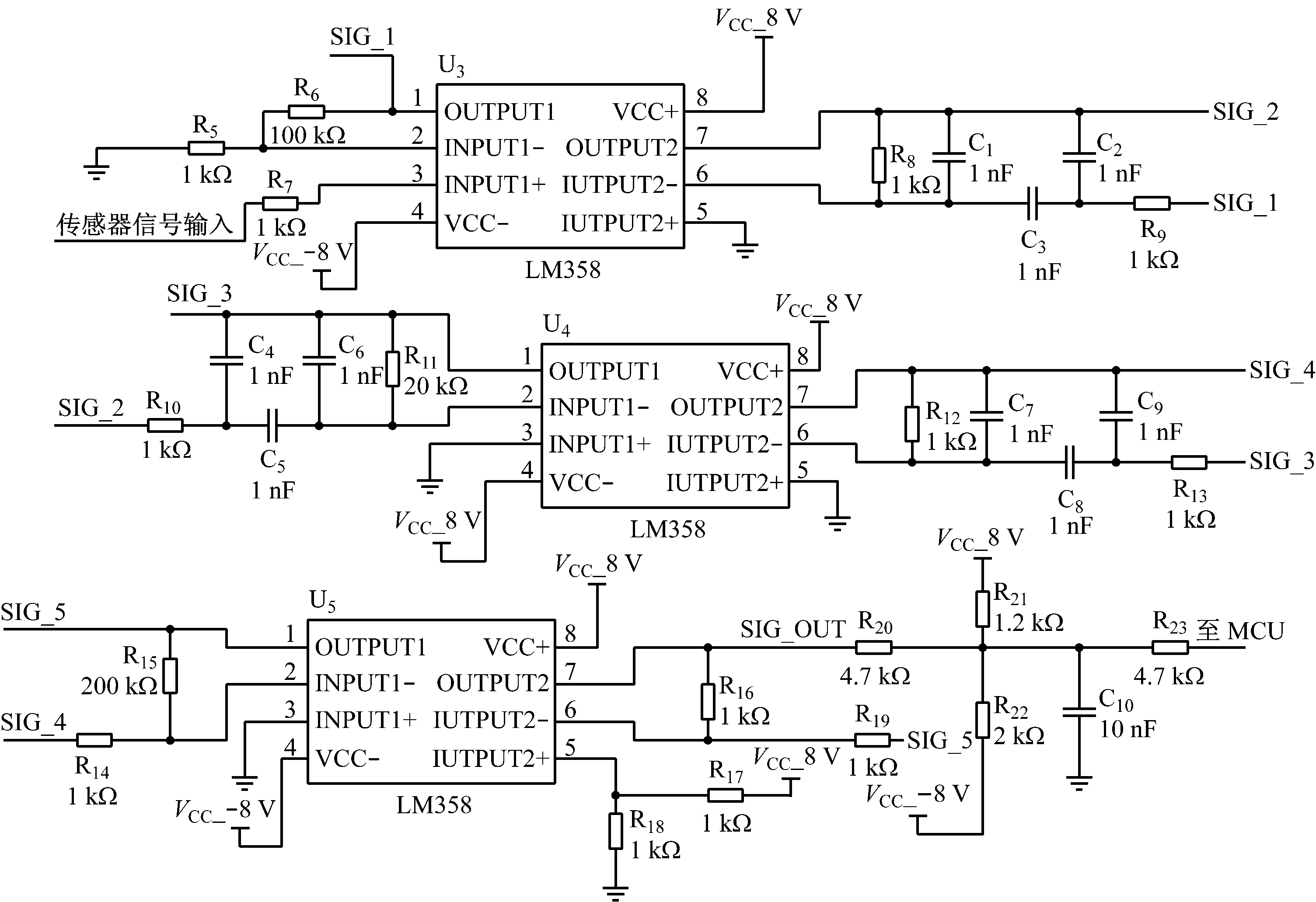
2.3 信号调理电路
信号调理电路选用LM358运算放大器,LM358内部包括2个独立的双运算放大器,本仪器中,其工作于±8 V双电源模式下。信号调理电路如图4所示。

图4 信号调理电路
LM358运算放大器结合外围电路构成滤波放大电路。传感器输出的微小信号经过RC带通滤波、三级放大器放大(约40万倍),以及最后的调理、整形之后,变为单片机可采集的0~3.3 V标准方波信号,直接接入单片机计数,得到共振频率。计数运用比较成熟的等精度计数测量方法[5],可减小误差。
2.4 供电电路
为确保仪器在井下的安全使用,供电电路需要符合本质安全设计标准。仪器采用矿用隔爆兼本质安全型直流稳压电源KDW660/12B供电,KDW660/12B输入为AC127 V或660 V,输出为DC12 V,额定电流输出为1 000 mA,过压保护值为13 V,过流保护值为1 150 mA。仪器供电电路如图5所示。本质安全电源输入DC12 V通过两级二极管与1个500 mA保险管提供对后级电路的保护,整个电路电容值小于10 μF,满足火花实验要求。

图5 仪器供电电路
2.5 显示与通信电路
采集仪器采集的数据一部分用于本地数码管显示,一部分通过RS485与地面计算机进行双向实时通信,定时向计算机传输当前监测数据,随时接收计算机的命令,提高了仪器的实用性和整体监测系统的可靠性。RS485通信电路如图6所示,采用隔离通信模块,以确保本质安全及抗干扰性能。显示电路如图7所示。

图6 RS485通信电路

图7 显示电路
为测试该仪器采集微小正弦信号频率的准确性,特进行实验验证。
利用信号发生器模拟500~1 000 μV的微小正弦信号,在3个频率点(P1点(1 000 Hz)、P2点(2 000 Hz)、P3点(3 000 Hz))分别进行测试,每个点测量3次并取平均值,测量频率见表1。从表1可以看出,测得的频率误差不到0.5%,验证了该仪器的准确性与可靠性。
表1 测量频率

基于自适应反馈式扫频激振技术设计的矿压监测采集仪器,实现了微小信号的高速、低噪、精确采集,能够自动快速调节激振频率,缩短激振时间。通过通信电路及显示电路,该仪器既能够在本地显示测量数据,又支持与地面计算机实时双向通信监测,为井下矿压监测提供了一种更加可靠的方法。
参考文献:
[1] 伍晓奎,江海朋,侯洪涛.振弦式传感器在矿山边坡应力监控系统的应用[J].计算机系统与应用,2012,21(1):194-197.
[2] 张杰,姚剑,叶林,等.频率测量的新方法[J].工业仪表与自动化装置,2003(1):63-66.
[3] 孟祥儒,李静,陶陶,等.Quinn和Rife-Jane算法用于振弦式传感器频率的精确检测[J].数据采集与处理,2008,23(9):136-139.
[4] 贺虎,王万顺,田冬成,等.振弦式传感器激振策略优化[J].传感技术学报,2010,23(1):74-77.
[5] 高友.振弦式传感器测量过程中干扰问题的解决[J].仪表技术与传感器,2007(2):54-55.
LI Panpan, LI Yunbo, XIAO Yong, ZHANG Xiaoyu
(Research Branch of Geophysical and Hydrological, CCTEG Chongqing Research Institute,Chongqing 400039, China)
Abstract:According to working characteristics of steel string type pressure monitoring sensor, a new type of acquisition instrument for mine pressure monitoring was designed. The instrument uses self-adaption feedback frequency sweep vibration technology, and takes STM32 single-chip microcomputer as main control chip which outputs frequency sweep vibration signals to excite internal steel string of steel string type pressure monitoring sensor to reach resonance state, so as to get corresponding measured pressure through calculating according to the resonance frequency. The experiment results show that tiny signal frequency error of the instrument collected is no more than 0.5%, and the instrument can meet with actual needs of mine production.
Key words:mine pressure monitoring; acquisition instrument; steel string type pressure monitoring sensor; self-adaption feedback frequency sweep vibration; resonant frequency
文章编号:1671-251X(2016)06-0005-04
DOI:10.13272/j.issn.1671-251x.2016.06.002
收稿日期:2015-12-14;
修回日期:2016-03-03;责任编辑:张强。
基金项目:中煤科工集团重庆研究院有限公司自立基金项目(2013ZDXM14)。
作者简介:李盼盼(1988-),男,重庆人,实习研究员, 硕士,现主要从事仪器仪表的开发工作,E-mail:lpp880828@163.com。
中图分类号:TD326
文献标志码:A 网络出版时间:2016-06-01 10:11
李盼盼,李云波,肖勇,等.一种新型矿压监测采集仪器的设计[J].工矿自动化,2016,42(6):5-8.