谭长森1,2, 倪春明3
(1.中煤科工集团常州研究院有限公司, 江苏 常州 213015;
2.天地(常州)自动化股份有限公司, 江苏 常州 213015;
3.中煤科工集团上海有限公司 检测技术研究中心, 上海 201401)
摘要:针对现有开关式和压力式料流传感器存在易磨损、可靠性差的问题,设计了一种电场感应式料流传感器。该传感器采用内置电场感应式智能芯片作为感应元件监测电场电参数,利用单片机采集和处理电场电参数,通过电参数变化经内部数据处理输出胶带有料、无料信号。现场实验结果表明,该传感器能够准确检测运动或者静止的胶带上有无物料,完全满足现场实际应用的需求,具有非接触检测、无磨损、使用寿命长、信号稳定可靠的特点。
关键词:带式输送机; 物料检测; 料流传感器; 电场感应; 信号处理
网络出版地址:http://www.cnki.net/kcms/detail/32.1627.TP.20160405.1125.007.html
近几年,中国的煤炭、水泥、电力等工业得到了迅猛发展,煤炭需求量非常大,煤矿普遍采用带式输送机担当传送重任。在带式输送机输送煤炭、矿石等大宗散状物料的场合,经常需要及时了解胶带上物料所在的位置,从而根据物料位置情况来判断是否需开启前端胶带,以达到节能减排、完善生产管理和及时控制的目的。
判断料流位置的方法之一是给带式输送机加装料流检测装置。目前,常用的料流检测方法采用的传感器有倾斜开关式料流传感器和压力式料流传感器。
倾斜开关式料流传感器:用一根吊杆吊在胶带的上方,当胶带上无物料时,吊杆自由下垂成竖直状态,输出无料信号;当胶带上有物料时,吊杆被物料推成倾斜状态,输出有料信号。这种传感器的优点是简单且易实现;缺点是吊杆易被磨损导致使用寿命短,遇到颗粒较大的物料时吊杆易跳动,导致检测可靠性差。
压力式料流传感器:是一只带轮子的压力检测装置,紧贴着胶带安装。胶带上无物料时,压力较小,输出无料信号;胶带上有物料时,压力较大,输出有料信号。这种传感器的优点是简单且易实现,虽然轮子和轴承存在磨损现象,但是比吊杆式耐磨损;缺点是随着气温的变化,当胶带硬度和张力发生变化时,会影响料流检测效果。
基于以上2种传感器的缺点,本文设计了一种电场感应式料流传感器。该传感器内置电磁感应式智能芯片,安装在上胶带下面,传感器的检测面不与胶带接触,根据检测面上方胶带上有、无物料,电场的电参数会发生变化,通过电参数变化经内部数据处理输出有料、无料信号。该传感器具有非接触检测、无磨损、使用寿命长、无需设置调试、信号自修正功能,输出信号稳定可靠。
1.1 电场感应原理
电场感应的基本思想是利用电容的电场感应效应[1],即通过电阻给电容的一个电极施加交流激励,在金属试片上建立均匀电场,不同的物体目标接入均匀电场后,由于目标的介电常数、物理状态等的不同,电场会体现出不同的等效电容特性,周围的电场也会发生改变。电场感应原理如图1所示。

图1 电场感应原理
信号发生器产生一个低频正弦波,通过电阻R加载到激励电极上,不同的介质靠近该电极时,电极周围的电场强度会发生变化,表现为电极上的电压随电极与虚地构成的电容变化,电容变化导致A点对地电压变化,对A点变化的电压分量进行整流、滤波后送入信号采集电路,根据输出信号,便知道是否有介质进入电场,并可将靠近该电极的介质分辨出来。
1.2 电场成像器件
电场成像器件MC33794用于测量非接触物体存在与否[2]。MC33794原理很简单,器件自身可以产生低电平电场,所有功能都由内部芯片实现,物体在电场中移动时,就会造成电场负载。根据负载的不同可以判断是否有物体和物体的种类;而且产生的波的频率也可以通过电阻等进行设定,最理想的频率应该为120 kHz。由于该波含有谐波成分,所以基本不会受谐波的干扰。
MC33794工作原理如图2所示。MC33794发射一个低频正弦波,用来驱动电极,当介质进入电场中导致电场的电极发生变化时,所对应的电容也会发生变化,且经测定,电压和电容成反比,电压增加,则电容下降。检波器和低通滤波器都安装在MC33794里面,只需要外加与之相匹配的电容即可。

图2 MC33794工作原理
MC33794有如下特点:① 有基本的上电复位和看门狗监控,有自带节点可以进行范围很广的测量,能够调节外部电阻以产生正弦波。② 可以输出+5 V电源到外部电源稳压电路,最多有9个电极,可以用屏蔽的同轴电缆构成电极驱动器。③ 对外部处理器的要求很低,最低只需有8位AD转换接口即可。
电场感应式料流传感器由基于MC33794的测量探头、信号处理电路[3]和数据传输电路等部分组成。
2.1 信号处理电路
MC33794与微处理器连接电路如图3所示,设计中使用的微处理器是PIC18F2480单片机[4],该单片机AD转换接口为10位,电容分辨率为0.1 pF,可以分辨出有无物体从胶带上方通过。

图3 MC33794与微处理器连接电路
从图3可以看出,MC33794使用很方便,只需外接少量电容即可工作,本设计用9根屏蔽同轴电缆作为电极,铺设于胶带下方。
典型应用中REF_A和REF_B两个管脚外接固定的电容。电容值为被测物体电极的最小电容和最大电容(REF_A外接10 μF电容,REF_B外接100 μF电容)。该电容对应的电压值作为电路的基准电压。在电场感应式料流传感器设计中,选取煤炭作为被测物体,根据煤炭的导电性,REF_A和REF_B的电容值分别选择为10 μF和80 μF(煤的导电性根据煤块的大小、煤块的含水量及煤块的杂质不同而不同)。
2.2 数据传输电路
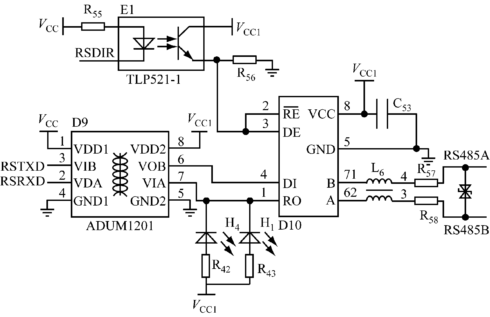
经过单片机处理后的数据可以就地用指示灯进行指示(有煤指示灯亮,无煤指示灯灭),也可经过RS485、无源开关量等形式远程传递到第三方进行处理。RS485数据传输电路[5]如图4所示。

图4 RS485数据传输电路
经单片机处理后的数据转换为RS232传输格式后,通过隔离芯片ADUM1201隔离后,再经过RS485接口芯片MAX3082将RS232信号转换为RS485信号后进行传输。
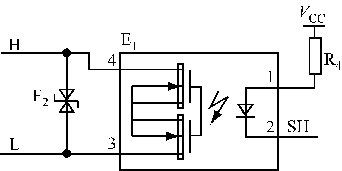
很多现场只需要了解胶带上方有无料流经过即可,不需要知道比如料流厚度、胶带速度这些参数。针对这一需求,传感器增加了无源开关量的输出接口,原理如图5所示。

图5 数据开关量传输原理
利用单片机的一个开关量I/O口来实现光继电器E1的断开和闭合。需要说明的是,由于料流传感器实验地点为煤矿,按照国家规定,该传感器防爆形式设计为矿用本质安全型,光继电器E1的节点输出也为矿用本质安全型,这就要求接入该节点设备的接口也必须是矿用本质安全型,否则不能接入该节点信号。
电场感应式料流传感器PIC单片机数据处理软件分为数据采集、数据转换、就地显示、远程传输等部分,主程序流程如图6所示。

图6 电场感应式料流传感器主程序流程
MC33794自动扫描9个电极的电容值并传输给单片机,单片机比较基准电容值和探头传输的电容值的差别,以区分是否有物体经过胶带上方[6-7]。单片机处理后,判断有无物体,以驱动指示灯是否点亮,开关量节点是否闭合,并通过RS485接口进行远程传输。
分别在实验室和现场对电场感应式料流传感器进行了综合实验。电场感应式传感器安装示意如图7所示。

图7 电场感应式传感器安装示意
上胶带的下面安装一台电场感应式料流传感器,传感器的检测面不接触胶带。当胶带上没有物料经过时,传感器的电场保持不变;当有物料经过时,传感器电场的电参数会发生相应的变化。根据电参数变化的强度就可以分辨出是否有物料,经过程序处理输出相应的信号。实验室实验和现场应用证明,电场感应式料流传感器能够准确地检测运动或者静止的胶带上有无物料,完全满足现场实际应用的需求。
电场感应式料流传感器采用MC33794电场成像器件作为感应元器件,利用PIC18F2480单片机采集和处理数据,经过特定的算法把电容值的变化转换为胶带上有无物料的信号。处理后的数据既可以就地显示,也可以远程传递到第三方显示。该传感器已在不同工业场合、不同环境下进行了实验验证。实验结果表明,该传感器可以准确、快速地测量出胶带上方有无物料,为企业的节能减排、安全生产提供了可靠保障。
参考文献:
[1] 台闯,郑丽群,杨永宽,等.基于电场感应技术的储罐腐蚀泄漏检测方法的研究[J].腐蚀科学与防护技术,2010,22(3):211-215.
[2] Freescale Semiconductor Inc. MC33794 advance information freesale semiconductor [EB/OL]. (2014-04-10)[2015-12-10].http://www.datasheetlib.com/datasheet/50877/mc33794_freescale-semiconductor.html.
[3] 康华光.电子技术基础——模拟部分[M].4版.北京:高等教育出版社,2005.
[4] Microchip Technology Inc.28/40/44-Pin enhanced flash microcontrollers with ECAN technology,10-Bit A/D and nano Watt technology-PIC18F2480[EB/OL]. [2015-12-10].http://www.alldatasheet.com/view.jsp?Searchword=PIC18F2480.
[5] 王静.基于单片机的数据串口通信[D].重庆:长江大学,2013.
[6] 张皆喜,王茂凌,张瑜.PIC系列单片机C语言编程与应用实例[M].北京:电子工业出版社,2008.
[7] 李红,赵玉新.软件开发流程实训[M].北京:电子工业出版社,2005.
TAN Changsen1,2, NI Chunming3
(1.CCTEG Changzhou Research Institute, Changzhou 213015,China;
2.Tiandi(Changzhou) Automation Co., Ltd., Changzhou 213015,China;
3.Testing Technology Research Center, CCTEG Shanghai Co., Ltd., Shanghai 201401, China)
Abstract:In view of the problem that existing switch type and pressure type material flow sensors are easy to wear and have poor reliability,a kind of material flow sensor based on electric field induction was designed. The sensor adopts smart chip with built-in electric field induction as sensing element to monitor electric parameters of electric field, and uses single-chip microcomputer to collect and process electric parameters of electric field, and output signals indicating whether there are material on the belt through change of electrical parameters and internal data processing. The field test results show that the sensor can accurately detect material on moving or stationary belt, meets needs of practical application, which has characteristics of non-contact detection, no wear, long life, stable and reliable signal.
Key words:belt conveyor; materials detection; material flow sensor; electric field induction; signal processing
中图分类号:TD632
文献标志码:A 网络出版时间:2016-04-05 11:25
文章编号:1671-251X(2016)04-0027-04
DOI:10.13272/j.issn.1671-251x.2016.04.007
谭长森,倪春明.电场感应式料流传感器设计[J].工矿自动化,2016,42(4):27-30.