洪振宇, 田炜, 刘嘉
(中国民航大学 航空自动化学院, 天津 300300)
摘要:为适应采煤机远程控制方式发展的需求,设计了一种基于DP/LIN总线的采煤机控制键盘。该键盘由LIN总线数据采集模块采集控制信息,将不同按键对应的控制信息通过LIN总线进行传输,并转换为DP总线信号与PLC主机进行数据交换,进而由PLC主机控制采煤机的开停、升降、牵引,从而实现对采煤机的远程实时控制,提高了煤矿开采的自动化水平。
关键词:综采工作面; 采煤机; 远程控制; 控制键盘; LIN总线; Profibus-DP总线
实现煤矿工作面生产过程的自动化、智能化、信息化以及无人化是目前煤炭行业发展的主流趋势[1]。采煤机作为生产过程中的关键设备,其传统的就机控制方式自动化水平低下,而采用现场无线遥控器的控制方式则易受干扰且受距离限制,因此,对采煤机进行远程实时控制成为当前一个重要的研究课题。
采煤机远程控制可通过采集控制信号并利用远传技术来实现。而目前我国煤矿的信号采集设备主要以DP设备为主,生产成本较高。LIN总线具有良好的低速通信可靠性,且技术应用成本较低,可在保证通信性能的前提下,大幅度降低煤矿生产成本,丰富煤矿自动化控制方式[2]。因此,笔者引入LIN总线技术,设计了基于DP/LIN总线的采煤机控制键盘。该键盘可将不同按键对应的控制信息通过LIN总线进行传输,并转换为DP总线信号与PLC主机进行数据交换,进而由PLC主机控制采煤机的开停、升降、牵引等[3]。
1.1 控制键盘结构设计
控制键盘的内部结构如图1所示,包括了基于LIN总线的4块数字量采集模块DI、1块数字量输出模块DO、DP-LIN转换模块和可编程数码管[4]。键盘共设有26个按键,控制实现采煤机主启动、主停止、左牵引、右牵引、升降、暂停等功能。每个DI模块最多可采集8路按键控制信息,控制信息经DP-LIN转换模块转换为DP总线信号,直接与PLC主机进行数据交换,并由PLC主机发出通用指令控制采煤机。反过来PLC主机反馈回来的采煤机信息经DP-LIN转换模块转换为LIN总线信号后,通过DO模块输出到可编程数码管显示。

图1 控制键盘内部结构
1.2 数字量采集和输出模块设计
数字量采集模块DI和数字量输出模块DO硬件结构如图2所示,2块模块的原理基本相近,设计采用了微控制器和LIN总线接口芯片结合的方案。微控制器选用MC9S08SL16型高速微处理器,该芯片主要用于CAN总线、LIN总线等通信、LCD驱动、电动机控制等场合。LIN总线接口芯片选用TJA1021T,用以实现控制器和LIN总线间的数据通信,遵从LIN2.1/SAE J2602规范[5]。各模块在应用时必须选择不同地址,可通过拨码开关改变模块地址。

图2 DI/DO模块硬件结构
采煤机控制键盘程序开发采用CodeWarrior编程环境,主要程序包括DI程序和DO程序2个部分。
2.1 DI程序设计
DI程序主要用于采集按键控制命令并通过LIN总线传出控制命令,程序设计包括主程序和中断程序2个部分。
DI主程序流程如图3所示。首先进行键盘初始化,包括对时钟、IO口、中断等的初始化,然后经过一定的延时,进入无限循环等待中断。

图3 DI主程序流程
DI中断程序流程如图4所示。进入中断后,首先清除中断标志,然后对中断源进行一系列的判断,当数据缓冲区满并且校验正确时,接收数据并对其进行处理。

图4 DI中断程序流程
2.2 DO程序设计
DO程序主要用于将PLC反馈的采煤工艺段信息(即采煤过程不同阶段所对应的数字)输出到数码管显示,DO程序也包括主程序和中断程序2个部分。
DO主程序流程如图5所示。首先对键盘进行初始化,包括时钟、I/O口、中断等的初始化。然后设置数码管功能,包括设置BCD译码方式、关键盘、开显示等功能。经过一定的延时后进入无限循环等待中断。
DO中断程序流程如图6所示。进入中断后,首先清除中断标志,然后对中断源进行判断,当数据缓存区满且校验正确时,将数据以BCD码的形式送至数码管显示。

图5 DO主程序流程

图6 DO中断程序流程
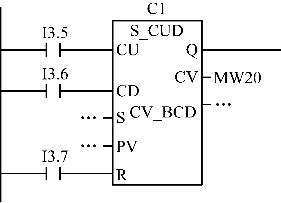
为了检验基于DP/DIN总线的采煤机控制键盘能否准确地与PLC主机进行数据交换,编写了PLC测试程序并下载到S7-300 PLC中进行测试。
PLC测试程序如图7所示,程序设计了2个功能:一是PLC接收到某控制按键输入的控制信息时,反馈对应的工艺段信息到数码管显示,如图7(a)(程序段1)所示,按键闭合时利用MOVE指令将预设初值送至DO地址输出显示;二是设置2个按键,当PLC接收到该按键输入的控制信息时,分别对当前工艺段数值加1或减1并显示到数码管,另设复位按键(图7(b),(c)中程序段2和程序段3),利用双向计数器指令,按键可分别执行加1、减1和复位指令。

(a) 程序段1:工艺段显示

(b) 程序段2:工艺段加减

(c) 程序段3:数码管显示
图7 PLC测试程序
测试结果表明,控制键盘实现了预设功能,能够与PLC主机进行准确的数据交换,即能够准确地发送控制命令并接收反馈信息。
基于DP/LIN总线的采煤机控制键盘结合信号远传技术,可实现对采煤机的远程实时控制,提高了煤矿开采的自动化水平。该控制键盘凭借DP/LIN总线技术开放度高、应用方便、可靠性高及价格低廉的优势,在综采无人工作面上具有良好的应用前景。目前,该控制键盘已经应用到四川绿水洞等国内多个矿井,操作员可根据现场实时的多路视频信号对采煤机进行远程控制,应用效果良好。
参考文献:
[1] 李磊.综采无人值守工作面液压支架间架电液控制器主控系统的研究[D].太原:太原理工大学,2010.
[2] 陈恩策,黄莹,唐厚君.基于LIN总线的汽车照明系统软硬件开发[J].电气自动化,2013,35(4):22-24.
[3] 孔维社.Profibus-DP总线单主站系统报文传输延时分析[J].工矿自动化,2011,37(7):50-52.
[4] 霍军军,张英梅.基于DP/LIN总线的矿用控制系统[J].工矿自动化,2013,39(12):26-28.
[5] 丁宁.基于VDSL2技术和LIN总线的采煤机远程控制数据通讯系统的设计[D].太原:太原理工大学,2015.
HONG Zhengyu, TIAN Wei, LIU Jia
(Aeronautical Automation Institute, Civil Aviation University of China, Tianjin 300300, China)
Abstract:In order to adapt to needs of development of remote control method of shearer, a control keyboard of shearer based on DP/LIN bus was designed. The keyboard collects control information via the LIN bus data acquisition module, and can transmit control information of corresponding different keyboard through the LIN bus, and convert the control information to DP bus signal, so as to exchange data with PLC, and control open/stop, lift and traction of shearer by the PLC. The control keyboard can realize remote real-time control of shearer, and improve automation level of coal mining.
Key words:fully-mechanized coal mining face; shearer; remote control; control keyboard; LIN bus; Profibus-DP bus
中图分类号:TD632
文献标志码:A 网络出版时间:2016-03-07 15:23
作者简介:洪振宇(1978-),男,辽宁铁岭人,副教授,博士,研究方向为机器人结构学,E-mail:490698314@qq.com。
收稿日期:2015-10-28;修回日期:2015-12-23;责任编辑:张强。
文章编号:1671-251X(2016)03-0078-03
DOI:10.13272/j.issn.1671-251x.2016.03.018
网络出版地址:http://www.cnki.net/kcms/detail/32.1627.TP.20160307.1523.018.html
洪振宇,田炜,刘嘉.基于DP/LIN总线的采煤机控制键盘设计[J].工矿自动化,2016,42(3):78-80.