经验交流
程刘胜1,2
(1.中煤科工集团常州研究院有限公司, 江苏 常州 213015;
2.天地(常州)自动化股份有限公司, 江苏 常州 213015)
摘要:针对现有矿用防爆无轨胶轮车温度监测方法存在温度测量范围窄、误差大的问题,设计了矿用防爆无轨胶轮车温度监测电路。该电路选择薄膜铂电阻作为传感元件,采用非线性电桥采集电路和运算放大电路采集微弱变化的电阻信号,利用非线性和线性计算方法计算出电阻值,从而通过电阻值计算出被测部件的温度值。实际应用表明,该电路运行稳定可靠,为矿用防爆无轨胶轮车电气执行部件可靠控制提供了稳定的基础支撑。
关键词:无轨胶轮车; 温度监测; 薄膜铂电阻; 最小二乘法; 误差控制
矿用防爆无轨胶轮车目前已成为很多煤矿非常重要的辅助运输工具,其主要分为人车、货车和特种车辆,分别完成煤矿井下人员输送、物料运输、大型设备铲运及牵引(如液压支架、重型电气等设备的铲运)。
由于矿用防爆无轨胶轮车没有轨道限制,适应性强,机动灵活性好,其应用范围越来越广泛[1]。国家安监部门以及相关标准委员会出台了矿用防爆柴油机无轨胶轮车方面的标准,如MT/T 989—2006《矿用防爆柴油机无轨胶轮车通用技术条件》、MT/T 990—2006 《矿用防爆柴油机通用技术条件》、GB 20800.3—2008 《存在甲烷和(或)可燃性粉尘的地下矿区巷道用Ⅰ类内燃机》。在这3项标准中,对防爆无轨胶轮车的温度参数监测及保护提出了多项要求,如柴油机冷却液温度、柴油机表面温度、机车尾气排放温度、空压机进排气温度、机油温度、液压回路油温、变矩器温度、制动器温度等10多处温度监测。以上这些关键部件的温度,不仅是安全参数,也是矿用防爆无轨胶轮车保护保养的重要参数[2]。如发动机排气温度,行业标准要求低于68 ℃,高于此温度时,排放的气体中可能带有火花,会引燃机车运行环境中的瓦斯而引起安全事故;发动机冷却液是发动机机体循环冷却的重要介质,冷却液温度过高导致机体热量无法散发,发动机活塞拉缸烧瓦对发动机本身是致命损害。目前,一般采用热膨胀保护措施,通过膨胀液或者金属的热胀冷缩特性来实现温度保护,当温度过高时,金属延展片触点热胀导通,接通电磁阀回路,通过断气来停止发动机运转,从而达到热保护目的。通过金属延展片的热胀冷缩特性来监测温度,存在误差较大的问题,且下降特性非常不好,时间长。针对现有温度监测方法存在的问题,笔者设计了矿用防爆无轨胶轮车温度监测电路。
传统的集成式温度传感器(如AD590、DS18B20)无法满足矿用防爆无轨胶轮车测温方面的现场要求。集成式温度传感器一般监测范围为-20~+125 ℃,而发动机表面温度高达148 ℃,集成式温度传感器无法满足发动机表面温度的监测要求。为此,笔者选择铂电阻作为矿用防爆无轨胶轮车温度监测电路的温度传感元件。铂电阻的电阻值会随着温度变化而改变,通过电阻与温度的对应关系,可计算出当前被测部件的温度。铂电阻的物理化学特性稳定,反应灵敏,应用范围广泛[3]。实际应用中以薄膜铂电阻居多,薄膜铂电阻用陶瓷和铂特制而成,将铂薄膜通过激光喷溅在陶瓷表层,然后覆盖以陶瓷,这样的工艺使得薄膜铂电阻能够承受高电压并具有良好的绝缘性,同时具有良好的防振和防冲击性,因而在高温下能够保持优良的稳定性,适合在-50~400 ℃温度下使用。矿用防爆无轨胶轮车温度监测电路将薄膜铂电阻封装在导热性好的金属材料内部,如铜质外壳,然后灌封导热硅脂,在外壳表面配以合适螺纹,安装到被测部件上。
2.1 电路原理
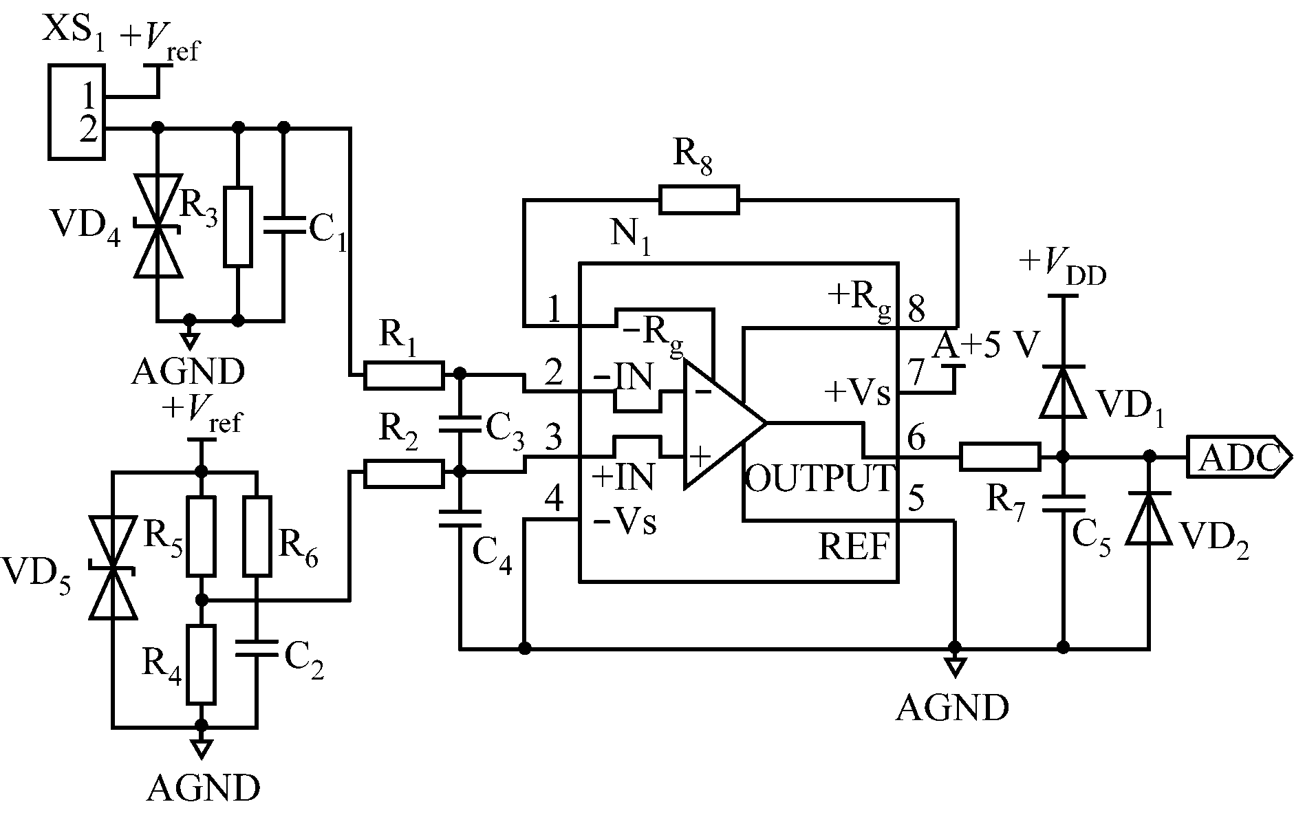
铂电阻的阻值变化范围为0.37~0.39 Ω/℃,属于弱信号,一般采用差分比较,将微弱差分信号放大处理成单端信号,最后由微处理器采集计算。基于以上思路,设计了非线性电桥采集电路和运算放大电路来采集微弱变化的电阻信号值。温度监测电路原理如图1所示。在图1中,C1,C2,C3,C4,C5为工频滤波电容;VD4,VD5为TVS管,用于抑制瞬态脉冲以及静电;VD2为微处理器端口稳压管,与R7一起保护单片机端口;VD1为单向导通二极管,在ADC端口出现过压时VD1导通,使得ADC端口钳位在VDD+0.7 V,VD1与VD2、R7同时使用,对微处理器端口进行双重保护。

图1 温度监测电路基本原理
信号传输过程:被测部件的温度变化通过热传导方式传导到铂电阻(XS1)上,导致铂电阻阻值发生变化;通过惠更斯电桥将变化的电阻值转换为差分电压信号并输出至运算放大电路,最后运算放大电路输出单端电压信号给微处理器采集计算。
2.2 电路关键参数匹配
电路设计中,运算放大电路采用单电源供电, +Vs引脚接模拟电源A+5 V,-Vs引脚与模拟地线AGND接在一起。R5,R4,XS1和R3构成一个基本的惠更斯电桥电路;R5,R4为一支桥臂,XS1和R3组成另外一支桥臂。电桥参数配置充分考虑了铂电阻在0 ℃时的输出电阻误差,所以,在已知桥臂R5端并联了电阻R6,使得R5//R6后略小于100.00 Ω,各电阻的参数匹配见表1,各电阻的精度均为0.5%。
表1 温度测量电路中各电阻的参数匹配

电桥共模电压+Vref可以通过代数计算消除,其值选定主要参考运算放大电路的最大输出电压与共模输入电压之间的关系[4],如图2所示,一般+Vref选在+2 V左右,使得输出电压无截止现象出现。

图2 运算放大电路的最大输出电压与共模输入电压的关系
为了反映被测温度传感器电阻值与温度监测电路输出电压之间的固定函数关系,建立了数学模型,给出了电桥的非线性计算方法以及由非线性方法提取的线性公式。实际计算中往往采用线性公式,且误差在可控范围之内。
3.1 非线性计算方法
图1中电桥输出的毫伏级差分信号经R1、R2后至运算放大器N1的2、3引脚,理论上N1的2、3引脚的压差为
(1)
式中:Rx为被测铂电阻阻值;Vref为电桥共模电压。
微处理器采样值与端口电压之间的换算关系如下:
(2)
式中:x为微处理器采样值;N为微处理器模数转换采样位数;UADC为微处理器模数转换端口电压。
U32差分信号经运算放大电路后转换为单端电压信号UADC,放大倍数G由运放器件外置电阻R8决定。
(3)
将式(1)、式(2)代入式(3),并将表1中相关数值代入计算,设y=Rx,采样位数N取10位模数转换,整理可得

(4)
由式(4)可根据微处理器的模数转换值计算出当前铂电阻的电阻值,当模数转换采样位数为其他值,如12、16采样位数时,可将其重新代入式(1)—式(3),求解最终计算公式。
3.2 线性计算方法
在实际应用中,由式(4)可演变为线性公式来取代理论上的非线性计算方法,达到简便计算的目的,且误差在可控范围之内。取式(4)曲线上零点和满量程两点对应的采样值和电阻值:x=39,y=100.00 Ω(对应0 ℃);x=643,y=161.05 Ω(对应160 ℃)。将两点的值代入线性方程y = kx + b中,可以求出k和b的值:k=0.101 076;b=96.058 03。将k,b代入方程可得
y=0.101 076x+96.058 03
(5)
如果在温度采集中,不标校零点和满量程温度点,则式(5)中的k,b值可直接使用,作为默认值写入软件中存储。如果需要精确的温度值,则需要标校,程序中根据两点重新计算k,b值并保存。不同的电路板,由于电子器件参数不一致性,k,b的值也不同。
3.3 2种计算方法的误差评估
(1) 误差范围计算。在实际计算中,如果不需要精确测量温度,允许测量误差在给定的误差范围之内,则式(4)和式(5)均能满足要求。如果需要精确测量温度,则需要用标准电阻器对零点和满量程温度点进行温度标校,如0,160 ℃。在软件程序处理上,记录零点温度和满量程温度时的模数转换采样值,重新计算线性方程的k,b值,并存入掉电保持存储器,以便后期使用。
用式(5)来代替式(4),绝对误差≤0.37 Ω,即有些情况下可能导致1 ℃的误差。将式(5)与式(4)相减,可得
Δy=0.101 076x+96.058 03-
-2 490,
x∈(0~160)
(6)
对式(6)进行求导,可求得其极值。当x=81,Δy=0.368 6时,误差小于温度1 ℃时的分度值(0.37 Ω)。误差曲线如图3所示[3]。

图3 线性与非线性公式绝对误差曲线
(2) 基于最小二乘法的曲线拟合计算。考虑用m次多项式来拟合n+1(m<<n)个观测数据点(xk,yk),k = 0,1,…,n,即
,则观测数据与拟合曲线的偏差平方和为
,对F(a0,a1,…,am)求偏导数得到(a0,a1,…,am),使得m次多项式拟合的曲线偏差平方和最小,即可求得y(x)表达式[4-5]。
在此例中,取零点、偏移最大点以及满量程点共3组离散数据(0,80,160 ℃时对应的电阻值,电阻数据放大10倍,数据中有2组数据相同,便于二次多项式拟合):(x0,y0)=(1 000,1 000);(x1,y1)=(1 312.8,1 309);(x2,y2)=(1 312.8,1 309);(x3,y3)=(1 610.5,1 610.5)。通过相关矩阵方程计算,可得二次曲线方程为
f(y)=(4.08×10-5)y2+0.894y+65.72
(7)
通过线性公式计算得到铂电阻值后,将其代入式(7),修正图3中绝对误差值,修正后的误差曲线如图4所示[3],绝对误差≤0.016 Ω,对被测点温度控制可达到0.5 ℃以内。

图4 曲线拟合修正后的绝对误差曲线
可通过如下3种方法实现由铂电阻值求得被测部件的温度。
(1) 公式计算法。《工业铂热电阻技术条件及分度表》在可控温度范围内给出了温度值与电阻值之间的计算公式。通过反函数(式(8))[3]计算当前部件的温度。
(8)
式中:R(0 ℃)、A、B均为常量;R(t)为温度为t时铂热电阻值。
(2) 分段线性计算法。仔细研究《工业铂热电阻技术条件及分度表》可发现,在0~160 ℃区间,温度变化1 ℃,铂电阻值大都变化0.37~0.39 Ω,但不是完全线性关系,可通过每隔15 ℃划分一个线性区间来计算t=f(R)之间的对应值,以避开式(8)开平方数学公式计算。举例如下:
将上述数据代入t=f(R)=kR+b,可求得k=2.564 102,b=-256.410 2,即
t=f(R)=2.564 102R-256.410 2
(9)
其他区段按照式(9)的计算方法来计算线性公式。
(3) 查表法。《工业铂热电阻技术条件及分度表》中同时列出了铂电阻值和温度值之间的对应表,现已知电阻值,可通过查表方法得知对应的温度值。在软件处理上,可将电阻值存储在code空间的数组中。注意:由于电阻值带有2位小数,可将其扩大100倍后用无符号整型来存储,这样比直接用浮点数存储节省code空间。随着温度不断增加,电阻值对应单调递增,即数组中的数据已排序好,查找算法可采用“二分法”来实现,比顺序查找效率要高。
以上3种计算方法中,公式计算法涉及数学计算开平方函数,浮点运算量较大,但软件代码简洁;分段线性计算法代码量较大,但当判断出温度在某一个区间后,执行指令较少;查表法采用“二分法”查表,代码量适中,但录入查表数据需要占据一定的code存储空间。综合考虑3种计算方法的优缺点,并结合温度监测电路的实际情况,本文采用查表法。
鉴于矿用防爆无轨胶轮车温度监测的重要性,选用薄膜铂电阻作为传感元件,设计了矿用防爆无轨胶轮车温度监测电路并建立数学模型。该电路利用非线性和线性计算方法计算出电阻值,再通过电阻值计算出被测部件的温度值。该电路已在WC5E、WC10E、WC40Y(D)等多种矿用防爆无轨胶轮车上使用。实际应用表明,该电路运行稳定,为矿用防爆无轨胶轮车电气执行部件可靠控制提供了稳定的基础支撑。
参考文献:
[1] 戴志晔.煤矿井下无轨胶轮车的现状及应用[J].煤炭科学技术,2003,31(2):21-24.
[2] 晏伟光.煤矿井下防爆柴油机车安全保护系统应用现状分析[J].煤炭工程,2010(11):108-110.
[3] 李飞.防爆柴油机车自动保护装置测温方法研究[J].工矿自动化,2012,38(11):81-83.
[4] 黄大勉,羊梅君.一种新的校正铂电阻传感器非线性的数学方法[J].传感器技术,2004,23(6):44-45.
[5] 朱育红. 工业铂电阻精确测温的方法[J].中国测试技术, 2007,33(4):50-52.
CHENG Liusheng1,2
(1.CCTEG Changzhou Research Institute, Changzhou 213015, China;
2.Tiandi (Changzhou) Automation Co., Ltd., Changzhou 213015, China)
Abstract:In view of the problem of measurement narrow range and great error of temperature monitoring method for existing mine-used explosion-proof trackless rubber-tyred vehicle,a temperature monitoring circuit of mine-used explosion-proof trackless rubber-tyred vehicle was designed. The thin film platinum resistor was chosen as the sensing element of the circuit, nonlinear bridge sampling circuit and operational amplifier circuit were used to collect weak resistance signals, nonlinear and linear calculation method were used to calculate the resistance value, so as to calculate the temperature of tested unit by resistance value. The actual application shows that the circuit is stable and reliable in running, which provides a stable foundation support of reliable control for mine-used explosion-proof electrical rubber-tyred vehicle.
Key words:trackless rubber-tyred vehicle; temperature monitoring; thin film platinum resistance; the least square method; error control
作者简介:程刘胜(1983-),男,安徽桐城人,工程师,硕士,主要从事煤矿车载监控产品的开发工作,E-mail:iter2002@163.com。 徐杰(1984-),男,江苏海安人,工程师,硕士,主要从事煤矿通信类产品的开发工作,E-mail:258163031@163.com。
基金项目:天地(常州)自动化股份有限公司科研项目(15SY001-02)。 天地(常州)自动化股份有限公司科研项目(15SY001-05)。
收稿日期:2015-08-10;修回日期:2015-11-19;责任编辑:张强。 2015-09-29;修回日期:2015-12-17;责任编辑:胡娴。
中图分类号:TD525
文献标志码:A 网络出版时间:2016-01-26 15:49
文章编号:1671-251X(2016)02-0067-05
DOI:10.13272/j.issn.1671-251x.2016.02.017
程刘胜.矿用防爆无轨胶轮车温度监测电路设计[J].工矿自动化,2016,42(2):67-71.