赵建文1, 李科1, 随晓娜1, 李鹤2, 何涛1, 张森林1, 朱静1
(1.西安科技大学 电气工程与控制学院, 陕西 西安 710054; 2.国网宿州供电公司, 安徽 宿州 234000)
摘要:提出了一种基于最小二乘矩阵束算法的矿井电网漏电保护新方法。该方法在附加直流源系统基础上,提取各支路零序电流信号,利用最小二乘矩阵束算法提取各支路零序电流信号的直流分量;根据提取出的各支路直流分量,计算各支路的对地绝缘电阻值;若某支路对地绝缘电阻值小于动作值,则判断该支路发生了漏电故障。仿真结果表明,该方法准确、可靠,适应性强。
关键词:矿井电网; 漏电保护; 附加直流源系统; 最小二乘矩阵束算法; 直流分量; 绝缘电阻值
中国煤矿井下电网普遍为中性点不接地系统。系统发生单相接地故障时,由于健全相的对地电压升高,导致系统发生弧光过电压,长期存在的漏电电流和电火花使系统绝缘受到威胁,容易升级为短路故障。为了及时采取防护措施,须对井下电网进行不间断的绝缘状态监测,使绝缘水平保持在稳定状态,防止漏电电流间接引起的电弧将防爆型电气设备的外壳烧穿,进而导致设备爆炸。漏电保护系统能够检查出漏电故障地点,并将其切除[1-2]。现有的煤矿漏电保护系统主要分为选择性漏电保护系统和非选择性漏电保护系统。选择性漏电保护系统主要基于零序过电流保护、零序功率方向保护;非选择性漏电保护系统主要基于零序电压保护、旁路接地保护、三相半波整流漏电保护、附加直流检测式保护等[3]。零序过电流保护存在检测灵敏度低,受系统运行方式、线路长度、过渡电阻等因素影响较大等缺点;零序功率方向保护存在保护动作电阻值不固定、需要有足够的零序电流值才能动作等缺点;零序电压保护、三相半波整流漏电保护存在动作值不稳定、动作没有选择性等缺点;旁路接地保护存在保护无选择性、动作值难以整定等缺点;附加直流检测式保护存在保护无选择性、保护动作时间过长等缺点。
本文提出一种新的漏电保护方法,即在附加直流源系统基础上,提取各支路的暂态零序电流信号,利用最小二乘矩阵束算法提取各支路暂态零序电流信号的直流分量,进而得到每条支路的对地绝缘电阻值并将其作为漏电保护判据,实现选择性漏电保护。
最小二乘矩阵束算法是一种以拉氏变换为基础的参数识别估计方法。该算法采用复指数衰减线性组合来拟合等间隔采样数据的数学模型,经适当扩充,可快速、准确地分析出故障后真实的信号频率、衰减因子、幅值和相位[4-8]。
设间隔采样数据的数学模型为
(1)
式中:f(x)为被测值函数;C1,C2,…,Cn为任意常数,n为采样点数;λ为任意实数;t为时间。
矩阵束定义为
(2)
式中: f(t,L)为函数g(t),h(t)的约束函数;L为束参数。
g(t)不能为h(t)的纯量倍数。设观测值为y(t),给出y(t)后,选择合适的g(t),h(t),L估计值,即可提取极点信息。
设信号可表示为M个具有任意幅值、相位、频率和衰减因子的指数函数的线性组合,即
y(kΔt)=x(kΔt)+n(kΔt)=
Aiexp[(-Di+jωi)kΔt]+n(kΔt)
(3)
式中:k=0,1,…,n-1;Δt为采样时间间隔;x(kΔt)为真实信号;n(kΔt)为噪声信号;Ai为第i(i=1,2,…,M)个信号的复幅值;Di为第i个信号的衰减因子;ωi为第i个信号的角频率。
令信号极点zi=exp[(-Di+jωi)Δt],则信号y(kΔt)的第k个采样值为
(4)
令

(5)

(6)
利用Ψ1,Ψ2构成矩阵束Ψ2-LΨ1。由矩阵束原理可知,信号极点zi即为Ψ2-LΨ1的广义特征值,因此求解zi即可得到[Ψ1Ψ2]的广义特征值:
(7)
式中bi为zi的广义特征值。
将式(7)等号两边同时乘以Ψ1的伪逆矩阵
,相减可得其等价形式:
(8)
式中E为M×M阶单位矩阵。
由式(8)可知,zi为
的特征值,进而可得zi;根据zi=exp[(-Di+jωi)Δt]可得第i个信号的衰减因子Di及其角频率ωi:

(9)
第i个信号的复幅值Ai满足方程:

(10)
式(10)可根据最小二乘法求得Ai,根据Ai可得出第i个信号的相位θi及幅值
i:
(11)
(12)
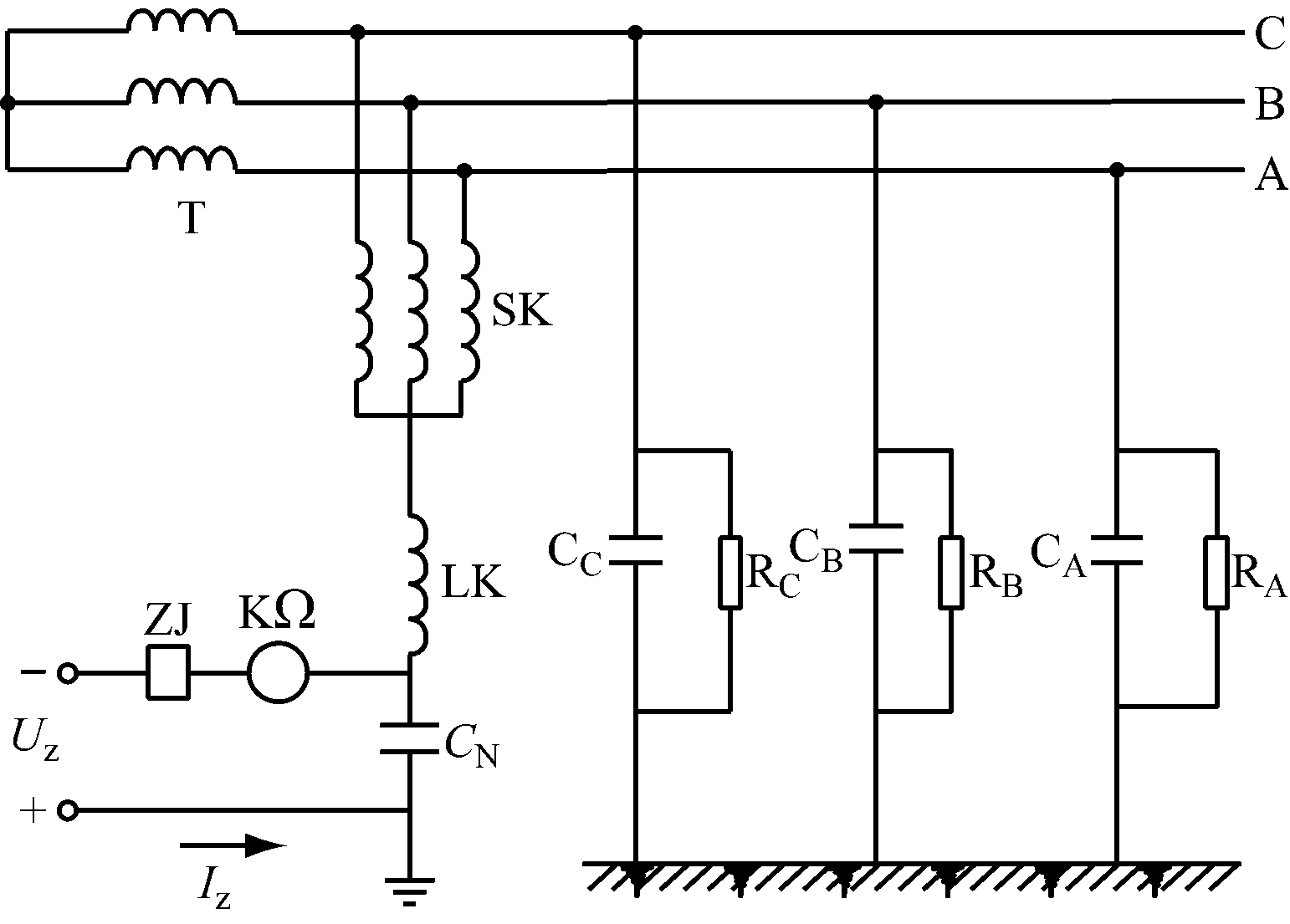
2.1 附加直流源系统漏电保护原理
附加直流源系统漏电保护原理[9]如图1所示。在变压器T的二次侧采用三相电抗器SK制造人为中性点,连接零序电抗器LK。当系统发生单相漏电故障时,附加直流源Uz所提供的直流电流Iz由其正极经大地、绝缘电阻(RA,RB,RC)、SK、LK流回附加直流源负极,构成回路。可采用千欧表KΩ检测电流,经计算得出电网总的对地绝缘电阻,进而判断是否漏电。ZJ为直流电流继电器,CA,CB,CC为三相对地电容,CN为隔直电容。

图1 附加直流源系统漏电保护原理
采用附加直流源系统漏电保护原理能够监测整个电网的绝缘水平,保护全面且动作无死区,保护可覆盖整个低压供电单元,符合《煤矿安全规程》规定的以绝缘电阻作为判据的要求[10-11],供电系统跳闸不受故障类型(对称或不对称)和故障时间、地点的影响,且对地绝缘电阻的计算易于编程实现。但该方法不具备选择性,无法选择故障支路,且以故障后稳态特征量作为漏电保护判据,难以满足漏电保护的速动性要求[12-13]。
2.2 漏电保护新方法
本文在传统附加直流源系统基础上,提出一种漏电保护新方法,即在每条支路上增加1个零序互感器,以获取电网发生单相漏电故障时各条支路的暂态零序电流信号,然后利用最小二乘矩阵束算法提取各条支路暂态零序电流信号中的直流分量,并据此计算各支路的对地绝缘电阻值,将对地绝缘电阻值作为判据[14],判断出故障支路。具体流程如图2所示。
3.1 仿真模型
目前井下低压供电系统大多采用380,660,1 140 V,其中660 V应用最广泛,因此本文针对660 V供电系统进行仿真实验。660 V供电系统模型如图3所示。零序互感器位于各条支路首段。支路L1中各相对地电容为0.4 μF,对地绝缘电阻为60 kΩ;支路L2中各相对地电容为0.3 μF,对地绝缘电阻为60 kΩ;支路L3中各相对地电容为0.3 μF,对地绝缘电阻为60 kΩ;支路L4中各相对地电容为0.2 μF,对地绝缘电阻为75 kΩ。R为限流电阻,Rg为接地电阻。附加直流源DC电压为36 V。

图2 漏电保护流程

图3 660 V供电系统模型
3.2 仿真算例
算例1: 支路L3发生单相漏电故障,A相接地(系统过补偿20%,则零序电抗器LK电感L=2.345 4 H,初相角θ=0°,接地电阻Rg=200 Ω。)
系统在t=0.01 s时发生单相漏电故障,各支路零序电流I波形如图4所示。
取t=0~0.03 s的数据,根据最小二乘矩阵束算法计算各支路的直流分量,进而得出各支路的对地绝缘电阻值,结果见表1。
从表1可看出,系统过补偿情况下,只有支路L3的对地绝缘电阻值小于11 kΩ。根据660 V供电系统漏电保护判据[15],可判断L3为故障支路。可看出漏电保护新方法在故障发生20 ms 内即可选择性判断出故障支路。

图4 系统过补偿时各支路零序电流波形
表1 各支路对地绝缘电阻值

算例2:L3发生单相漏电故障,A相接地(系统欠补偿20%,则零序电抗器LK电感L=3.518 1 H,初相角θ=0°,接地电阻Rg=200 Ω)。
系统在t=0.01 s时发生单相漏电故障,各支路零序电流波形如图5所示。

图5 系统欠补偿时各支路零序电流波形
取t=0~0.03 s的数据,得出各支路的对地绝缘电阻值,结果见表2。
表2 各支路对地绝缘电阻值

从表2可看出,系统欠补偿情况下,只有支路L3的对地绝缘电阻值小于11 kΩ。根据660 V供电系统漏电保护判据,可判断L3为漏电故障支路。可见漏电保护新方法在系统欠补偿情况下仍能够迅速判断出故障支路。
3.3 漏电保护新方法的适应性
在不同补偿状态、接地电阻、故障角情况下进行了大量实验,结果见表3、表4。可看出漏电保护新方法不受上述因素的影响,未出现错选或漏选情况。
表3 过补偿状态下漏电保护实验结果

表4 欠补偿状态下漏电保护实验结果

矿井漏电保护新方法在建立矿井电网附加直流源系统的基础上,利用最小二乘矩阵束算法提取各支路暂态零序电流中的直流分量,并利用绝缘电阻值进行选线。仿真结果表明,该方法能够迅速地选出故障支路,可靠性较高。
参考文献:
[1] 陈忠仁, 张波. 基于小世界网络模型的补偿电网单相接地故障识别与选线[J]. 电力系统保护与控制, 2013,41(3):86-90.
[2] 王韶,朱姜峰.基于改进相关分析法的配电网络单相接地故障选线[J].电力系统保护与控制,2012,40(15):76-81.
[3] 赵建文,侯媛彬.工矿电网漏电保护[M].西安:西安电子科技大学出版社,2013.
[4] 康小宁,刘鑫,索南加乐,等.基于矩阵束算法的经消弧线圈接地系统故障选线新方法[J]. 电力系统自动化,2012,36(12): 88-92.
[5] 索南加乐,王晨清,康小宁,等.基于分布参数频域模型识别的纵联保护原理[J].中国电机工程学报,2013,33(10): 145-153.
[6] 康小宁,屈亚军,焦在滨,等.基于最小二乘矩阵束算法的工频分量提取方法[J].电力系统自动化,2014,38(21):66-70.
[7] 张亮,张新燕,王维庆.基于改进多信号矩阵算法的电力系统低频振荡识别[J].电力系统保护与控制,2013,41(13): 26-30.
[8] 赵建文,尹项根.最小二乘参数识别的矿井电网选漏[J].电气应用,2011,30(8): 54-57.
[9] 高赟.一种附加直流电源漏电保护器的研制[J].工矿自动化, 2010,36 (4):22-24.
[10] 张国军,苏珂嘉.基于零序电流特征量的选择性漏电保护选线方法[J].工矿自动化,2012,38(3):51-54.
[11] 潘东明.低压电网中关于接地系统及漏电保护装置的分析[J].电源技术应用,2013(9):57.
[12] EISA A A A,RAMAR K.Removal of decaying DC offset in current signals for power system phasor estimation[C]//The 43rd International Universities Power Engineering Conference,Padova,2008:1-4.
[13] CHO Y S,LEE C K,JANG G,et al.An innovative decaying DC component estimation algorithm for digital relaying[J].IEEE Transactions on Power Delivery,2009,24(1):73-78.
[14] 国家安全生产监督管理总局.煤矿安全规程[M]. 4版.北京:煤炭工业出版社,2011.
[15] 邹有明,张根现,刘士栋,等.工矿企业漏电保护技术[M].北京:煤炭工业出版社,2004.
ZHAO Jianwen1, LI Ke1, SUI Xiaona1, LI He2, HE Tao1, ZHANG Senlin1 , ZHU Jing1
(1.School of Electrical Engineering and Control, Xi'an University of Science and Technology,
Xi'an 710054, China; 2.State Grid Suzhou Power Supply Company, Suzhou 234000, China)
Abstract:A new leakage protection method was proposed which was based on least-square matrix algorithm. In the method, zero sequence current signal of each brance is extracted on the basis of additional DC source system, and DC component of the zero sequence current signal is extracted by the least-square matrix algorithm. According to the DC component, insulation resistance value of each branch is calculated. If the insulation resistance value of a branch is bigger than action resistance value, the branch is judged as fault branch. The simulation result shows the method is accurate,reliable and with high adaptability.
Key words:mine power network; leakage protection; additional DC source system; least square matrix algorithm; DC component; insulation resistance value
作者简介:赵建文(1973-),男,陕西宝鸡人,教授,博士,研究方向为电网故障诊断与电力系统信号处理,E-mail:617511357@qq.com。通信作者:李科(1987-),男,河南商丘人,硕士研究生,研究方向为电力系统故障检测、电能质量,E-mail:likefrp@126.com。 张玉武(1980-),男,河南南阳人,工程师,现主要从事煤矿机电管理工作,E-mail:41557010@qq.com。
基金项目:陕西省科技厅计划项目(2015GY049);陕西省教育厅专项科研计划资助项目(2013JK0867)。
收稿日期:2015-09-07;修回日期:2015-12-15;责任编辑:李明。 2015-11-20;修回日期:2015-12-20;责任编辑:李明。
中图分类号:TD60
文献标志码:A 网络出版时间:2016-01-26 15:46
文章编号:1671-251X(2016)02-0047-05
DOI:10.13272/j.issn.1671-251x.2016.02.012
赵建文,李科,随晓娜,等.矿井电网漏电保护新方法[J].工矿自动化,2016,42(2):47-51.