王东峰1,2, 张开如1,2, 王毅1,2, 王永立1,2
(1.山东科技大学 电气与自动化工程学院, 山东 青岛 266590;2.山东科技大学 矿山灾害预防控制省部共建国家重点实验室培养基地, 山东 青岛 266590)
摘要:针对传统矿用异步电动机软启动方式存在电动机启动电流大、启动转矩小、无法实现重载或满载启动的缺点,在原有的分级离散变频原理基础上,对调压电路、保护电路等进行了改进,提出了一种改进的矿用异步电动机分级离散变频软启动方式。主调压电路采用门极可关断晶闸管GTO代替传统的可控硅晶闸管来调节电源频率,并用理想型开关组代替三相断路器来控制其关断,从而防止过电压或过电流对电路造成损害,达到保护电路的目的。Matlab仿真结果表明,改进的分级离散变频软启动方式不仅能降低启动电流,增大启动转矩,还能有效保护电路。
关键词:异步电动机; 软启动; 分级离散变频; 门极可关断晶闸管
目前,三相异步电动机在社会生产和生活中的应用越来越广泛,已经深入到各个领域和行业,尤其是在矿业中有着极其广泛的应用[1-5],但其启动问题一直是研究热点。传统的异步电动机软启动方式是通过可控硅晶闸管来进行调压的,通过降低电压来减小启动电流,这种方法虽然解决了电动机直接启动时电流过大、传统减压不平滑等问题[6],但电动机输出转矩与电压平方成正比。因此,这种降压限流的启动方式使得电动机的启动转矩也大大降低,无法实现带重载启动。而在矿业生产中,需要电动机实现重载或满载启动的设备较多,如球磨机、矿井起重机、带式输送机、粉碎机等。为满足矿业生产的需求,寻求一种更加有效的电动机启动方式显得尤为迫切[7]。
分级离散变频软启动是一种新型的电动机启动方式,通过有选择性地触发半波导通,达到变压变频的目的,相比于传统的启动方式,具有冲击电流小、启动转矩大等优点。近年来相关专家学者对离散变频理论进行了补充和发展[8]。参考文献[1]提出了一种最优触发角的生成方法,通过设置最大子频率点来选择对称度良好的离散子频率和相位角,以此来获得最大转矩。参考文献[2]通过建立交流电动机的稳态数学模型,确定主调压电路采用晶闸管来改变电源频率,从而达到调压变频的目的,并采用对称分量法进行了理论分析。参考文献[3]设置了四级启动子频率,由二分频切换到工频时采用单神经元PID算法来实现限流目的。参考文献[4]通过研究分频相位组合及最优切换相位,解决了频率切换时转矩和转速脉动较大的问题,并提出了一种最优触发脉冲产生策略,为异步电动机的重载启动开辟了新的道路。参考文献[5]对传统的异步电动机离散软启动电路结构进行了改造,使得电动机在子频率运行时采用正序电压启动,在一定程度上保证了电动机的启动转矩,而当切换到工频时采用斜坡电压软启动方式,有效地限制了启动电流。
从以上分析可以看出,目前对离散变频技术的研究主要集中在通过改变晶闸管的触发策略和相位角等来达到提高启动转矩、降低启动电流的目的,而对调压电路的组成及电路保护等的研究不是很多。因此,本文在保护电路和调压主电路的组成等方面进行了改进。调压电路采用全控型晶闸管GTO来代替原有的可控硅晶闸管,保护电路用理想型开关组代替三相断路器来控制GTO晶闸管的导通和关断,当电路中出现过电压或过电流时,可以迅速闭合开关,将调压电路分离出来,从而可以避免过电压或过电流对电路造成损害,达到保护电路的目的。通过分析分频电压的相序及最佳初相角的组合,确定了能够使输出转矩最大的最佳相位角,并选定了分级启动的各个子频率,最后通过Matlab仿真模型验证了改进后的软启动方式不仅能降低启动电流,增大启动转矩,还能有效保护电路。
分级离散变频即在不改变晶闸管软启动器的基本电路结构情况下,引入变频器的交-交变频理论,并通过控制晶闸管的导通和截止,有选择地使工频供电电源的半个周波全部或部分通过,使得电压和电流下降的同时,电源频率也降低,从而提高电动机的启动转矩。离散变频虽然可以实现频率变化,但不能使之连续、线性地发生变化,而只能是原工频电压的任一整数分频。例如,对于频率为50 Hz的工频电源来说,依次进行2,3,4,7,10分频,就可以得到频率为25,16.7,12.5,7.1,5 Hz的离散子频率。
本文所设计的离散变频主电路主要由GTO晶闸管调压模块、电压检测模块、触发电路模块、电流检测模块、显示模块、主控制电路模块组成,其工作原理如图1所示。

图1 离散变频主电路工作原理
离散变频后所得到的分频电压中会包含正序、负序、不对称相序等多种情况。正序电压会使电动机正转,负序电压会使电动机反转,因此,必须要分析分频后的电压相序和初相角,从中选取最合适的分频电压和相位组合。
设三相对称电压为

(1)
式中:U0为三相电压幅值;ω0为角频率。
若分频数为r,分频后的角频率为ω,则
ω0=rω
(2)
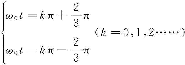
分频后的基波电压过零点与工频电压过零点相同,为其中2个过零点中的1个。设a相初相角为0,则对于b,c相有

(3)
若分频后的电压正序对称,则对于b,c相有

(4)
由式(1)—式(4)可以推导出含有正序对称的分频数为
r=3k+1
(5)
对于任意的正整数r,其所对应的离散分级序列见表1。
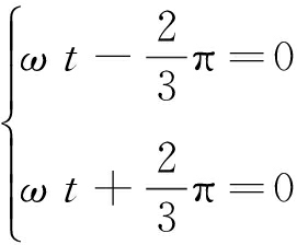
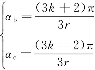
若分频后的电压为不对称电压,设其过零度角为αb,αc,则
表1 离散频率(f)分级序列

(6)
由式(3)、式(6)可得

(7)
由式(7)可推导出各分频电压的初相角、相序及分频数与相序组合数的关系。当分频数为r时,相序组合数为(2r)2。以2分频为例,其相位角见表2。
表2 2分频相位角

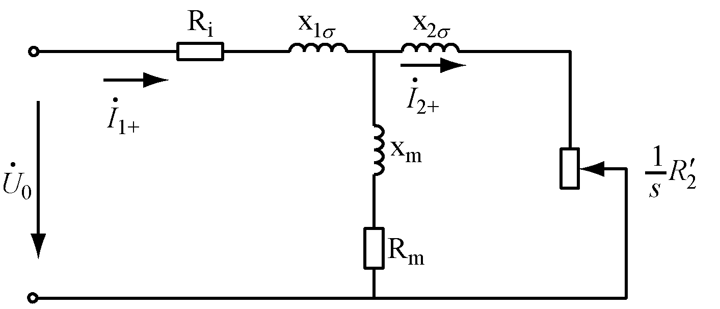
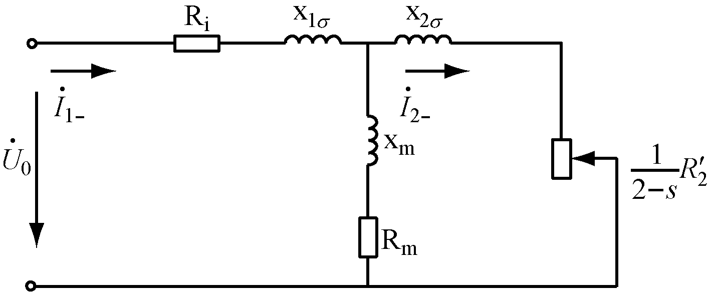
三相异步电动机在不对称电源下运行时,零序分量对电动机的转矩无影响,因此,仅需考虑正序分量和负序分量即可。电动机正序、负序等效电路如图2所示。2个分量所产生的转矩经过矢量合成后,即为不对称电源下电动机的转矩。

(a) 正序

(b) 负序
图2 电动机等效电路
正序分量下电磁转矩为
(8)
式中:m为电动机相数;p为电动机极对数;
为转子电阻。
负序分量下电磁转矩为
(9)
在不对称电源作用下的电动机总电磁转矩为正序分量与负序分量的矢量和,即T=T++T-。
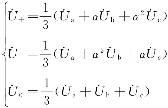
不对称变量都可以通过对称分量法分解为各序分量,分频后的不对称分频电压中包含正序、负序、零序3种分量,用对称分量法分解出的各序分量为

(10)
式中α为旋转因子,α=exp(-j120°)。
对于含有正序分量的对称相序组合,可以通过对称分量法计算,选取其中正序分量最大的组合,结合Matalb仿真即可确定能产生最大转矩的分频电压及初相角组合。经过分析,虽然3分频和2分频中不包含正序对称相序的电压,但通过对其相位角的分析和对称分量法的分解,仍然可以找到合适的正序分频电压和最佳相位角组合。同理可以推出其他具有不对称相序的分频电压获得最大转矩的最佳相位角组合。以3分频为例,经过计算得出的相位角组合见表3。
表3 3分频电压及相位角组合

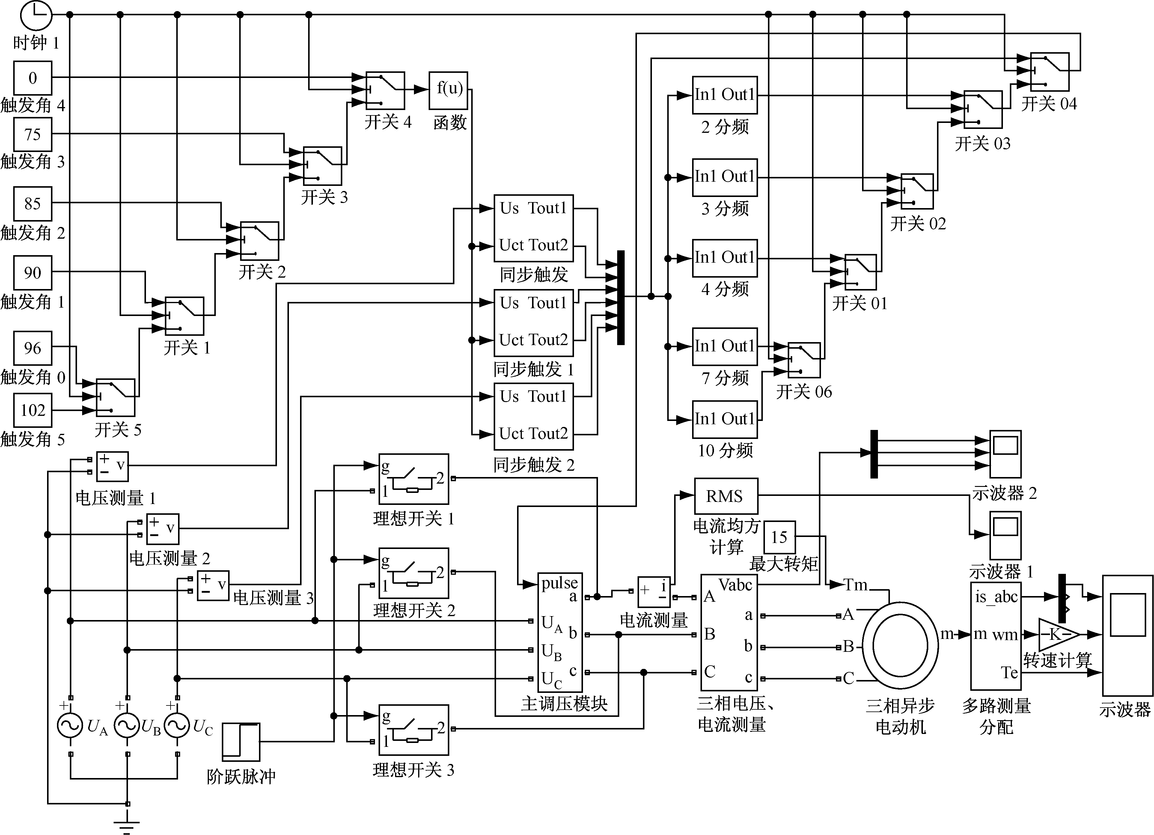
分级离散变频软启动器的仿真模型主要由三相电源模块、GTO晶闸管调压模块、触发角模块、脉冲发生器模块、分频信号模块、理想开关组模块、电动机测量模块等组成,如图3所示。离散变频获得分频电压时,理论上可以实现对工频电压的任意整数次分频,但在实际应用中是带异步电动机启动,不宜选取过小的频率,因此,本文直接选定含有正序对称相序的10分频为分频电压的最小频率[9]。传统的离散变频方式在选定子频率时,往往采用由4分频直接向工频过渡的形式,由于频率相差太大,这种启动方式使得电动机电流抖动比较剧烈,转速波动也较大,容易造成启动失败[10]。为了克服这一缺点,本文在4分频和工频电压之间添加了3分频和2分频电压作为过渡,尽可能使各分频电压无缝衔接,确保了切换时的稳定性。最终所选定的分级启动的5级子频率为f/10,f/7,f/4,f/3,f/2。电动机参数如下:额定功率Pn=10 kW,额定电压Vn=380 V,额定频率fn=50 Hz,定子绕组电阻Rs=0.435 Ω,定子绕组电感L1s=0.002 H,转子绕组电阻Rr=3 Ω,转子绕组电感L1r=0.002 H,互感系数Lm=0.069 31 H,转动惯量J=2 kg·m2,磁极对数N=4。
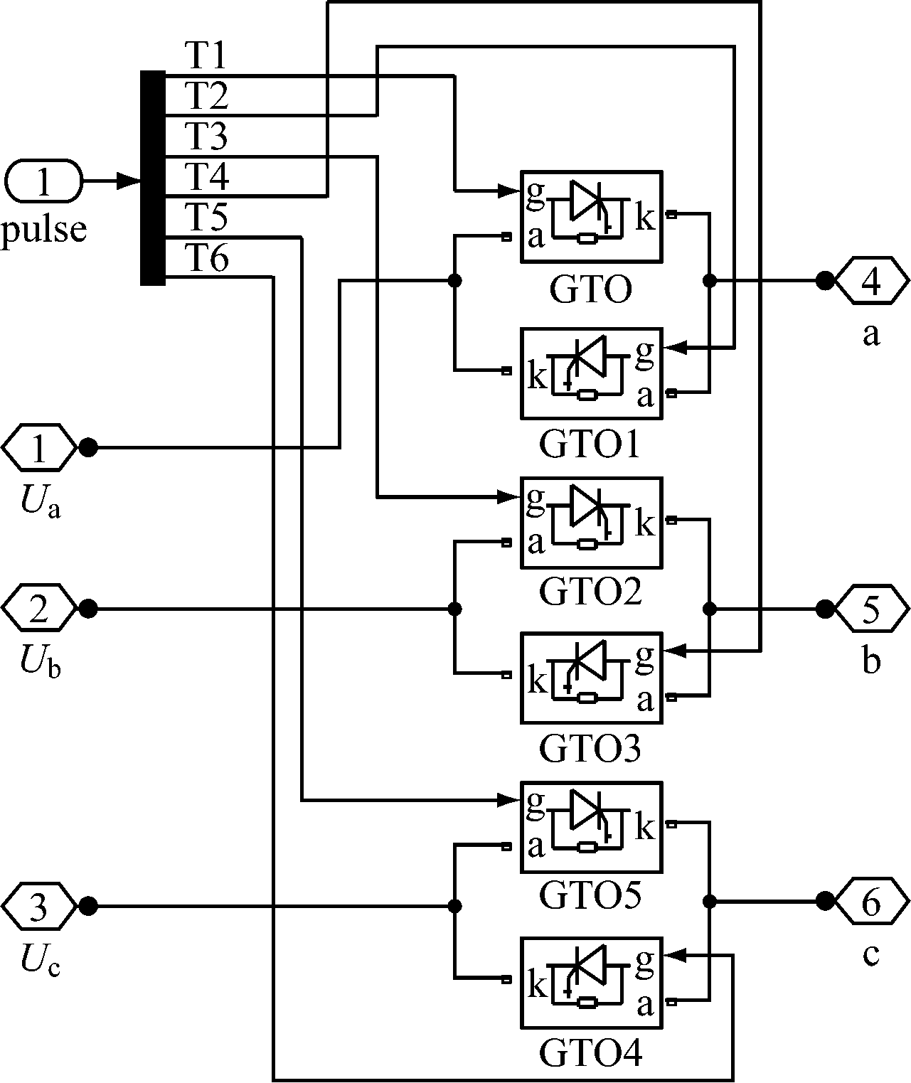
采用全控型晶闸管GTO进行调压的主电路模型如图4所示。
利用上述模型对电路进行仿真,图5—图10分别给出了电动机直接启动、斜坡启动、限流启动、普通晶闸管离散变频启动、GTO晶闸管离散变频启动、采用三相断路器保护电路的仿真波形。
对比几种常见软启动方式的仿真波形(图5—图7)可以看出,直接启动方式所需要的稳定时间最短,约为0.9 s,最大启动电流可达100 A,为额定电流的3~4倍,稳定电流为15 A,转矩脉动较大,波动范围为0~800 N·m;斜坡电压启动所需要的稳定时间最长,约为7.5 s,最大启动电流达30 A,稳定电流为15 A,启动转矩和转矩脉动都较小,波动范围为-50~50 N·m;限流软启动能有效限制启动电流,使之平稳增长,稳定电流为15 A,所需要的稳定时间介于直接启动和斜坡启动之间,约为1.8 s,但启动转矩较小,转矩脉动较大,波动范围为-50~250 N·m。
对比2种离散变频启动仿真波形(图8,图9)可以看出,当离散变频主调压电路采用普通晶闸管时,电动机的启动电流相对较小,但当由二分频向工频过渡时,电流波动较大,过渡不平滑[11],启动转矩较大,最大可达250 N·m,为传统软启动方式的5~6倍。而当采用全控型晶闸管GTO作为主调压电路时,电动机启动电流较小,稳定在-50~50 A,由二分频向工频过渡时,电流波动也较小,过渡非常平滑[12],同时间内电动机转速也相对较高,而且在0~0.5 s内启动转矩也明显增大,最大可达800 N·m,为普通晶闸管离散软启动时的2~3倍,软启动效果更加理想。
由图10可以看出,当保护电路选用三相断路器时,在0~0.5 s内,电流和转矩抖动比较剧烈,容易对电动机造成冲击。
综合以上对比结果可知,当电动机直接启动时,启动时间最短,但启动电流较大,且启动转矩波动也大,获得的转矩稳定时间短,不适合带重载启动。采用斜坡软启动方式时,虽能有效降低启动电流,但启动转矩也变小,且启动时间较长。限流软启动方式虽能有效限制电动机的启动电流,但无法增大其启动转矩,因此,不能实现带重载启动。当采用GTO晶闸管离散变频启动时,电动机冲击电流较小,且切换时的电流波动小,获得的启动转矩较大,而保护电路选用理想型开关能有效防止电流和转矩发生剧烈抖动,因而更适用于矿井提升机等需要重载或满载启动的场合。

图3 分级离散变频软启动器仿真模型

图4 三相交流调压主电路模型



图5 电动机直接启动仿真波形



图6 电动机斜坡启动仿真波形



图7 电动机限流软启动仿真波形



图8 电动机采用普通晶闸管离散变频软启动仿真波形



图9 电动机采用GTO晶闸管离散变频软启动仿真波形



图10 电动机采用三相断路器保护电路启动仿真波形
介绍了离散变频软启动的基本原理及构造,并对其电路结构进行了改进,提出了一种改进的矿用异步电动机分级离散变频软启动方式,将传统交流调压主电路中的可控硅晶闸管换成全控型晶闸管GTO,通过理想型开关组来控制其关断,从而防止过电压或过电流对电路造成损害,达到保护电路的目的。通过对称分量法分析各分频电压的相序及初相角的组合,确定了能使输出转矩最大的最佳相位角。最后通过Matlab搭建离散变频软启动的仿真模型,并将仿真结果分别与全压启动、斜坡启动、限流启动及采用普通晶闸管离散变频启动和用三相断路器保护电路的仿真结果作对比,验证了离散变频软启动方式的可行性与有效性。
参考文献:
[1] 佘致廷,皮玉,周米洋,等.感应电机离散变频高转矩软启动器的研究[J].电气传动,2010,40(3):17-19.
[2] 胡红明,毛承雄,陆继明,等.分级交-交变频高转矩软启动器原理和仿真[J].电气传动,2009,39(2):16-19.
[3] 严垚,王宏华.异步电动机分级变频软启动仿真研究[J].机械制造与自动化,2013,42(6):162-165.
[4] 周封,曹俊雷,刘健,等.电动机离散变频软起动分频及最优切换相位控制[J].电机与控制学报,2016,20(3):13-19.
[5] 阎超,石新春.感应电机离散频率软启动控制研究[J].大功率变流技术,2008(6):26-29.
[6] 孟彦京,陈君,高泽宇,等.感应电动机离散变频快速软起动研究[J].陕西科技大学学报(自然科学版),2016,34(2):154-159.
[7] 佘致廷,郑勇,张前海,等.基于多级离散变频的高转矩软启动技术[J].电源技术,2012,36(9):1374-1376.
[8] 李冬辉,吴昊,段克亮.基于离散变频技术的电机重载软起动系统[J].天津大学学报,2009,42(6):471-475.
[9] 钟士元,田建设.基于MATLAB的模糊异步电动机软起动系统的仿真[J].计算机仿真,2005,22(7):157-160.
[10] 孙津济,房建成,王建民.异步电动机软起动过程中的振荡[J].电工技术学报,2007,22(2):15-21.
[11] 胡红明,袁佑新,毛承雄.分级变频的转矩平滑上升软起动器[J].华中科技大学学报(自然科学版),2011,39(9):62-65.
[12] 赵凯岐,王毅,徐殿国,等.晶闸管控制的感应电机中提高起动电磁转矩的一种新策略[J].中国电机工程学报,2004,24(3):145-150.
Research on soft start mode of grading discrete frequency conversion for mine asynchronous motor
WANG Dongfeng1,2, ZHANG Kairu1,2, WANG Yi1,2, WANG Yongli1,2
(1.College of Electrical Engineering and Automation, Shandong University of Science and Technology,Qingdao 266590,China; 2.State Key Laboratory of Mining Disaster Prevention and Control Cofounded by Shandong Province and the Ministry, Shandong University of Science and Technology, Qingdao 266590, China)
Abstract:In view of problem that traditional soft start mode of mine-used asynchronous motor has big starting current, small starting torque, and cannot achieve overload or full load start, voltage regulation circuit and protection circuit were improved based on existing grading discrete frequency conversion principle, and an improved soft start mode of grading discrete frequency conversion for mine asynchronous mator was put forward. The main voltage regulator circuit uses gate turn-off thyristor GTO instead of traditional SCR thyristor to adjust power frequency, and uses ideal switch group instead of three-phase circuit breaker to control its turn-off, so as to prevent circuit damage caused by over-voltage or over-current, and achieves purpose of circuit protect. The Matlab simulation results show that improved soft start mode of grading discrete frequency conversion can not only reduce starting current and increase starting torque, but also effectively protect the circuit.
Key words:asynchronous motor; soft start; grading discrete frequency conversion; gate turn-off thyristor
收稿日期:2016-07-25;
修回日期:2016-10-30;责任编辑:胡娴。
基金项目:“十二五”国家科技支撑计划项目(2012BAB13B04)。
作者简介:王东峰(1989-),男,山东潍坊人,硕士研究生,主要研究方向为电力系统运行与控制技术,E-mail:237373481@qq.com。
文章编号:1671-251X(2016)12-0050-06
DOI:10.13272/j.issn.1671-251x.2016.12.011
中图分类号:TD614
文献标志码:A
网络出版:时间:2016-12-01 10:33
网络出版地址:http://www.cnki.net/kcms/detail/32.1627.TP.20161201.1033.011.html
王东峰,张开如,王毅,等.矿用异步电动机分级离散变频软启动方式研究[J].工矿自动化,2016,42(12):50-55.