陈湘源
(榆林神华能源有限责任公司, 陕西 榆林 719000)
摘要:针对煤矿井下分散式供电存在可靠性低、抗干扰能力差、后备电池容量不方便扩展等问题,研制了智能一体化后备电源,详细介绍了该电源的工作原理和组成。该电源抗干扰能力强,具有过压、过流、短路等故障的快速诊断、快速定位功能,可防止电池组过放电,为数字化矿山各类系统提供了可靠、经济、安全的不间断供电。
关键词:煤矿供电; 分散式供电; 逆变技术; 故障诊断; 放电管理
目前,大多数煤矿装备了监测监控系统、人员定位系统、无线通信系统等各类数字化矿山系统,系统设备分布广,布置比较分散[1],大多采用分散式供电模式,就近接入巷道内排水、照明供电系统,可靠性较差,供电发生故障后停电时间长,无法保证数字化矿山系统可靠运行,影响煤矿安全生产。
分散式供电模式主要是指各类系统的隔爆兼本安不间断电源取电自不同馈电开关,如图1所示。
分散式供电模式具有接线方便等优点[2],但此种方式亦存在某些局限性。

图1 分散式供电取电方式
(1) 电池容量扩展性差。现有隔爆兼本安不间断电源不具备扩展接口,当需要提高本质安全设备不间断供电时间时,只能通过外挂电池箱增加系统续航时间。
(2) 使用范围窄。难以实现隔爆交换机、隔爆PLC等设备AC127 V的接入,无法实现隔爆PLC、隔爆交换机等设备的不间断供电。
(3) 供电质量较差。由于井下变频器的干扰,馈电开关的输出电压存在较大的畸波,从而影响被供电设备的可靠性。
(4) 无电源管理功能。当设备故障时无法实现故障诊断,无法实现实时报警。
针对分散式供电模式存在的局限性,笔者研制了智能一体化后备电源,可为数字化矿山各类系统提供可靠、经济、安全的不间断供电。
1.1 电源工作原理
智能一体化后备电源主要由电源主机、电池箱、隔爆兼本安电源3部分组成。智能一体化电源工作原理如图2所示。

图2 智能一体化电源工作原理
正常工作时,AC660/1 140 V输入到电池箱,对电池箱中电池充电;市电存在时,AC660/1 140 V输入到电源主机,经过内部变压器、逆变电路后输出AC127 V,为隔爆兼本安电源、PLC、交换机等设备供电。
当交流断电时,多组电池箱的直流输出到电源主机,经过DSP逆变控制电路,实现AC127 V的不间断供电,保证各类系统隔爆兼本安电源的不间断供电。
通信接口采用标准的RS485接口,通信协议采用Modbus RTU协议,方便该电源与各类系统及传输设备互联互通。
1.2 电源组成
1.2.1 电源主机
电源主机是一体化后备电源的重要组成部分,以DSP为核心,DSP选用TMS320F28035。TMS320F28035是高性能的32位处理芯片,具有丰富的外设资源,完全可以满足智能一体化后备电源的需要。主机DSP逆变控制电路如图3所示,DSP完成AD转换、PWM波产生、双闭环控制算法等,其中,PWM模块实现定时、计数比较、死区控制、载波发生等功能,有效实现对整个电源的保护。
正常工作时,DSP 处理器的ADC模块实时检测电源主机、电池箱输入电压、输入电流、输出电压、输出电流等模拟状态量信息,当电池箱输入电压低于DC20 V时,切断AC127 V的输出,防止电池组过放电。

图3 主机DSP逆变控制电路
通过电平转换的隔离光耦有效实现故障状态等开关量信息的检测及隔离,防止127 V高电压对控制电路的干扰,通过专用PID算法对PWM驱动模块进行有效控制。
当出现输入缺相、输入过压、输出短路、输出过载、输出低压、通风机过热等故障情况,或电池箱出现电压过低、电压过高、输出放电过流等系统设备的非正常工作状态时,通过DSP的实时检测、分析、通信、报警等功能,可实现整个智能一体化后备电源的可靠工作。过流、过压保护电路如图4所示。
DSP程序包括系统初始化、各外设模块和变量初始化、保护控制操作及循环程序。主程序流程如图5所示,中断子程序流程如图6所示。
1.2.2 电池箱
电池箱后备电池选择60 A·h的磷酸铁锂电池,磷酸铁锂电池全新的实验室理论值有2 800次寿命,即经过了2 800次完整的DOD(Depth of Discharge,放电深度)依然可保证电池容量不小于80%,安全系数高,完全可满足现场的使用要求。
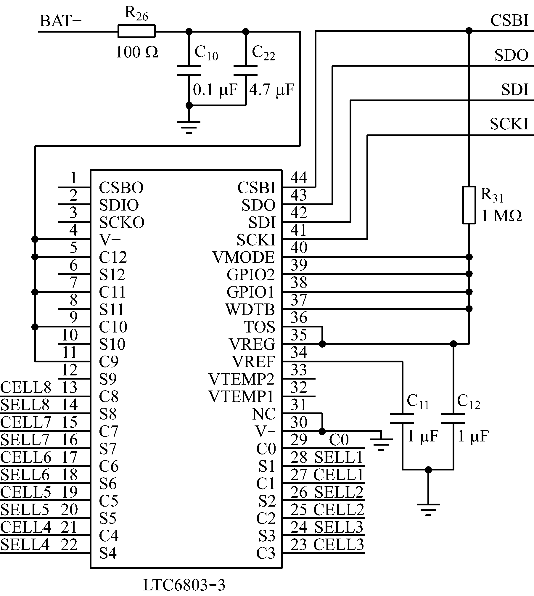
锂电池充放电管理电路如图7所示,选择LTC6803-3作为管理芯片,实现了8节电池的充放电管理。LTC6803-3内置12位ADC、一个精准型电压基准、一个高电压输入多路复用器和一个串行接口。每个LTC6803-3能够测量多达12个串接电池或超级电容器的电压。通过运用一个独特的电平移位串行接口可以把多个器件串联起来,以监视长串串接电池中每节电池的电压,每个电池输入具有一个相关联的MOSFET电源开关,用于对过度充电的电池进行放电,在内部将电池组的底端与电池负极相连。

(a) 过流保护电路

(b) 过压保护电路
图4 过流、过压保护电路

图5 主程序流程

图6 中断子程序流程
由于该电池箱选用磷酸铁锂电池作为后备电池,故要求其具有完善的保护机制。在电池箱正常充、放电过程中,单体电池的最高温度应不超过60 ℃,当环境温度超过55 ℃时实现报警,超过60 ℃时实现充放电回路断电;电池箱采用隔爆型式,其外壳防爆结构、性能和标志应满足GB 3836.1—2010的要求,其中放置电池的隔爆腔体能承受不小于1.5 MPa的静压试验。同时设计该电池箱时应保证磷酸铁锂蓄电池放置在独立的隔爆腔内,且该隔爆腔内只放置电池管理系统中检测单体电池温度的传感元件和防止锂离子蓄电池安装时发生短路的熔断器,不应放置其他电气元件,有效提高了整个设备的可靠性。

图7 锂电池充放电管理电路
电池箱具有比较全面、准确的保护机制,具有单体电池过充电压保护功能、单体电池过充电压保护失效检测功能、单体电池过放电压保护功能、单体电池过放电压保护失效检测功能、充电过流保护功能、放电过流保护功能、输出短路保护功能、温度保护功能、均衡充电控制功能、电池信息采集线开路保护功能。
1.2.3 隔爆兼本安电源
隔爆兼本安电源主要由隔离变压器、AC/DC开关电源、控制板、电源板、电池管理系统、电池组等组成,原理如图8所示。不同电压等级的交流输入经保险管进隔离变压器的输入端。隔离变压器的输出连接AC/DC开关电源,AC/DC开关电源输出稳定的直流电压。该直流电源分2路输出:一路经充放电电路连接蓄电池;另一路经DC/DC和本安保护电路得到稳定的本质安全电源输出。当交流电停电时,蓄电池中储存的电能通过电源控制板放电,保持稳定的电源输出,实现不间断供电功能。液晶显示板可显示本安输出电源是否正常信息、电池状态信息、交流电状态信息,并可将这些信息通过RS485总线上传到控制板。

图8 隔爆兼本安电源原理
该电源主要用于为ib等级本质安全设备供电,故采用双重化的本质安全保护电路,目前本质安全保护技术主要包括3种:一种是恒流耗能式保护电路,此种保护方式多采用功率电阻或其他功率器件作为保护器件实现本质安全输出保护,具有电路简单、成本低等优点,但无效损失太大,热量高,使用受限;另一种是截止式的保护电路,此种保护方式多采用开关管FET实现本质安全输出保护,具有保护反应速度快、本质安全值较大等优点,但灵敏度太高,环境中瞬时的EMC干扰将影响本质安全保护,从而影响设备的正常工作;还有一种是减流式的保护电路,此种保护方式是上述2种保护方式的结合,首先实现恒流保护,当恒流保护超时才实现截止保护,此种方式可把浪涌电流限制在一定范围内,有效实现了设备供电的可靠性,提高了整机本质安全输出的EMC性能,文中的本质安全保护电路采用减流式保护电路。
(1) 建立了完善的设备保护机制,任一台单机设备的输出、输入故障均不影响整个系统的正常工作。
(2) 智能一体化电源可以通过实验室“传导辐射、静电放电抗扰度、射频电磁场、浪涌冲击、电快速瞬变/脉冲群抗扰度”试验[3],保证整个数字化矿山供电系统现场运行的设备不受电磁干扰的影响。
(3) 实现了数字化矿山供电系统不间断供电时间的扩展,通过多台电池箱的接入,满足不同负荷功率设备供电的个性化要求,电池箱固定采用物理叠加的加固方式,空间上形成整体化的摆放,有效减小了整体体积。
(4) 可实现输入过压、输入过流、输入短路等故障的快速诊断和快速定位,有效保证了电源的安全。具有短路、后备电池亏电容量不足等自诊断功能;采用动态图形界面展示出系统供电状态、电源设备的工作状态,方便用户直观了解整个系统的工作状态[4]。
(5) 实现了电池的统一管理,通过挖掘后备电池充放电历史数据,结合当前电池的荷电容量、电压等数据实现了电池状态的专家分析,可提供专业的充放电解决方案,杜绝了电池长期浮充、过放等损害电池的操作,有效延长了电池的使用寿命;实现了专业的电池容量诊断功能,具有预防式的后备电池提醒功能,以便事先采取措施,预防后备电池放电时间不满足要求的情况发生[5]。
智能一体化后备电源实现了数字化矿山安全、可靠、经济的供电,解决了分散式供电模式存在的问题,提高了被供电设备的稳定性、可靠性。目前,该电源已在神华某大型矿井得到成功应用,核心重点区域不间断供电可以达24 h以上,得到了用户的好评。
参考文献:
[1] GB 3836.4—2010爆炸性环境第4部分:由本质安全型“i”保护的设备[S].
[2] 周书伟.UPS集中供电在深圳地铁中的应用[C]∥2013年轨道交通电气与信息技术国际学术会议(EITRT2013),长春,2013:28-30.
[3] 孔庆宇,陈凯利.井下供电标准化管理创新研究[J].煤炭科学技术,2013,41(增刊1):52-57.
[4] 李飞.浅析井下供电监控技术[J].机械管理开发,2014,29(1):55-57.
[5] 吴秀文.煤矿井下供电系统安全问题解决措施[J].科技与企业,2013(5):26.
CHEN Xiangyuan
(Yulin Shenhua Energy Co., Ltd., Yulin 719000, China)
Abstract:In view of problems of low power supply reliability, poor anti-interference ability and inconvenient extension of backup battery capacity existed in coal mine underground distributed power supply, an integrated intelligent back-up power supply was developed, working principle and composition of the power supply were introduced in detail. The power supply has strong anti-interference capability, rapid fault diagnosis, rapid fault positioning function for over voltage, over current, short circuit. The power supply can prevent battery discharge, and provides reliable, economic, safe and uninterrupted power supply for all kinds of digital mine system.
Key words:coal mine power supply; distributed power supply; inverter technology; fault diagnosis; discharge management
文章编号:1671-251X(2016)11-0081-04
DOI:10.13272/j.issn.1671-251x.2016.11.020
陈湘源.智能一体化后备电源研制[J].工矿自动化,2016,42(11):81-84.
收稿日期:2016-04-05;
修回日期:2016-09-28;责任编辑:张强。
作者简介:陈湘源(1972-),男,内蒙古鄂尔多斯人,注册安全工程师,现主要从事信息自动化管理方面的工作,E-mail:11632002@shenhua.cc。
中图分类号:TD611
文献标志码:A
网络出版:时间:2016-10-28 16:33
网络出版地址:http://www.cnki.net/kcms/detail/32.1627.TP.20161028.1633.020.html