张满, 王涛, 李志新
(中国矿业大学 信息与电气工程学院, 江苏 徐州 221008)
摘要:为解决三相四开关有源电力滤波器系统中IGBT开路故障诊断问题,提出了一种基于电压检测的IGBT开路故障诊断方法。该方法只需采集一个线电压信号,再结合系统控制器已经检测出的电流和IGBT开关信号,便可快速准确地诊断出故障并能确定故障位置。该方法适用于单管和多管的开路故障诊断。仿真和实验结果验证了该方法的有效性和可靠性。
关键词:三相四开关; 有源电力滤波器; 故障诊断; 电压检测
(School of Information and Electrical Engineering, China University of Mining and Technology Xuzhou 221008, China)
随着电力电子技术的不断发展,电力电子设备得到了广泛的应用,谐波所产生的危害也越来越严重[1]。现在抑制谐波的一个有效措施是采用有源电力滤波器[1](Active Power Filter,APF)。与三相六开关APF相比,三相四开关APF的一个桥臂由一对电容代替,成本和损耗得到了降低,也简化了驱动电路[2]。因此,三相四开关APF有很高的研究价值。IGBT作为APF的开关器件,它的可靠性直接影响到APF的正常运行[3]。IGBT作为逆变器件,长时间工作在高温、高频状态,因此,其很容易发生故障。APF在运行过程中,可能出现IGBT开路故障和短路故障,尤其在发生开路故障时,往往会选择不迅速停机,这将有可能造成更严重的后果[4]。在开关器件发生开路故障时,如何迅速诊断出故障并判断出故障位置,然后采取有效措施,避免更严重的损坏,得到越来越多学者的关注[5]。
对于IGBT开路故障,国内外已有很多研究,也提出了很多故障诊断的方法。参考文献[6-7]提出了平均电流Park矢量法,通过对比正常状态和故障状态时三相平均电流Park矢量的幅值和相位确定故障位置,但该方法在负载突变时容易出现误诊断。参考文献[8]提出了基于离散傅里叶变换的归一化方法,利用电动机电流平均值对基波分量进行归一化,从而避免负载突变时的误诊断。参考文献[9]提出了直流侧电流频谱分析法,根据直流侧电流频谱的低频部分判断故障,但该方法无法确定故障位置。参考文献[10]提出了一种电流矢量瞬时频率诊断法,根据瞬时频率值判断故障,该方法虽然简单、易实现,但不能判断出故障的具体位置。参考文献[11]提出了一种小波分析法,先对电流信号进行小波变换,然后根据提取的特征信号判断故障,这种方法相对复杂,实现起来比较困难。参考文献[12]提出了基于IGBT 输出功率的开路故障诊断方法,由于APF系统电流中含有大量谐波,导致该方法出现误诊断。参考文献[13]根据变频器故障时与正常状态时电压的不同,通过误差值判断故障,其诊断时间很短。参考文献[3,14]通过增加额外的硬件电路来诊断故障,虽然该方法操作简单,容易实现,诊断时间短,但增加了成本。参考文献[15-16]提出将专家系统法用于故障诊断,该方法的缺点是很难建立完整的知识库。
考虑到APF系统中含有大量谐波,上述参考文献中基于电流诊断的方法很容易出现误诊断。为解决三相四开关APF系统中IGBT开路故障诊断问题,结合三相四开关有源电力滤波器的拓扑结构,本文提出了一种基于电压检测的IGBT开路故障诊断方法。该方法只需采集一个线电压信号,结合系统控制器已经使用的信号,便可快速准确地诊断出三相四开关APF系统中的IGBT开路故障。
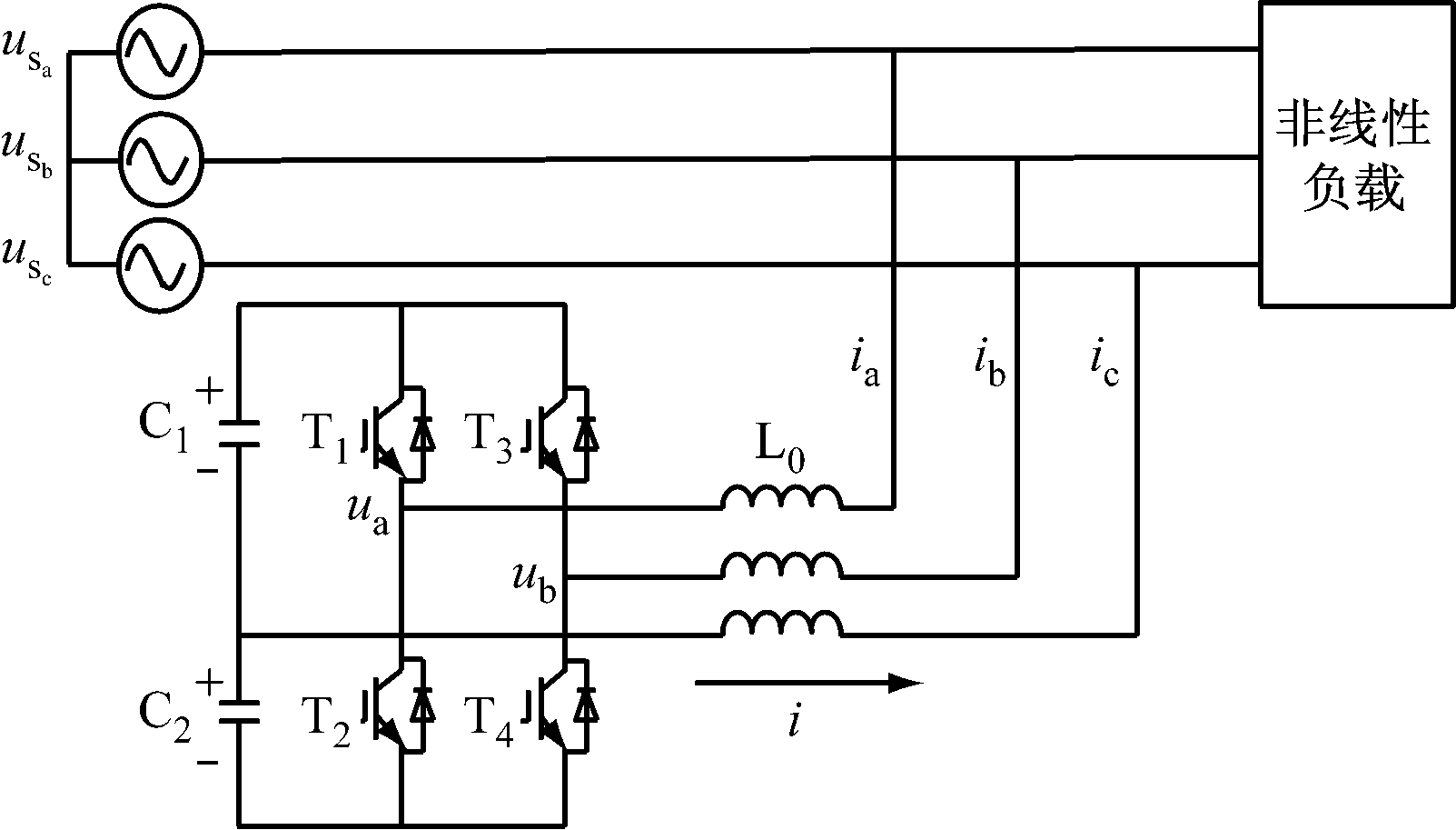
三相四开关APF主电路拓扑结构如图1所示,由图1可以看出,与传统三相六开关APF主电路拓扑相比,第3个桥臂由2个电容器C1和C2组成,其中点接c相。

图1 三相四开关APF主电路拓扑结构
Sa、Sb分别表示a、b两相桥臂开关管的开关状态,Sa=1,表示T1导通,T3关断;Sa=0,表示T1关断,T3导通。
由基尔霍夫电压定律可以得到有源电力滤波器输出线电压uac、ubc的表达式:
(1)
式中Udc为母线电压。
同时也可以得出输出线电压uab与uac、ubc的关系:
(2)
由式(1)可以看出,线电压uac、ubc与开关状态相关,可以直接通过调节IGBT的开关状态来调节线电压。将式(1)代入式(2),可以得到uab瞬时值与开关管状态的关系,见表1。
表1 uab瞬时值与开关管状态的关系

当APF中的IGBT发生开路故障时,APF输出线电压uab的真实值与正常模式下的理论值存在误差,通过该误差值,再结合电流方向和开关信号来判断故障位置(在电流为零时,不参与故障诊断,不做分析)。由于篇幅限制,只分析T1发生开路故障时APF输出线电压的真实值uab与正常模式下的理论值
,见表2(ia、ib为APF输出电流,并定义电流流出APF方向为正,反之为负)。同理可分析其他单管故障及多管故障情况下,APF输出线电压的真实值uab与正常模式下的理论值
。
通过对比分析IGBT出现单管故障及多管故障时APF输出线电压uab的真实值与正常模式下的理论值的关系,总结出电流方向、开关信号、输出线电压uab与故障诊断信号的关系,确定为三相四开关有源电力滤波器IGBT开路故障诊断规则,见表3。表3中,Fault为1,2,3,4时,表示T1,T2,T3,T4故障;Fault为5时,表示T1,T4故障;Fault为6时,表示T2,T3故障。
表2 T1正常和开路故障时的输出线电压

表3 电流方向、开关信号、输出线电压uab与
故障诊断信号的关系

因此,在原有系统的基础上,增加一个电压传感器,检测APF输出线电压uab,再配合电流方向和开关信号,便可按照表3判断出故障位置。
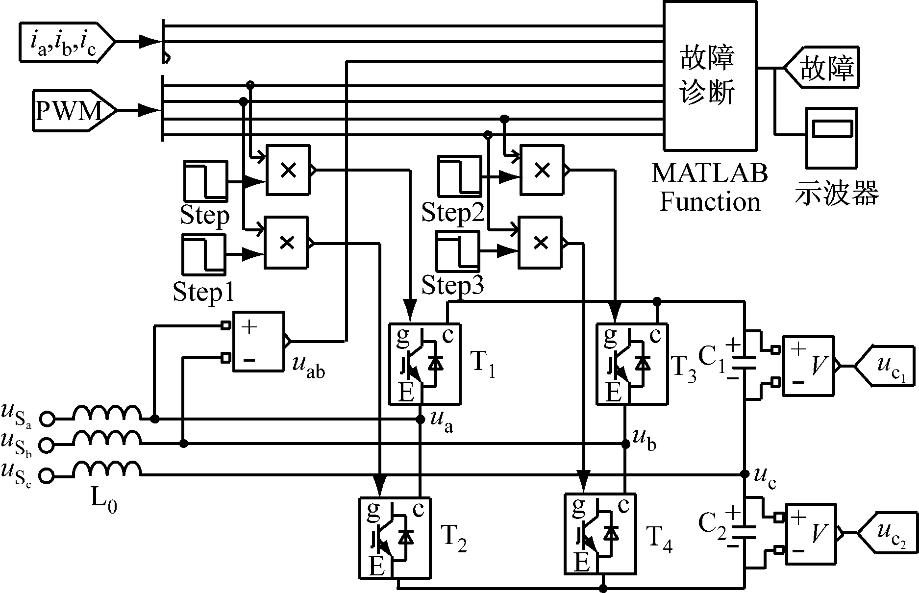
根据故障诊断原理,采用Matlab搭建故障诊断仿真模型。仿真参数:电网线电压有效值为60 V,频率为50 Hz,APF输出电感为1.5 mH,母线电容C1=4.4 mF,C2=4.4 mF,直流侧电压参考值为200 V,三相不控整流桥带2.67 Ω电阻作为公共谐波源。故障诊断仿真模型如图2所示,通过封脉冲模拟IGBT开路故障。

图2 故障诊断仿真模型
为了防止同一桥臂的上下2个管子同时导通,仿真中设定了死区。在故障诊断的过程中,死区时间段内,不对故障进行判断。按照图2进行仿真验证,所有IGBT均正常工作,但是在仿真进行时,由于T1和T3导通延迟,导致线电压uab在1.491 35 ms 时未变为0,出现了误诊断信号,如图3所示(Sa+和Sa-分别为a桥臂的上管脉冲和下管脉冲,Sb+和Sb-分别为b桥臂的上管脉冲和下管脉冲)。经过分析,IGBT关断延时不会影响到故障诊断的准确性。因此,为了防止IGBT导通延时导致的误诊断,在图2中,对4路PWM脉冲波进行延迟,再送入Matlab Function中进行故障判断。

图3 IGBT导通延迟导致的误诊断信号
(1) 单管故障。T1开路故障时的仿真波形如图4所示,在APF运行到0.001 s时,T1封脉冲。观察仿真波形可知,在0.001 33 s时,Fault为1,故障信号显示为T1出现开路。

图4 T1开路故障时的仿真波形
(2) 双管故障。T1和T2开路故障时的仿真波形如图5所示,T1和 T2分别在0.001 s和0.002 s封脉冲,观察仿真波形可知,在0.013 s时,Fault显示为1,故障信号显示为T1开路,在0.023 s时,Fault显示为2,故障信号显示为T2开路。

图5 T1和T2开路故障时的仿真波形
T1和T2开路故障时的仿真波形如图6所示,T1和 T3分别在0.001 s和0.002 s封脉冲,在0.017 s 时,Fault显示为1,故障信号显示为T1开路。在0.022 s 时,Fault显示为3,故障信号显示为T3开路。
上述仿真结果验证了所提诊断方法在单管和双管故障下的诊断性能。由故障诊断原理可得出,该方法可以诊断出三管故障及4个IGBT全部发生开路故障。
搭建三相四开关有源电力滤波器实验平台,实验平台主要参数如下:电网线电压为60 V,频率为50 Hz,三相不控整流桥带2.67 Ω(3个8 Ω电阻并联)电阻作为公共谐波源,直流侧上下电容值均为4.4 mF,直流侧电压参考值为200 V,输出电感为1.5 mH,开关频率为12.5 kHz。

图6 T1和T3开路故障时的仿真波形
在实验中,通过封脉冲模拟IGBT开路故障,实验波形1如图7所示。当对T4封脉冲时,APF发出的补偿谐波出现变化,在17 ms后,uab<0,ia<0,ib<0,诊断出T4故障,Fault=4。

图7 实验波形1
实验波形2如图8所示,当对T4封脉冲时,IGBT不能正常导通,APF无法正常工作,补偿后的电流出现了严重的畸变。在8 ms后,诊断出T4故障,Fault=4。

图8 实验波形2
基于电压检测的IGBT开路故障诊断方法根据APF的两相电流,4路IGBT脉冲信号,再结合1个线电压信号,按照故障诊断规则,便可诊断出故障位置。仿真和实验结果表明,该方法可准确诊断出三相四开关APF单管开路故障和多管开路故障,故障诊断简单,易于实现。
参考文献:
[1] 王兆安,杨君,刘进军.谐波抑制和无功功率补偿[M].2版.北京:机械工业出版社,2005.
[2] BLAABJERG F, NEACSU D O, PEDERSEN J K. Adaptive SVM to compensate DC-link voltage ripple for four-switch three-phase voltage-source inverters[J]. IEEE Transactions on Power Electronics, 1999, 14(4):743-752.
[3] 董伟杰,白晓民,朱宁辉,等.电力有源滤波器故障诊断与容错控制研究[J].中国电机工程学报,2013,33(18):65-72.
[4] LU B,SHARMA S.A literature review of IGBT fault diagnostic and protection methods for power inverters[J]. IEEE Transactions on Industry Applications,2008,45(5):1770-1777.
[5] 张晓,孙传达,刘娟,等.三相四线制有源电力滤波器开路故障诊断[J].电网技术,2016,40(2):571-578.
[6] MENDES A M S, MARQUES C A J. Voltage source inverter fault diagnosis in variable speed AC drives, by the average current Park's vector approach[C]//Proceedings of the 7th International Conference on Power Electronics and Variable Speed Drives,London,1998:538-543.
[7] CASEIRO J A A, CARDOSO A J M. Fault diagnosis on a PWM rectifier AC drive system with fault tolerance using the average current Park's vector approach[C]// IEEE International Electric Machines and Drives Conference,Miami,FL,2009:695-701.
[8] 于泳,蒋生成,杨荣峰,等.变频器IGBT开路故障诊断方法[J].中国电机工程学报,2011,31(9):30-35.
[9] 杨忠林,吴正国,李辉.基于直流侧电流检测的逆变器开路故障诊断方法[J].中国电机工程学报,2008,28(27):18-22.
[10] PEUGET R, COURTINE S, ROGNON J P. Fault detection and isolation on a PWM inverter by knowledge-based model[J]. IEEE Transactions on Industry Applications,1998,34(6):1318-1326.
[11] CHARFI F, SELLAMI F, AL-HADDAD K. Fault diagnostic in power system using wavelet transforms and neural networks[C]// Proceedings of the IEEE International Symposium on Industrial Electronics, 2006:1143-1148.
[12] 赏吴俊,何正友,胡海涛,等.基于IGBT输出功率的逆变器开路故障诊断方法[J].电网技术,2013,37(4):1140-1145.
[13] RIBEIRO R L A,JACOBINA C B,DA-SILVA E R C,et al.Fault detection of open-switch damage in voltage-fed PWM motor drive systems[J].IEEE Transactions on Power Electronics,2003,18(2):587-593.
[14] 安群涛,孙力,赵克,等.基于开关函数模型的逆变器开路故障诊断方法[J].中国电机工程学报,2010,30(6):1-6.
[15] MASRUR M A, CHEN Zhihang, ZHANG Baifang, et al. Model-based fault diagnosis in electric drive inverters using artificial neural network[C]// Power Engineering Society General Meeting,Tampa,FL,USA,2007:1-7.
[16] PARK J H, KIM D H, KIM S S. C-ANFIS based fault diagnosis for voltage-fed PWM motor drive system fuzzy information[C]// Annual Conference of the North American Fuzzy Information Processing Society,Banff,Alta,Canada,2004:379-383.
ZHANG Man, WANG Tao, LI Zhixin
Abstract:In order to solve problem of fault diagnosis of IGBT open-circuit of three-phase four-switch active power filter system, a fault diagnosis method of IGBT open-circuit based on voltage detection was put forward. This method only need to sample a line voltage signal, and combines with current and IGBT switching signals detected by system controllers, then it can quickly and accurately diagnose failure and determine the fault location. Meanwhile, the diagnosis method is suitable for IGBT open-circuit fault diagnosis of single tube and multi-tube. The simulation and experimental results verify the validity and reliability of the diagnosis method.
Key words:three-phase four-switch; active power filter; fault diagnosis; voltage detection
文章编号:1671-251X(2016)11-0059-05
DOI:10.13272/j.issn.1671-251x.2016.11.014
张满,王涛,李志新.三相四开关有源电力滤波器故障诊断研究[J].工矿自动化,2016,42(11):59-63.
收稿日期:2016-05-27;
修回日期:2016-07-19;责任编辑:张强。
作者简介:张满(1990-),男,安徽蚌埠人,硕士研究生,主要研究方向为电力电子技术在电力系统中的应用、电网电能质量动态补偿技术,E-mail:zhangman2809@163.com。
中图分类号:TD611
文献标志码:A
网络出版:时间:2016-10-28 16:29
网络出版地址:http://www.cnki.net/kcms/detail/32.1627.TP.20161028.1629.014.html