邱世广,李思光
(滨州学院 电气工程系,山东 滨州 256603)
摘要:针对逆变器的器件故障较难准确定位的问题,提出一种三电平NPC逆变器四桥臂故障容错拓扑。利用该拓扑改变时使用的开关器件可对逆变器器件短路或开路故障进行准确定位,从而为逆变器的容错控制提供依据。该拓扑可实现半桥臂替换,最多可对逆变器3个桥臂同时进行容错控制。
关键词:三电平逆变器;容错控制;半桥臂替换;四桥臂
网络出版地址:http://www.cnki.net/kcms/detail/32.1627.TP.20160930.0959.006.html
参考文献:[1]提出了一种基于不对称桥臂的三电平四桥臂容错拓扑,冗余桥臂仅使用2只IGBT串联,结构简单,但每个IGBT需独立承担整个直流母线电压。参考文献[2]提出一种三电平三桥臂容错控制方法,该方法将箝位二极管反并联IGBT,若任一桥臂发生故障,可利用附加IGBT将故障相直接接到直流母线中点,但此时逆变器应降额运行。参考文献[3]提出了一种具有电感型冗余桥臂的容错拓扑,该拓扑的冗余桥臂在故障发生前具有保证逆变器母线中点电压平衡的作用,故障发生后,可直接利用冗余桥臂替换故障桥臂,但该方法仅能实现对一个故障桥臂的替换。本文提出了一种三电平四桥臂故障容错拓扑,该拓扑可实现对逆变器故障桥臂的半桥臂替换,最多可对逆变器的3个桥臂同时进行容错控制。
逆变器的器件故障较难准确定位,尤其是短路故障,亟需简单可靠的故障检测方法,利用熔断器可将短路故障转换为开路故障再定位,但较难准确计算熔断器的熔断值。参考文献[4]提出了一种准确定位开路IGBT的方法,但实现较为复杂,参考文献[5]提出通过检测直流母线中点电压偏移的方法定位开路IGBT,该方法简单,但仅能对逆变器一相IGBT开路进行定位。在本文提出的容错拓扑中,利用容错控制时的附加器件,可实现对逆变器所有桥臂故障器件的准确定位,而且可以判定具体为短路故障还是开路故障。
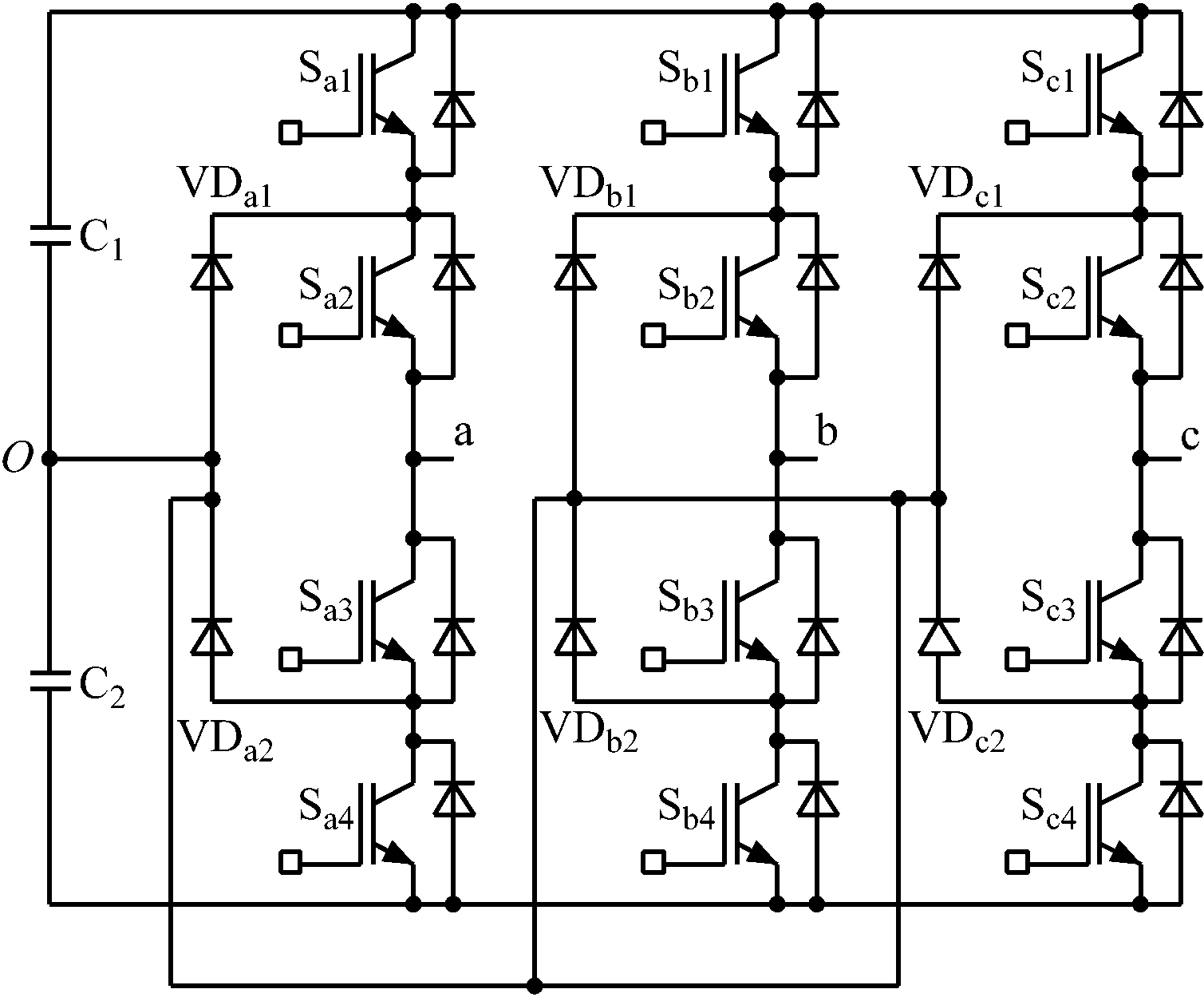
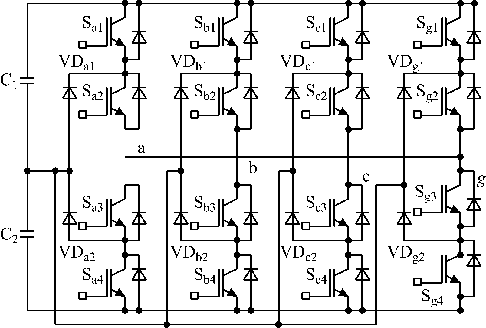
1.1 主电路
三电平NPC逆变器主电路如图1所示,本文中的上、下桥臂均包含2只IGBT和1只箝位二极管,以a相为例,上桥臂包括Sa1,Sa2,VDa1,下桥臂包括Sa3,Sa4,VDa2。

图1 三电平NPC逆变器主电路
三电平NPC逆变器的3种相输出电压对应其每相的3种工作状态。以a相为例,设直流母线电压为Ud,若Sa1,Sa2同时导通,则a相输出电压为Ud;若Sa2,Sa3同时导通,则a相输出电压为Ud/2;若Sa3,Sa4同时导通,则a相输出电压为0。
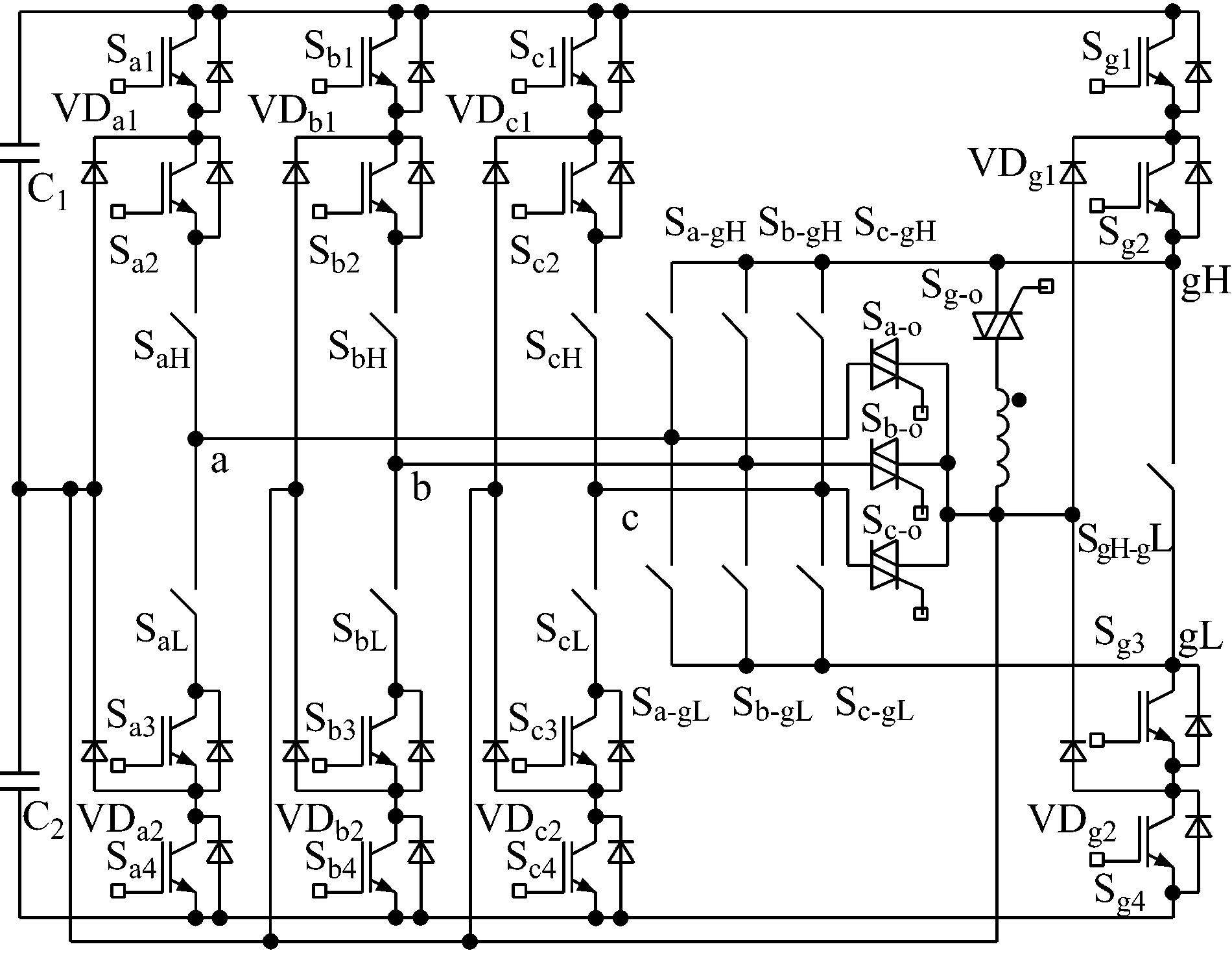
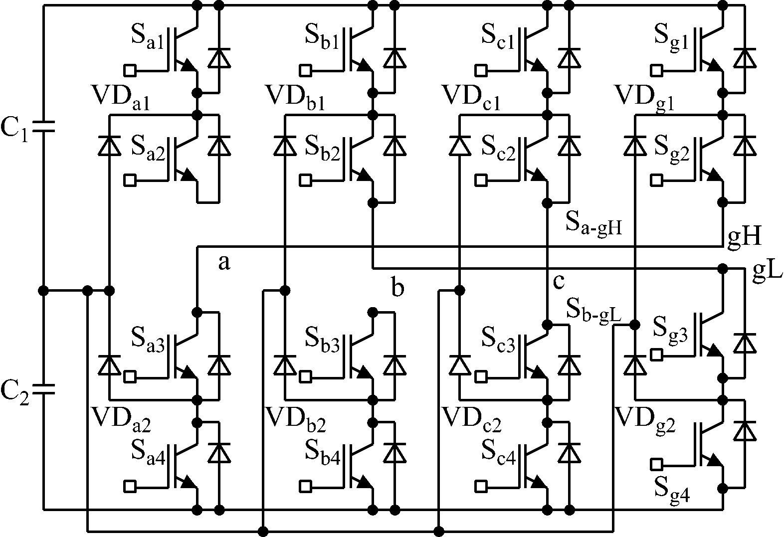
1.2 容错拓扑
三电平NPC逆变器四桥臂容错拓扑如图2所示,其中a相、b相、c相为逆变器的3个主桥臂,g相为逆变器的冗余桥臂。开关SxH,SxL(x=a,b,c)分别用于故障时断开逆变器各主桥臂的上、下桥臂;开关Sx-gH,Sx-gL分别用于故障时将各相输出至冗余桥臂的上、下桥臂;晶闸管Sx-o用于故障时将逆变器各相接至直流母线中点,晶闸管Sg-o在逆变器无故障时开通;逆变器可通过冗余桥臂实现直流母线中点电压平衡控制,开关SgH-gL用于将冗余桥臂上、下桥臂分开进行故障替换。

图2 三电平NPC逆变器四桥臂容错拓扑
若检测到逆变器三相输出侧的电流异常,而逆变器直流母线电压正常,则多为逆变器主电路故障,即逆变电路的IGBT或箝位二极管发生短路或开路故障,此时逆变器必须停止运行,自动完成故障定位与相应容错控制后再继续运行。本文提出的三电平NPC逆变器容错拓扑可对逆变电路的故障器件定位至每一相的上、下桥臂,进而为逆变电路的容错控制提供依据。为方便分析,以a相为例(b相、c相与a相类似),设a相输出电流为ia,母线中点输出电流为io。
2.1 短路故障定位
若Sa1与VDa1同时短路,Sa4与VDa2同时短路,Sa1—Sa4同时短路,即母线直流电容短路,短时间内会烧毁部分或全部短路功率器件,从而将短路故障变为开路故障。a相各功率开关器件短路故障定位方法见表1。
表1 a相各功率开关器件短路故障定位方法

2.2 开路故障定位
a相IGBT开路故障定位方法见表2。若Sa1与Sa2正常,则需测试VDa1是否开路;若VDa1开路,还需替换a相上桥臂。VDa1开路测试方法:先开通开关Sg1,Sg2,Sg-o,对电感L1预通电,使其完成储能,再开通SaH,Sa-gH,Sa2,关断Sg1,Sg2。若a相电流传感器能够检测到相应电流,则VDa1正常,否则a相上桥臂故障。同理,若Sa3与Sa4正常,则需测试VDa2是否开路,若VDa2开路,还需替换a相下桥臂。VDa2的测试方法与VDa1相似,只不过对L1预通电时应该先开通Sg3,Sg4,SgH-gL。
表2 a相IGBT开路故障定位方法

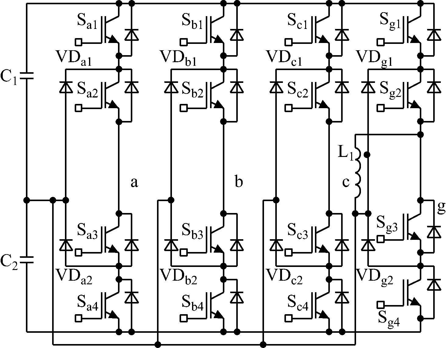
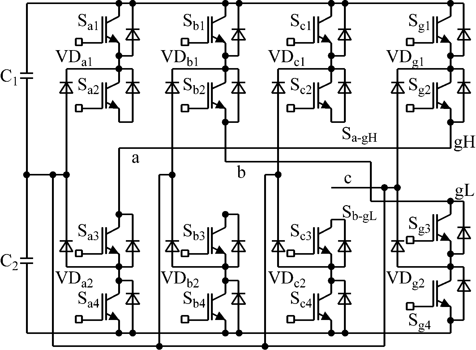
3.1 逆变器无故障时的容错拓扑
各开关的状态:开关SaH,SbH,ScH,SaL,SbL,ScL,SgH-gL全部闭合;开关Sa-gH,Sb-gH,Sc-gH,Sa-gL,Sb-gL,Sc-gL全部断开;双向晶闸管Sg-o开通;双向晶闸管Sa-o,Sb-o,Sc-o全部关断。逆变器无故障时的容错拓扑如图3所示。

图3 逆变器无故障时的容错拓扑
若未检测到逆变器故障,电路拓扑与参考文献[3]提出的三相四桥臂容错拓扑相同,通过控制Sg1,Sg2同时导通或Sg3,Sg4同时导通,可实现对逆变器母线中点电压的平衡控制,而且在开关周期开始时电流为零,由主桥臂切换至冗余桥臂是在零电流条件下进行的,换相过程没有开关损耗。
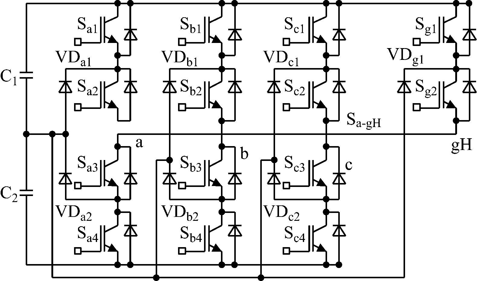
3.2 单相半桥臂故障时的容错拓扑
以a相上桥臂故障为例,各开关的状态:开关SbH,ScH,SaL,SbL,ScL,Sa-gH全部闭合;开关SaH,Sb-gH,Sc-gH,Sa-gL,Sb-gL,Sc-gL,SgH-gL全部断开;双向晶闸管Sa-o,Sb-o,Sc-o,Sg-o全部关断。单相半桥臂故障时的容错拓扑如图4所示。
若通过前面提出的故障器件定位方法来确定任一相的上桥臂或下桥臂故障,则容错拓扑可工作于图4所示状态,容错控制后逆变器无需降额运行。

图4 单相半桥臂故障时的容错拓扑
3.3 单相上、下桥臂故障时的容错拓扑
各开关的状态:开关SbH,ScH,SbL,ScL,Sa-gH,SgH-gL全部闭合;开关SaH,SaL,Sb-gH,Sc-gH,Sa-gL,Sb-gL,Sc-gL全部断开;双向晶闸管Sa-o,Sb-o,Sc-o,Sg-o全部关断。单相上、下桥臂故障时的容错拓扑如图5所示。

图5 单相上、下桥臂故障时的容错拓扑
若通过前面提出的故障器件定位方法确定任一相的上桥臂和下桥臂故障,则容错拓扑可工作于图5所示状态,容错控制后逆变器无需降额运行。
3.4 两相半桥臂故障时的容错拓扑
以a相上桥臂,b相下桥臂故障为例,各开关的开关状态:开关SbH,ScH,SaL,ScL,Sa-gH,Sb-gL全部闭合;开关SaH,SbL,Sb-gH,Sc-gH,Sa-gL,Sc-gL,SgH-gL全部断开;双向晶闸管Sa-o,Sb-o,Sc-o,Sg-o全部关断。两相半桥臂故障时的容错拓扑如图6所示。

图6 两相半桥臂故障时的容错拓扑
若确定逆变器其中一相的上桥臂、另一相的下桥臂均有故障器件,则容错拓扑可工作于图6所示状态,容错控制后逆变器无需降额运行。由于冗余桥臂只可同时替换一个上桥臂和一个下桥臂,故若有两相同时出现上桥臂故障或下桥臂故障,则冗余桥臂只可替换一个,另一个可参考三相故障时的容错控制方法,将故障桥臂直接连接到逆变器直流母线中点,但此时逆变器需降额运行。
3.5 三相故障时的容错拓扑
以a相上桥臂、b相下桥臂、c相故障为例,各开关的开关状态:开关SbH,ScH,SaL,ScL,Sa-gH,Sb-gL全部闭合;开关SaH,SbL,Sb-gH,Sc-gH,Sa-gL,Sc-gL,SgH-gL全部断开;双向晶闸管Sc-o导通;双向晶闸管Sa-o,Sb-o,Sg-o全部关断。三相故障时的容错拓扑如图7所示。

图7 三相故障时的容错拓扑
若确定逆变器其中一相的上桥臂、另一相的下桥臂均有故障器件,剩余一相也有故障器件,则容错拓扑可工作于图7所示状态。此时c相直接连接到逆变器直流母线中点,参考文献[6-8]对该故障容错方法进行了研究,容错控制后逆变器控制时需调整a相、b相的相角,而且容错控制后逆变器应降额运行。
提出了一种可实现半桥臂替换的三电平NPC逆变器四桥臂故障容错拓扑,利用该拓扑改变时使用的开关器件可对逆变器短路或开路故障进行准确
定位,从而为逆变器的容错控制提供依据。该容错拓扑实现了以下功能:含有一个冗余桥臂,若逆变器无故障,则通过对该冗余桥臂的控制,可实现对三电平NPC逆变器中点电压平衡的控制;可实现对逆变器中出现故障的上桥臂和下桥臂分别进行替换,也可实现整个桥臂替换;若逆变器出现2个上桥臂或下桥臂同时故障,该容错拓扑可通过容错控制保证逆变器继续工作,但此时需要将其中一个故障桥臂的输出接至逆变器直流母线中点,逆变器也需降额运行;最多可实现对逆变器三相出现故障时的容错控制,但逆变器需降额运行。
参考文献:
[1] 陈丹江,叶银忠,华容.NPC三电平逆变器容错拓扑及其控制研究[J].控制工程,2014,21(2):258-262.
[2] LI J,HUANG A Q,BHATTACHARYA S,et al.Three-level active neutral-point-clamped converter with fault tolerant ability[C]//Applied Power Electronics Conference and Exposition,2009.
[3] CEBALLOS S,POU J,ZARAGOZA J,et al.Soft-switching topology for a fault-tolerant neutral-point-clamped converter[C]//IEEE International Symposium on Industrial Electronics,Vigo,Spain,2007.
[4] 赏吴俊,何正友,胡海涛,等.基于IGBT输出功率的逆变器开路故障诊断方法[J].电网技术,2013,37(4):1140-1145.
[5] 邱世广,李梅.一种三电平NPC逆变器IGBT开路判别方法[J].工矿自动化,2014,40(9):99-102.
[6] LI S,XU L.Strategies of fault tolerant operation for three-level PWM inverters[J].IEEE Transactions on Power Electronics,2006,21(4):933-940.
[7] FARNESI S,FAZIO P,MARCHESONI M.A new fault tolerant NPC converter system for high power induction motor drives[C]//IEEE International Symposium on Diagnostics for Electric Machines,Bologna,2011.
[8] 徐帅,张建忠.多电平电压源型逆变器的容错技术综述[J].电工技术学报,2015,30(21):39-50.
QIU Shiguang,LI Siguang
(Department of Electrical Engineering,Binzhou University,Binzhou 256603,China)
Abstract:In view of problem that it is difficult to accurately locate device failure of inverter,a fault tolerance topology of three-level four-leg NPC inverter was proposed.In the topology,short-circuit fault and open-circuit fault can be located accurately by switching device used when topology changes,so as to provide a basis for fault-tolerant control of inverter.The topology enables half-leg replacement,and can achieve fault-tolerant control of up to three inverter legs at the same time.
Key words:three-level inverter; fault-tolerant control; replacement of half-leg; four-leg
文章编号:1671-251X(2016)10-0070-04 DOI:10.13272/j.issn.1671-251x.2016.10.016
邱世广,李思光.一种三电平NPC逆变器四桥臂故障容错拓扑[J].工矿自动化,2016,42(10):70-73.
收稿日期:2016-06-14;
修回日期:2016-08-22;责任编辑:胡娴。
基金项目:国家安全监管总局2015安全生产重大事故防治关键技术科技项目(shandong-0056-2015AQ);滨州学院青年人才创新工程科研基金项目(BZXYQNLG201204)。
作者简介:邱世广(1981-),男,山东诸城人,硕士研究生,主要研究方向为中高压变频器、多电平变换器,E-mail:qiusg1980@126.com。
中图分类号:TD608
文献标志码:A 网络出版时间:2016-09-30 09:59
0 引言
近年来,随着电力电子器件制造技术的进步和控制技术的发展,以三电平NPC逆变器为代表的多电平逆变器得到了越来越多的应用。但由于应用三电平逆变器的电力电子器件数目较两电平逆变器多2倍,所以三电平逆变器的故障更多。而工业现场对于逆变器的可靠性要求越来越高,因此,具有合适的容错控制技术对于多电平逆变器的应用和推广具有重要的意义。