荆栋1,张秀华2,孙红亮2
(1.山东理工大学 交通与车辆工程学院,山东 淄博 255049;2.山东工业职业学院 电气工程系,山东 淄博 256414)
摘要:针对传统漏电保护装置在配电网故障情况下可能存在拒动或延时动作的缺点,设计了一种配电网故障隔离装置。该装置采用电感和可调电容并联的方式设计阻抗器,故障情况下利用阻抗器附加绕组产生的耦合电压驱动控制系统,迅速准确投切可调电容,实现对隔离参数的在线调节。仿真及试验研究结果表明,在配电网单相故障情况下,该隔离装置可准确提供高阻抗,有效隔离故障点,保证配电网安全可靠运行。
关键词:配电网;单相接地故障;隔离装置;阻抗器
网络出版地址:http://www.cnki.net/kcms/detail/32.1627.TP.20160930.1006.009.html
配电网故障情况下一般利用保护器快速动作切断电源,实现故障隔离[1-2]。由于传统漏电保护器在配电网故障情况下可能存在拒动或延时动作的缺点,参考文献[3]从减小漏电流的层面,提出一种剩余电流保护理论。研究发现,只要保护器隔离电路参数设计恰当,便可实现良好的故障隔离[4-6]。但是在实际工程环境中,故障点的不确定性使得保护器很可能偏离谐振点工作,从而造成漏电流比较大,超出安全电流的范围[7-8]。针对上述研究的不足,本文设计了一种配电网故障隔离装置,在配电网故障情况下,利用该隔离装置的耦合电压驱动控制系统,迅速准确投切隔离参数,从而实现对故障点的有效隔离。
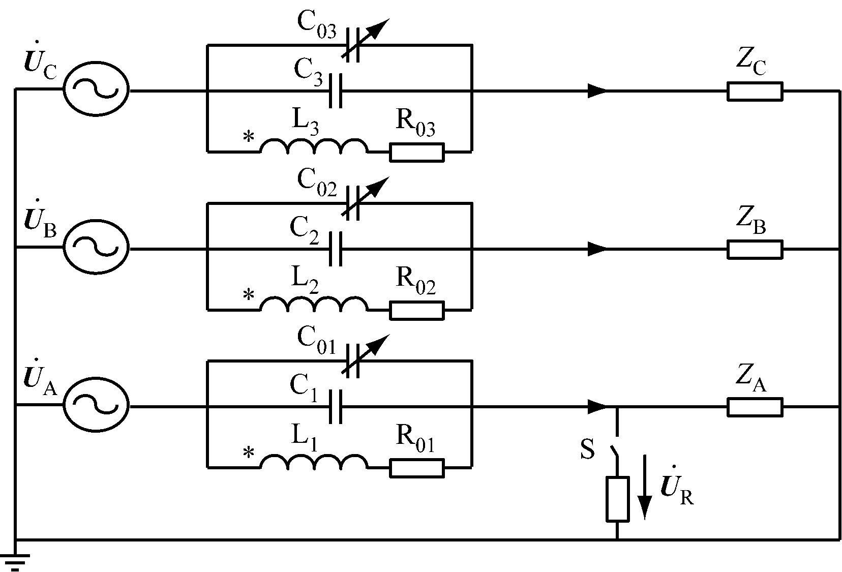
配电网故障隔离装置基本结构如图1所示,阻抗器电感线圈设计满足基本耦合要求,当配电网发生单相接地故障时,隔离装置各相电感线圈的正序电流、负序电流在阻抗器线圈两端不产生电压降,只有零序电流产生电压降。通过在阻抗器上附加绕组可获取零序电流的耦合电压,在配电网故障情况下,该电磁耦合电压可作为控制系统的电源,通过对隔离装置端电压与电源电压的比较,由控制系统合理投切谐振参数,实现对故障点的安全隔离。

图1 配电网故障隔离装置结构
2.1 正常运行分析
在配电网正常运行过程中,流过隔离装置的三相电流矢量和为零,铁芯内合成磁势为零,隔离装置两端电压降为零,三相电源全部加在负载上[9-10];耦合电压为零,控制系统无电源不动作,因此,隔离装置的串入不影响电网正常运行。
2.2 故障分析
单相故障情况下,配电网出线串联隔离装置,其作用等效为中性点经谐振接地系统[11-12]。取N为配电网的线制,电感L、电容C为隔离装置的谐振参数,分析配电网串联隔离装置后单相故障的特点。
2.2.1 故障电流
通过对不同线制低压配电网运行稳态分析可知,单相故障电流
R的表达式为
(1)
式中:ω为角频率;
L为隔离装置电感电流。
当L、C满足关系式Nω2LC=1时,单相故障电流
R为0,隔离效果最佳。
通过对不同线制低压配电网运行暂态分析可知,单相暂态故障电流iR(t)的表达式为
iR(t)=![]()
(2)
式中:K为常系数;R为阻抗器直流电阻;t为时间。
由式(2)可知,不同线制下单相故障电流均为衰减振荡函数。随着时间增长,故障电流iR(t)最终趋于0。一般经过5倍的时间常数之后,故障电流衰减振荡结束,因此,只要谐振参数L、C选择恰当,便可以有效降低故障电流。
2.2.2 负载运行
通过对低压供电系统故障情况下负载运行进行分析[13],可得
(3)
式中
WU为三相负载线电压。
式(3)表明,故障情况下三相负载线电压平衡。
由上述分析可见,配电网串入隔离装置,只要谐振参数L、C设计恰当,便可实现良好的故障隔离,且故障情况下负载运行不受影响,如此便可以保证重要负荷的短时可靠运行。
3.1 仿真电路及参数
仿真利用PSPICE软件实现,隔离装置仿真电路如图2所示,阻抗器电感为10.1 H,直流电阻为2 Ω,电容投切量在0~0.94 μF之间取值,测试电阻取1 kΩ,负载三相平衡,ZA=ZB=ZC=100 H。

图2 隔离装置仿真电路
3.2 仿真结果分析
断开开关S,在配电网正常运行情况下,通过对隔离装置两端电压降及耦合电压的仿真,测试隔离装置在配电网正常运行情况下的作用,仿真结果如图3所示。

(a) 两端电压波形

(b) 耦合电压波形
图3 配电网正常运行情况下隔离装置运行仿真结果
由图3可知,配电网正常运行情况下,隔离装置入端电压V1(L1)与出端电压V2(L1)波形重合,隔离装置两端的电压降为0,串入隔离装置对配电网的正常运行无影响。耦合电压V(8)不足1 nV,该电压不能为控制系统提供有效电源,控制系统失电不工作。
闭合开关S,选择可调电容至合适参数,在配电网单相故障情况下,通过对隔离装置两端电压降及耦合电压的仿真,测试隔离装置在配电网单相故障情况下的作用,仿真结果如图4所示。
由图4可知,配电网单相故障情况下,隔离装置的耦合电压为10 V,此耦合电压可作为控制系统的电源,合理投切可调电容值,可提供高阻抗降低漏电压。仿真结果表明,隔离装置两端电压可由220 V降至5 V左右,能够有效隔离故障点。

(a) 两端电压波形

(b) 耦合电压波形
图4 配电网故障情况下隔离装置运行仿真结果
4.1 试验设计
按照仿真参数设计阻抗器,可调电容选取普通工业用电容器,耐压值为交流630 V,在0~0.94 μF之间取值,试验设计主要针对耦合电源的获取和可调电容的投切控制。
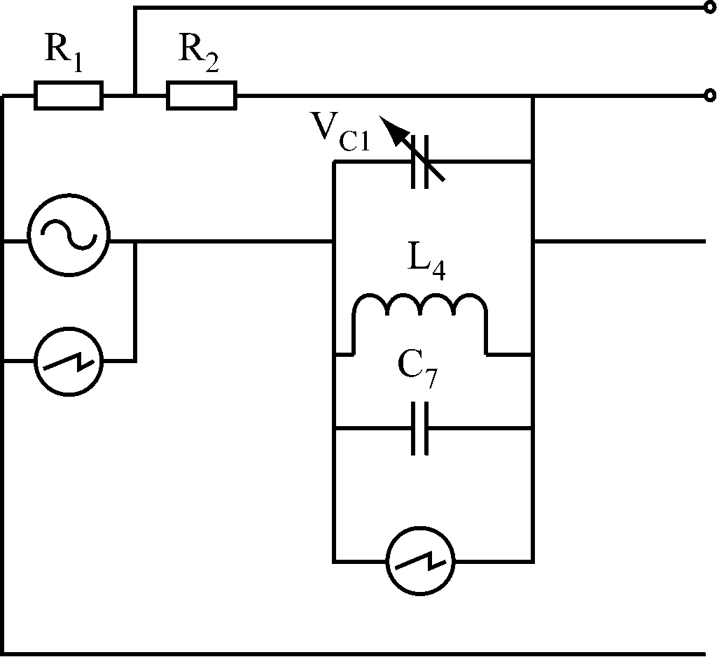
(1) 耦合电源获取。在阻抗器上附加线圈,故障情况下附加线圈会感应出交流电压,即零序电压,该交流电压经过整流稳压后可作为控制系统的电源,设计电路如图5所示。

图5 耦合电源电路
(2) 可调电容投切控制。可调电容投切量获取电路如图6所示,针对任一相的电源电压与隔离装置端电压,获取两者电压差值,依据此电压差值投切可调电容量,直至漏电流在安全范围之内,可调电容投切结束,其控制电路如图7所示。

图6 可调电容投切量获取电路
4.2 试验结果分析
图2中,电源电压UA=247 V,UB=244 V,UC=247 V,负载为10 kW电动机。开关S闭合,投切可调电容值,测试配电网单相故障情况下隔离装置的运行情况,测试结果见表1。
由表1可知,配电网单相故障情况下,合理投切可调电容值,使隔离装置在谐振点附近工作,漏电流可以控制在安全范围内。
由于配电网接地故障的随机性导致接地电阻可在几欧姆至上千欧姆范围内变化,接下来测试不同接地电阻情况下隔离装置的作用。在4.2测试条件下,取测试电阻R为1,4,500 Ω,测试隔离装置运行
情况,漏电流随测试电阻变化结果见表2。

(a) 可调电容投切控制电路

(b) 可调电容输出控制电路
图7 可调电容投切控制电路
表1 隔离装置运行结果

表2 漏电流随测试电阻的变化结果

由表2可知,当接地电阻在几欧姆至上千欧姆范围内变化时,合理投切可调电容值,漏电流均能控制在安全范围之内,此测试结果说明,该隔离装置在配电网发生任意点单相故障时均能够有效隔离故障点。
测试结果表明,在配电网任意点发生单相故障情况下,设计的故障隔离装置能够准确提供高阻抗,有效隔离故障点。该装置不必外加控制电源,操作简便,且针对不同线制配电网,其隔离效果不受故障点随机性的影响,运行安全可靠,可在低压配电网中广泛应用。
参考文献:
[1] 陈世忠.剩余电流动作保护器[M].北京:中国电力出版社,2003.
[2] 李润先.中压电网系统接地实用技术[M].北京:中国电力出版,2002 .
[3] 张秀华,傅周兴.一种新型低压三相剩余电流动作保护器的研究[J].煤炭学报,2008,33(7):837-840.
[4] 张秀华,傅周兴.一种新型低压漏电保护装置的研究[J].低压电器,2008(5):12-15.
[5] 蒋军,董锋斌,皇金峰.一种新型低压单相剩余电流报警器[J].低压电器,2007(7):48-51.
[6] GRIFFEL D,HARMAND Y,LEITLOFF V,et al.A new deal for safety and quality on MV network [J].IEEE Transsctions on Power Delivery,1997,12(4):1428-1433.
[7] 张秀华.低压剩余电流动作保护器的设计分析[J].工矿自动化,2014,40(5):27-29.
[8] 牟龙华,孟庆海.供配电安全技术[M].北京:机械工业出版社,2003.
[9] LIAN Hongbo,YANG Yihan,ZHU Xukai,et al.Research on the compensation mode and new principal-auxiliary arc-suppression coil in the resonant grounded system [C]// International Conference on Power System Technology,Singapore,2004:723-728.
[10] ZHANG Xiuhua,HAN Xiaodong.Study on a new low-voltage residual current protective system[J].Advanced Materials Research,2013(697):822-825.
[11] 要焕年,曹梅月.电力系统谐振接地[M].北京:中国电力出版社,2004.
[12] 张秀华.一种低压电网绝缘检测方法的研究[J].电器与能效管理技术,2014(13):11-13.
[13] 张秀华.一种低压剩余电流隔离设计新方法[J].电器与能效管理技术,2015(7):25-28.
JING Dong1,ZHANG Xiuhua2,SUN Hongliang2
(1.School of Transportation and Vehicle Engineering,Shandong University of Technology,Zibo 255049,China; 2.Department of Electrical Engineering,Shandong Vocational College of Industry,Zibo 256414,China)
Abstract:In view of shortages of refuse action or delay of traditional leakage protection device under fault of power distribution network,a fault isolation device of distribution network was designed.Inductance and adjustable capacitor in parallel are used to design impeder of the device,and coupling voltage generated by additional winding of the impeder to drive control system to switch adjustable capacitance rapidly,so as to realize on-line adjustment of isolation parameters accurately in fault condition.The simulation and experimental results show that the isolation device can offer high impedance,isolate fault point effectively,and guarantee safe and reliable operation of the distribution network when single-phase fault occurs in power distribution network.
Key words:power distribution network; single-phase ground fault; isolation device; impeder
文章编号:1671-251X(2016)10-0056-05 DOI:10.13272/j.issn.1671-251x.2016.10.013
荆栋,张秀华,孙红亮.配电网故障隔离装置设计[J].工矿自动化,2016,42(10):56-60.
收稿日期:2016-04-01;
修回日期:2016-05-30;责任编辑:张强。
基金项目:国家自然科学基金资助项目(51275280);山东省高等学校科技计划项目(J14LB58)。
作者简介:荆栋(1976-),男,山东淄博人,讲师,博士,主要研究方向为机电系统建模与仿真、振动控制与数字信号处理等,E-mail:jingrenzhi@163.com。
中图分类号:TD611
文献标志码:A 网络出版时间:2016-09-30 10:06