孙健, 相恒进, 朱军
(徐州工程学院 机电工程学院, 江苏 徐州 221111)
摘要:针对现有斜巷人车的运输安全问题,设计了一种新型斜巷人车液压抱轨制动系统。该系统采用高精度阀进行速度检测、放大并选择,进而驱动制动器实现制动;通过自动测速装置同步缸自主抱轨制动,制动精度高,能够有效提高斜巷运输制动的可靠性,降低事故率。
关键词:斜巷人车; 液压抱轨制动; 超速保护; 紧急制动
SUN Jian, XIANG Hengjin, ZHU Jun
(Mechanical and Electronic Department, Xuzhou Institute of Technology,Xuzhou 221111, China)
Abstract:For transportation safety problem of existing inclined roadway man car, a new type of hydraulic rail-holding braking system was designed. The system uses high precision valve for speed detection, amplification and selection, and then the drive brake achieves brake; it uses synchronous cylinder of automatic velocity measuring device to autonomously hold rail and brake, has high brake precision, and can effectively improve reliability of inclined roadway transportation braking and reduce accident rate.
[WTHZ]Key words[WTBZ]:inclined roadway man car; hydraulic rail-holding braking; over-speed protection; emergency brake
斜巷人车的安全运输在煤矿生产运输中占有十分重要的地位,直接影响着矿井生产的安全和效率[1]。斜巷轨道车辆通常采用钢丝绳牵引,以此来适应大坡度的运输,这些车辆都需要超速保护或断绳保护[2]。为解决斜巷轨道车辆超速保护或断绳保护问题,本文设计了一种新型斜巷人车液压抱轨制动系统,以提高斜巷运输制动安全[3-5]。
1.1 系统工作原理

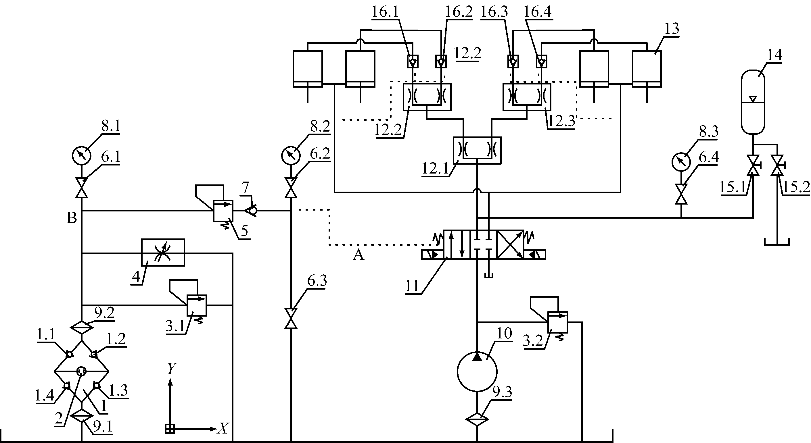
图1 液压抱轨制动系统
1-液压桥; 2-双向定量泵; 3.1-溢流阀; 3.2-背压阀; 4-流量控制阀; 5-顺序阀; 6-球阀; 7-单向阀; 8-压力表; 9-滤油器;
10-液压泵; 11-三位四通换向阀; 12-分流集流阀; 13-液压缸; 14-蓄能器; 15-闸阀; 16-液控单向阀
斜巷人车液压抱轨制动系统由信号检测控制回路、执行回路、制动回路及辅助元件组成,如图1所示。为保证在双向运行中,该系统能够正常使用,采用双向定量泵和液压桥。双向定量泵由安装在人车上的取速轮直接驱动。液压泵的排油量与矿车的速度成正比,则经过流量控制阀的流量与矿车的速度成正比。管路中的流量决定于流量控制阀的调定值,机车运行前,需对流量控制阀进行调节,以保证机车在超速时,刚好达到开启顺序阀的压力。如果管路中流量小于流量控制阀的调定值,则管路中无压力;如果管路中流量大于流量控制阀的调定值,则管路中压力迅速上升,此时压力作用于液压油释放回路,液压油驱动液压缸使制动器工作制动[6]。
1.2 系统实施过程
执行回路实施抱轨制动,并接受信号检测控制回路的控制,执行回路与信号检测控制回路通过管路A相连接。
1.2.1 信号检测回路
信号检测回路包括液压桥、双向定量泵、溢流阀、流量控制阀、球阀6.1、压力表8.1、顺序阀、单向阀、球阀6.3、球阀6.2、压力表8.2及滤油器9.1、9.2。液压泵为双向泵,液压桥由4个单向阀组成,其作用是使双向液压泵无论正反转都能输出液压油。当流量控制阀调定完毕后,如果液压泵输出流量小于流量控制阀调定值,则压力表8.1读数为0,管道油液通过流量控制阀流回油箱;如果液压泵输出流量大于流量控制阀调定值,则流量控制阀只流出调定流量,此时油路压力急剧上升,使顺序阀打开,进而控制液控式三位四通换向阀,使制动器制动[7]。
1.2.2 执行回路
执行回路由液压泵、背压阀及三位四通换向阀组成。当人车超速时,油路压力急剧上升,使顺序阀打开,油压驱动电液式换向阀换到左位,来自液压泵的压力油通过换向阀左位进入液压缸进油腔,推出活塞杆,驱动制动装置抱轨,摩擦片与轨道接触,实现人车制动。制动成功后,取速轮停止驱动,顺序阀关闭,换向阀恢复到中位,换向阀A、B油口封闭,液压缸锁紧不动。由于滑阀的泄露,液压缸锁紧精度不高,此时蓄能器进行补油保压,以保证液压缸压力稳定,使制动器保持良好的制动状态。退出制动状态时,电液换向阀换右位得电,制动器液压油通过右位,经过单向调速阀进入液压缸右腔,活塞杆退回,抱轨装置松开[8]。
1.2.3 制动回路
制动回路由分流集流阀、液控单向阀及4个液压缸构成。4个液压缸组成2对制动器,制动力作用于车轨。分流集流阀控制2个液压缸的流进或流出的流量,可使2个液压缸在承受不同负载时仍能实现同步。回路中的液控单向阀用于防止活塞停止时因2个缸负载不同而通过分流阀的内节流孔窜油。
1.2.4 辅助元件
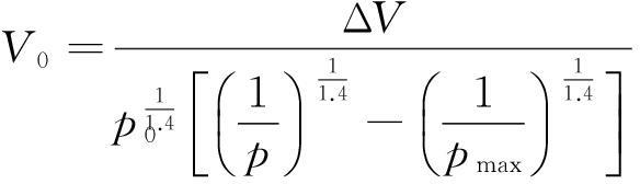
辅助元件主要包括滤油器、蓄能器、油箱及各油管等[9]。在车辆行驶前应对蓄能器进行调试,并对蓄能器进行蓄能[10]。蓄能器工作压力为3.5~30 MPa,容量为0.6~200 L,温度为-10~+65 ℃。蓄能器根据制动器压力选择工作容积,蓄能器的工作过程遵守波义尔定律,即
(1)
由式(1)可得


(3)
式中:p0为供油前充气压力;V0为蓄能器的总容积;n表示多变指数;pmax为最高工作压力;Vmax为最高压力时的气体容积; p为工作压力;V为压力为p时的气体容积;C为常数。
V-Vmax为蓄能器有效工作排量,令V-Vmax=ΔV,则对于等温过程,蓄能器总容积为
(4)
对于绝热过程,当n=1.4时,蓄能器总容积为

(5)
利用式(4)、式(5)计算蓄能器总容积时,需确定p0,p,pmax和ΔV的数值。
(1) 系统采用自动测速装置对矿车的速度进行在线测量,对突发情况更容易掌控,从而提高了安全性能。
(2) 系统采用同步缸同步抱轨制动,制动力稳定且精度高,制动性能更可靠,安装调试方便,便于井下维修。
(3) 系统具有自动制动和人工制动2种制动方式,满足《煤矿安全规程》的要求,人工制动由电磁换向阀控制,制动更方便,操作更简单。
斜巷人车液压抱轨制动系统采用高精度的液压阀对矿车的速度信号进行检测、放大并选择,进而驱动制动器,以完成驱动制动工作,可在线检测矿车速度,性能更稳定可靠,且易于调试维护。此外,系统还具有自动制动和人工制动2种制动方式,以面对应急局势。
参考文献:
[1] 刘建超,李宗旭.人车在斜井施工中的应用[J]. 建井技术,2013,34(6):39-41.
[2] 戴志晔.轻型无轨辅助运输车辆制动器的结构设计[J].煤矿机械,2007,28(3):1-3.
[3] 侯宇刚. 矿井轨道斜巷人车安全闭锁装置的研究[J]. 工矿自动化,2009,35(1):69-71.
[4] 谭廷帅,田力. XRC型斜井人车的制动过程分析[J]. 煤矿机电,2013(3):58-60.
[5] 张林慧.防爆胶轮车全液压制动系统设计[J].煤矿机械,2012,33(11):1-3.
[6] 朱理望,徐建波,叶强,等. 一种便利实用的矿井安全监测系统[J].重庆理工大学学报:自然科学版, 2011,25(2):100-105.
[7] 赵金元. UVP-5地下运人车的研制[J]. 现代矿业,2013(3):34-36.
[8] 李敬兆,詹林,汤文兵,等. 矿井斜巷乘人装置智能运行系统的研制[J].工矿自动化,2009,35(2):67-71.
[9] 姜世文,姜汉武,李进喜.车辆自动液压制动系统:中国,200810243979.X[P].2008-10-24.
[10] 张元越.液压与气压传动[M].成都:西南交通大学出版社,2014.
孙健,相恒进,朱军.斜巷人车液压抱轨制动系统设计[J].工矿自动化,2016,42(1):57-59.
中图分类号:TD55
文献标志码:B 网络出版时间:2015-12-31 16:00
文章编号:1671-251X(2016)01-0057-03 DOI:10.13272/j.issn.1671-251x.2016.01.017